Fórum témák
» Több friss téma |
Fórum » Alapismeretek (tranzisztor)
Igen erősíteni kell, ez a fontos ilyen helyzetben. Nézz meg egy tranzisztoros hangerősítő végfokot. Ott is komplementerek vannak szépen összekötve és teljesen jól működnek együtt. Persze a konkrét alkatrészeket méretezni kell.
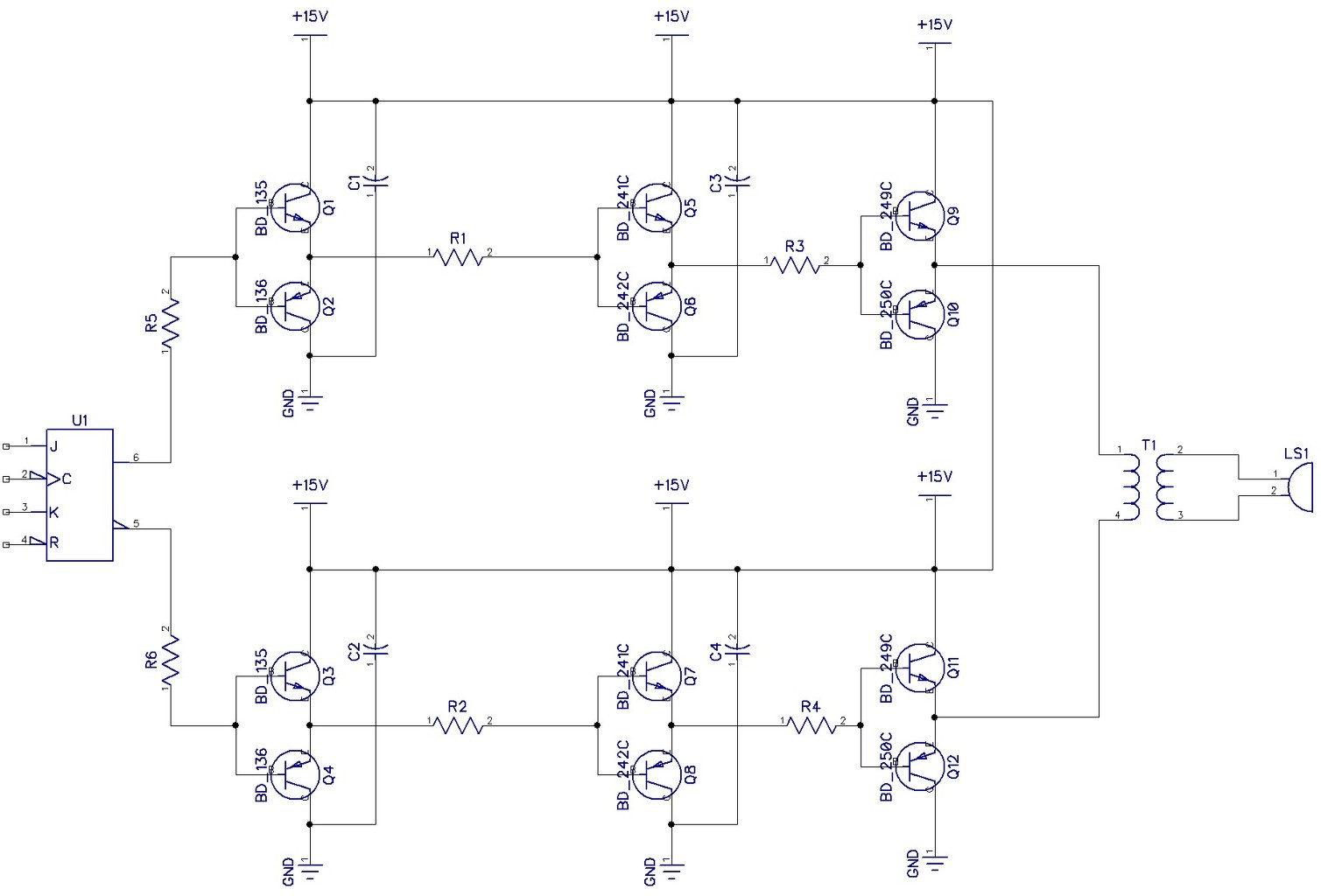
Rajzoltam egy esetleges lehetőséget. Remélem nem gondolok túl nagy hülyeséget. Légyszíves javítsd ki ami nem jó benne.
Szerintem nem kell ilyen kétlépcsős megyhajtó, de inkább szimuláld le és reméljük, hogy egy nálunk hozzáértőbb fórumtárs is megszólal az ügyben.
És nálad mégis ki értene hozzá jobban?
Le teszteletm az általam rajzolt áramkört és nem kaptam jobb eredményt. A flip-flop 2,5V-ot ad le kb. és ez jelentkezik mindenhol. Nálam a tápfeszültség nincs a trafóra kapcsolva, mivel muszáj invertálnia. Szerintem azért au én szimulátorom bőven tévedhet, mert csak egy interneteset használok. Inkább majd kipróbálom és meglátjuk, hogy mi lesz.
Szia! Nem valami inverterre volna szükséged? Egy téma ezzel van tele. Bővebben: Link
Az "erősítő" névre hallgató kapcsolást javaslom felejtsd el!
Az igaz, hogy egy inverterre lenne szükségem, csak sajna 28kHz-es jellel üzemelőre. Ezért is gondoltam, hogy a jelet egy Ne555-ös időzítővel és egy flip-flop-al állítom elő, ami eddig rendben is volt. Csak a tranzisztorok meghajtásával vagyok gondban, azaz a végfokkal. Az erősítő névre halgató kapcsolás tényleg csak egy reménytelen próbálkozás volt.
A hozzászólás módosítva: Okt 5, 2013
A témába vágó alapkérdésed az volt, hogy a BD249C 12V tápfeszültségre és 28kHz frekvenciára alkalmas-e. Erre igen a válasz.
A megvalósítandó áramkörhöz viszont nagyon szerencsétlen ez az eszköz, mert csekély az erősítése és nyitott állapotban is jelentős feszültség esik rajta. Ha mindezek ellenére ragaszkodsz hozzá, akkor használd földelt emitteres kapcsolásban és egy másik földelt emitteres tranzisztorral hajtsd meg. A teljes hidat kár kiépíteni, inkább legyen a kimenő trafó dupla primer tekercses, hiszen ezen a frekvencián csak pár menetet igényel. Mellékelek egy elvi ábrát.
Köszönöm a segítséget. Ha jól értelmezem akkor T3, T4 legyen egy kisebb teljesítményű tranzisztor amit ki tud hajtani az IC. T1, T2 pedig a teljesítmény tranzisztor. Annyira nem ragaszkodom ehhez az elvhez, de ehhez megvannak az alkatrészek. Az inverterekkel az volt a problémám, hogy nem tudtam akkora frekire hangolni.
Lepróbáltam a kapcsolást, de nekem Q és Qneg utáni PNP tranzisztor mindig áteresztett és az áram a flip-flop felé folyt. Viszont NPN tranzisztorokkal nincs gond. Azaz, ha mindenhol NPN tranzisztor van.
Mekkora a teljesítményigénye ennek a transducer-nek?
Ha nem fontos a színuszos táplálás, akkor meríts innen ötleteket. A frekvenciát pedig beállíthatod a neked megfelelő értékre. De most már tényleg be kellene fejezni az offot!
Ezt már átnyálaztam régebben köszi. Az eredeti kapcsolás alapvetően egy ilyen transducert hajtott meg ezért gondoltam, hogy megfelelne a tranzisztoros megoldás nálam is, csak nagyobb teljesítménnyel. Pillanatnyilag viszont sem FET sem FET meghajtó nincs nálam. Kipróbálom a reloop által javasolt bekötést, ha nem megy akkor kidobom az egészet és megcsinálom FET-es inverterből.
Az eredeti kapcsolás így nézett ki:
Neked transzformátor is kell és ezért gondoltam egy eleve transzformátoros megoldásra, ami már kipróbált és működőképes.
Teljesen jogos. Sajna azzal nem vagyok tisztában, hogy miként kell egy FET meghajtónál kiszámolni a frekvenciát. Ezért választottam az 555-ös IC-t. Bár, ha netán Te tudod akkor szívesen átálok a FET-re.
Kísérletezéssel is ki lehet okoskodni, mert általában az IC-re kötött RC komplexum határozza meg a fekit. Az adatlapokban pedig konkrét képletek vannak a számoláshoz, tehát több irányban is elindulhatsz.
Sikerült megtalálnom és kiszámolnom a képletet. Mégis úgy döntök, hogy használom az eredeti kapcsolást annyi különbséggel, hogy a tranzisztorok helyett FET-et fogok használni és egy dupla primeres transzformátort. Ha nem megy akkor át álok a FET meghajtóra.
Csak azért döntöttem így mert ehhez a megoldáshoz minden alkatrész adott. Köszönök minden segítséget.
Sziasztok annyit szeretnék kérdezni hogy a tranzisztor collektorát és az emitterét ,hogy mérem ki (multiméterrel) nekem úgy magyarázták el ,hogy ha rárakom a negativot vagy pozitivot az egyik lábra és a másik kettőn mér az lesz a bázis.Hát nem tudom hogy ez igaz vagy hülyeség hát ebben szeretném segitségeteket kérni valahogy egyszerően magyarázzátok mert nagyon kezdő vagyok még csak 8.os
Sziasztok!
A kezdő kérdések topikban már feltettem ezt a kérdést, de vagy átsiklottak felette, vagy nem olvasta olyan aki tudta volna: Ha a mellékelt (KRC103) kapcsoló tranzisztorból párhuzamosan kötök 3-4db -ot, elbír hajtani egy léptetőmotor 150mA-os tekercsét? (75 Ω , 12 V). (Tehát minden tekercset 3-4 ilyen tranyóból álló blokk hajtana meg.)
Szia!
Ez nem csak 80 mA-re jön ki? A hozzászólás módosítva: Dec 23, 2013
Valamit elnéztem...
De ez a tranzisztor 100mA-es, úgyhogy kettő elég lenne ahhoz a tekercshez. Ne felejtsd el az emitterekbe beépíteni az áramkiegyenlítő ellenállásokat.
Igazából, azért gondoltam 3, de inkább többre, mert, ha esetleg később kicsit nagyobb motorral használnám, akkor se legyen a határon. No meg azért is lehet több, mert ebből a tranyóból van kb 1800db itthon.
Amúgy egy egyszerű kis fél/egész lépéses kis unipoláris motor vezérlő lesz (NE555->CD4017...) Ja, és mekkora emitter ellenállásokat kellene használni? 1ohm, vagy kisebbeket? A hozzászólás módosítva: Dec 23, 2013
Minél nagyobbak az ellenállások, annál kiegyenlítettebb lesz a tranzisztorok közti áram, de a veszteségek kis értéken tartása miatt a lehető legkisebb értéken érdemes tartani. Mérésekkel meg kell határozni a lehető legkisebb értéket.
Sziasztok , Miért nem működik ez a kapcsolás? Az első ( azaz a U+ felöli) tranzisztor sosem kapcsol be?!?! valami ötlet?
Szia! Miből látod hogy nem kapcsol be? A 360k-n folyó áram egy részéből bázisáram lesz, a maradék ejt feszültséget R1-n, ami nagyon csekély.
Onnan látom hogy nem kapcsol be hogy ha összezárom a collector és emetter lábát akkor feszültség esik a 360K -os ellenálláson , ami eltérő a két tranzisztornál hogy a második Base-Emitter feszültsége majdnem kétszerese az elsőének
De ráadásul kipróbáltam már az említett áramkört tervezőprogramban is és ott működött, a gyakorlatban viszont az első tranyó sosem működik..
|
Bejelentkezés
Hirdetés |







De ez a tranzisztor 100mA-es, úgyhogy kettő elég lenne ahhoz a tekercshez. Ne felejtsd el az emitterekbe beépíteni az 





