Fórum témák
» Több friss téma |
ja és"merészebb" például pár saját számban az hogy messze vannak a hangok és a sebbesség miatti hirtelen váltásoknál vannak néha koppanások
de ez is az én hibám
Akkor neked egy frankó basszus kombó kéne, ha slap-elsz is, akkor limiter is kell bele.
Szerintem kompreszor kell a slap-hez .Persze jo lenne egy komoly cucc amin minden (Hangsav ,Felfutas ,lecsenges , hangszin is) legyen allithato a tobbi beallitas melett . Ha lehet tobb frekvenciacsatornas legyen a kompresszio hogy a kivant hangzas megjojjon.Ugyanis a kompresszor hangszint is valtoztat ilyen nagy jelek leszabalyozasakor .
.A@Bassmaster altal ajanlott modszer is megfelelo, a jatekmodortol es a beallitastol is fugg . A kompreszor tulajdonkeppen expanszor -kent mukodik a kis jeleknel ez segit a jatekban . A limiter az csak az erositeste hatarolja igy talan termeszethubb a hangzas mivel csak a nagy jeleket tartja kordaba . Limiter eseteben altalaban maga az erosito kompresszio hatasat hasznaljak kis jeleknel a limitter a tul nagy jeleket tartja a biztionsagoz nivon. Dehat a megkivant hangzastol fugg mikor mit valaszt egy zenesz . Egy allithato felulataereszto szuro is elkelne hogy a nagyon mely frekvenciakat is hataroljuk ha az erosito nem hatarolja .
ja * csak az árával vannak problémáim
majd egyszer addigis akkor beszerzek valamiféle limitert, ja * és köszi a segítséget
Szia, Bassmester ennek a tápnak ide tudnád adni a kapcsolási rajzát ha módodban áll? Érdekelne engem. Esetleg van hozzá nyákterv is? Üdv.
Sziasztok!
Rég jártam erre fele. Úgy néz ki lesz egy Beag APX-em. A kérdésem, hogy tudom ezt basszhoz használni? Csövest még nem láttam belülről! Elvileg lesz illesztő trafóm gyári hangfalból, így nem kell nagyon belepiszkálni. A GK előfokom tudom-e használni hozzá? Vagy nem kell, mert ha jól láttam kétféle bemenet van rajta. A fórum legelején Tungsram kolléga emlegette hogy van leírása az átalakításról. Valakinek ez nincs meg? Segítségeteket köszönöm! Esetleg az Urbánelektronika csöves előfokát lehet-e használni hozzá? Van különbség a bassz, meg a szóló előfok között? Lehet hogy fura kérdés, de amatőr vagyok. Most tervezem egy keverőerősítő építését. Mikrofon, reverb, line, gitár. Ha valakit érdekel, felteszem a kapcsolásokat. Innen van a GK előfokom, és az működik, elvileg ezek is jók. A GK elöfokkal voltak földelési problémáim, amikor hozzáértem a húrokhoz. Ezt úgy oldottam meg hogy betettem egy x nanos kondenzátort az előfok kimenetére, egy picit halkult, de megszűnt a probléma. Ez így jó, vagy hülyeséget csináltam?
Szia Bassmester.
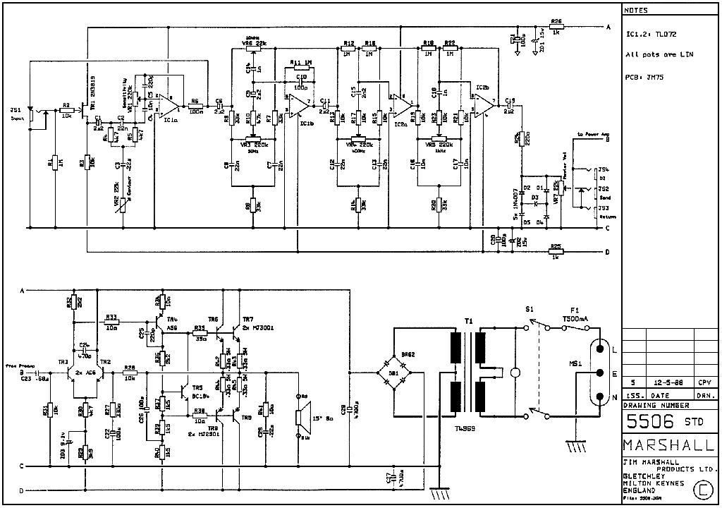
Megcsináltam az RFT-ket, textilszéllel, új erős membránnal, pillével,tekerccsel, szobai hangfal lett belőle. Viszont beszereztem egy Marshall 5506 kombót. Ezzel kapcsolatban lenne kérdésem Hozzád, mert Te értesz is hozzá ![]() Nem nagyon ismerem ezt a kombót, de úgy érzem lehetne több mélytartomány benne, mert az RFT-k sokkal jobban lemennek. Ebben a kombóban pedig 15-ös 100W-os celestion van, ami nem hiszem hogy rosszabbul szólna . Mintha 50HZ alatt vágna a cucc (?) Iszonyú hangos egyébként, de nazális hosszú távon. Szerinted lehetne módosítani (érdemes?) az elektronikában a hangszínszabályozónál valamit hogy kisebb hangerőn több mélye legyen? ..vagy csak egyszerűen hangosan kell használni? Előre is köszi a választ.
Szia!
Sajnos így nem tudok érdemben hozzászólni a jelenséghez... Mérésekre, vagy legalább alapos meghallgatásra lenne szükségem hogy képben legyek.
Azért köszönöm. Átnézem a csatolókondikat akkor, mást nem tudok én sem.
Helló mindenkinek. Tervezek egy erősítőt amihez még nem találtam végfokot. Az egyik csatorna egy Fender Bassman basszus csatornája lenne a V1B utáni 220kOhm-os ellenállásig, a másik csatorna pedig egy Orange AD200B (csatoltam) előerősítője lenne. (Lehet, hogy kissé át fogom tervezni az Orange előfokot, hogy kicsit "ércesebb" hangja legyen.) Abban kérném a segítségeteket, hogy egy ilyen összeállításhoz milyen 50 Watt körüli csöves végfokot ajánlanátok? Előre is köszönöm!
Erre vártam
Végre megtaláltam Köszi ![]()
Üdv mindenkinek!
Most tervezgetek egy tanzisztoros erősítőt saját használatra. Alapvetően 3 bemenete lenne egy a basszernak, hozzá tartozó torzítókkal (fuzz); egy sima dinamikus mikrofonnak (300 ohm ) énekhez (ide esetleg jöhet egy keverő, hogy több mikrofont is bírjon, később leírom miért) és egy bemenet a házi készítésű szájharmonika mikrofonomnak (dinamikus) a hozzá tartozó effektekkel (delay, wah, overdrive, stb.). A célja az lenne, hogy kiszolgáljon engem egy koncerten, ahol nincs PA, esetleg utcazenélés közben (veszprémi vagyok, és az Utcazene Fesztiválon már szeretném is használni), sőt a banda többi tagján is segítsen akik énekelek, vagy fúvós hangszeren játszanak. Itt kezdődnek a nehézségek. A sima énekmikrofon keverővel az egyszerű. A basszusgitárhoz most rakok össze egy előerősítőt, szerintem az is rendben lesz, a hozzá kapcsolódó fuzz effekthez már van nyákom, de összerakni nem volt még időm. A harmonika mikrofonom saját készítésű, alapvetően BlueSalt rendszerű, az egyik egy tárcsás telefon hangszóró betétjével (kb. 25 ohm ) működik, a másik egy régi kamerából kimentett mikrofon, szerintem szén vagy elektret, mivel sima gitárerősítővel nem, de számítógéppel tökéletesen működik. Van egy olyan kapcsolási rajzom és nyákom is ami tudja kezeli mind a kettőt, persze egyszerre csak egyet. Illetve van egy összerakott dinamikus mikrofonhoz való előerősítőm, amit még nem teszteltem. A hozzá kapcsolódó effekteket külön pedálsorral vezérelném. Az overdrive-ra több jó tervet is találtam, a wah effektet mozgatható vasmagú induktivitással tervezem, a delay-re van egy jó kapcsolási rajzom. A legproblémásabb dolog a végfokozat, a táp és a hangszóró. A végfokozatra talán ez jó lenne, megtaláltam a neten mint basszusgitár erősítőt is. Szintén előnye, hogy a basszusgitár előerősítő és a végfok is egy tápról mehetne. Szóba jött még ez az A-osztályú cuccos is, de ez agresszív dobos mellett még próbán sem elég. A Quad 405 is szóba került, ennek az egyetlen előnye az, hogy van hozzá megfelelő tápom. Az utóbbi kettővel a legnagyobb gondom, az, hogy nem kifejezetten zenész holmik. A tápot egy trafóval szeretném megoldani, jelenleg van egy 200 VA-s +-30-as trafóm mellé gondoltam egy feszültségszabályzót ami 9V-ot csinál az effekteknek és az előfokozatoknak (esetleg egy másodikat 24V-al). A hangszóróval szintén gondjaim vannak. Az első választásom elsősorban harmonikához ez a hangszóró lenne, de a basszusgitárt nem vinné szépen, sőt a hangomat sem biztos, mivel leginkább a basszus tartományban mozog. Szeretném megoldani egy hangszóróval, de talán a két hangszórós megoldás célszerűbb lenne. A második hangszórónak van itthon egy autóba tervezett Blaupunkt mélynyomóm 500 W folyamatos terhelhetőséggel, sajnos a hangokat a leírása szerint mindössze 500 hz-ig adja le, ezért szerintem nem lenne jó választás egy ilyen kombóban. Végső megoldás lehetne, egy ilyen hangszóró. Amiről a véleményeteket szeretném kérni: Az előfokok használhatóak-e, vannak-e jobb előerősítők? Milyen effekteket érdemes még beépíteni? Milyen legyen a végfokozat? Milyen legyen a táp? Melyik hangszóró(kat) válasszam? Bocsi, tudom, hogy sok erősítős téma van és kisregényt írtam, de szerintem ez megért egy új topic-ot.
Üdv!
Úgy vettem észre, hogy, 100%-osan egyik témába sem illik bele, mivel ez egy összetettebb szerkezetnek ígérkezik, és a basszer erősítő témakörbe icike-picikét offnak éreztem, ezért indítottam új témát (arról nem is beszélve, hogy a szájharmonika erősítő szintén teljesen más téma). Egyébként köszönöm az ajánlott topicokat! Kb. 2 hónapja kezdtem el olvasni a torzítósat, de még a feléig se jutottam el.
Szia! Az ST151 végfok olcsó és rendkívül strapabíró.
Köszönöm az ötletet, a trafóm talán jó is lesz hozzá, sőt szerintem csak 1-2 tranzisztort meg a kondenzátorokat kellene hozzá beszereznem
Ez érdekes téma mert a harmonikát nemcsak fújják, hanem szívják is
![]() A gerjedés és az impedanciák miatt lehet külön téma a harmonikaerősítő (látnád a facebook csoportban kialakult vitákat ).Amúgy teljesen jó haditerv, hogy szépen külön megtervez az ember mindent, aztán amikor összeszereli az egészet akkor meg hallgathatja a Kossuth Rádiót a saját zenésztudománya mellé (megtörtént eset).
Szia! A 60V -al üzemelő előfok amit linkeltél és a hozzá tartozó 60 W -os végfokot megépítettem, én kellemesen csalódtam benne. Annak ellenére ,hogy szimpla tápos és kondenzátorral van a hangszóróhoz csatolva szépen muzsikált. TIP 142 és 147 -es végtranzisztorokat használtam benne. Nagy bordát raktam rá ,de az szinte semmit nem melegedett. Ha az mellett döntesz arra figyelj ,hogy a nyugalmi áram tranzisztora kerüljön a hűtőbordára a végtranyókkal.
Én is összeraktam próbanyákon, de a tesztelés még várat magára, mivel a végtranyók között lévő 2 0,47 ohmos 10 wattos (!) ellenállás felizzott és megsült, amint bedugtam.
Szóval át kéne néznem, hogy mit kötöttem el. Annyit még szeretnék róla kérdezni, hogy színpadra, közönség elé kiállnál vele?
Már szerepelt ilyen körülmények között! A két utolsó képen is látható ,DE arról szó sincs ,hogy én rá akarlak beszélni ,vannak ettől különb kapcsolások. Megépítettem ,szól hangosan és szépen nekem megfelel. Van egy videó amikor a teteje meg a hátlapja nem volt direkt felrakva és a haver nyúzta egy torzítópedálon keresztül gitárral. Bővebben: Link
Szép lett, gratulálok hozzá! Igazából azért építettem meg, mert volt hozzá szinte minden alkatrészem, és ki akartam próbálni, hogy milyen a hangja.
Voltak negatív tapasztalataim a legtöbb ember által istenített tda 7294-el, szóval ic-set nem nagyon akarok építeni, de pl. ez a 60 w-os végfok már elsőre megtetszett. Most eldőlt, hogy mindenképpen megépítem, és ha színpadra nem is viszem, mert találok valami jobbat, de legalább gyakorolni jó lesz.
Szia!
Azért az IC-ket ne írd le ilyen könnyen, ajánlom neked az LM3886-ot, ami fényévekkel jobb a TDA7294-nél. Igaz az ára kicsit borsosabb ,de komolyan, kimérve és hangra is különb az előbb említettnél. Igaz ,az ekkora tokú monolit IC-ktől 30Wnál többet várni botorság (illetve lehet, csak az egekbe szökik az intermoduláció, tranziens intermoduláció, amiben az lm3886 például kimagaslóan alacsony értékeket produkál, a jelzett szintig), de pl hidalva, párhuzamosítva, egy egy IC-t "csak 30W-ig" igénybe véve nagyon szépen muzsikál. Én a gitár erősítőimbe csak a 3886-ot használom, ha megadja az ember a módját, azt a 10 alkatrészt minőségiből választja, akkor csodákra képes. Ellenállásnak 0,6W fémréteget szoktam betenni, csatolónak WIMA MKP-t, a visszacsatolás dc blokkolójába 10µF-es WIMA MKS4-est, ha kell több darabot...A pufferem meg EPCOS 4000uF, vagy 2x4000µF oldalanként (nem kell több,mert a tápfeszültség elnyomsi tényezője gyakorlatilag 100dB felett van, a 7294 jóval 20dB -el ez alatt kullog, egyszer tesztelésre és otthonra kis hangerőre csináltam egy 3886-ot oldalanként 1milifarád pufferrel, gyakorlatilag nagyon közel kellett hajolnom a 4 darab celestion v30-as lökővel szerelt ládához, hogy halljak tápfesz brummot), ez egy automatizálásban használatos elkó, 140 fokos, minden finomsággal, low esr, stb...EPCOS B41605 A nem invertáló kapcsolást szoktam megépíteni, megfűszerezve pár aprósággal, mint a hangszóró árammal arányos feszültség visszacsatolása (megnövelve a kimeneti ellenállást, áramgenerátorosabb lesz így a hangszóró hajtása, frekvenciafüggő damping stb..tudom nem tökéletes, de működik) persze épeszű keretek között kell használni, nem úgy ,mint a nagy gyártók cuccaiban, ilyen marshall pl ,ahol olyan ordenáré nagy kimeneti ellenállást lőnek be ezzel a visszacsatolással, hogy szegény hangszóró győzzön csak lengeni...Veszélyes is, mert gyakorlatilag bizonyos magas frekvenciáktól a hangszóró induktivitása miatt a kisebb frekvencián még negatív visszacsatolás már pozitívvá válik és jön az általad is említett rádió...(a rohadt hangszóró milyen jó induktivitás több MHz-en, egyszer egy gyönyörű 10MHz -es színuszt értem el így, rajzolni nem lehett volna szebbet. Bezzeg ,ha rádiót akarnék csinálni, tuti nem lenne jó a ferritem, vagy a tekercselés módja... ) Továbbá ennek nem "kell" hűtőtönk (ha akar az ember, tehet, hogy nyugodtabban aludjon), a hővédelme ennek jól működik. 4ohmról hajtották egyszer kopp hangerőn, ami azért csalt pár izzadtságcseppet a homlokomra, mert a tápfeszem 36V volt, bírta, nem recsegett, semmi anomália, természetesen csak 5 percig nyúzták így. Hosszabb távon tuti hallható lett volna már a hővédelem munkája, mert izzadt szegény rendesen. Szóval ne írd le az IC-ket, mert én ebben a teljesítmény kategóriában egyelőre nem találtam jobb optimumot. 30Wig zseniális, de utána is magasan a 7294 felett jár, csak meg kell adni a módját! Meg jó nyákot kell hozzá tervezni, ahol a földek rendesen el vannak szeparálva...de így is sokat offoltam, ha érdekelnek dolgok erről ,csak írj bátran! Sok sikert a tranyós építéséhez is! A hozzászólás módosítva: Dec 29, 2012
Az ic-k tökéletesek egy csomó dologra. Sokkal egyszerűbbek velük a számítógépek, delay effekt is egyszerűbb vele, de azért én nem tenném bele őket a komolyabb erősítőkbe. Persze elmegy rockhoz, metálhoz, meg egy csomó egyéb stílushoz, de én leginkább bluest szeretnék játszani vele, és még nem találkoztam zajtalan ic-vel, és mindenhol a tranzisztorokat (meg persze a csöveket) ajánlják komoly erősítőkbe.
Van 2 tervem végfokra, mind a kettő 60 w-os. Most arra várok, hogy hátha mutat valaki egy 80-120 wattos tranyós végfokot.
Ahogy érzed! Nekem bejött mindenre...zaj? Próbáltad már ezt a 3886-ot? Épp ezt ecseteltem, hogy 20dB -el jobb a tápfesz elnyomása, mint a 7294-nek, tehát ami a tápból jön, azt 10x jobban nyomja. A ládám 4 darab, egyenként majd 100dB/W/m érzékenységű hangszóróból áll, szerinted azon nem hallanám, ha valami zaj jönne egyébként, mármint alapzaj az IC-ből? Én megvallom nem hallom, de azt igen, ha pl egy mks kondenzátort kicserélek mkp-re a jelútban...Amúgy nem trógerkedek, a kedvedért megmutatom miket csinálok, nem a levegőbe beszélek! Amúgy csak tippet adtam, hogy tudsz egyszerűen és olcsón egy jó IC-set csinálni, ha gondolod,csinálj tranyósat, a Te döntésed! De azért is gondoltam ,mert ha egy egyszerű kapcsolás összerakásával gond van, akkor nem biztos, hogy egy összetettebb menne gond nélkül...Nem kételkedek persze a képességeidben! De az IC-sek "plug and play" dolgok. A nem tenném bele őket egy KOMOLY erősítőbe azért fájt...Nem azért, de tényleg. Csak 3 ilyen fejet kell most csinálnom, van akinek csak a tiszta csatorna tetszett, holott mint látszik a kezelő szerveken is, inkább a torzra van kiélezve. A zajzár áramkörömet is kedvelik ,volt aki a gyári csövesébe kért egyet belőle... meg egyet előfoknak rack-be is kell gyártanom, csak torz csatornát. Valószínűleg komolytalan embereknek készül, komolytalan hangszerekkel. Lukács Petának is bejött pl a magyar felirat rajta...Emellett csöveseim is vannak, meg hibrid is...Hát ez van. Most készül a következő generációs, mert túlléptem a "hibákon", amik ebben a kis félvezetősben voltak. Igaz, ez inkább amolyan rock-metál...arra jó lesz ez is... Zs.
Idézet: „és még nem találkoztam zajtalan ic-vel, és mindenhol a tranzisztorokat (meg persze a csöveket) ajánlják komoly erősítőkbe.” Ez így eléggé sommás itélet, különösen basszusgitár esetében, hozzáértve az egy napos pályafutást a fórumon... Én konkrétan elismerem, hogy nemhogy zajtalan IC-vel, de még tranzisztorral és elektroncsővel sem találkoztam, ami azt illeti... De ettől lehet neked igazad, csak győzzél meg róla bennünket Idézet: „Jé a Jani barátom a dobok mögött!” És akkor sok boldog névnapot neki is, ha még nem haragszik ennyivel megkésve...
A zaj nem az IC-ben van, hanem azon kívül keletkezik
![]() Ha blues-os soundot akarsz, akkor elsősorban a hangszórót kell nagyon jól kiválasztanod hozzá. Kb 80%-ban ezen múlik minden. Ha ez megvan akkor építs egy jó kis csöves előfokot és illessz hozzá egy félvezetős végfokot, ami éppúgy lehet ícés mint tranyós vagy fetes, 60-120 vagy akárhány wattos... Nálam egyszerű a szisztéma, 100W-ig szimpla TDA 7294, 200W-ig hidalt TDA 7294... és nincs zaj. A végfokon múlik a legkevesebb, már ami a hangzást illeti. Több gyártó van aki ícés végfokokat (TDA, LM, stb...) alkalmaz kimondottan jazz-re, akusztikusra ajánlott drága kombóiban, sőt még D-osztályú is előfordul itt-ott (pl.:Roland).
Ha figyelmesen elolvasod a hozzászólásomat akkor felfedezheted benne azt az apróságot, hogy nem csak basszusgitáron játszok (sőt a basszer csak a másodlagos hangszerem).
Valóban egy napja regisztráltam, csak azért, hogy segítséget kérjek, de ez nem azt jelenti, hogy 1 napja foglalkozom a témával. Több ic-s cuccom van itthon, és egyik sem szól olyan jól mint a legrosszabb tranyós cuccom. Valószínűleg ez azért van, mert nem vagyok hajlandó 3000 Ft-ot kiadni egy sima műveleti erősítőért, amikor legalább olyan jó építek tranzisztorokból, negyedáron. Valóban az csövek is torzítanak, de az emberi fül számára az elektroncső torzítása a legszebb. Idézet: „amikor legalább olyan jó építek tranzisztorokból, negyedáron.” Várjuk a cikket |
Bejelentkezés
Hirdetés |




de ez is az én hibám 


).






) Továbbá ennek nem "kell" hűtőtönk (ha akar az ember, tehet, hogy nyugodtabban aludjon), a hővédelme ennek jól működik. 4ohmról hajtották egyszer kopp hangerőn, ami azért csalt pár izzadtságcseppet a homlokomra, mert a tápfeszem 36V volt, bírta, nem recsegett, semmi anomália, természetesen csak 5 percig nyúzták így. Hosszabb távon tuti hallható lett volna már a hővédelem munkája, mert izzadt szegény rendesen. Szóval ne írd le az IC-ket, mert én ebben a teljesítmény kategóriában egyelőre nem találtam jobb optimumot. 30Wig zseniális, de utána is magasan a 7294 felett jár, csak meg kell adni a módját! Meg jó nyákot kell hozzá tervezni, ahol a földek rendesen el vannak szeparálva...de így is sokat offoltam, ha érdekelnek dolgok erről ,csak írj bátran! Sok sikert a tranyós építéséhez is! 









