Fórum témák
» Több friss téma |
Az miért nem jó neked amit belinkeltam ?
Tudod, nem lehetetlen fából vaskarikát készíteni, csak keserves!
Ezt most nem értem itt másod percenként ki -be kapcsol a relé?A kapcsologomb ez lenne.
Lehet ez a nyomógomb, de ha ilyen lesz benne, akkor miért volt fontos, hogy egyik pólusa a testen legyen? Mert ha mondjuk egy kocsiban meglévő gomb/akármi működteti, aminek egyik pontja fixen a testen van, akkor érteném.. De így?
Csak azért húz meg másodpercenként, mer a szimulátorban arra állítottam a gomb nyomkodását. (A gomb itt egy generátor által működtetett "elekrtonikus" kapcsoló. De ha tényleg szándékodban áll elkészíteni..
Ha másodpercenként nyomod meg a gombot, akkor igen. Ha 10 percenként, akkor 10 percenként.
Az igazság az hogy egy autoban van gomb. Később mikor jobban meg néztem a rajzod aztán már meg értettem a szimulált rajzot.
A tegnapi 20:18 hozzászolásodnál a c2 kondenzátor nincs vagy elfelejteted oda rajzolni.
Az csak egy tápfeszültség szűrés, elvileg minden áramkör esetén illene ilyent használni.
Segítséget szeretnék kérni Tőletek, mert egy pneumatikus munkahenger vezérlését kellene megoldani.
Van egy munkahenger aminek a két végén egy- egy alaphelyzetben nyitott reed relé van. Természezesen a munkahenger dugattyújában mágnes van beépítve. A munkagengert egy 5/2-es elektromágneses pneumatikus szelep vezérli, melynek mindkét végén egy egy 12V-os elektromágnes végzi az irányváltást. Az igazi gondom az, hogy amikor a dugattyú a reed-hez ér, akkor a reed kapcsolóról két imulzus (egy záró és egy nyitó) érkezik. Oylan áramkörre lenne szükségem ami folyamatos dugattyú működést biztosítana. (dugattyú ki-be, ki-be....) Segítségeteket előre is köszönöm
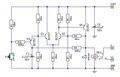
Hello! Ha jól értem, neked egy bistabil multira van szükséged, ami sokféleképen megoldható. It talán a két tranyós megoldás a leg kézenfekvőbb. (VK a végállás kapcsolót, V a szelepet jelenti.)
Ha a reed előtt a mágnes akkor kapcsol, ha nincs előtte akkor nyitott.
Nincs a reednek egyszerre két állapota. A dugattyú egyik véghelyzetében az egyik, másik véghelyzetében a másik kapcsolt / nyitott Igy ugye ? És ha ez igy van,(igy szokott lenni normális körülmények között) akkor a rajz nem lesz jó szerintem. A hozzászólás módosítva: Jan 7, 2022
Lehet igy jobb lenne.
A VK lehet nyomógomb, ami csak egy pillanatra zár és rögtön kinyit? mert a reed igy fog kapcsolni.
A reed csak egy pillanatra zár és utána rögtön kinyit. Utána a dugattyú elmegy a másik véghelyzerbe és ott a másik reed kapcsol és visszaküldi a dugattyút.
Köszönöm, ez a kapcsolás jónak látszik, de bocs a tudatlanságomért, de mi az a flip-flop?
A szelepen lévő tekercsek 12V-osak. mit kell csinálnom?
Köszönöm, ez a kapcsolás jónak látszik, de bocs a tudatlanságomért, de mi az a flip-flop?
A szelepen lévő tekercsek 12V-osak. mit kell csinálnom?
A dugattyú sosem áll meg a két véghelyzet között?
Nem. Ide-oda jár folyamatosan a dugattyú.
flip flop egy IC ami igy működik, pl 7474
A hozzászólás módosítva: Jan 7, 2022
Ha a táp 12V, akkor igy.
L1 - L2 a szelep. dioda kell a szelepekre, az nincs a rajzon. A hozzászólás módosítva: Jan 7, 2022
Ez pont jó CD4027 Dual J-K Flip-Flop és tápban is tudja a 12V-ot
A hozzászólás módosítva: Jan 7, 2022
Áram és levegő nélkül is?
Azaz, mikor éppen nem működik...mindig a végállások valamelyikében maradt?Ráadásul ez a fórum sem igazán a te problémádra "rímel":"Be-/kikapcsoló nyomógombbal" A hozzászólás módosítva: Jan 7, 2022
Ez 100% igaz
Idézet: „Ráadásul ez a fórum sem igazán a te problémádra "rímel":"Be-/kikapcsoló nyomógombbal"” A többi elektro-pneumatika. ![]() És van egy kis tévedés is érzésem szerint Walterd részéről Idézet: „A munkagengert egy 5/2-es elektromágneses pneumatikus szelep vezérli, melynek mindkét végén egy egy 12V-os elektromágnes végzi” Ez inkább 5/3-as szelep. A hozzászólás módosítva: Jan 7, 2022
Köszönöm a segítségeket, nagyon hasznos volt.
Sziasztok, nem tudom, hogy jó helyre írok-e.
Lámpákat szeretnék vezérelni (230V), de egyetlen kapcsolóm van. A logaikai kimenet a következőképp nézne ki: 1. kapcsolás (impulzus): 1 lámpa be, 2 nem világít. 2. kapcsolás (impulzus):1 lámpa ki, 2. be. 3. kapcsolás (impulzus): mindkét lámpa kikapcs. Agyalok rajta én is, de hátha valaki botlott már ilyenbe.
Hello! Azt nem írtad, hogy a kapcsoló (ami ugye nyomógomb) Lehet-e a kisfeszültségű oldalon, vagy azt is 230V-al szeretnéd kapcsolni? De van egy 4. üzemmód is szerintem, mikor mind kettő sötét.. Nem de?
Szia,
Nem teljesen neked megfelelő, de nézd meg hátha van a termékcsaládban olyan is: Bővebben: Link Vagy másik kivitelben: Bővebben: Link Persze ezek késztermékek, nem építgetősek. Viszont 230V-ra valók. |
Bejelentkezés
Hirdetés |













Azaz, mikor éppen nem működik...mindig a végállások valamelyikében maradt?






