Fórum témák
» Több friss téma |
A kézi vezérlőt nekem együtt adták a géppel.
Ha jól emlékszem én is kínlódtam míg elindult. A CH340 program telepítve van ? (én ilyen névvel találtam meg: CH341SER) A képen a jobbra nyíl melletti csúszkát próbáld állítani, aztán próbáld meg mozgatni a nyilakkal. Ez az oldal sokat segített: https://github.com/adriantrains/cnc_home_lab
Azért nem értem, mert nem települ fel a candle.exe, a win11 egy popuppal egy qt5core.dll hiányra hivatkozik.
Sajnos nem adtak hozzá kézi vezérlőt.
Megnéztem az eszközkezelőt, ch340 van a portvezérlőn a com3 porttal. A grbl controllerrel 115200 boud sebességgel kommunikál a vezérlővel, és annyit sikerült csinálnom vele, hogy a $H parancsra elindul a z tengely léptető regisztere (a végteleségig forog), a többi gombnyomásos irányításra error 9 válasz jön.
Feltöltöttem az általam használt Candle verziót ide. Ezt nem kell telepíteni, csak bontsd ki és indítsd el a Candle.exe-t.
Szuper a programod! Sikerült vele a z-tengelyt oda-vissza forgatni, úgy, hogy a reset-re kattintottam, utána a z-probe gombra, akkor forgott az egyik irányba, a reset újra megnyomására megállt a forgás. Aztán unlock gomb nyomás, majd home gomb, és akkor a másik irányba forgott, a reset gombra megint megállt.
A x és y tengelyek nem működnek. Megint error 9 a válasz. Kivettem a gépből a léptető motort, és akkor a kezemben éreztem, hogy megy benne áram, mert picit rezeg a motor, de nem eléggé, hogy forogjon is.
A home gomb megnyomása után a gép a nulla pozícióba indul el, amit csak akkor fog megtalálni, ha a gépeden vannak végálláskapcsolók a tengelyeken. Ha ez nem történik meg egy adott távolságon belül, akkor hibával fog leállni, amit csak a reset paranccsal lehet feloldani. Kapcsold ki a home parancsot a $22=0 paranccsal. Amúgy célszerű megnézned ezt az oldalt, itt fel vannak sorolva, hogy milyen beállításokat lehet tenni. A $$ paranccsal tudod az aktuális beállításokat lekérdezni. A parancsot a candle jobb alsó sarkában levő sorba tudod beírni, a válasz felette a console részen fog megjelenni.
Értem, köszi. Az x,y motorokkal mit csináljak?
Ha a candle-ban levő "jog" gombokat nyomkodva felül state résznél megfelelően változnak a koordináták, akkor a vezérlő veszi a parancsokat. Innentől neked kell kitalálni, hogy a motor, a kábel, vagy a vezérlő nem stimmel.
Ja, még valami. A beállításokat is meg kell nézni jók-e, nálam az eredeti beállítások ezek voltak:
Ezeken változtattam azóta:
Aztán amikor beraktam a végálláskapcsolókat akkor ezt változtattam meg:
Üdv mindenkinek.
Van egy gondom. Adot egy jólműködö átdolgozot 3018-as amit laptoprol üzemeltetek. De mindíg hibásan dolgozot. Véletleszerűen elveszett a kapcsolat a gép és a laptop között. Hosszas kisérletezés után kiderült a laptop usb vezérlője hibás (Mindegyik USB port) Másik laptoppal hibátlanul üzemel. De az enyémmel nem. Van egy Raspberry Pi 4 a fiókomba. Össze lehet házastani Pi-t a CNC vel. De kellene olyan szoftver mint a Candle és a laserGRNL a Pí-re. Vagy olyan rendszer amin futna a 2 említett progi. Tudna valaki segíteni ebben?
Nekem a 1018 dobta a kapcsolatot rendszeresen. Egy sima PC ventilátor megoldotta a problémát, azzal a minimális hűtéssel stabil lett a kapcsolat.
Mit hütöttél vele? Nálam bitosan nem hütés gond van vele 2 dolog miatt is.
1, Az elektronika nincsen burkolva szabadon szellőzhet. 2, A Másik laptoppal hibátlan a késztermék ugyan azzal a grbl kóddal.
A motorvezérlőkön van picike kis borda, az kapott plusz szellőzést így, s onnantól akár órákig tud menni, előtte percek alatt megállt, dobta a kapcsolatot véletlenszerűen. Mondjuk nekem egy Intel n270 procival szerelt laptop küldi neki a kódot, ami nem egy erőgép...
Volt hasonló problémám. A marómotor működése zavarta az usb kommunikációt. Egy árnyékolt usb kábel megoldotta.
Ha gyenge a gép, akkor esetleg lépéstévesztés fordulhat elő. Ez is abban az esetben, ha a gépben használt processzornak a számítási teljesítménye kicsi. Mert ugye akárgogy is nézzük, ezek a grbl csoda vezérlők hiába USB-n csatlakoznak, sajnos soros kommunikációt valósítanak meg. És azért nem kevés adatok száguldoznak azon a porton. Számomra már az ötlet is hajmeresztő, de megvalósították.
Én még mindig a sorosportos megoldást preferálom inkább. Egy stabil géppel stabilan tud működni.
Ahogy írtam, nálam egy kis plusz hűtés megoldotta a kérdést.
Átvizsgálom melegedést. Hűtőventilátor nálam is akad
. Ez az árnyékolt kábel is megoldható-Nemhiszem hogy egy Acer I5 SSD vel 8Gb rammal a kis számítási teéjesítmény képviselné.
Az Acer I5 SSD-vel már kicsit más teljesítményt képvisel. Az esetek többségben az USB-soros átalakítókat is rosszul kezeli windows 10 alatt. Volt olyan FTDI sorozatunk, amit kompletten a kukába dobtunk, mert 1-2 bájtot Windows 10 alatt nem vitt át, innentől számunkra használhatatlan volt. De a cégnél az USB-s vezérlőt is kidobtuk a rendszerből, mert lépés tévesztéseket, meg pontatlan megmunkálást okozott. Természetesen a gyrtó rögtön arra hivatkozott, hogy ez azért van, mert nem Tőlük vásároltunk számítógépet. Számomra kicsit nevetséges és kiábrándító volt ez a válasza. Így inkább vissza tértünk a jól bevált párhuzamos porthoz.
El tudom képzelni, hogy vannak ma már ezeknél jobb USB-s meg akár ethernetes vezérlőegységek is. De azok nem ezek a 20-30000Ft-os kategóriák. Ezekkel mindig csak a baj lesz. A hozzászólás módosítva: Feb 2, 2023
Sziasztok!
Nekem is volna egy kérdésem. Szerintetek mennyire fontos egy CNC vezérlőnél a galvanikus leválasztás? Az a terv, hogy csinálnék egy kompakt CNC vezérlőt 4 tengelyeset, amibe a számítógép is kompletten bele lenne építve. Ehhez rendelkezésre áll egy Micro ITX-es lap LPT porttal. Átterveztem a 4 tengelyes interfész modulomat úgy, hogy kigyomláltam belőle az 5V-os STAB kockát, és került bele egy SEM4-K csatlakozó, mert a PC tápegysége rögtön hozza az 5 és a 12V-ot is. Viszont itt jön képbe az, hogy akkor így már hiába van leválasztva a számítógép felé DC-DC konverterrel az LPT port bemenete, a tápegységen keresztül ez a leválasztás már nem lesz meg.
Hát ezt szomorúan olvasom. Nekem komkrétan a windows 10 USB kezelése minden hardveren gyalázatosnak tünik. Akkor még a hálózatkezelést nem is említem, az mégrossszabb.
De ez már másik fórum téma lenne. A hozzászólás módosítva: Feb 5, 2023
Valójában nem annyira másik fórum téma, mert ez nagyon nagyban erinti a CNC vezérlést is, sajnos. Nekem mindössze ennyi tapasztalatom van a dologban, ennyi nekem elég volt ahhoz, hogy ne próbálkozzam vele tovább. Meg aután én a Mach 3-at preferálom, az meg ugye egy 2000-res évek eleje felén fejlesztett szoftwer, még erősen az XP-s korszakból. Ezért is használtunk minden CNC-t vezérlő PC-n Windows XP-t. Másra nem igazán volt szükségünk, csak belső hálózat elérésére. Valószínűsítem, hogy az újabb rendeszereken a szoftwer is hajlamos hibákat generálni. Gondolom a Mach 4 lesz majd kompatibilisebb más rendszerekkel.
Én sem a CNC-hez, sem a windowshoz nem értek. Vannak tapasztalataim mindkettővel kapcsolatban de csak hobbi szinten foglalkozom velük. CNC-t megépítettem a youtube videókból merített ötletekből csak átalakítottam a mehanikát hogy elég stabil legyen.
Avezérlő "ocó kinai" És gondolom innen származnak a problémáim. Nincsenek nagy igényeim csak szép pontos nyákot tudjak készíteni. ha lézert teszek fel akkor jó képeket lehessen gravírozni. Hajlandó lennék lecserélni a vezérlést is ha elfogadható áron van elérhető. Mit javasolnál hogy a meglévő hardverhez?
Én a legtöbb készen kapható vezérlőt inkább hanyagolm, ha lehet. Amelyik jól működik, az sem teljesen korrekt. Pl. Lehetett kapni régebben a Kínaiaj által nagyon nyomott TB6560-as kék színű boardot. Na ott voltak olyan kapcsolástechnikai hibák, hogy a hajam égnek állt. És még az LPT port sem volt leválsztva galvanikusan a CNC-ről. Akkor meg minek kellenek az optocsatolók?
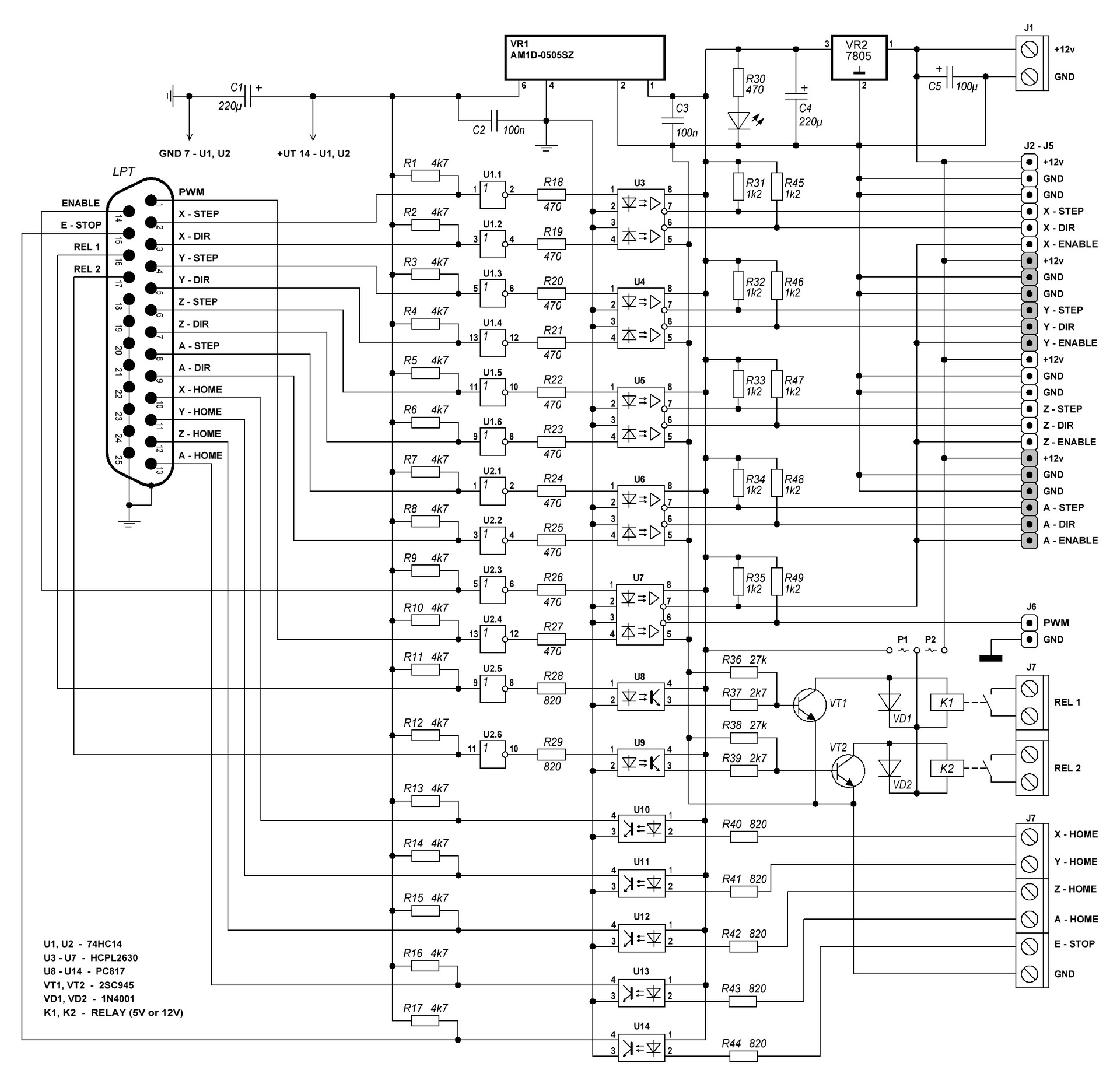
Fentebb felöltöltöttem egy interface modult. Az speciel 4 tengelyes, gépet elvezérel, jó gyors optocsatolók vannak benne ott, ahol step/dir és PWM jeleket továbbítanak, ahol meg csak egyszerű relét kapcsolnak fel, vagy csak egyszerű kapcsoló bemenetek vannak, ott szuperül üzemel a gyatra olcsó PC817 is. Amit fentebb feltöltöttem, az nem egy jó terv, mert a galvanikus leválasztás ott is megszűnik, mivel PC-táp csatlakozót kapott. Természetesen kiegészítve egy kisebb kapcsolóüzemű tápegységgel, lehetne ezt tovább vinni egyébként ezen a szálon, csak nem biztos, hogy érdemes is. Viszont megvan belőle az eredeti terv, azt feltöltöm ide 1-2óra múlva. Ezt jó szívvel tudom ajánlani, mint interfész nagyon jól dolgozik. Hamarosan gyártok belőle még pár panelt. Nálam az a terv, hogy egy kiherélt EMG oszcilloszkóp házába telepítem bele a 4 tengelyes vezérlőt, illetve van egy Mini ITX-es alaplapom is Core2-es procival, ahol IDC csatlakozóra van kivezetve egy LPT port, így gyakorlatilag az interfész modult egy szalagkábellel tudom összekötni az alaplappal. És természetesen az alaplap és a táp is bele kerül a dobozba, így egy relative kompakt vezérlőt össze lehet hozni belőle. Arra figyelni kell ha alaplapot/gépet választasz, hogy a proci sebessége azért 1GHz felett legyen. Nekem a PIII már okozott akadásokat 900MHz-en. Ennek meg ez a hátulütője. De azt gondolom, hogy manapság azért már beszerezhetőek olyan gépek amin van LPT port, és elhasít rajta egy XP. Már-már ingyen is utánad vágják. Az interfész modulra pedig már ráaggathatsz bármilyen step/dir rendszerű léptetőmotor vezérlőt. Erre speciel még az önmagába beszerezhető TB6560-as vezérlők is nagyon jók. De tudok feltenni tervet ide PIC-es FET-es vezérlőről, ami tudja az 1/32-ed mikrolépést is talán, tud vagy 6-8A-t 48V-on. Igazából csak az alkalmazott FET szab határt mindennek benne, a többit ellenállásokkal be lehet állítani.
És akkor ahogy ígértem, itt van az interfész modul. 12V-ot igényel. Minden rajta van ami kell. Két terv van a fájlban. Az egyik ezek közül a már általam átdolgozott IDC bemenetes panel. Annyit hozzá teszek, hogy a 7805-öt hűteni kell! Az baromira melegszik, mert az optocsatolók fogyasztanak bőségesen. Feltételezem azért telepítették annyira ki a szélére a panelnak, hogy a panel aljából beforrasztva a tokot, a készülék házához oda lehessen rögzíteni, és az ad már neki kellő hűtést. A galvanikus leválasztást egy pici "Tracon" DC-DC végzi, amivel én annyira nem voltam megelégedve, mert 5VDC bemenő feszültségre 7...10V kimenővel válaszolt. Így ennek közvetlen a kimenetére egy 5,1V-os SMD zenert forrasztotam, és már is jó lett.
A hozzászólás módosítva: Feb 7, 2023
Nem biztos hogy kell mindenhova optós leválasztás!
Amik egy tápegységről mennek azok közt felesleges! Tehát ha PC házba van telepítve, és PC is táplálja, akkor én oda nem tennék. A komolyabb motor meghajtók bemenete pedig optocsatolt eleve, így a vezérlőkártya kimenetére sem szükséges! A hozzászólás módosítva: Feb 7, 2023
Nálam csak az interfész modul az ami PC tápról lenne hajtva közvetlen. A léptetőmotor vezérlőim nem optocsatoltak, és annak a teljesítmény fokozata már külön nagyáramú megtáplálást kap.
Sziasztok!
Szomszédom megkért, segítsek neki eldönteni, hogy egy használt RIKA D8002 esztergagépet megvegyen-e. Amiért engem kért, az az, hogy a hirdetett gép X tengely vezérlője hibás, és vállalnám-e, hogy megnézem. Én nemigen mernék vállalkozni a megjavítására, hacsak valaki tapasztalat alapján azt nem mondja közületek, hogy nem nagy ügy, vagy hogy egyszerűen beszerezhető, cserélhető. Teljesen járatlan vagyok CNC téren, ezért minden segítséget, infot megköszönök! Üdv.
Segíteni nem tudok, de szerintem itt is kérdezd meg.
Tőled kereken 2 000 méteres séta (északnyugatra) esztergatanár fórumtársunk...
Ha az alapgép megéri a kollégának azt a fél millát amit kérnek érte, akkor vegye meg!!
De legyen a zsebben még legalább ennyi! Nem kizárt, hogy egyszerűbb, hatékonyabb lesz visszabontani az egészet a motorokig, és újabb, ismertebb agyat implantálni bele! |
Bejelentkezés
Hirdetés |







Én még mindig a sorosportos megoldást preferálom inkább. Egy stabil géppel stabilan tud működni.
. Ez az árnyékolt kábel is megoldható-






