Fórum témák
» Több friss téma |
Fórum » Csöves erősítő készítése
Ne feledd betartani a fórum viselkedési szabályait, és a topik megmaradásának feltételeit. [link]
A téma átmenetileg fagyasztva lett, hozzászólni nem tudsz!
Kedves bta! Nincs szándékomban kétségbe vonni az e-téren szerzett tapasztalataidat és eredményeidet, hiszen sok okosságot olvastam már tőled nem csak itt, más fórumokon is.
De akárhogy is nézem, ellentmondásba ütközik a söntölő kapacitással kapcsolatos megállapításod az itt látható fejtegetésben találhatóval : Bővebben: Link Hol van itt sorosan a szórt kapacitás? A generátor felől nézve akárhogy is elemzed, az az induktivitással párhuzamosan kapcsolódik. Egy korábbi kérdésre válaszolva beszéltem én erről a fajta primer önmagát söntölő kapacitásról - mikor a kérdező azt nem értette, hogyan jöhet létre két egymás melletti menet közt kondenzátor hatás. Amiről Te beszélsz az meg ugye ezen a rajzon nincs is feltüntetve - a primer és szekunder közti szórt kapacitás. Az valóban sorosan kapcsolódik a primer és a terhelés közé. Maradjunk annyiban hogy valóban lehetnek hézagok az ismereteimben(kiében nincs?), de nem azért jöttem ide hogy minden alkalommal fogást keressen valaki rajtam. Mielőtt valakit ilyen formában kioktatok, előbb meg szoktam nézni az előzményeket. Mindettől függetlenül köszönöm építő szándékú reagálásodat, és biztosíthatlak hogy nem fogok a saját zsebemre kilószám drága rézhuzallal kísérletezni, hanem igyekszem a már sokak számára bevált megoldásokat alkalmazni.
"A leírtakból az is kikövetkeztethető, hogy nagyon sok rétegzést nem érdemes csinálni, mert egy idő után már a söntölő kapacitás érdemben nem csökken..."
Attól garantáltan nem csökkenni, hanem nőni fog, hiszen több réteg --> nagyobb felületű primer-szekunder "kondenzátor". Mi lesz szegény kezdőkkel, ha már ti is keveritek?
Na most kiderült, hogy Sturbival egy malomban őrlünk(egyről beszélünk), Te meg figyelmetlen voltál csak
"ellentmondásba ütközik a söntölő kapacitással kapcsolatos megállapításod..."
Kedves szpisti, 1) Nincs, de nem is lehet ellentmondás, hiszen én a trafó hangfrekis helyettesítő kapcsolásánál* kizárólag a szórt induktivitás helyéről beszéltem 2) Tévedsz, a helyettesítő kapcsolásban* a menetkapacitások, a sorkapacitások és a p-sz rétegek köztötti kapacitások összege kapcsolódik párhuzamosan a trafó induktivitásával. Nincs külön párhuzamos és soros C tag! /* Az általad belinkelt modell nem helyettesítő kapcsolás, abban ugyanis kizárólag R, L, és C tagok találhatóak./
A sorosan kapcsolt tekercselések saját (belső) kapacitásaira gondoltam csak....
Oké, dehát a "palacsintánál" éppen hogy nem az a meghatározó, hanem a sok szekunder réteg sönthatása.
Én nem értek egyet veled mindenben...csak nem akartam kötözködni, mikor az első trafós hozzászólásodat írtad, miután pacuka kicsit modortalanul megtette...később Te még modortalanabbul reagáltál, én meg kihagytam a sárdobálást...
Teljesen igazad van...
marone ezen kérdése zavart megIdézet: „Lenne egy elméleti kérdésem. A kimenő primerjének (mondjuk) van kapacitása, ami vághatja a magasakat. De ez a kapacitás mi között jön létre ? A tekercs menetei közt ? Gondolom igen, mert ugye szigeteléssel a menetek között ezt lehet csökkenteni,”
"Szerintetek érdemes régi csöves tv-k fólia (REMIX) kondenzátorait használni új csöves erősítő építéséhez ?"
A magyar csöves tévék kondenzátorai közül az NCMP olajpapír jó hangú, de sajos nem időtálló, 30-40 év után alig találnál közöttük olyat, ami nem vezet át. Ráadásul a szivárgóáram meleg hatására nagyságrenddel(!!) meg szokott nőni. Elviselhető még a C210 poliészter és a stirók.
Sajnálom, de a modortalanságomat nem a szakmai rész váltotta ki, hanem a záró mondat:
Idézet: „De ha hülyeséget írtam, nyugodtan javítsatok ki!” az már csak hab a tortán, hogy hibás is volt. Mégegyszer sajnálom.
Végülis tökéletes válasz lett volna, ha rétegzés helyett primer sorszigetelést írsz
Hadd kérdezzem meg (provokatíve), mit gondoltok, kicsatolókondi helyett az alábbi "parafeed" trafóbekötésről. Nekem logikusnak tűnik a vas felmágneseződés ellen, légrésmentes kimenőnél. Nem láttam még ezt a megoldást, és én sem próbáltam még...kimenő
Szpisti!
Az a helyzet, hogy a régi szép időkből találtam viszonylag egyszerű kimenő méretező csöves kalkulációt. Nem nélkülözve a csöves hajtást, abból indul ki, ahogy kell. ![]() Megjegyzi a Szerző, hogy jópár paramétert most ugyan nem vesz figyelembe, azonban a sok utánépített trafó mindeg jó eredményt hozott. Könnyen le is ellenőrizheted majd, ha a szép szó és a dorong ellenére is kimenőt akarsz tervezni, ennek sokan fogunk örülni, veled együtt, ugyanis most is vannak trafóméreteink, amik már működnek és visszaellenőrizhető rajtuk ezzel a számítás, hogy használható-e. Úgyis sok tésztát kell megenni azért a kicsi lekvárért, így nem sokat veszítesz ha a 3m-es képleteket pihenteted egyelőre az egyszerűbb kedvéért.
Na, akkor kezdjük előlről, kedves BTA (és pucuka)!
A kérdésfelvetés a következő volt: Idézet: „Cső ! Lenne egy elméleti kérdésem. A kimenő primerjének (mondjuk) van kapacitása, ami vághatja a magasakat. De ez a kapacitás mi között jön létre ? A tekercs menetei közt ? Gondolom igen, mert ugye szigeteléssel a menetek között ezt lehet csökkenteni, meg ugye úgy mérjük hogy a tekercs két végét mérjük. A felül lévő más potenciálon van mint az alatta lévő ? De mitől lenne más potenciálon ? Valaki ezt el tudná magyarázni hogy jön ez létre ? Kösz !” Erre válaszoltam a 1268854-ben maronenak. Legyél szíves olvasd el még egyszer - nem kimenőtrafóról hanem induktivitásról írtam - ugye? Erre pucuka már nagy lendülettel a kimenőtrafó négypólus elméleti felvázolásáról beszélt - aminek a világon nincs köze sem a kérdéshez sem a válaszomhoz. A következő válaszban pucuka megint hülyeséget írt : Idézet: a szórt kapacitások és induktivitások legnagyobb ellensége a velük párhuzamosan jelentkező ?os söntölő ellenállás„Azért két szomszédos menet között meglehetősen nagy ellenállás található, és nem is okoz számottevő gondot, legalábbis a hangfrekvenciás sávban, és azon a néhány voltnyi feszültségen. Megjegyeztem neki, de nem javította ki önmagát, sőt... Ezután linkeltem egy pushpull kimenő helyettesítő rajzát eléggé hiteles forrásból a 1269449-ben. Később ebbe a mondatomba kapaszkodva megint hatalmas ledorongolást kaptam immár bta-tól: ” Itt megint ha jobban átrágod magad a mondaton kedves bta, nem a kimenőtrafóról, hanem általánosságban a tekercsről és kondenzátorról van szó . Mert ugye az általuk képzett rezonanciapont körüli sávszélesség és q a sönt hatására csökken. Bár ezek valóban a kimenőknél nem szoktak a hangfrekis tartományba esni. Mikor egy linken ismét mutattam, miről beszélünk már napok óta (a primer önkapacitása), megint mellébeszéltél: [/quote]Nincs, de nem is lehet ellentmondás, hiszen én a trafó hangfrekis helyettesítő kapcsolásánál* kizárólag a szórt induktivitás helyéről beszéltem Ismét kérdem, hol volt szó a felvetett témával kapcsolatban szórt kapacitásról ? Azután ismét ferdítesz : [/quote]Tévedsz, a helyettesítő kapcsolásban* a menetkapacitások, a sorkapacitások és a p-sz rétegek köztötti kapacitások összege kapcsolódik párhuzamosan a trafó induktivitásával. Nincs külön párhuzamos és soros C tag! /* Az általad belinkelt modell nem helyettesítő kapcsolás, abban ugyanis kizárólag R, L, és C tagok találhatóak./ Az állításod második felére nem is reagálok inkább, keress angol szótárt és nézd meg mit jelent a rajz címe: Basic equivalent model..... Te csak kimenőben gondolkodsz, pedig ez itt a csöves erősítők... ![]() Az állításod első felére javasolom nézd meg közelebbről a következő helyettesítő rajzot: Equivalent Circuit of a Transformer Aholis: Ce ? Intra-winding capacitance. The capacitance that develops from turn to turn within the same winding of a coil. Talán végre megérted, miről volt itt szó legelőször, és miről beszélek. Ha esetleg valakinek nem egyértelmű, fordítom : Ce - tekercselésen belüli kapacitás. Az a kapacitás, ami egy csévén belül a menet-menet mellett lévő tekercselésből jön létre. Az a bizonyos szórt kapacitás amiről meg szintén azt állítod hogy párhuzamosan kapcsolódik a primerrel, nekem sorosnak tűnik itt a rajzon a generátor és a "trafókijárat" közt. Mint ahogyan ettől a rajztól függetlenül említettem már egy korábbi hozzászólásomban. Még mielőtt megint félremagyaráznád a rajzot, idézek még egy fontos momentumot az írásból : All of the transformer losses have been extracted and placed as components in front of the transformer - vagyis : a trafó összes veszteségi összetevői mint alkatelemek a transzformátor elé lettek rajzolva. Tudod lehet hogy nem említettem még, de a szakmában én is lehúztam 35 évet. Nem "hétvégi pákásként" elhiheted. Valahogy anno az elméletet is megtanultam, és azt gondolom az önindukció leírásának linkelésére már nincs szükségem. Lehet eddig nem sokat nyüzsögtem ilyen (magyar) oldalakon, de valamennyire képben vagyok. Még ha álszerénységből be is dobtam hogy "ha szükséges javítsatok ki". De mint említettem nem szeretem (és nem is hagyom) hogy ismeretlenül mint újonc zöldfülűnek hittként egy szakmai fórumon önmagát istennek hívő egyedek ledorongoljanak mindjárt az elején - alapvetően a saját csúsztatásaik által. Azt meg aztán végképp nem, hogy a valóban kezdőket a nagyívű dumával és téveszmékkel, a másik hülyének nézésével félrevezessék. Köszönöm türelmeteket. A továbbiakban visszatérek "megfigyelő" álláspontomra, és ígérem egy betűt sem fogok ide írni többet. ps. : mivel tisztában vagyok vele, hogy ez az írás nem fog itt maradni, mentettem és másolom a kimenők topicba is. Azért addig hagyhatná a kedves moderátor, amíg az érintettek elolvassák.
Egyébként akit esetleg mégis érdekel a fent linkelt transzformátor ekvivalens leírása, itt találja : Equivalent Circuit of a Transformer
Sajnálom, hogy nem bírod a gyűrődést és elmész...
![]() Gondold meg.
Ne szívd mellre a dolgokat, nem érdemes. Mindenki látja, mit ír a másik, abból levon következtetéseket. Nem kell, senkinek megvédenie magát, ha igaza van (vagy úgy gondolja). Ha nem sikerül egy vitát rendezni (ésszerű időn belül), egyszerűen hagyni kell, akik egyetértenek azok egyetértenek, akik nem azok nem. Értelmetlen azon versengeni ki a nagyobb ász, senki nem fog az alapján "pontozni" (sem Téged, sem pacukát, sem bta-t, sem mást), hogy ki győz egy ilyen csatában. Valakinek le kell tudni állni, aki bölcs annak ez nem lehet probléma. Az "egy betűt sem fogok többet ide írni" remélem nem komoly kijelentés, szívesen látott ember vagy itt....és a többiek is.
Kismilló féle helyettesítő kapcsolást lehet felrajzolni egy transzformátorra, attól függően, hogy milyen jellemzőket szeretnénk kidomborítani, és mindegyik lehet helyes. Ilyenkor más (kevésbé lényegesnek tartott) dolgokat meg elhanyagolunk (nem veszzük bele a helyettesítő képbe). Más helyettesítő képet használunk üresjárásra, terhelésre, rövidzárra, másként ábrázolunk egy energetikai és másként egy feszültség transzformátort. Célszerű koncentrált paraméterű elemekből felrajzolni a helyettesítő kapcsolást, a primer oldalra redukálva (ezek az elemek többnyire a tekercsek ohmos ellenállásai, a szórási reaktanciák, főmező reaktancia és a vasveszteségi ellenállás, de pl, ha csak kapacitásokat akarunk ábrázolni, akkor a primer induktivitással párhuzamos eredő kapacitás is teljesen jó ( a primer és szekunder koncentrált kapacitások eredője) stb.). Melyik kapcsolás hibátlan...egyik sem, mert olyan nincs. Az a jó amelyik megfelel a mondókánknak.
:hide:
Szellemes kapcsolás, de itt is bujkál azért egy-két kondi...
Ha már külön tápág is kell az üzemeléshez, én építenék egy cirklotron (PPP?) elrendezésű végfokot, és az egyik végpentódát hangfrekivel nem hajtanám, ez nagy belsőellenállása révén hangfrekisen nem terhelné a trafóprimert, de a DC előmágnesezést kioltaná
Itt a külön tápág csak néhány voltos, ami ráül a rendes tápfeszre, és egy a kimenőhöz képest nagy impedanciával bíró fojtótekercsen és a kimenőn keresztül záródik. Ennek a köráramnak a szabályozásával (akár egy soros potival) pontosan nullázható a kimenő kapcsain keletkező nyugalmi potenciál különbség. Nem kell kicsatoló kondi ezért a kimenőtrafónak, a váltóáramú tápellátást továbbra is a szokásos kondi végzi, mert a váltóáram a sokkal kisebb impedanciájú kimenőn folyik. A kompenzáló körbe lehet persze csöves áramgenerátort, elektromos fojtót stb. is rakni, de annak nagy tápfesz igénye van. Nyilván a kompenzáló körön ugyanakkora egyenáramnak kell folynia, mint a kimenőn (mert azt kell elérni, hogy ne legyen nyugalomban potenciálkülönbség a kimenő kapcsain), és ha sokkal nagyobb impedanciát akarok, mint a kimenőé, akkor elektroncsőnél komoly feszültséget kell felvonultatni azon az ágon is, és komoly teljesítmény eldisszipálódik így a csövön (pentódán), nagyon gazdaságtalan megoldás lenne. Maga a kapcsolás csak egy kiindulási alap, ott nyilván sok változtatási lehetőség van.
Sziasztok!
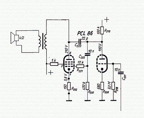
Csináltam egy pcl86 végfokot de a trióda része gerjed! nem tudjátok mit lehetne teni? (lehet az a baj hogy 200v hejett 100v-tal hajtom?) A pentóda felének nincs baja a 100 v-tala trióda meg elvileg 30-al is működik... megis gerjed ![]() Pedig mindent itt a HE.-án leírtak akapján csináltam!
Tegyél egy gerjedés gátló ellenállást a trióda rácsához (1-2 Kohmos ellenállás közvetelen a rács kivezetésre, majd ennek végére jön a rácslevezető, és a csatoló kondi). Nem kell rácslevezetőnek 3,3 Mohm, elég oda egy 220 Kohm-470 Kohm ellenállás (hacsak nem valami ősrégi nagyimpedanciás meghajtást használsz), itt a csatoló kondi értékét növelni kell ekkor kb. 47-100 nF-ra (én ide semmilyet sem szoktam rakni, mert csak olyan jelforrásokat használok, amelyeknek a kimenetén nincs egyenfesz, elvileg minden ami ez előtt van (mármint ez előtt az erősítő előtt, legtöbbször kondival, esetleg trafóval leválasztva) az ilyen). Felesleges az előző fokozat kicsatoló kondijával sorba kötni ennek a fokozatnak a becsatoló kondiját, hiszen ugyanazt a funkciót látja el.
k öszi a segítséget!
m egpróbálom akkor úgy! e gyébként nem is lehetett 3,3Mohm-os ellenállatot kapni ezért 470kohm-osat használtam!
A kicsatoló kondi azért nem biztos, hogy 1-es számú közellenség lenne... Értékével nagyon jól hangolható a fokozat alacsony frekvenciás átvitele...
-Hát igen. Ma foglalkoztam a kérdéssel pár órát, nem túl nagy sikerrel. Egy régebben épített 6E5P-s (triódás kötésű) erősítőben próbálgattam többféle trafóbekötést is. A vázolt módszerrel prímán be lehetett állítani a mélyfrekvenciás négyszöget (100 Hz-es négyszöggel csináltam), a kimenő szépen kinullázható volt (a fojtómmal 7,08 V-al), felére csökkent a tetőesés, jobb lett az 1 Khz is (új kimenőt használtam, légrésmentest, 100 V-os 5W-os illesztőt, kis méretűt, nem régi típus, gyorsabb, mint egy szokásos szilíciumos, a változások ennél értendők). A hangja nem tetszett (főleg a mélyek nem tetszettek, túl terjedelmesek voltak, de egyébként is élettelen volt az egész). Ezután átkötöttem kicsatoló kondisra, igy is ugyanúgy beálltak a négyszögek, a hangja is ugyanolyan lett (igaz, elkót használtam kicsatolónak. Tavaly vagy azelőtt próbáltam olajpapír kondival is ugyanezeket a kimenőket, az jobb volt, de egy kicsit izgágának hallottam akkor, rosszabb mélyátvitelű volt a hangsugárzó is). Próbáltam még más, közbülső és módosítotot megoldást is, amelyek mérés alapján jónak látszottak. Végül bekötöttem teljesen hagyományosan. Pocsék lett a 100 Hz négyszög a felmágnesezés miatt, az 1K-nak is lett egy kis tetőesése, a 10 k itt is hibátlan volt. Megjött az élet, izgalmas, szépen szól, jobb lett az eredeti trafójánál, egyelőre bent is hagytam (a nagyon nagy tetőesés ellenére jó a mélye is, pedig a nagybőgő legmélyebb hangja is szól a CD-n). Amúgy általában is a 20-30 fok körüli tetőesésű (100 Hz négyszöggel) erősítők mélye szokott tetszeni nekem (lehet, a fülemmel lehet gond).
Érdekes, a 6SZ33SZ parafeed erősítőm viszont nagyon szépen szól, pedig csurig van vassal, és a négyszögei is neccesek.
[OFF]Így már el sem mennék hozzád négyszögjelet hallgatni...
Szia mindenki.
Van egy ilyen méretekkel rendelkező trafóm lehet ne -e,Hálózati trafót csinálni ,a mostani vezeték keresztmetszete ami rajta van az ,az egyik az 1.5 a másik 0.4 micro trafó volt.... Előre is köszönöm...
Persze hogy lehet. Kisflexszel mennyire vagy jó viszonyban? Mert szét kell szedni (ehhez a heggesztésnél ügyesen ki kell flexelni). Kell hozzá csévét fabrikálni, aztán már csak meg kell tekerni. 0,4-es derót jó is lesz majd primernek, az 1,5-ös-ből jók lesznek a fűtések, anódtekercseknek kell valami vékonyabb (ha sérülésmentesen le lehet tekerni, mert sajna nem mindegyik trafónál lehet).
|
Bejelentkezés
Hirdetés |


marone ezen kérdése zavart meg








