Fórum témák

» Több friss téma
Fórum » DVD kijelző hasznosítása
 
Témaindító: Einstein, idő: Aug 29, 2007
Témakörök:
Lapozás: OK   1 / 2
(#) Einstein hozzászólása Aug 29, 2007 /
 
Azért nyitottam meg ezt, mert van egy kijelzőm. Szeretnék belőle építeni egy órát, vagy egy hangerőszabályozóhoz kijelzőnek(milyen hangosra vettem).
Típusszáma:VFD20-0503F
:help:
(#) vizor válasza Einstein hozzászólására (») Aug 29, 2007 /
 
Fluorescens kijelzők irányában kezd a keresést. Úgy tudom, nem olyan könnyű meghajtani mint egy LED kijelzőt, de nem is bonyolult.
(#) FREEstyle válasza Einstein hozzászólására (») Aug 29, 2007 /
 
a vezérlő tipusából indulj ki...
(#) Einstein hozzászólása Aug 29, 2007 /
 
Mármint a meghajtó IC-ből? :miaz:
(#) Einstein hozzászólása Aug 30, 2007 /
 
Valaki esetleg tudna segíteni? :help: :help:
(#) FREEstyle hozzászólása Aug 30, 2007 / 4
 
igen, a meghajtó IC-ből., ha hd44**** vagy azzal kompaktibilis tipus van benne, akkor számítógépre is rá leeht kötni LPT porton keresztül
(#) Einstein hozzászólása Aug 31, 2007 /
 
IC típusszáma(HOLTEX)HT16512:help: :help:
(#) source2 válasza Einstein hozzászólására (») Aug 31, 2007 / 4
 
hi

ez nem HD44780 kompatibilis VFD, de párhuzamos portra köthető (a programot hozzá neked kell megírni), nekem egy hasonló kijelzőm van csak a gyártó más, az adtlapban részletesen le van írva minden hogy mit hogy kell kiküldeni (Soros csatlakozófelület SPI-hoz hasonló).

adatlap mellékelve.


üdv

ht16512.pdf
    
(#) Einstein hozzászólása Aug 31, 2007 /
 
köszi a segítséget!
Az IC adatlapja nekem is megvan, Csak nekem 2005-ös kiadás ha jól emlékszem. Azt tanulmányozgatom, de nem nagyon haladok.
(#) source2 válasza Einstein hozzászólására (») Szept 1, 2007 / 4
 
hi

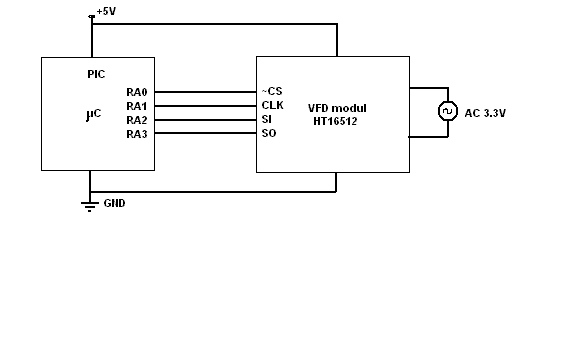
Nos, amire neked szükséged lesz az ~CS,CLK,SI, és esetleg az SO, ha adatot is akarsz olvasni(használatához felhúzóellenállás szükséges /1k-10k/).

Egy fényképet küldhetnél a panelodról és arról hogy mivel állítja elő a fűtőfeszültséget a VFD hez.

4 parancs (Command) van, mindegyhez a mellékelt képnél van a szöveg. (elszámoztam csak 4 van.)

ELőbb olvasd el a képeken lévő szöveget! utánna olvasd tovább. lehet még előbb a másik hozzászólásba a mem.gif is elkéne olvasnod!


logikus sorrend=> cmd1,5,2,4 és utánna a 16 bájt adat a pixeleknek. (címnövelés beállításával) végtére a cmd1 csak az elején kell használni, hiszen menetközbe nem szoktuk módosítani a kijelző méretét, és azért kell ezzel kezdeni, mert ezután a parancs után a kijelző kikapcsol.



(#) source2 válasza Einstein hozzászólására (») Szept 1, 2007 / 4
 
délutén folytatom most mennem kell a gép elől, ha kérdésed van még kérdezz bátran.

szöveg a képekhez írva.


üdv
(#) Einstein hozzászólása Szept 1, 2007 /
 
Köszi a segítséget!
Aszem 3.3V a VFD fűtése. (Legalábbis az a rész megy a fűtéshez, és a csatlakozónál ez fesz van feltüntettve.) Az adatlabból úgy vettem ki, hogy kell egy billentyűzet mátrixot csinálni és azzal lehet programozni? Vagy PC-hez kell kötni és ott kell programot készíteni(mint ahogy a PIC-eknél)?
Órajelet hogy csináljak neki egy IC-vel? Vagy nem kell? Az adatlapot le akarom fordítani magyarra hogy jobban megértsem. Nincs digitális fényképezőgépem ezért nem tudok képet küldeni róla, csak hagyományos van, de azt előhívatni, meg még nincs tele.
Egyenlőre ennyi kérdés jutott az eszembe.
(#) source2 válasza Einstein hozzászólására (») Szept 1, 2007 / 4
 
hi

a VFD fűtése nem egyenfesszel megy az tuti, illetve mehet azzal is de akkor csak az egyik fele világít és fokozatosan halványodik. (legalábbis nálam így volt mikor kisérleteztem vele).

ööö, nem kell semmivel programoni az IC, sőt nem is lehet PC vel ösze tudod kötne már ammenyiben udsz valamilyen olyan nyelven programot írni ami a külső portokat is tud kezelni.

A billentyűmátrix azért van benne mert az is lehet figyelni, ez egy megkönnyítés, hogy ne a vezérlőnek keljen folyton figyelni csak akkor amikor kell.

órajelet? az órajel az nem csak úgy a vak világba ketyeg, annak mint írtam a képen szinkronba kell lennie az adatvonallal. (pl: párhuzamos port egyik bitjének 0 majd 1 re állításával és ezt soksor csinálok akkor kijön az órajel)

ui.:nem elszomorítésképpen,de szerintem kicsit nagy fába vágod a fejszéd.

üdv
(#) Einstein hozzászólása Szept 1, 2007 /
 
AC 3.3V volt kiírva pontosan.(csak elfelejtettem kiírni)(Lehet, hogy tényleg nagy fába vágtam a fejszémet.) Akkor hogyan tudom irányítani, mivel adok neki jelet?
Lehet hogy buta kérdés volt de eszt nem igazán vágom.
Esetleg egy kapcs rajz ami alapján megérteném. (Nem a logikai részét, azt meg lehet érteni, hanem hogy "veszem" rá, hogy kiírjon PL:2?)
Köszönöm, hogy legalább te foglalkozol a témával!!
(#) source2 válasza Einstein hozzászólására (») Szept 1, 2007 / 4
 
hi

rajzoltam egy kapcoslási rajzot, de szerintem ettől nem leszel okosabb, az oldalon a cikkek között van egy ami a soros átvitellel, azok jellemzővel foglalkozik, ajánlom olvasd el.

a kapcsolási rajzból kiderül hogy a lényeg a programban van (a PIC-be), de PIC helyett LPT porttal is.

Tulajdonképpen a program is logika. az hogy kiírjon egy kettest az függ a bekötéstől, én most a normál 7 szegmenses kijelzők kiosztására írom meg a progit

tanulmányozgasd, de szerintem ez neked kínai lesz

üdv
(#) Einstein hozzászólása Szept 2, 2007 /
 
köszönöm a kapcs. rajot!
Tehát egy mikrokontroller kell ami az IC-hez van kötve.
Azt vettem ki az írásból, hogy kell programozni a mikrokontrollert(PIC, LPT Port)?
(#) source2 válasza Einstein hozzászólására (») Szept 2, 2007 / 4
 
hi

ahoz hogy tudd kezelni nem árt tudni programozni.

üdv
(#) Einstein hozzászólása Szept 3, 2007 /
 
Esetleg analóg áram körrel, IC-vel, hogy mondjuk ki tudjon írni egy betűt, számot, és nem baj ha nem tudom változtatni, csak ugyanazt írja ki.Esetleg ey jeltől(PL:karóra) váltson egy számot. Vagy ezt program nélkül sehogy sem lehe megoldani?
(#) Hurka válasza Einstein hozzászólására (») Szept 3, 2007 / 4
 
Háááááááááááááááát, analóg áramkörrel nehéz lesz, mivel sztem itt is hexadeimális formájú parancsok vannak (én még enm használtam ien kijelzőt) Üdv!
(#) Einstein hozzászólása Szept 3, 2007 /
 
Sok jóban akkor nem bízhatok.
(#) source2 válasza Einstein hozzászólására (») Szept 3, 2007 /
 
hi

biztosan lenne olyan aki megírná neked a programot és azt írna, amit szeretnél, csak persze nem ingyen.

üdv
(#) Hurka válasza Einstein hozzászólására (») Szept 3, 2007 / 4
 
figy, pic vagy avr, döntened kell... én minig is avreztem, nem ismeerm a pic lelki világát, de avrel és bascommal nem lehet nagy kaland a szoftver sem, és a hardver sem...

Üdv!
(#) Einstein hozzászólása Szept 3, 2007 /
 
Az a baj hogy nekem nincs PIc égetőm, és semilyen égetőm. De talán egyik haveromnak van.(remélem)
És milyen az a avr?
(#) Einstein hozzászólása Szept 3, 2007 /
 
Egyszer biztos veszek egy égetőt.
Köszönöm a válaszokat source2 és Hurka!
(#) Einstein hozzászólása Szept 5, 2007 /
 
És milyen PIC-kel tudom meghajtani?
(#) szabi_o válasza Einstein hozzászólására (») Szept 5, 2007 / 4
 
Szia, én anno írtam egy pár alap rutint DVD ből kibányászott VFD vezérlésére LPTn. Igaz az enyémen a kontroller 16312 volt, de ezek ha nem tévedek mind azonosak. Tápnak természetesen a DVD tápját használd, rajta van minden fesz és 1 dugasz, ahova a VFD jön bekötve.
Az adat ki-bemenet a nyákon már össze van kötve, mellékeltem egy bekötési rajzot is.
A progit majd Te kibővíted, írsz hozzá karakter függvényt stb.
A tesztprogi kiírja hogy HELLO, villogtatja a DVD feliratot, és forgatja a CD jelzőt, mint ahogy a DVD lejátszáskor látható.
Lehetséges, hogy a tiéden másképpen vannak elrendezve a szegmensek, így hülyeségek fognak megjelenni...
Ha gondolod holnap készítek egy kis videót, de csak webkamerám van.
(#) Einstein hozzászólása Szept 6, 2007 /
 
köszi a segítséget!
Az LTP port az az amelyik olyan mint a monitor ahova csatlakozik(de nem az)? És csak a kábelt kell a PC-hez csatlakoztatni, a másik végét pedig a kapcs. rajzon szereplő helyekre(a gépnél is úgy)bekötni?
Ezt a programot amit küldtél, csak meg kell nyitni és lefuttatni?
(#) Einstein hozzászólása Szept 6, 2007 /
 
18-25 GND?Tehát a 18-25-ig a GND-re kell kötni?
(#) Einstein hozzászólása Szept 7, 2007 /
 
???
(#) source2 válasza Einstein hozzászólására (») Szept 7, 2007 / 4
 
hi

Az alapból testre van kötve, itt megtalálod

Én nem sértésként mondom, DE SZERINTEM FELEJTSD EL EZT, MERT MÉG A GÉPEDET IS EL FOGOD.....

üdv
Következő: »»   1 / 2
Bejelentkezés

Belépés

Hirdetés
XDT.hu
Az oldalon sütiket használunk a helyes működéshez. Bővebb információt az adatvédelmi szabályzatban olvashatsz. Megértettem