Fórum témák
» Több friss téma |
Fórum » EAGLE NYÁK tervező
Témaindító: csonthulye, idő: Dec 1, 2005
Témakörök:
Eagle leírások a neten:
Eagle alkatrész-könyvtárak: http://www.snapeda.com
és a leírás hozzá.- http://www.piclist.com/images/www/hobby_elec/e_eagle.htm - http://pa-elektronika.hu/hu/cikkek/75-eagle.html
Valóban, de ebben az esetben egyáltalán nem lesz a furatoknak "középpontja", ami viszont a kézi fúrást jelentősen megnehezíti. Épp ezért találták ki az említett ULP-t, hogy ne kelljen az alkatrészeknél a pad-eket átalaítani a lib-ekben, de ne legyen olyan "nagy" a furat a pad-eken. Így az említett ULP-ben beállítható, hogy mekkora legyen a vezető "fólia-hiány" a pad közepén.
OK, csak az idézett mondatra válaszoltam. Talán edisonnak is azt kellett volna írnia, amit Te írtál, úgy nem lett volna félreérthető.
Egyébként volt már olyan ismerősöm, akinek valahogy a No drill volt alapból beállítva, lehet, hogy véletlenül elállította, és nem tudta hogyan varázsolja vissza a furatokat.
keresés: *7107* és be is dobja, ha van maxim-3.lib
Még egy utólsó kérdésem lenne, és többet nem zavarok
SA52-11GWA 7 szegmenses led kijelzőt keresek, erre tudnátok még valami okosat mondani. Kerestem az eagle odalán is meg az eagle-ben is de nem találtam Esetleg ha valaki feldobná az .lbr-t azt nagyon megköszönném
köszi
már megtaláltam, csak rossz helyen kerestem
Csak egy tanács mindenkinek, aki Eagle-el foglalkozik és nem talál alkatrészeket. Egyszer nézzétek át az !összes! könyvtárat, hogy mi hol van. Amikor először volt dolgom a programmal, végiggörgettem az összes könyvtárat és azóta is megtalálok mindent (már ami megvan) ami kell. Plussz egy kis angol tudással kikövetkeztethető, hogy mi hol van.
Idézet: „edisonnak is azt kellett volna írnia, amit Te írtál, úgy nem lett volna félreérthető.” Ez igaz. :yes:
Sziasztok!
A schematic-ban lehet egy csoportot úgy másolni, hogy a boardon beállított elrendezés megmaradjon? Tehát a másolással keletkezett alkatrészek ne összevissza legyenek? Zoli
Hello!
Neked valószinűleg a DUPLICATE nevű ulp kell. Keress rá erra a hozzászólásra : #413526.
Ahogy írtad, úgy nem lehet. U.i.: a schematic az elvi kapcsolási rajz, a boardon pedig az alkatrészek tetszés szerint (meg más egyéb feltételek szerint, amire most nem térek ki, a gyakorlott tervezők tudják) elrendezhetők. Amennyiben a két ablakban a kapcsolás azonos, konzisztenciahelyes, a kapcsolási rajz szempontjából teljesen lényegtelen az alkatrészek a panelen való elrendezése. Ami a panelen lényeges az fentebb a zárójelben van, például földhurok, áthallás, stb, nem utolsó sorban egyes alkatrészek, pl. csatlakozók, kijelzők, szabályozók előre meghatározott feltételek szerinti pozíciói. De ez már tervezéstechnika.
Attila és Imi!
Erre gondoltam, ezzel egy 15 alkatrészből álló csoportot nem kell 10x rendezgetnem. Nem tudom letölteni a duplicating_v44.zip-et, elküldené vki nekem? gelez kukac freemail.hu mindenkinek köszönöm a választ Zoli
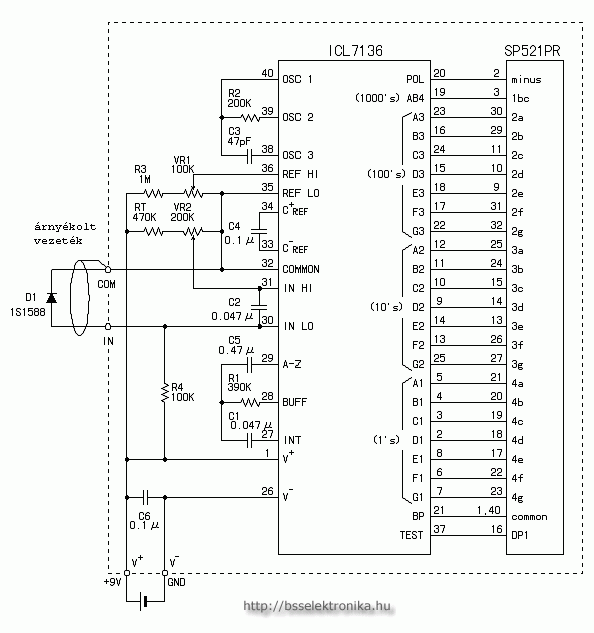
Sikerült elkészitenem ezt a digitális hőmérőnek a rajzát. (Ez az első rajzom). Csak nem sikerült megcsinálnom nyák rajzba is. Nem sikerült ogy elrendeznem boardban hogy minden kábel jó legyen. Tudnátok segiteni.
Köszönöm Eagle-ben készitettem. A 9voltos elem még hiányzik róla.
Szívesen megterveztem volna nyákot, de amint megláttam, hát:
Ehhez sok türelem kell! Úgy nem lehetne megoldani ,hogy a kijelző az egyik oldalon van, az IC pedig a másikon? Mert akkor talán rengeteg vonal helyre kerülne... Vagy valami ilyesmi. Sok átkötéssel is megoldható, de mire ezt kigubancolod ...
Távol álljon tőlem, hogy letörjem a lelkesedésed, de ez a rajz valami nagyon-nagyon eltérő a "megszokott"-tól.
Ne tekintsd önreklámnak. de pl. ITT találsz tőlem is egy rajzot (nem EAGLE, de azért rajz). Nézd meg, ugyanaz van benne összekötve mint nálad, és mégis több kilométerrel kevesebb benne a vezeték. Az ötlet (amit itt is javasoltak már neked), hogy a kijelző a panel másik oldalán legyen, az teljesen életképes. Gondold meg te is. utólagos kieg: Elsőre nem néztem csak a második rajzot. Az elsőn is teljesen normális az elrendezés. Miért bonyolítottad meg az EAGLE-ban?
Szevasztok skacok !
Azt szeretném megkérdezni hogy az eagleban hogyan tudjátok megcsinálni azt hogy az egyik panel vízszintes a másik függőleges. A nyákterven még sosem próbáltam megcsinálni azt hogy ilyen pados megoldással legyen elválasztva a függőleges és vízszintes panel. De hogyan lehet ezt megcsinálni mert a kapcsolási rajzon egybe kell rajzolni de a nyákrajzon is át kell huzalozni a két panel között vagy ott csak gumikötést hagytok?
Én nem EAGLE-t használtam. Nem is ismerem igazából, de itt biztosan lesznek olyan hozzáértők, akik megválaszolnak neked.
Nehéz eldönteni akkor jó-e egy nyáktervező, ha sokat segít a tervezésben, de ezért kényszerből kötöttségeket tartalmaz, vagy ha nem csinál semmit, de bármit megenged a használónak.
Üdv valaki nem tudna nekem valahogyan elérhetővé vagy letölhetővé tenni egy teljes Eagle 4.16 amiket találtam nem jó key gen meg meg ilyenek :S
Nem!
A teljes verziót meg kell vásárolni. A crackkelés csak arra jó, hogy a hivatalos verziót használhatatlanná tedd. Akinek nem elég a "Lite" verzió, az már profi célra akarja használni, és akkor fizesse meg! Ez az oldal nem támogatja az illegális szoftverek használatát.
sajnos ebben senki nem fog segíteni, etikai okokból....a warezolást itt nem tolerálják.
(nyilván itt mindenkinek csak és kizárólag jogtiszta szoftver van a gépén... .)"akinek nincs pénze dobozos gámára, az játsszon aknakeresőt "
hali
valamiért nem akarja az eagle összekötni a lábakat se vezetékkel sem pontal valahogy lehet orvosolni ezt a problémát ? (schematic)
Készítesz egy 1PAD alkatrészt, és a kapcsolási rajzban ezt használod, ezzel szakítod meg az olyan vonalakat ami átkerül a másik panelre.
pl: két ellenállás összekötése ami különböző panelen van ellenállás egyik vége - egypades - egypades - másik ellenállás bekötése
Így elég nehéz látatlanban válaszolni, de gyanítom, hogy az alábbi két eset közül valamelyik történhetett Nálad:
- A schematic-on a vezetékek nem a lábak végéhez vezetnek, hanem ráfutnak. (Ha elmozdítod az alkatrészt, akkor a gumivezeték nem mozdul el vele.) Javítás: A gumivezetéket törlöd, és precízen az alkatrész lábához viszed újra. - A board-on módosítottad a raszterméretet (grid), e miatt nem tudja az adott rasztermérettel az adott lábhoz (pad) vinni a vezető sávot. Javítás: Állítsd vissza eredetire a raszterméretet (Default), és úgy próbáld. Többet tudnánk segíteni, ha feltennéd az sch és brd fájlokat, vagy egy képet legalább, róluk.
A schematic-kal van problémája, nem a board-dal, de persze ott is elállíthatta a grid-et.
igen módosítottam a rasztert de aztán visszaállítottam default-ra de úgy sem ment aztán előröl kezdtem az egészet na akkor már nem módosítottam semmit és ment is ahogy kell. engem csak az zavar hogy olyan nagyokat ugrál és gondoltam kisebbre is lehet állítani de úgy néz ki hogy normálisan nem.
Szevasz !
A raszter méretét nagyon is lehet kisebbre vinni. A shematicban én 0.05 inch-et használok 0.1 inch helyett, nyáknál meg 0.05 inch, 0.025 inch, 0.005 inch. Az a lényeg az egészben hogy ha 0.1 inch-es raszternek veszed a felét aztán annak a felét és így tovább.
Olvass vissza, a #554787 hozzászólásban le van írva, hogy 2 rasztert is használhatsz, pont az ilyen esetekre lett kitalálva.
|
Bejelentkezés
Hirdetés |





Ehhez sok türelem kell! Úgy nem lehetne megoldani ,hogy a kijelző az egyik oldalon van, az IC pedig a másikon? Mert akkor talán rengeteg vonal helyre kerülne... Vagy valami ilyesmi. Sok átkötéssel is megoldható, de mire ezt kigubancolod 
.)




