Fórum témák
» Több friss téma |
Sziasztok!
Nincs még gyakorlatom áramkör tervezésben, szeretnék útmutatást, segítséget kérni. Van egy Lomexben vásárolt UH adóm az alábbi paraméterekkel: ULTRAHANG ADÓ UST-40T 40kHz; SPL120dB; 5mV/Pa/1Khz; 2400pF; Vrms20V Első kérdésem az, hogy ez alkalmas 25 kHz-es UH sugárzásra is, vagy 40kHz-re lövik be az ilyet, és azalatt nem szólal meg? Második: műveleti erősítőkkel elő tudok állítani +-12V amplitúdójú szinuszos jelet. Ahhoz, hogy működjön a kapcsolás, mit kell a műveleti erősítő kimenete és hangszóró közé tennem? Köszi a segítséget.
Ettől ne várjál túl nagy hatást ... lehet pár centire még üvölt ... de meszebb már nem fog .
Ez nem teljesítmény sugárzó. Amitől valamit lehet várni eredményt azokat a hangfalakban alkalmazott magas sugárzók piezzo tölcsérei. Azok is kétesek mert felsőbb tartományú karakterisztikájuk nem nagyon ismert. pl.:100W magas sugárzó 15 - 20 kHz elvileg átviszi ezt a teljesítményt. 20-40 kHz felett is működik ... persze sokkal kisebb hatásfokkal. Ki kellene mérni ...Ilyesmikben jobban bíznék : ilyen vagy ilyenben no meg ezek
keressél rá csak a képekre ebben a topicban akkor nem véletlen találnál olyanokat amiken tölcsér sugárzók vannak
...csak képekre keresés eredménye
Tisztelt Szakik!
Nemrég kaptam egy KHS 105A típusú tölcséres piezzót. Az itt közölt kapcsolási rajzokhoz jó-e?
Szia! Bár én nem vagyok szaki. De ha utána olvasol magad is láthatod olyan kell ami az emberi fűl számára már nem halható magas frekvenciát is tudja. A kérdésedben szereplő adatlapján 20-20000Hz szerepel ez kevés!https://www.sal.hu/sal-piezo-sugarzo/specifikacio/1797.aspx Viszont ez már tudja a magasabb frekvenciát.Bővebben: Linkhttps://www.hestore.hu/prod_10036058.html
A hozzászólás módosítva: Dec 14, 2016
Tudna nekem valaki egy olyan áramkört amit kb 10Khz-25Khz ig lehet szabályozni és a hallható tartományban jó hangosan szól? És ha lehet linkeljétek be hogy milyen piezo-t tegyek bele.
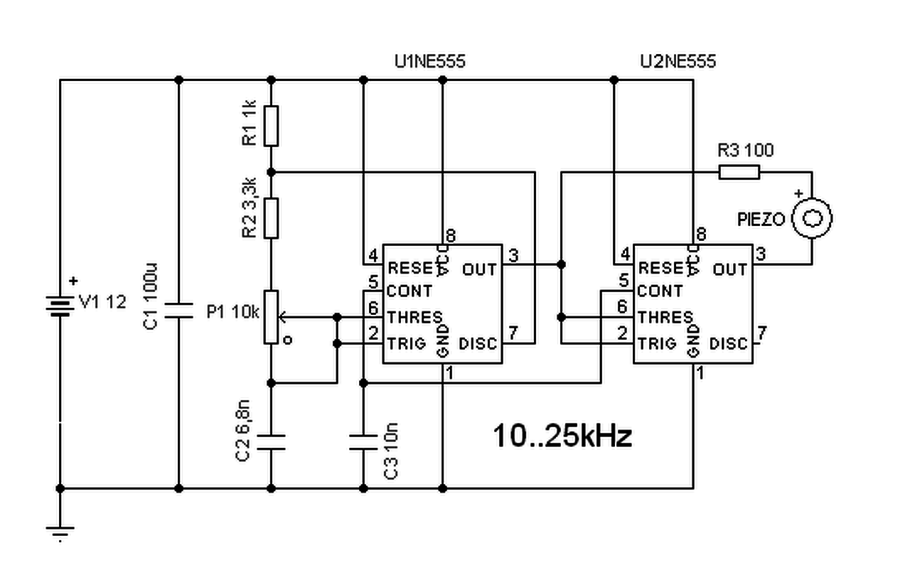
Elég egy 555-ös IC-vel készített áramkör is csak működjön. Én ezt építettem meg de nem megy. Igaz én BD140 et tettem bele.Valamint egy KHS-105 típusú piezot. Mit rontottam el? A kapcsolást jól csináltam az tuti. Vagy a BD-vel van a baj vagy a piezoval.
Miért kell új témát nyitni, mikor már van ilyen?
Azért nem megy, mert hibás a rajz. A C1 kondenzátor nincs jó helyen. Vedd ki, a helyét zárd rövidre. A kondenzátort pedig kösd be a GND és az 5-ös láb közé természetesen úgy, hogy a GND és az 5-ös láb közötti direkt összeköttetést megszakítod.
De minden rajzon így van sőt az elektroDroid mobil alkalmazáson is így van
Bocsi igazad van ez tényleg nem jól van a rajzon
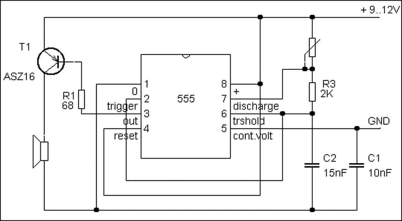
Hello! A hibás rajzon kívül, így nem lehet Piezo-t meghajtani, csak egy normál hangszórót. A Piezo kapacitív jelegű fogyasztó, nem Ohm-os mint a hangszóró. Ha nagyobb hangerőt szeretnél, célszerű ellenütemben meghajtani. Pld. így.. A két 555 helyett egy 556 is megfelelhet.
A hozzászólás módosítva: Dec 22, 2016
És ehhez milyen piezot vegyek? Valamint a hallható tartományban mennyire lesz hangos? Nekem az a lényeg hogy jó hangos legyen .
Szia!
Felkell transzformálnod a piezonak a kimeneti feszültséget, legalább 1:7-es vagy nagyobb áttétellel. Amúgy a piezoknak van rezonanciafrekvenciája, trafókészítésnél ezt is figyelembe kell venni. És ezen a frekvencián fog leghangosabban szólni.
Köszi ezt néztem én is. Ezzel csak az a bajom hogy nincs induktivitás mérőm és szerintem ilyen tekercset készen nem lehet kapni. De amúgy ez tökéletes lenne.
Mivel erre a frekvenciára csak a ferritvas lenne a jó, fogsz egy megfelelően nagy AL értékű fazékvasat (légrésmenteset) és kiszámolod a szükséges menetszámokat. Nem kell halálpontosnak lenni, a hullámvonal az értékek előtt is ezt jelenti.
Egy autótrafóval is elérhetsz eredményeket, csak egy kis ferritrúd kell hozzá.
Bővebben: Link autotrafo A hozzászólás módosítva: Dec 23, 2016
Haly.Érdekelne mijen tranzisztorokat tettél bele?
Itt: Bővebben: Link.
Üdvözletem az Uraknak !
Csak visszajelzés képen említeném , hogy a Proli007 "féle" riasztó több hónapja kifogástalanul működik ! Egy 25-30nm-es kamrában , ahol sok takarmány van , eddig nagyon szép eredménnyel . Aki nézelődik az oldalon , még nyáktervet is talál hozzá . Üdv/ Fastaction
Hello! Én köszönöm, hogy jeleztél. Nem azért, hogy vágynák rá, hogy a "vállamat veregessék", hanem mert én nem készítek fizikailag semmit, maximum kitalálom és megtervezem. Így kipróbálni már nem tudom. De a visszajelzés az esetek többségében elmarad, hogy eredményes-e valami vagy sem..
A hozzászólás módosítva: Jún 15, 2017
Idézet: „Aki nézelődik az oldalon” Hello Fastaction! KB. 10 év anyagát kell átnézni... ![]() Jobb lett volna, ha mégiscsak a konkrét kapcsolás linkjét is becsatolod ! Köszi... Reméljük, Proli007 is tudja hol van infó róla, és megmutatja...
A téma képei (2 oldal) közt megtalálható, rákattintva ott a hozzátartozó leírás is.
Bizonyára úgy van... Konkrét linknek jobban örültem volna.
A hozzászólás módosítva: Jún 16, 2017
Na látod, nekem meg ez nem jutott eszembe.
Szia , volt , aki privátban kérdezte , annak belinkeltem . 17 oldal nem a világ
ezt szeretném megcsinálni megépíteni.
A tranzisztorok típusára/értékére lenne szükségem, hogy milyen típust vegyek bele. A hozzászólás módosítva: Júl 16, 2017
|
Bejelentkezés
Hirdetés |




...











