Fórum témák
» Több friss téma |
4 kerekű, mint a kis RC kocsik
kb, 8x4cm A LED-ek egymás fölött kb. 3m/sec
Most fogok programozást tanulni iskolában...
Mikor érem el nálad, hogy nem fogsz már ezer szmájlit használni egyetlen hozzászólásban??
3m/sec nagyon sok!
Örülj neki, ha jól megy 1m/sec sebességgel. A magyarokamarson versenyen a leggyorsabb autó se ment 1 méternél többet másodpercenként. És nem a motor volt gyenge! Nem lehet olyan gyorsan kanyarodni. Vagyis lehet, de jól ki kell találni.
Az enyém összeszámolgatva 20 ezer Ft körül jött ki
Igaz, az tényleg gyors!!!
1m/s->3.6km/h
Segít vki egy vonalvezető robot megtervezésébe???
Robotok a nagy fenét ez egy online flash játék... Gondolom az kap több pontot akinek nagyobb a látogatottsága. Több hülyeséget nem tudsz még kitalálni?
Másik: senki nem fog neked komplett építési leírást adni. Van egy rakat a neten.
Hali
Ami rajzot kuldtem az egy mukodokepes uzemelo kapcsolas. A Mechanikat en ugy csinaltam hogy fogtam egy darab farostlemezt, felszereltem ra alulra a ket atteteles motort es egy 5 cm-es bolygokereket. Ezzel szinte kesz a mechanika( igaz nem auto alaku de csinalhatsz ra kasznit ha akarsz). A szenzor panelt felcsavaroztam alulra hogy a ledek es a szenzorok kb. 4-6 mm-re legyenek a talajtol. A fo panelt es az akkut felulre felerositettem es mar kesz is a gep. Ha akarod meg lehet probalni beszerelni egy nagyobb jatekautoba de nehez lesz a kormanyzasa. Ennel az en modelemnel a kormanyzas a ket hajtott kerek sebessegenek es a forgasirany valtoztatasaval tortenik mert hatul csak a bolygokerek van ami szabadon fordul barmerre. De ha szetnezel a neten talalsz parszazezer megoldast vonalkoveto robotokra. Na csa Vili
érdekes.. soha nemláttam volna még olyat forumon, hogy baj lenne a hangulatjelek bármilyen mértékű használata.. régen nemjártam erre..
Szerencsére az értelmes fórumok mindegyikét irritálja ez:
Szerinted ezzel minden rendben van? Szerintem nem.
Üdv!
Egy kis távirányítós robotot szeretnék építeni. Egy 2000Ft-s kínai játékautóból ki berhelt adód és vevőt használnám. Az adó része már megvan tervezve csak ennyi, hogy lpt re van kötve 8 RY-5 W-K relé. Ebből 4 re a távirányító 4 állását előre hátra jobbra balra rákötöm. Ha a program kiküldi lpt re a feszt, akkor a relé zárja a távirányítóban a kört(mint ha simán én tolnám a kart). A gondom a vevő résszel van ![]() Ugyanis, én olyan tank szerűen szeretném hajtani a robotot. 4 motor 4 fixre forraztott kerékkel. A kanyarodást fordulást az oldalak megállításával vagy egyik oldal elre másik hátra történő forgatásával szeretném megoldani. Proglémám a következő: a vevból kijövö 2*2 drót 2 morort hajtott meg és a polaritásuk cserélésével változtaták a motor forgási irányát. ( Kipróbáltam) a vevő 1 nagy és 1 kicsi motorra van tervezve 2*2 "nagyot" (1w/motor ) nem bír meghajtani. Ezeket a motrokat is RY-5 W-K relékkel szeretném, valahogy vezérelni csak még azt az áramkört nem tudtam kitalálni ahol ha 1 kábel páron + - akkor az első ha - +, akkor a második relé húzzon meg ![]() Tudnátok segíteni? Válaszokat előre is köszönöm! Üdv:H.Viktor
Bocsánat minden igyekezetem ellenére maradtak hibák
csak valamilyen vicces vírusom van ha a-t nyomok z lesz ha k-t abból o és nehéz így írni
Vagy, ha csak valaki meg tudná mondani mi ennek a kapcsolásnak a neve. Az is nagyon sokat segítene .
ezt tranzisztorokkal szokták megoldani, nem relékkel.
Motor forgásirányt váltani képes motor-meghajtó áramkör neve: H-híd, angolul: H-Bridge circuit. keress rá itt HE keresőben, fogsz találni kapcsolási rajzot hozzá. :yes:
tessék, most csak 1 érintkezős relét találtam a tervezőben de így is érthető a bekötés.
Köszönöm válaszokat msot megyek elsször keresek adobe acrobat reader-t mert olyanom nincs
. Utána keresek H-hídra!Köszi a válaszokat majd még jelentkezek ![]() (remélehtőleg kész robottal :p ) Jah 1 lényeges kérdés az lpt port direktbe elbírja a RY-5 W-K relét?
A biztonság kedvéért én tennék rá valamilyen meghajtót
pl uln2003
védődiódáról ne feledkezz meg. (arról amit a relével párhuzamosan kell bekötni. Anóddal a föld fele. Csíkkal a pozitív fesz fele)
megrajzoltam a 2 relés irányváltást: íme.
Ha elkészül képeket kérünk ! Ha segítség kell csak "szólj"
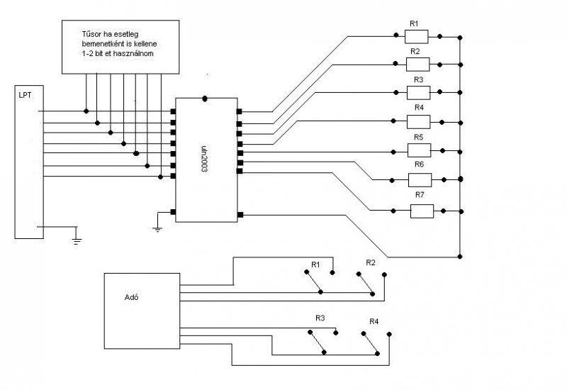
és itt a 2003 bekötése is
Köszönöm a rajzokat elkészültek a sajátok is
![]() Be is linkelem őket. Ha rendben vannak akkor megrendelem az alapanyagokat és nekiállok az építésnek. Üdv.:H.Viktor
elsőre jó a rajz de én megnézném hogy az adó gombjai
hogy vannak bekötve mert ha gnd-re kapcsolnak lehet hogy elég lenne optokaput tenni rájuk (akkor nem kattogna a vezérlés) és lehet hogy olcsóbb volna
A "meg kéne nézni"-t hogy érted?
Nézem de nem tudok rájönni hogy GND re van-r kötve , hogyan kellene kimérni?
Ellenállás mérőd van? Tedd az egyik mérővezetéket
a - táp vezetékre és érintsd a másikat a nyomógomb egyik -és másik kivezetéséhez , ha valamelyiknél zárlatot jelez akkor testre zár a gomb
Persze van multiméterem.
Megnéztem bekapcsolva raktam el most töltöm az elemet, ha gnd re zárt a kapcsoló akkor lehet opto csatoló?De szerinem egyébként sincs tól nagy áram ott. De ha feltöltött az elem megnézem. Ha optocsatolóval csinálom akkor a meghajytó ic nem kell?
Kikapcsolt áramtalanított állapotban mérj !
Ha optót használsz akkor semmi más nem kell elhagyható a 2003 és a relék is az adó és a gép közül. |
Bejelentkezés
Hirdetés |




) nem bír meghajtani. Ezeket a motrokat is 







