Fórum témák
» Több friss téma |
Hú ez jó pici lesz akkor
100 menet 0,2-es meg ceruzaelem?
Kevés a menet és vastag a huzal. 0,1-esből 500-1000 me 3 vagy 4 mm-es szögre.
Húú akkor el leszek a tekergetéssel
Köszi a segítséget.
Nem olyan bonyolult az. Egy lehetőség:
Varrógép orsók Az oldalon varrógéphez készül orsókat találsz fémből és műanyagból. A leglaposabb kivitel is megteszi. Esetedben a vasból készült is jó, hiszen egyből megvan a vasmag is. Akár a varrógépen is teletekerheted, de nem olyan nehéz alkalmi "tekercselőgépet" készíteni hozzá. Csavar, hajlított drótdarab és lécbe fúrt lyuk kell hozzá. Kicsit nagy a feladatra és ehhez már valóban jobb lenne 0,2-es huzal.
Hali durkonorbi!
Sikerült megépítened amit leírtál? Ha már úgyis benne vagyok a tekercselésbe csinálok egy ilyet is ![]() Többször nem is láttalak a fórumban írni. (Meg mást se láttam hogy megpróbálta volna ezt megcsinálni) Vagy összejött és magadnak tartod meg vagy nem sikerült és inkább le se írtad ![]() Ha a tapasztalataidat megosztanád örülnénk neki
Sziasztok!
Szeretnék kérni "egy kis segítséget"! Készíteni szeretnék egy síma henger alakú elektromágnest, aminek a vasmag átmérője 45 mm lenne, a hossza peddig tetszőlegessen választható! Ezt úgy értem hogy a hossza nekem mind1, a cél csak az hogy mentől nagyobb mágnes teret lehessen rajta gerjeszteni! Biztos van valami optimális hossz erre az átmérőre, ugye? A táplálást egy 12v-os autó aksiról végezném(mivel az van itthon ) és "állandó üzemre" kéne számolni....Tehát a legnagyobb kérdés az lenne hogy szerintetek milyen vastag huzalból lenne érdemes csinálni, és mekkora tekercs számmal hogy a lehető legnagyobb mágneses teret sikerüljön elérnem ezzel a hengeres kivitellel? Remélem lessz egy válalkozó szellemű hozzáértő ember a fórumon... Előre is köszönöm a segítséget! Üdv!
Sokkal egyszerűbb lenne tanácsot adni, ha azt is megírnád, mire szeretnéd használni a mágnest.
Szia erbe!
A hozzászólásaid alapján te vágod a témát! Nos, a felhasználási terület az nem is olyan lényeges! De elárulom hogy én is egy örökmozgón dolgozom... Tehát állandó mágnest szeretnék ellökni vele! Remélem azért segítesz az "őrültnek" (már mint nekem)! A lényeg az volna hogy a tekercsem 12vról üzemeljen, 5A rántson és hogy minnél nagyobbb mágneses erőt gerjesszen, annélkül hogy elfüstöljön! Egyedüli kikötés pillanatnyilag a vasmag átmérője, ami 45mm és a hosszát is rádbíznám! Tehát valami optimális hossz létezik, vagy nem? Válaszod előre is köszönöm!
Optimális hossz nincsen. Optimális forma, alak van, amit a feladathoz kell igazítani. Addig sajnos én sem tudok segíteni.
![]() A henger alakú vasmagos elektromágnes nagyon gyenge, mert hosszú úton záródnak az erővonalak. Ennek következtében sok energiát igényel és rossz hatékonyságú.
Nem baj az hogy rossz hatékonyságú, a lényeg hogy ellökje az állandó mágnest
Ha nem henger, hát másként hogy lehet csak az egyik pólust a mágnesre irányítani?
Helló sbsky33!
Igen, jól látod a helyzetet! Hát igen, ez itt a nagy kérdés! Nekem az elektro mágnesnek csak az eggyik pólusát kellene használnom! Idáig kisérletezés gyanánt készítettem egy régi trafóból két tekercset! Az egyik vékony drótból jó sok tekercs számmal, a másik vastag drótból jóval kevesebb tekercsszámmal! Ráengedtem a feszültséget és erőre a vastag tekercs a nyerő, csak az elég becsületessen melegszik! A vékonyabb tekercs jóval gyengébb, de egyáltalán nem melegszik! Namost, jó lenne találni valami középutat hogy ereje is legyen, meg ne is füstöljön el... Ezért kellene valami konkrét számítás, hogy milyen vastag drótból, hány tekercsel volna érdemes próbálkozni... Egyébként örülök hogy nem lettem rögtön elküldve anyukám pi***jára a süket kérdésemmel
Előző oldalon olvasható hogy 3A négyzetmiliméterenként ráengedhető a vezetékre. Feszültség adott, 12 V. R=q*l/A q=0,0175 (réz esetén) Az l a tekercs menetszámábňl derül majd ki.
Mivel a henger gyenge mert husszú úton záródnak mágneses erővonalak, szerintem érdemes lenne rövidebb vasmaggal dolgozni, viszont akkor nagyon vastag lesz az egész cucc, ha tartani akarunk egy bizonyos menetszámot. Kezdetnek megmérhetnéd a mostani elektromágnesed adatait: huzal átmérő, ellenállás (ebből ki lehetne számolni a hosszt, nem kell letekerni) az egész e.mágnes hossza(=vasmaghossz), vasmag átmérője, és hogy az ereje mennyi. Utóbbit nem is tom hirtelen hogy lehetne legegyszerűbben lemérli. Talán konyhamérlegen lemérni vas darabokat aztán tesztelni hogy elbírja-e az e.mágnes? Pár támpontot adna, utána könnyebb lenne számolgatni. Állandó mágnesek nem drágák, ilyen 100ft/db 2kg-ot elbírnak és ráadásul kicsik 4x4x4 mm (kis kocka ami nekem a legszimpatikusabb Azt nem tudom hogy lenne jobb, a mágnesek erejei. Állandó mágnes ereje=e.mágnes vagy nagyobb vagy kisebb???
Mindenképp az lenne a lényeg, hogy az elektro mágnes erősebb legyen mint az állandó mágnes, mert külömben nem lessz elegendő az "ellökő" erő!
Sőt! Az általam készített két tekercs egyike sem birja legyőzni a mindössze 10mm átmérőjű Neodímium mágnes "vonzó" erejét! Tehát ez az elektro mágneses ellökés nem fog működni az én kis "örökmozgó" project-emben, mivel a rohadt kis korong mágnes sokkal jobban vonzódik az elektromágnesem vasmagjához, mind ahogy az valaha is el tudná magától taszítani azt... Mondjuk ezt rögtön sejtettem hogy így lessz, de most már biztossan tudom is, mivel le lett tesztelve! Az is igaz hogy a vasmagom is csak szintén 10mm átmérőjű és lehet hogy csak ezen az átmérőn nem tud kifejteni elég nagy "taszító" erőt... A hossza 50mm, és a vastag tekercs huzal átmérője 1mm! Hogy hány menet van rajta, azt meg nem mondom, de nem túl sok... Tekergettem míg el nem fogyott a huzalom... Kb. 150-200 menet azért ráment! Állításod szerint akkor ez a tekercs mindössze 3 A. kellene hogy húzzon? Mert az én kis (Made in China) mérőműszerem szerint 12A húz! Fűtésre még lehet hogy megtartom! Idézet: „általam készített két tekercs egyike sem birja legyőzni a mindössze 10mm átmérőjű Neodímium mágnes "vonzó" erejét!” Ne csodálkozz rajta! Nyitott mágneses körnél (nagy a légrés vagy csak az van) nagyon nagy áram kell a mágneses tér létrehozásához. Feljebb vannak számítási módszerek, hogyan lehet különböző alakú tekercsekben létrejövő mágneses tér erejét kiszámolni. A próbált kialakításnál szupravezető tekercsben folyó sokszáz amper kellene ahhoz, hogy ellökje a neodímium mágnest. Rövid időre a rézhuzal nagyobb árammal is terhelhető, a 3 A közepes trafókhoz ajánlott érték. Próbaként nagyobb feszültségre töltött kondenzátort kellene kisütni a tekercsen. Néhány száz voltnál talán már el lehetne érni azt a pillanatnyi áramerősséget, hogy lerúgja a mágnest. Idézet: „Ha nem henger, hát másként hogy lehet csak az egyik pólust a mágnesre irányítani?” Ha sok kis elektromágnest rakunk egy vasgyűrű belsejébe és mindet azonos irányba mágnesezzük, mindegyik taszítani fogja a szembeállított mágnest. A vasgyűrűtől a másik pólust a tengelyhez lehet vezetni, hogy az erővonalak valamerre záródni is tudjanak. Mozgást, erőkifejtést viszont nem lehet várni tőle. ![]() Ha tudnám a választ a kérdésetekre, nem itt fórumozgatnák, henem Balin pancsolnák a tengerben.
Arra kérnék választ, hogy mind a fenti eszmecseréknél emlitett tápfesz ill áram AC vagy DC ???
Vagy mindegy ??? Simtrade
Tekercs
Egy ilyen tekercsre gondoltam. Alul-felül "sapkája" van. Megcsinálom a vasmag köré a tekercset, majd két részből összerakható gyűrűt vagyis inkább csövet raknék a tekercs köré. Egy sima vascsövet ketté vágok gondolom jó lesz, jobb mint a levegő, nem? Így már lehetne hosszúkásat is csinálni hogy kisebb keresztmetszete legyen, kisebb helyre lehessen koncentrálni a menetszám mégis nagy. Jól gondolom az lenne a jó ha a külső burkolat is hozzáérne a tekercshez? Idézet: „az lenne a jó ha a külső burkolat is hozzáérne a tekercshez?” Az alsó rajz jó. A felsőt nem értem. Idézet: „Alul-felül "sapkája" van.” Ennek meg mi értelme lenne? Az a lényeg, hogy valahol kijöjjön a mágneses tér. Mire akarod használni?
A felső a felül nézet csak a tetejéből egy negyed cikk ki van vágva, hogy bele lehessen látni...mind1.
Értelme az lenne, hogy a burkolat a ne csússzon le, de ha fölösleges, azt is lehet hogy nem is tudom, gyors kötegelővel rászorítom? "Az a lényeg, hogy valahol kijöjjön a mágneses tér." Ha rajta vannak a sapkák akkor nem jön ki a mágneses mező sehol? Én úgy gondoltam, hogy mint egy henger alakú mágnes úgy fog viselkedni csak épp ki lehet kapcsolni a mágnesességét
Köszönöm a választ.
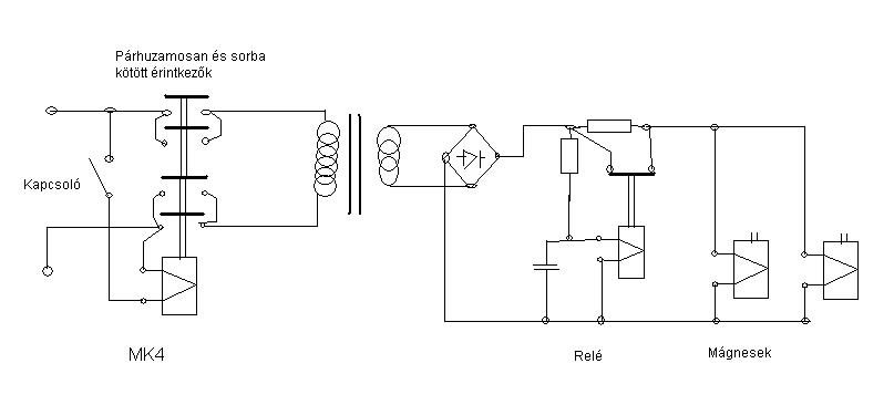
A dilemmám az, hogy egy eredetileg 220V AC működtetésű EVIG gyártmányú elektromágnes (12 N húzó erő, 40mm úthossz) geometriája (fluxus-terelő lemezelt járom, lemezbetétes húzómag) alkalmas marad-e, ha a csévét kiemelve azt 12 vagy 24V DC táplálásra áttekercselem, olyan huzalátmérőt és menetszámot alkalmazva, hogy lehetőleg megmaradjon a húzóerő és a húzómag úthossza...
Sikeres cséve áttekercseléssel a 2 db 220V(AC) (EVIG) mágnesem jól működik 24V DC-vel, a DC táp trafója egy 300 VA-es toroid. Jól bírja a két mágnes terhelését.
De a trafó 220V primer oldalát kapcsoló Ganz MK4 mini-kontaktor (ami korábban a 220V-os (AC) mágnestekercseket "direktben" kapcsolta, gond nélkül) fél másod-perc után lekapcsol (valami túláram védelem lehet benne) noha az érintkezők megengedett árama jóval nagyobb a 300VA-es trafo lehetséges áramfelvételé- nél. Érdekes, hogy ha csak egyik mágnest kötöm a trafóra, akkor a kontaktor nem kapcsol le. Talán a nagyobb szekunder terhelés belépésével a primeren nagyobb tranziens ugrás lép fel? Védhető ez a primeren kondenzátorral? Hány mikrofarád jöhet szóba?
Egy hónapig nem jártam erre, de látom, a válaszom nélkül is elkészült a mágnes.
![]() A kontaktorodnál valami más gubanc lehet, hiszen adatlapja szerint 4 KW-ra készült. 300 VA, de még a többszöröse sem árthat neki. Leírásodban nem szerepel, hogy van-e mellette túláram vagy zárlati áram védelem. quote](valami túláram védelem lehet benne)[/quote] Ilyesmit gyárilag nem tartalmaz. Azt sem ártana tudni, mekkora áramot vesznek fel a mágnesek, de a kapcsolónak ettől függetlenül működnie kellene.MK4
Kedves Erbe, köszönöm a válaszodat.
Az MK mellett semmi túláram vagy zárlati áram védelem nincs (ezért gondoltam, hogy a kontaktor rejt ilyesmit. Köszönöm a kontaktor adatlapját - mikor (5 éve) a kontaktort megvettem, semmi adatlapot nem adtak hozzá. A mágnesek (DC) egyenkint 5,6 A áramot vesznek fel. A bekapcsolt idő max 30 mp., alig melegszenek. De bekapcsoláskor fellépő tranziens (akár a szekunder, akár a primer oldalon) mérésére, kirajzolására sajnos nincs műszerem. Ezért erre gyanakszom.
A mágneskapcsolónak a be és kikapcsolási tranzienseket bírnia kellene, hiszen az érintkezői ~20 A kapcsolására és ennél sokkal nagyobb impulzusokra készültek. 4 KW-os 3fázisú motor indításkor többet vesz föl. Lehetséges, hogy beégtek az érintkezőid.
Egyenáramú mágneseknél szokás a meghúzóáramot behúzás után sorbakapcsolódó ellenállással csökkenteni, a melegedés és a felesleges fogyasztás elkerülése érdekében. Még 1 relé, 2 ellenállás és 1 kondenzátor kell hozzá. Talán tizedmásodperces késleltetés elég is. Váltakozó áramú mágneseknél ezt a behúzással megnövekvő induktivitás elvégzi. Egy lehetséges megoldás a kapcsolás üzembiztonságának növelésére és a mágnesek áramának csökkentésére:
Köszönöm a választ. Valóban úgy néz ki, hogy az MK4 egyik záró érintkezőpárjánál van a baj. Jó javaslat a mágnesek zárt helyzetü áramcsökkentése, valószinüleg beszerkesztem.
sziasztok mágusok!!
Egy sima bithegyet szeretnék mágnesessé tenni ezt hogy érhetném el? Már próbáltam egy erős mágneshez rakni de ezzel nem sokra mentem:előre is köszi a segítséget csá DE ha a bithegytartót lehetne mágnesessé tenni az még jobb lenne )küldök egy képet is rola
Szia
Én úgy szoktam, van egy trabant önindító behúzótekercsem, azt szoktam megrúgatni 24 volltal, közbe odateszem a csavarhúzót, 1 villanás elég neki, csak időnként meg kell ismételni a procedúrát. Üdv
Sziasztok!
Hogyan tudok nagyon erős elektromágnest készíteni, úgy hogy kb 5mm-es felületen tudjon kifejteni nagyon nagy erőt?
Szia! Szerintem próbáld meg újrafogalmazni a kérdésedet, mert így nagyon általános. Egyébként: nagy áramot kell átfolyatni nagy menetszámú tekercsen. (nagy x nagy = nagyon nagy...) Ha pedig ezt a nagyon nagy erőt 5 négyzetmiliméteres felületen akarod használni, a vasmag méretét kell ilyenre alakítani. Nem tudom olvastad-e az eddigi hozzászólásokat, úgy gondolom hasznos lenne számodra, választ kaphatsz sok felmerülő kérdésre.
Helló! Ez nagyon igéretesen néz ki. Nehéz megépíteni? Egyáltalán mi kell hozzá? Folyamatos üzemet mennyire birná? Előre is Köszönöm!
|
Bejelentkezés
Hirdetés |




100 menet 0,2-es meg ceruzaelem? 




