| Fórum témák 
 
 » Több friss téma | Fórum » Elektroncső-vizsgáló berendezés 
			Témaindító: bakos13gab, idő: Júl 12, 2012		 
			Témakörök:
			
		 
 
				Én is picit komolyabbra gondoltam, de mivel nem tudok programozni, a PIc felejtős és szerintem az már túl lenne ragozva. Ha most jobban végiggondoljuk, akkor mi is egy csővizsgáló készülék? Alapvetően egy tápegység néhány segédáramkörrel. Ezért gondolkodom úgy, hogy ha már készítek egyet, akkor az megállja a helyét rendes tápegységként is. Az elektronika ugyanaz, csak a tápot terhelhetőre kell elkészíteni. Ennyi. Ez megéri nekem a plusz fáradságot. Az analóg és DVM vonalon, azt hiszem középutat választok. A börzén 500Ft egy deprez. Ilyeneket fogok felhasználni, de a pontosabb méréshez (persze ha egyáltalán kell), berakok egy-két ilyen "nevesebb" Voltcraft mérőt és azt kapcsolok rá, amit szeretnék. 
 
				Így van. Ha már csinálni kell akkor ne legyen "fapados".  Én sem tudok programozni, de anno csináltam egy feszültség/áram mérőt, segítettek megírni a programot és azt fogom" felturbozni". Deprez-ből sajnos hiányt szenvedek és a börze kicsit messze van. 
 
				Szia bakos13gab! Küldj légy szíves linket gyári csőmérőkről. Köszönöm. Van nekem egy azt szeretném bővíteni. 
 
				Szia! Egyelőre csak azokat tudom nyújtani, amiket itt visszafelé megtalálsz. 
 
				Szia "bakos13gab"!  Szia! Végül a segítségednek köszönhetően megtaláltam az enyémet. Sok minden van róla, többek között kapcsrajz is. még egyszer kösz. Üdv: B.T. 
				Volt ma időm és kicsit rajzolgattam. Módosítottam a rajzomon. A feszstabilizátor fetet kapott, de még nem tudom, hogy ellenállásosztóval vagy zenerrel lenne jó (a fetet rosszul rajzoltam). Az Ua értékének a kalibrálási módján is változtattam. Feszosztókkal fogom a feszültséget csökkenteni, hogy a potinak ne kelljen nagy teljesítményt elfűteni.  BÁR! A feszstabilizátornál lévő potival is fogom tudni a fesz értékét változtatni így lehet el is hagyható ez a rész. Találtam egy elég izmos trafót amiről meglelő feszültségek jönnek le, így már biztos, hogy a fűtésem AC lesz. A telepes csöveknek azért építek egy stabtápot. Észrevételeket várom. 
				Az anódfeszt szerintem nem jó osztással megoldani, mert az áramot így nem lehet korrekten "belőni", itt nem kerülhető meg a leágazásos trafó. A segédrácsfesz. mehet osztóról (RTÉK 2003). Más: van egy IL-14 (SU) csőmérőm, van-e valakinek angol, vagy német nyelvű "lúzer manual"-ja? Üdv! 
 
				Azon gondolkdotam, hogy ez az osztásos dolog mennyire működik jól terhelés alatt? Ha mondjuk úgy saccoljuk, hogy egy GU50 beméréséhez 100mA-t használunk (mondjuk 200V-on miért ne tehetnénk meg, extrémebb csövekről nem is beszélve). Akkor az osztó ellenálláson igen jelentős teljesítmény jelentkezik. Kis csövekhez mindenképpen jó lehet, de nagyobbakat már nem mérnék így. Ha lesz egy kis lélekjelenlétem, lerajzolom a saját tervemet, ami emeletes FETes stabiltápos lenne (4*150V egymáson egészen 600V-os anódfeszültségig és oly módon, hogy bírja a kakaót).						 
 
				Én is úgy gondolom, hogy ha az ember készíti, van benne munka, akkor megéri azt a plusz energiát, hogy később ne fájjon az ember feje amiatt, hogy nem tud valamit rajta kipróbálni. Komolyabb erősítőkben simán előfordulhat 600V körüli feszültség. Szóval reális lehet ezen a feszültségen is megnézni egy cső viselkedését. Nálam mindenképpen az a cél, hogy a mérővel meg is tudjak egy próbára táplálni egy ilyen erősítőt. Rendeltem a Conradból egy ilyen 3290 Ft-os Voltcraft csodaműszert, megnézem, hogy mit csinál. 
 
				Hát igen...tény, hogy nagyobb áram kivétele esetén az osztó felső tagján eső feszültség és kivett áram már bőven 5W felett is lehet (50V-os feszültséggel és 100mA--es árammal számolva)... Extrémebb csöveken mit értesz? Ipari nagyfeszültségű csöveket amik 5kV-ról mennek? Az már egy kicsit más tészta. Audio célokra nézve, melyik csőnek van a legnagyobb anódáram igénye? Én eddig a KT88-nál láttam 230mA anódáramot. A leágazásos trafóval az a nagy gondom, hogy vagy tekerek magamnak vagy tekertetek ( az előbbihez nincs anyagom, az utóbbihoz nincs elég "kedvem"). Nemrég találtam itthon egy 380/220-as trafót. Le kell tisztogatnom a rozsdától, hogy kiderüljön mekkora teljesítményű. Lehet ezt fogom felhasználni és építek belőle egy 500V-os tápot. Még olvasgatok, alszok rá egyet és lehet holnap más ötletem lesz. Kíváncsian várom az elképzelésed.   
 
				Nem, dehogy is gondolkodom 5kV-os csövekben. De például ott van a 6c33c, ami nekem már a látóteremben van. Én csak úgy értettem, hogy ha mondjuk egy KT88-at próbálgatsz, már az is leizzasztja az ellenállást, de persze miért ne mehetne így. Ami csövem van és be kellene méregetni azok: GU50, PL509 és PL519, EL84 (6P14P, PCL86)), 807 vagy 6P7C, esetleg 6P3C(-E) és persze temérdek kis trióda. Én mindenképpen úgy tervezem, hogy labortáp is készüljön belőle. Van kimenőnek szánt, de amúgy felesleges (és arra kevésbé alkalmas) 630VA-es kaposvári magom. A bajom az, hogy az duplacsévés és nem vagyok benne biztos, hogy a szekunderben elfér ez a temérdek huzal a 600V-hoz, még ha csak 500-1000mA-re is tervezem. Meglátjuk, hogy milyen kompromisszumok kellenek, nem szeretnék új csévét, mert akkor a primert is esetleg bontani kellene.						 
 
				Ejha, 550mA-es anódáram...Ez már döfi. Akkor a cél egy 1A-es táp. 500VA-es trafó + a tartalék. Akárhogy nézem, a leágazásos szekunder mindenképpen kell. 100V-onként lenne jó egy leágazás, így nem kellene annyi energiát hővé alakítani. Nem is kellene emeletes táp, csak csinálni egy 500V-os labortápot, Te esetedben 600V-osat és csak a megfelelő szekunder leágazásra kellene kapcsolgatni a labortáp bemenetét. A "Labortápegységek készítése" topikban csináltak is ilyen előválasztó ketyerét. Az Ug2-nek muszáj külön változtathatónak lennie? Nem elég ha az anódfesszel egyezik? 
 
				Nos, azért sok cső nem szereti, ha 250-300V-nál nagyobb az Ug2, főleg ha az anód 5-600V. Én nem szándékozom külön tápágat készíteni a segédrácsoknak. Szerintem elég, ha egy állíthatót ráültetek az anódéra, vagy azzal párhuzamosan. Itt sokkal kisebb áramok folynak.						 
 
				Az az 500mA-1A nem olyan veszett, a legtöbb FET elbír ennyit, főleg hűtve. Én úgy tervezem, hogy legalább két FETet teszek bele párhuzamosan.						 
 
				Ha úgy vesszük, 600V-ból szükséged van 200V-ra és 100mA-re akkor (600-200)/0,100=40W. 40W-nyi hőt kell eltüntetni. Ez már nem olyan kevés.						 
 
				Ezért kellene mindenképpen lépcsősre megoldani a dolgot. Én 150V-onként gondoltam, mondjuk úgy, hogy 180Vdc a nyers feszültség és ezt egy zeneres stabilizátor megfogja 150V-ra. Ezt megépítem 4x. Első körben 0-150V ig van kimenet. Azután egy kapcsolóval ezt elemelem a GND ágon a földtől a következő lépcsőfokra, így már 150V-szabályozhatok 300V-ig és így tovább 600V-ig. Így a astabilizátoroknak ugyan combosan kell bírni, de egyesével csak 20-30V-nyi feszültséget ejtenek, ami elosztva már kibírható a legtöbb félvezetőnek. És a végső szabályozó is a legrosszabb esetben 149V-ot lát (ugye ha letekerem nullára, akkorm ár mehetne az előző lépcsőfok teteje is feszültségejtés nélkül... Ezen még lehetne finomítani, mert azért valljuk be, hogy 500mA-en 150V már nem kevés. De mivel a szintek "csak" 200V-okat látnak, elméletileg alkalmazható kisebb feszültségű, de nagyobb áramú FET is. Nyilván olyanra is kellene számítani, hogy valami félresikerül és kiszalad a szabályozóra nagyobb feszültség. A hővédelemre lehet gyártani kapcsolást, de teszek bele ventillátort is. Nyilván az az 500mA és 1A az nagyon szélsőséges helyzet. A valóságban inkább a tartalék a lényeg és kell bele valamiféle áramkorlát. ennek megfelelően utána kell számolni. Lehet, hogy 100V-onként jobban járnék vagy úgy ,hogy kopiintok a dekadikus tápok felől. Úgy értem, hogy dekadikusan bekapcsolok mondjuk 100V-okat, majd 50V-okat. És akkor a végső FET-es stabilizátor már csak 50V-ot vezérel, ami valljuk be, nem olyan brutális, mint egyből 140V-ot...						 
 
				Ha megnézed a dán vizsgálót, Ő is lépcsősen oldotta meg. A fűtést is és az anódot is. A segédrácsra meg lehet mégegyszer építeni úgy, hogy egy másik kapcsolóval ugyanazokkra a stablizitáorokra építünk, de a finomszabályozónak már elég egy FETesnek lenni, mivel nem kell nagy áramot bírnia. Arra gondoltam, hogy úgy lehetne a stabilizátorokon eső feszt csökkenteni (ami ugye a brummszűrés miatt fontos), hogy egy fojtót is alkalmazok a földágban az anód és a segédrács után. Itt mondjuk a teljesítmény gond lehet, mert ha azt szeretném, hogy 1A-t elbírjon, ahhoz már vastag huzal kell és emiatt vesztek az induktivitásból (de pl. egy SM65-ös magra tekert fojtó szerintem elég kell, hogy legyen). Itt a gond inkább az lesz, hogy a fojtón eső feszültség esetleg meghamisítja a műszer értékeit, így azt muszáj belekalkulálni. 
 
				Láttam, hogy válaszolsz így míg vártam elmajszoltam egy túró rudit és rajzolgattam. Egy meglévő feszültség és áram szabályzós tápot könnyebb áttervezni az igényeknek mint újat készíteni.  Lépcsősen felépített fetes feszültségstabilizátorokkal is meg lehetne valósítani (2-dik kép). Mindegyik csak 100V-ot ejtene, így feltételezve egy 6c33cc tesztelését: 200V-on 450mA-rel, mindegyik fet fokozat csak 100*0,45= 45W-ott fűtene el elosztva a 180W helyet. 
 
				Én a két rajz kombinációjára gondoltam. A második rajzot szerintem jobb lenne úgy, hogy egy potival több fetet párhuzamosan. Az első rajz esetében pedig mindenképpen szükség lenne több, önálló szekunder tekercsre, hogy az eldisszipált hőt csökkentsük.						 
 
				Készítettem egy rajzot, de lemerült a digitális gépem, csak holnap tudom reggel feltenni. Szóval amit írtam kb. azt foglaltam össze skiccelve. Nekem van tapasztalatom ezekkel a FET-es stabilizátorokkal, főként a trimmerelhetővel. Gubán Gabival már több erősítőbe beraktuk őket, segédrácsfeszültség szabályozására. A lényeg, hogy szerintem NEM MEGBÍZHATÓ a ma kapható trimmerekkel (valószínűleg a potméterekkel is ez lesz a helyzet), ugyanis a tekergetésnél nagyobb feszültségen (Itt a rájuk írt 200-250V felettire gondolok) előbb utóbb törvényszerűen átütnek, néha álló helyzetben is. Ha feszültség alatt tekerem és valamiért lazul a kontaktus a pályán, akkor elfüstől mint a szél, kivégezve a FET-et is. Szóval mindenképpen úgy gondolom, hogy ilyen megoldásnál nem szabad hagyni, hogy 200V-nál nagyobb feszültség kerüljön a csuszkájukra. Nagyobb trimmer vagy poti biztosan jobb lenne, de az meg nem beszerezhető olyan méretben, ami nem terheli be jelentősen a forrást (470K). Hogy erre itt hogy lehet hatásos áramkorlátot rakni, nos én amatőr vagyok, ilyenekhez nem értek... mindenképpen érdeklődöm. 
 
				Itt az ígért skicc. Én valami hasonló elrendezésre gondoltam. A szabályozó hidegebb pontját alapból a földre raktam, de nem úgy akartam, ezért van ott a szöveg, hogy inkább azt lenne érdemes csinálni, hogy ezt a GND pontot váltani a felső stabilizátortól kiindulva mindig egyel lejjebb. Esetleg még jobb, ha ezt az egész szabályozót fixen bekötjük az egyik előstabilizátorral szemben és a kimeneti GND pontot léptetjük mindig eggyel lejjebb. Így a stabilizátor ténylegesen mindig csak 150V-ot lát, viszont a mérendő kör szempontjából mindig belép egy 150V-os ugrás. 
 
				Nem messze áll az elképzelésünk egymásétól. Hazaérek megnézem jobban.						 
 
				Szerintem ez előnyösebb, még ha talán nem is a legkorrektebb megoldás. Ilyen elrendezés mellett meg lehet oldani "kisfeszültségű" alkatrészekből, amik olcsóbbak. Például a stabilizátorok előtt nyugodtan lehet rakni 200V-os elkókat (nekem ilyenből van siemens 800µF-os) és a FET-ekből is lehet kisebb feszültségűt rakni, aminek jobb az R értéke. A trimmer is talán elviseli a 150V-ot vagy egy jobb Alpha Poti (nekem ezek jöttek be erősítők elé, nagyon kellemesen szabályozhatóak és nem recsegnek). A fojtót pedig akár be lehet tenni a finomszabályozó kör bemenete elé vagy a kimenete után. Ezek a FET-es stabok elég jól szűrnek is.						 
 
				Lényegében egyre gondoltunk csak más elrendezésben. Ha lenne ilyen szekunder kivezetésű trafóm jó lenne.  Ha a K11 lenne a finomszabályzó bemenete és a "testet" kapcsolgatnád K12 és K14 között akkor a feszstabilizátor GND-ket is kapcsolgatnod kellene, hogy ne lebegjen az egész nem? 
 
				A rajz nem lett egyértelmű, de a kis stabilizátorok fixen sorba lennének kötve. Mint egy emeletes tápnál.						 
 
				Egy Német oldalon találtam ezt régebben(lásd fotók) Igaz csak alap dolgokat lehet mérni vele, de nem bonyolult összerakni. 
 
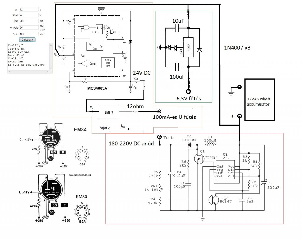
				Volt egy két érdeklődő a teszter belvilága iránt. Összeollóztam egy nem túl korrekt rajzot. Erről hiányoznak az olyan extrák, mint a ki/be kapcsoló, a fűtésváltó kapcsoló és a visszajelző LED-ek bekötése. Lehet, hogy nem túl korrekt a megoldás, de sebtében erre futotta, amikor elkészítettem. 3 féle csövet mér ugye, EM4/80/84, ezeknek előre be van drótozva a megfelelő foglalat az alapkapcsolás szerint. Lehet természetesen fejleszteni tovább, mint ahogy említettem, a a rács vezérelhetőségével. Jelenleg az LM317-es rész valamiért nem működik, ha 6,3V-os fűtésű csövet az U fűtésre kapcsolok, akkor rendesen túlfűti a csövet, láthatóan. Viszont ezt a kellemetlen mellékfunkciót lehet használni csőregenerálásra. Az olyan cső, ami 6,3V-on nem csinál semmit, 3x-os fűtés hatására kifényesedik. EM84-nél nem tudtam még tartós hatást elérni, viszont egy EM80-at sikerült úgy tűnik maradandóbban visszahozni az élők sorába. Az anódfeszültséget 200V-ra állítottam be, az U fűtésű csövekre az adatlapok ennyit engednek meg (bár valószínűleg nem lenne bajuk 250V körül kipróbálva és a többi cső is fényesebben világítana, de ha egy csövet jónak nézek, akkor az valószínűleg 250V-on még jobb). Ahogy olvastam, amúgy sem érdemes 250V-al hajtani a csöveket, mert hamarabb megvakulnak. 
 Idézet: „ha 6,3V-os fűtésű csövet az U fűtésre kapcsolok, akkor rendesen túlfűti a csövet” Mert a 6,3V-os csőre 6,3 V kell, a felvett áram a csőfüggő. Az U sorozatnál az áram az állandó, a rákapcsolandó feszültség változik! Ezért kell áramgenerátorról hajtani, aminek a tápfeszültsége olyan magas, hogy a legtöbb U csövet kiszolgálja. 
 
				Én azt gondolnám, hogy az lm317-es áramgenerátor egy 6,3V-os fűtésű csőnél is kellene, hogy működjön 100mA-es korláttal. Látszólag nem ez a helyzet.						 
 
				Milyen 6,3V-os csövet kötöttél rá? Mert az EM80-nak 300mA kell, az EM84-nek 210mA... Valami nagyon nem jó, mert vagy alulfűtenéd ezeket a csöveket, vagy nem jól működik az áramkorlát. Mérj feszültséget a 12 ohm-os ellenálláson! Abból szépen kiszámolható, mennyi a tényleges átfolyó áram. (Amúgy meg az ellenállás szórása is befolyásolja az átengedett áramot.) Meg ahogy nézem, a konvertered a 100 mA-t még tudná, de a 6,3V-os varázsszemek ennek minimum kétszeresét (de inkább a 3-szorosát) igénylik... Lásd mellékelt kép és amit megjelöltem rajta. Te összeraktál egy áramkörös képet, de hogy ténylegesen milyen értékű alkatrészekből építkeztél, azt nem adtad meg. Ahogy számoltam, 24V táplálás mellett az áramgenerátor meglehetősen a határteljesítményénél, vagy kicsit fölötte dolgozik, ha nem hűtöd. Nézd meg az adatlapját! Melyik tokozást használod és van rajta hűtőborda? És ami még fontos: a táp kimenete mennyire van szűrve. Azon a 12 ohm-os ellenálláson szkópábrát is érdemes lenne nézni. Lehet, hogy sikerült egy oszcillátort összehoznod, az áramgenerátor esetleg visszahat a konverterre, agyonvágva a stabilizálást. Csak tipp. De a fő kérdés: miért az áramgenerátorról hajtod azokat a csöveket, amik nem soros fűtésűek, mikor beépítettél egy 6,3V-os stabilizált tápot, pont emiatt?   | Bejelentkezés Hirdetés | 



















