Fórum témák
» Több friss téma |
- Ez a felület kizárólag, az elektronikában kezdők kérdéseinek van fenntartva és nem elfelejtve, hogy hobbielektronika a fórumunk!
- Ami tehát azt jelenti, hogy a nagymama bevásárlását nem itt beszéljük meg, ill. ez nem üzenőfal! - Kerülendő az olyan kérdés, amit egy másik meglévő (több mint 17000 van), témában kellene kitárgyalni! - És végül büntetés terhe mellett kerülendő az MSN és egyéb szleng, a magyar helyesírás mellőzése, beleértve a mondateleji nagybetűket is!
Szia!
Tudod, van ez a keresőoldal: Bővebben: Link
Üdv az smd kondiknál honnan tudom hogy mekkorák mert csak a színük különböző mármint hány voltosak és hány farátosak
Kerámiánál sehogy. Tantálnál: Bővebben: Link. Elkónál meg általában rendesen kiírják, és ott értelemszerűen µF-ban van meg az értéke.
Kell építeni egy mérőt, és avval le lehet mérni mindent. Ellenállást , kondit stb. Hangkártyára kell csatlakoztatni. Csak meg kell a neten keresni.
Voltot nem, de kapacitást minden kondira, meg ellenállás értékek lemérésére tökéletes.
Helló!
Láttam, hogy korábban már volt téma, de felhoznám újra, mert nem teljesen világos. Van egy hangszóróvédő kapcsolás, egy LED jelzi a bekapcsolt állapotot, egy másik LED pedig, hogy aktív a védelem (ez ha minden oké csak bekapcsolásnál világít pár másodpercig, utána kialszik). A két LED-et szeretném helyettesíteni egy db. duó leddel, mert szerintem elegánsabb megoldás. Magyarán: bekapcs-> védelem aktív: pirosan világít->4sec: védelem kikapcs->zölden világít. Olyan megoldás kéne, ahol a zöld ága fix, viszont ha a másik ágon feszültség van, akkor a zöld kialszik és a piros kapcsol be. Találtam egy tranyós megoldást csak nem tudom jó-e nekem.
Hello!
Van egy mp3-om lejátszóm, aminek a bekapcsoló gombja eltört. Nemtudom hogyhívják az ilyen fejtát, ebben kérnék egy kis segítséget. 3 állású. Ha középen van akkor nem csinál semmit, ha balra húzom(3 mpig akkor bekapcsol) utána egy rugó visszahúzza középre, és jobbra pedig akkor ottmarad. Remélem értitek mire gondolok. És nagyon vékony kb 2 mm és kb 1 cm széles. Köszi, Márk
Sziasztok!
Egy feszültség szimmetrizáló ("felező") kapcsolásban mekkora hőtermelésre számíthatok? Csatolmányban a kapcsolás. BD139-140-nel, és LM324-el tökéletesen működik (érdekes, hogy LM358-cal nem ment..). Én úgy logikáztam ki, hogy a felső tranzisztor elfűti a tápfeszültség felét a kimenő áram arányában, és ugyanennyit az alsó is? Vagyis ha 18V-ból 2x9V-ot szeretnék, 500mA mellett, akkor 18Vx500mA hő keletkezik, vagyis kb. 9W? Egyébként a műveleti erősítő kimenetén milyen jelalak található? Egyenletes terhelésnél rezgésbe jön a kimenet, vagy DC van? Köszönöm.
Szia!
Az LM358 le megy nulláig. Épp azon kevés IC-k egyike amelyik képes erre. Legalább is nekem gond nélkül lemegy nulláig. Vajon számít a széria is?
Hellosztok!
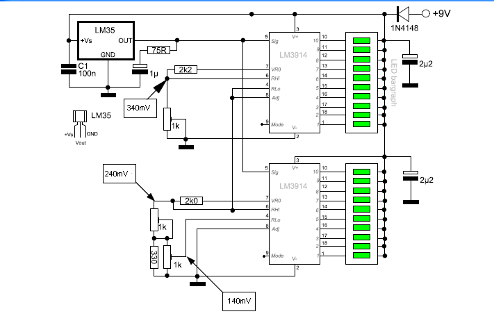
Lm3915 el szeretnék hőmérőt csinálni egy bibi van mindehol keresek cószinte csak LM3914 est találtam baj ha lm3914 helyett a mintályára Lm3915 használok aszt tudom hogy az Lm3914 es az lineláris az lm3915 meg logaritmusos ! mennyire okoz ez bajt ? vagy ha tudtok egy kapcs. rajzot adni nagyon jó lene
Pedig itt volt az orrod előtt: LM3915
Ezt most hogy érted? Találtál olyan kapcsolást?
Ha ezt a kapcsolást megépítem Lm3915 el működni fog ? Bővebben: Link
De miért nem építed meg LM3914-el, ahogyan a rajzon is van. Nem értem, hogy mi a gond.
Mert van 2db LM3915 öm még valamire fel akarom használni már VU metert csináltam költeni meg nem akarok rá! bocs...
Na, végre érthetően leírtad, hogy mi a problémád. Megépítheted 15-el is, csak akkor logaritmikus lesz a kijelzésed, ez pedig inkább kivezérlésjelzéshez jó és nem hőmérsékletméréshez, mert hirtelen fog ugrani a kijelzett érték.
aszt hogy hírtelen fog ugrani úgy érted hogy nagyon érzékeny lesz a hőmérséklet ingadozáshoz!?
AMúgy erre a kapcsolásra gondoltam!
Akkor nem rakok rá nagy bordát, egyébként sincs sok helyem. 18V 1A-t kellene megfelezni (utánaszámoltam, pontosítottam), és 18W disszipáció már kicsit sok lenne egy zárt dobozban
Köszi a segítséget!
Tehát akkor vetessem el ezt az ötletet?
Megcsináltam próbanyákon az 1 IC-s kapcsolást és tökéletesen működik mosmár a 2 Ic sen a sor
Sziasztok ezt a kapcsolast lehet-e hidalni es ha igan akkor hogyan?
OKé köszi a poént
amúgy itt van pár kép a működésről az 1 IC sel 5 egységenként osztottam föl 5C- 50C tud mérni ! +-1C pontosságal!
Köszönöm mindenkinek aki tudott nekem segíteni ez ügyben ........ ma is tanultam valamit
Üdv!
Olyan kérdésem lenne hogy lehetne e távirányítós autót usb-s joy al irányítani ? Ha lehet hogyan gondolom az alap hogy pic vagy avr de valami kapcsolás rajz jól jönne vagy valaki foglalkozot e ilyesmivel ?
Sziasztok!
Nagy dilemmában vagyok mert eltörött egy hőmérőm amit eddig úgynézki semmivel sem tudok helyettesíteni! Maga a hőmérő bele volt építve egy kis szemes saruba ami pedig egy motor belselyében fel volt csavarozva... Hát ezt sikerült eltörni Modellezésben használatos maga a mérőegység, amit az Eagle Tree forgalmaz! Minden megoldtást próbáltam már amit itthon találtam de sajnos eddig nem jutottam semmire. El kellene mennem egy elektronikai boltba hogy tudjak ilyent vásárolni, de sajnos minta hiányában biztosan nem tudnak segíteni, az alkatrészt meg külföldről kell hogy megrendeljem ami meg 2 hét mire ideér! Miféle megoldást lehet erre kitalálni? Mellékeltem a képet a hőmérőről! Válaszotokat előre is köszönöm! Kistrojak
Üdv!
40 volt egyenből hogyantudnék egyszerűen 12 voltot csinálni?
Mekkora áramfelvétel mellett?
|
Bejelentkezés
Hirdetés |















