Fórum témák
» Több friss téma |
- Ez a felület kizárólag, az elektronikában kezdők kérdéseinek van fenntartva és nem elfelejtve, hogy hobbielektronika a fórumunk!
- Ami tehát azt jelenti, hogy a nagymama bevásárlását nem itt beszéljük meg, ill. ez nem üzenőfal! - Kerülendő az olyan kérdés, amit egy másik meglévő (több mint 17000 van), témában kellene kitárgyalni! - És végül büntetés terhe mellett kerülendő az MSN és egyéb szleng, a magyar helyesírás mellőzése, beleértve a mondateleji nagybetűket is!
Sziasztok!
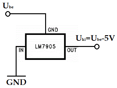
Biztos szeretnék lenni a dolgomban, ezért inkább megkérdezem: Arra lenne szükségem, hogy egy áramkörnél a bementi feszültségnél mindig pontosan 5V-al kisebb legyen a kimenő feszültségem. (a bemenő feszültség ingadozhat és fog is) tehát ennek a követése lenne a feladat. Kigondoltam rá egy módot, kérdés hogy életképes-e? Minden feszültség pozitív. Előre is köszi a véleményeket. Kiborg
Szia!
Nem feltétlenül szükséges párhuzamosan kötni. 7805-ből létezik 3A-es verzió is, 78T05 néven. Kiborg
Szia! A kimenő áram irányát vedd figyelembe, és teljesüljön a 7V<Ube<35V.
Ez egy motoros golyósszelep bekötési rajza lenne, de nekem kínai. Ha segítene valaki aki el tud igazodni rajta, azt megköszönném. Meg azt is, ha abban is segítene hogy hogy oldjam meg, hogy a termosztátom 230v-ot kapcsolgat, ezt meg 12v-al kellene vezérelni, illetve működtetni.
A kimenő áram irányának figyelembevételét hogy érted? A "terhelés" aminek az 5Vra szüksége van, az a Ube és a Uki közé lesz kötve.
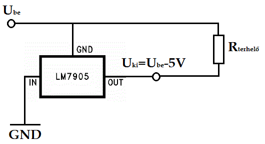
Így gondoltam:
Helló Laca13!
A szelepet a sárga (YW) és kék (BL) vezetékre kapcsolt egyenfeszültséggel lehet nyitni és zárni. A nyitást és zárást a feszültség polaritása dönti el. Ha sárga a pozitív és kék a negatív, akkor nyitni fog, ha kék a pozitív és sárga a negatív, akkor pedig zárni. A szelep a fekete-piros-zöld vezetéken kontaktus segítségével ad visszajelzést a nyitott és zárt helyzetéről. Amikor teljesen zárva van, akkor a szelep összeköti a fekete és piros vezetéket, amikor pedig teljesen nyitva van, akkor összeköti a fekete és zöld vezetéket. Idézet: „Meg azt is, ha abban is segítene hogy hogy oldjam meg, hogy a termosztátom 230v-ot kapcsolgat, ezt meg 12v-al kellene vezérelni, illetve működtetni.” Valószínűleg a termosztátodban érintkező kapcsol, azzal kapcsolhatsz 12V-ot is. Hogy ez kivitelezhető-e az attól függ hogyan van vezetékelve a termosztátod (lehet hogy kevés az ér). A polaritás váltás szükségessége miatt azonban egy relére valószínűleg kelleni fog. Akkor a relé lehet 230V-os és annak érintkezője fogja a 12V-ot kapcsolni a szelep számára.
Egy kérdésem lenne!
Egy BT169G típúsú tirisztort mivel lehet helyettesíteni?
Köszönöm! A héten szeretném megépíteni a rajzod alapján, ilyet kerestem.
Így jó, nem tudhattam hogyan szeretnéd terhelni.
Sziasztok!
ULN2003 mezőn keresztül kapcsolok ledeket. Arra gondoltam jó lenne szabályozni a fényerőt. 555 segítségévet PWM kapcsolást készítettem neki. Mellékeltem a végeredményt. Próba panelen összerakva működik, de azér megkérdezem, hogy ez így mennyire jó/elegáns megoldás? Jobb nem jutott az eszembe.
Hello!
Nincs ezzel semmi baj. Legfeljebb azt célszerű meggondolni, hogy az 5V-os tápot rángassa-e a Led. Mert így mód van más tápfeszültséggel történő üzemre is. (De csak jeleztem, mert nem tudom mit építesz..) üdv!
Igazából próbáltam, hogy ne a tápot szaggassam, de nem jártam sikerrel. Annyiban lehet csak kritikus, hogy van egy csomó számláló és nem tudom, hogy ez mennyire befolyásolja majd a számláls pontosságát.
Számlálók tápját célszerű "békén hagyni", és 1-2 tokonként szűrni 100nF-al. Nem a pontossága lesz más, mert olyan nincs, hanem téveszthet. Az meg igen bosszantó tud lenni.
A számlámó IC-ket szűröm mind. Próbáltam a PWM jelet az ULN-nek adni ill. azon keresztül, de csak káosz volt a végeredmény.
Sziasztok!
Tranzisztor szakadhat meg mert most mértem egy párat és mind szakadást mutat egy pedig sípol.
Hello!
De tudod is hogy hogyan kell ellenőrizni? Ha nem, keress rá! Mert ami "szakadt", az éppenséggel akár jó is lehet. De ha írsz, akkor mindig valami konkrét információt közöljél. Mit mértél-mivel-hogyan-mi lett eredmény. Mert a gondolatolvasás távolbalátás a gyengénk.. üdv!
Olvastam már több hozzászólásban is, hogy diódával lehet feszültséget csökkenteni. Milyen dióda alkalmas erre a célra és hogyan kell ilyenkor bekötni (rajz?)? 19 V-ról kellene 1-3 V-ot csökkenteni.
Használj 7803 IC-t, az pont 3V-ot fog adni.
Nekem is lenne egy 7805-ös kérdésem. Milyen diódát tegyek a 7805 alá, hogy 2 tizedes pontosságú 6,30V-ot kapjak?
Képcső, és más pontos 6,3V-ot igénylő elektroncsövek fűtésére kellene.
Ha csak 1-3V-ot kell csökkenteni (nem 1-3V-ra), akkor több megoldás lehet, de jó lenne tudni, hogy mennyire pontosan annyit, ill. mennyi az áramigénye a terhelésnek. Pontosítsd a kérdést!
Itt egy tranzisztor amit mértem
Na, szóval ez a tranyó jó. Amit a műszer dióda állásban mutat az feszültség.
Egy leírás az alkatrész mérésekről:Bővebben: Link
Ha ilyen pontos feszültséget kell előállítani, akkor használj lm 723 ic -t, külső referencia forrással. Egyszerűen nem fog menni.
Egy laptop táp 19 V-os kimenetéből kellene egy kb.17-18 V- az áram erősség max 1 A.
Nem kell oda dióda, a testlábat "emeld fel" a testtől cca.50ohm-al(lehet, hogy nem pont ennyi), így eléggé pontosan megoldható. Dióda(-k) csak a nyitófesz.-el emelik fel a kimenőfeszejt.
Ha a kimeneti áram változó, akkor nincs jó ötletem, túl kicsi a fesz.különbség.
Hello!
- Jót mértél, csak cseppet agyon komplikáltad a "kódolást". Ilyen egyszerűen érhetőbb lett volna. - De egy tranyóban "két dióda van", egy a bázis-emitter, egy a bázis kollektor között. NPN-nél a bázison van a diódák anódja, PNP-nél a diódák katódja van a bázison. - Ha az anódra kerül a műszer pozitív mérőtüskéje, a dióda vezet, és a műszer mV-ban mutatja a nyitófeszültségét. Ha fordítva, akkor a dióda zárva van, vagy is szakadás mérhető. - Mivel kollektor-emitter között mérve, két dióda van szemben egymással. Egyik mindig zárva, másik nyitva lesz. Vagy is akármilyen polaritással nézed, mindig szakadásnak fog látszani. üdv!
Hello!
Két soros dióda, 1,4..2V feszültséget fog "levenni". De a kimeneti feszültség már nem lesz olyan terhelés független, mint a táp kimenetén. A diódának minimum az 1A-t el kell tudni viselni. üdv! |
Bejelentkezés
Hirdetés |














