Fórum témák
» Több friss téma |
- Ez a felület kizárólag, az elektronikában kezdők kérdéseinek van fenntartva és nem elfelejtve, hogy hobbielektronika a fórumunk!
- Ami tehát azt jelenti, hogy a nagymama bevásárlását nem itt beszéljük meg, ill. ez nem üzenőfal! - Kerülendő az olyan kérdés, amit egy másik meglévő (több mint 17000 van), témában kellene kitárgyalni! - És végül büntetés terhe mellett kerülendő az MSN és egyéb szleng, a magyar helyesírás mellőzése, beleértve a mondateleji nagybetűket is!
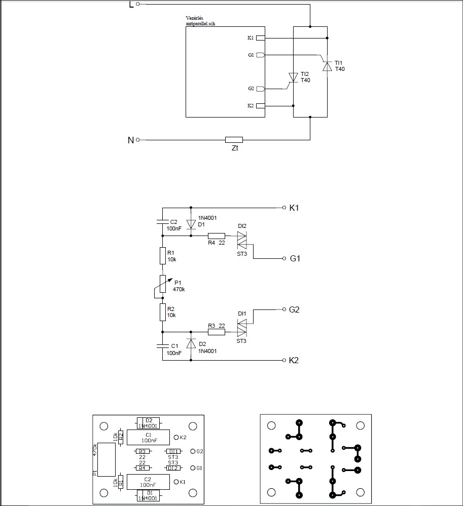
Egy ponthegesztőt építek és az áramot akarom szabályozni és ahhoz kellene, de ha tudtok egyszerűbb kapcsolást vagy kész nyák-tervet akkor sokat segítenétek vele. Ja és a Zt minek a jele?
P1=470K ohm -os potméter (gondolom lineáris körpályás mono)
ST3, DI1=diac (diak) Bővebben: Link
Hello! A Zt maga a terhelés, amit szabályzol. Arra azért ne vegyél mérget, hogy a hegesztő trafóhoz is jó lesz. üdv!
Sziasztok!
Segítséget kérnék... Van egy házimozi erősítőm ami bekapcsolás után azonnal kikapcsol és "overload" feliratot ír ki. odáig jutottam, hogy csak a táppanelbe csak a frontpanel (amin a gombok meg a kijelző van) van bedugva (se végfok se alaplap) és így ha bedugom és bekapcsolom akkor beindul és mindenhol megvan a kellő fesz, aztán ha kikapcs. és újra be akkor tilt, DE ha kihúzom és újra bedugom a konnektorba akkor megint beindul elsőre.....csatolom a táp kapcsirajzát hátha valaki tud segíteni. Előre is köszönöm!
Ezen a panelon nem látok semmi olyat, ami érzékelhetné a túlterhelést. A Front panelen viszont valahol biztosan van egy olyan bemenet, ami érzékelheti az alaplapon, vagy a végfokon lévő érzékelő (áramérzékelő sönt) jelét. Én a front panelt nézném meg, annak feltérképezése után esetleg a többit.
Hali! csak egy gyors (de nem biztos hogy ide illő kérdés) Ha egy lézer diódánál áramgenerátort használunk és mondjuk a kimenetén 5v a feszültség akkor arra rá lehet kötni a 2,3v körüli diódát vagy a feszt is szabályozni kell?
Szia!
Amikor rákötöd az áramgenerátorra a terhelést, akkor a terhelésre jutó feszültség értelemszerűen visszaesik. Itt is érvényes O h m-törvénye. A hozzászólás módosítva: Máj 20, 2013
érdekes pedig én a diódán is ezt a feszültséget mértem vagy valamit elnéztem. De lehet hogy valamit elnéztem. Amugy lehet hogy hülye kérdés de akkor nem kell valami előtét ellenállás vagy valami?
érdekes pedig én a diódán is ezt a feszültséget mértem vagy valamit elnéztem. De lehet hogy valamit elnéztem. Amugy lehet hogy hülye kérdés de akkor nem kell valami előtét ellenállás vagy valami?
Az előtétellenállás szerepét maga az áramgenerátor képviseli, annyi különbséggel, hogy változó bemeneti feszültség mellett képes állandó értékű áramot átfolyatni a terhelésen.
Szia!
Köszönöm a gyors választ! Akkor tovább keresgélek
Akkor milyen szabályzót javasolnál ponthegesztőhöz ami egyszerű de működik is rendesen??? (kész NYÁK-terv is jöhet
Szia!
Én ezt a kapcsolást megépítettem egy fűrészlaphegesztő trafóhoz és nagyon jól működött. Az induktív terhelést is jól lekezeli, nem kell semmilyen trükköt bevetni.
Köszi, és a felső kapcsoláson látható TI1 és 2 az milyen típusú mert nem találom.
A hozzászólás módosítva: Máj 20, 2013
Az a két alkatrész kettő, legalább 800V-ot kibíró tirisztor lesz. A konkrét típust a trafó teljesítménye szabhatja meg.
Üdv! Rábeszéltek hogy rakjak bele 2 trafót de akkor is jó lesz ez a telj. szabályzó csak más típusú tirisztorral és stb-vel??
Válassz egy 20A-es típust, például ezt.
Sziasztok!
Stk402-100-as IC-t helyettesíthetem stk402-090-es(találtam egy ilyet itthon) IC-vel ? Előre is köszi! Üdv.
a feszültség az rendben lenne, a kapcsolási rajzot nézve megoldható a dolog, mind 2 ic-hez ugyanazt a kapcsolást ajánlják...
Egyébként egy hifiben lenne a csere..
Hello! Nekem lenne egy spéci kérdésem. Az UC 3842 -es IC hogyan működik? Úgyértem,melyik lábon kapja a bemenő jelet,melynek alapján szabályozza a kimenő jelet?Gondolom, van egy állandó táp fesz,van egy kimenő impulzus és egy bemenő feszültség nagyság ,vagy impulzus sűrűség az ami szabályozza aztán a kimenetet?
Toltsd le az adatlapjat, annal reszletesebben ugysem tudja senki elmagyarazni/leirni.
Altalaban vannak benne gyari alapkapcsolasok, abbol meg lehet okosodni.
Sziasztok.
Adott egy Atmega48, amit PWM-re használok. A PWM kimenetre rákötöttem egy BUZ11 MOSFET-et, egy 1kOhmos ellenállás közbeiktatásával. A probléma az, hogy az IC hiába állítja elő a megfelelő kitöltési tényezőjű jelet, a MOSFET folyamatosan nyitva van, így nem tudom szabályozásra használni. Az IC 5V-ot kap, a MOSFET 12V-ot kapcsolna, a föld közös. A kapcsolás ezen részletét mellékelem. A kérdésem az, hogy mit rontok el, amiért nem működik?
Esetleg próbáld meg tranzisztorral kapcsolni a gate-et.
Elnézést ha rossz javaslatot írok, javítsatok ki. Valahogy így: Bővebben: Link
Tökéletes. Én csak azért javasoltam mert nálam bevált. (MSP430 3.3V)
Mekkora lenne célszerű ahhoz, hogy gyorsan nyisson?
|
Bejelentkezés
Hirdetés |







Elnézést ha rossz javaslatot írok, javítsatok ki. 




