Fórum témák

» Több friss téma
Fórum » Elektronikában kezdők kérdései
- Ez a felület kizárólag, az elektronikában kezdők kérdéseinek van fenntartva és nem elfelejtve, hogy hobbielektronika a fórumunk!
- Ami tehát azt jelenti, hogy a nagymama bevásárlását nem itt beszéljük meg, ill. ez nem üzenőfal!
- Kerülendő az olyan kérdés, amit egy másik meglévő (több mint 17000 van), témában kellene kitárgyalni!
- És végül büntetés terhe mellett kerülendő az MSN és egyéb szleng, a magyar helyesírás mellőzése, beleértve a mondateleji nagybetűket is!
Lapozás: OK   2857 / 4059
(#) RoliNyh válasza world-s hozzászólására (») Szept 20, 2016 /
 
(#) nedudgi válasza world-s hozzászólására (») Szept 20, 2016 /
 
Attól függ, hány darab kell.
30mm-es
A hozzászólás módosítva: Szept 20, 2016
(#) Stewe válasza jigawatt hozzászólására (») Szept 20, 2016 /
 
Javaslat:
Vidd át a gépet egy másik aljzathoz, és meglepődve fogod tapasztalni, hogy ott is meglesz a zaj.
A számítógépek tápegységén nem szokott átjutni mindenféle hálózati zavar, ha mégis van, akkor a tápegység lehet a hibás, esetleg a PC mikrofonaljzata betegeskedik.
Azon sem lennék meglepődve, ha a betáplálásnál a védőföld össze lenne kötve a nullával, (társasházban szokás) szóval ez sok minden lehet, de nem zavarforrás.
Ha esetleg nem zajt, hanem határozott 50Hz-es brummot hallasz, az lehet, hogy a levegőben lógó földelés épp az árnyékoláson becsatolja a hálózatot, erre egy megoldás van ahogy vargaf kolléga írta: meg kell javítani a lakás hálózatát.

Egyébként is: egy akkora szigeteletlen fémház, mint a PC doboza nem véletlenül van földelve!
A hozzászólás módosítva: Szept 20, 2016
(#) skater86 hozzászólása Szept 20, 2016 /
 
Sziasztok!
Van egy kontakt hibás sebességmérő egységem az autómban (28 éves). Az óracsoportban van a hiba. Kb. fél éve hol mutatja, hol nem a sebességet, de mostanában egyáltalán nem. A hétvégén szétszedtem, sérülés, korrózió, stb után kutatva. A nyáklapon nem találtam semmi hibát, nem nyúltam semmihez, összeraktam és azóta működik. Ezért gondoltam, hogy a nyáklapon lévő villás csatlakozónál lehet kontakt hiba, mert azt húztam szét egyedül (a képen szereplő villás csatlakozóról lenne szó, de a sajátomat nem fényképeztem le, kicsit oxidált volt egy két helyen). A kérdésem az lenne, hogy az oxid réteget mivel lehetne eltávolítani leghatékonyabban és hogy összeszerelésnél érdemes lenne-e valami kontakt paszta szerűséggel bevonni a felületet, ami megvédené a további korróziótól és biztosabb kontakt lenne. Az oké, hogy csiszolás és kontakt spray, de esetleg van valami hatásosabb, tartósabb módszer. Köszi a segítséget!
(#) world-s válasza nedudgi hozzászólására (») Szept 20, 2016 /
 
Köszi fiúk!

Sajna annyi időm már nem lesz, hogy ide érjen Kínából.
(#) attika hozzászólása Szept 20, 2016 /
 
Sziasztok.
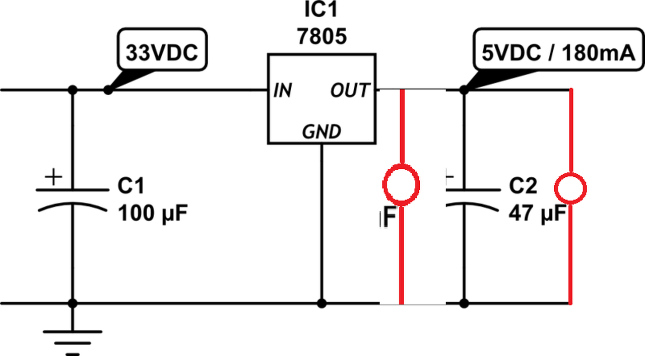
Egy egyszerű 7805-os stabilizátor kapcsolásnál van jelentősége annak, hogy a fogyasztót a szűrő kondi elé vagy a szűrőkondira kötöm.
Mellékelek két képet a nyákterven látni, hogy mire gondolok.
(#) Bakman válasza attika hozzászólására (») Szept 21, 2016 /
 
A 33 V-os bemenet elég sok. Most nem tudom megnézni, de mintha kevesebb lenne a max. bemeneti feszültség. Az adatlap szerint a bemenetre, a lábakhoz lehető legközelebb 330 nF, a kimenetre, a lehető legközelebb a lábakhoz 100 nF dukál. Ha a terhelés, amit ráraksz, nem változó áramot igényel, akkor a kimenetre felesleges (a nagy kapacitás egyenesen káros) egyéb kondenzátor.
(#) Stewe válasza skater86 hozzászólására (») Szept 21, 2016 /
 
Csiszolni semmiképpen!
Autóelektronikánál gyakran ezüstözik a csatlakozókat, ennek csak ártani tudsz.
Alkoholos tisztításnál nem tudok jobbat, a kontakt sprayket csak a szűk helyek gyors tisztítására agyalták ki.
Amit viszont érdemes lenne megcsinálni:Nagyítóval ellenőrizni az összes forrasztás, hogy nincs-e rázkódásból adódó fáradás okozta szakadás. ezt az átmenő alkatrészláb körül egy éles körkörös elszínezésről lehet felismerni. Dühítő, mert a hőtágulás miatt csak bizonyos (véletlenszerű) hőmérsékleti körülmények között vezet át, vagy nem.
A vezetősávok szinte láthatatlan repedése is okozhat ilyesmit.
(#) attika válasza Bakman hozzászólására (») Szept 21, 2016 /
 
Köszönöm.
Azt tudom, hogy a 33V az sok a bemenetén arra lettem volna kíváncsi, hogy a kimenetére a fogyasztót kötelező e a kondenzátorra kötni vagy mehet a 7805 lábára?
Hogy annak van e jelentősége, hogy a 5 voltot a kondenzátorról veszem e le közvetlen vagy levehetem a stabról is.
Majd ha meg tudod nézni a rajzot akkor talán érthető amit akartam
A két kis piros karika jelképezné a kimeneten a fogyasztót.
(#) kadarist válasza attika hozzászólására (») Szept 21, 2016 /
 
A kondenzátorról menj tovább a fogyasztóra.
(#) attika válasza kadarist hozzászólására (») Szept 21, 2016 /
 
Köszönöm szépen.
Azt még meg tudod mondani, hogy mi a jelentősége mert érdekelne nagyon és fogalmam nincs, hogy is kéne rákeresnem erre.
(#) skater86 válasza Stewe hozzászólására (») Szept 21, 2016 /
 
Köszönöm a segítséget! A forrasztási pontokat átnézem minden esetre alaposabban. Olvastam a típushoz tartozó fórumokon, hogy ez is lehet egy hibalehetőség, hogy a forrasztásnál van az a hiba, amit leírtál. Az viszont feltűnt, hogy hűvösebb időben többször volt jó, most nyáron meg szinte soha. Amennyiben találok egy elszíneződött forrasztást, azt érdemes újraforrasztani ezek szerint.
(#) pucuka válasza skater86 hozzászólására (») Szept 21, 2016 /
 
Kontakthibát legjobban fagyasztó spray -al lehet keresni.
(#) ElemElek hozzászólása Szept 21, 2016 /
 
Sziasztok!
Megépítettem az 1875 alapkapcsolását, azzal a kivétellel, hogy a visszacsatolásba 20k helyett 10k-t tettem. Azt kérdezném, hogy az erősítés mértékét lehet-e tovább csökkenteni? Azt azért nem tudom, mert az IC alaplapjában azt írja, hogy 10 és e fölötti értékek fölött stabil. A másik kérdésem az lenne, hogy hangerőszabályzó poti rontana-e a hangminőségen? (profi hangkártyával használom)
(#) skater86 válasza pucuka hozzászólására (») Szept 21, 2016 /
 
Szia! Mi annak a menete? Szakadásmérővel mérek közben hűtöm a forrasztást? Vagy hogyan képzeljem el? Köszi!
(#) pucuka válasza skater86 hozzászólására (») Szept 21, 2016 /
 
Működés (vagy nem működés) közben apró pici fújásokkal megfújkálod a forrasztásokat. Ahol változást tapasztalsz a működésben, az a hibás forrasztás.
Egyébként kiszerelve, impulzus generátorral meghajtva (szimulálni az üzemközbeni meghajtást) szkóppal, feszültségmérővel ellenőrizni a történéseket. ellenállás mérővel, szakadás vizsgálóval nem sokra mész.
De nekem gyanús, hogy a korrodált csatlakozónál van a hiba. Tisztítása kontakt spray nevű drága kegyszerekkel lehet.
(#) Edimax válasza ElemElek hozzászólására (») Szept 21, 2016 /
 
Helo. Csökken ezzel is R3 -1k helyett tegyél nagyobbat kb 1k5-et.Poti nem ront semmita minőségin,az csak szabájoz. Nyugottan használd.
(#) attika hozzászólása Szept 21, 2016 /
 
Fordított polaritás elleni védelemnek az megoldás lehet ha egy Graetz hidat beteszek és akkor elméletileg mindegy, hogy melyik a + és melyik a -, vagy ez így hülyeség lenne??
Tudom, hogy a diódákon feszültség esik de most ettől eltekintve okozhat valami hibát?
(#) lelkes amatőr válasza attika hozzászólására (») Szept 21, 2016 / 1
 
Semmi hibát nem okoz, használhatod.
(#) Bakman válasza attika hozzászólására (») Szept 21, 2016 / 1
 
Akkor érdekes a dolog, ha a fogyasztó a táp bemenetén kívül is csatlakozik valahogy pl. a GND-re, lásd autós fejegységek. Azok több ponton is csatlakoznak az autó elektromos hálózatához. Ha az eszköz teljesen el van szigetelve az áramforrástól, akkor egyéb hiba nem nagyon lehet.
(#) proli007 válasza Bakman hozzászólására (») Szept 21, 2016 / 1
 
"Ha az eszköz teljesen el van szigetelve az áramforrástól"
.. Vagy fordítva, a tápforrás az eszköztől. A lényeg, hogy az eszköz és a táp, táppontjai pontjai nem csatlakozhatnak galvanikusan.
(#) attika válasza proli007 hozzászólására (») Szept 21, 2016 /
 
Az semmiképp nem csatlakozik.
Egy időzítőt építettem és mivel ez egy levilágítóba lesz így tettem bele egy Graetz hidat mert egy kis trafóról fog üzemelni.
Kipróbálni viszont egy akksiról próbálgatom és a Graetz-ra kötöttem rá mert oda van kivezetve a sorkapocsra.
(#) attika válasza attika hozzászólására (») Szept 21, 2016 /
 
Akkor az a lényeg, hogy az akksi negatívjának semmi köze nem lehet a 7805 GND-hez?
Ha közösíteném a Akksi negatívját meg a 7805 Gnd-t akkor lehetne gond, jól gondolom?
A nyákterven látszik, hogy van.

graetz.JPG
    
(#) proli007 válasza attika hozzászólására (») Szept 21, 2016 / 1
 
Ez így van, mert ha közösíted, akkor a hídban tulajdonképpen rövidre zársz diódákat és így hatástalan lesz a védelem. De készítettem egy kis szimulációt, hogy lásd mi történne. A diódákat Led-ekkel helyettesítettem, hogy lásd melyik dióda égne ki fordított polaritás esetén.
(#) attika válasza proli007 hozzászólására (») Szept 21, 2016 /
 
Nagyon szépen köszönöm, ez így már teljesen világos.
Átgondolva az egészet én is erre jutottam de így lerajzolva sokkal jobban átlátni.
Ha a Gnd-t közösíteném akkor 50-50 az esélyem, hogy vagy zárlat lesz vagy nem, attól függ hogy teszem rá az akksit.
Ha eltalálom akkor szerencsém van, ha nem akkor pukk.
A hozzászólás módosítva: Szept 21, 2016
(#) attika válasza proli007 hozzászólására (») Szept 22, 2016 /
 
Még egy kérdésemre szeretnék választ kapni.
Van az időzítőm amit építettem, van benne 1db 7 szegmenses kijelző,egy 5V-os relé egy Pic és még pár alkatrész.
Ha 12V-ról táplálom és elindítom az időzítést és behúz a relé akkor nem telik el 1 perc sem és a 7805-ös stabilizátor szinte tűz forró lesz és alig bírja a kezem.
Viszont ha csak 8V-ot adok neki és úgy indítom el az időzítést akkor meg szinte hideg marad és semmi melegedés nem érezhető.
Ezt mivel lehet magyarázni?
(#) Bakman válasza attika hozzászólására (») Szept 22, 2016 / 1
 
A 7805 (és társai) a felesleges feszültséget hővé alakítják, elfűtik. 12 V esetén 7 V a felesleg, 8 V esetén már csak három.
(#) Stewe válasza skater86 hozzászólására (») Szept 22, 2016 /
 
Jó fényképezőgéppel egy makrófelvétel sokat segít!
Monitoron könnyebb átnézni, mint nagyítóval.
A hozzászólás módosítva: Szept 22, 2016
(#) Stewe válasza Bakman hozzászólására (») Szept 22, 2016 / 1
 
Nem a feszültséget, hanem a feszültségkülönbségből és az átfolyó áramból számítható teljesítményt disszipálják el.
A hozzászólás módosítva: Szept 22, 2016
(#) granpa válasza Stewe hozzászólására (») Szept 22, 2016 /
 
Köszönjük a pontosítást E..
Következő: »»   2857 / 4059
Bejelentkezés

Belépés

Hirdetés
XDT.hu
Az oldalon sütiket használunk a helyes működéshez. Bővebb információt az adatvédelmi szabályzatban olvashatsz. Megértettem