Fórum témák
» Több friss téma |
- Ez a felület kizárólag, az elektronikában kezdők kérdéseinek van fenntartva és nem elfelejtve, hogy hobbielektronika a fórumunk!
- Ami tehát azt jelenti, hogy a nagymama bevásárlását nem itt beszéljük meg, ill. ez nem üzenőfal! - Kerülendő az olyan kérdés, amit egy másik meglévő (több mint 17000 van), témában kellene kitárgyalni! - És végül büntetés terhe mellett kerülendő az MSN és egyéb szleng, a magyar helyesírás mellőzése, beleértve a mondateleji nagybetűket is!
Ha a rajz alapján csináltad volna, rövidzár lenne a vége az érintkezők zárásakor. Ez elég egyértelmű, mindig ez van, ha az ember direktben köti össze az elem két pólusát - és a rajzod szerint pont ez történik. Valószínűbb az a megoldás, amit csatolok, itt a tápot zárja a két érintkező (persze, lehet a negatív pólust is szakítani).
Ez egyébként egy komplementer tranzisztoros astabil multivibrátor, a kondenzátor kell bele, különben nem az lesz belőle. Ugyanis te hangot fogsz hallani zárt áramkör esetén, ez lüktető egyenfeszültséget jelent a hangszórón, így nem DC-ben kell gondolkodni. A kondenzátor nélkül nincs visszacsatolás, azaz egyetlen pattanást hallanál, és kész. Mint írták már, az ellenállás és a kondenzátor adják meg a működési frekvenciát, ez itt kb. 153 Hz a képlet szerint. A felírt paraméterek nem az üzemi állapotokra utalnak, hanem az egyes tranzisztorok határértékeire, katalógus-adatok. Hogy konkrétan a 47 kOhm hogyan jött ki, azt nem tudom, mert lehetne ott 100 kOhm is (ehhez már a tranzisztorok áramerősítési tényezője is szükséges adat), a lényeg az, hogy a BC238 kinyisson annyira, amitől a 308 is kellőképp kinyit, mert teljesítmény csak így jut a hangszóróra. Ha megvan az ellenállás értéke, akkor a képlet szerint visszaszámolva, alkalmas frekvenciát választva, a kondenzátor értéke már adódik. Szerk.: nézem a legutóbbi rajzodat, de az első nem ilyen volt ám! Nagy különbség van a kettő között, még ha neked egyformának is tűnnek.
Igy megy csak az eredeti kapcsolásban a 1.5V feliratú nyil zavart meg.Meg a kapcsoló és az elem - hiánya.
Szia!
Hát ha az áramkör baja tényleg annyi hogy az ellenállás kis teljesítményű,akkor válaszd ezt a megoldást : nem 3at hanem 4et. 2-őt 2-őt összekötsz párhuzamosan...Ekkora kapsz 2 db 5 Ohmos ellenállást.És még ezeket párhuzamosan kötöd...remélem érthető így Üdv Kicsa
Köszönöm a teljes körű válaszokat! Most már minden világos.Legalábbis ami ezt illeti.
Minden jót!
Okés.Azért olyan nyíllal jelöltem a táp + oldalát mert sok helyen láttam már így.
Lehet elkalandoztam és azért nem is figyeltem hogy jelöltem e.Majd legközelebb jobban figyelek. °°)
Hello!
Mindenek előtt kissé el kellene mélyedned az elektronikai alkatrészek működésének lelki világába. - Egy ellenállás, alapvetően egy frekvencia független elem, és működését az OHM törvénye írja le. I=U/R - A kondenzátoron nyugalmi helyzetben nem folyik áram, így egyenáramon, valóban olyan, mint ha ott sem lenne. De egyenfeszültségre kapcsolás pillanatában a kondi feltöltődik, azaz úgy tűnik a töltőáram miatt, hogy áram folyik rajta át. Ha ez után a kondit kisütjük, akkor mint áramforrás szerepel és amíg a benne felhalmozódott töltés ki nem egyenlítődik a töltéskori árammal, ellenkező irányú áram folyik a kivezetésein. Ha a kondit váltófeszültségre kapcsoljuk, akkor a töltés-kisütés folyamatosan történik meg, ezért a kondin látszólagos áram folyik. Tehát váltakozóáramilag van ellenállása. De mivel ez nem egy ohmikus ellenállásnak felel meg, ezért megkülönböztetjük. Xc=1/2*Pi*f*C Tehát látható, hogy annak ellenállása függ a frekvenciától és a kapacitás nagyságától. Tehát a kondinak egyenáramon nincs ellenállása, de váltóáramon a frekvencia nagyságától függően van ellenállása. - A tranzisztor katalógusban szereplő 800mA a tranzisztor maximális kollektor áramát jelenti. (eddig lehet terhelni) A bázis-emitter egy dióda. A tranzisztor normál üzemében ez a dióda nyitva van, így azon legfeljebb 600..800mV nyitóirányú feszültség mérhető. A katalógusban szereplő 5V a dióda reverz (fordított aza záróirányú) feszültségének maximuma. (Tehát zárófeszültség irányban eddig lehet igénybe venni.) A tranzisztor alapvetően árammal működik, ennek megfelelően azt a bázis árama vezérli. Ennek hatására indul meg a kollektoráram. A kettő közötti összefüggés az áramerősítési tényező, azaz a béta adja meg. Béta=Ic/Ib azaz a kollektoráram és a bázisáram hányadosa. Egy átlagos tranyó áramerősítési tényezője 100..400 körül van. - Ebben a kis kapcsolásban a két tranzisztor erősítőként funkcionál. Ami a rajzból első nézésre számodra nem tűnik fel, az, hogy a hangszórónak is van ellenállása (sőt induktivitása, és akusztikus visszahatása is.) - A két tranzisztor között galvanikus csatolás van, mert első kollektora közvetlenül megy be a második bázisába. - A 47ohm-os ellenállásnak két szere is van. Az első, hogy biztosítja az áramkör működéséhez szükséges munkapontot, azaz az első tranyó bázisáramát. - Ha a tápfeszültség 1,5V (és nem igazán lehet több) és a tranzisztor nyitásához szükséges bázis-emitter feszültség 600mV, akkor a 47kohm-os ellenállásra 0,9V jut. Ez 0,9V/47k=19uA bázisáramot jelent. Ha az első tranyó bétáját 100-ra vesszük, akkor annak kollektorában a bázisáramnál 100-szor nagyobb áram fog folyni. Tehát az első tranyó kollektor árama kb. 1.9mA lesz. - Ez az áram befolyik a második tranyó bázisába. Ha annak is 100-as bétát veszünk, akkor a második tranyó kollektorában már 100*1.9mA=190mA áram folyhat. Ez az áram fog a hangszórón átfolyni, és mozgatni a hangszóró membránját. Ha a hangszóró 8ohm-os, akkor 1,5V tápfeszültség mellett, aximálisan 1,5V/8ohm=187mA áram folyhat. Látható, hogy a számított áram közel azonos a második tranyó kollektoráramával. (Tehát a második tranyó, jószerével teljesen nyitva van, azaz a 190mA áram a hangszórón, már a teljes tápfeszültséget ejtené. Így a tranzisztor kollektor-emitter feszültségére már alig jut feszültség.) Tehát az egyenáramú munkapont helyzet így áll fel a kis erősítőnkben. A kondenzátor, tulajdonképpen az erősítő kimenetéről annak bemenetére vezeti vissza a jelet. (De csak a váltakozóáramút.) Ezt nevezik visszacsatolásnak. Ha a visszacsatolás pozitív jellegű, akkor az áramkör önfenntartó rezgésbe kezdhet. Azt, hogy a visszacsatolás pozitív vagy negatív, az attól függ, hogy a visszacsatolás azonos fázisban van, vagy ellen fázisban. Ha azonos fázisú, akkor pozitív, ha ellen fázisú akkor negatív. Vizsgáljuk meg: - az erősítő bemenete az első tranyó bázisa. A kimenete a második kollektora. - Ha az első tranyó bázisfeszültségét növeljük, akkor a bázisáram nőni fog. Így a kollektoráram is nő. Ez befolyik a másik bázisáramába ami ugye nő. Így a második tranzisztor kollektor árama is nő. Ha a hangszórón az áram nő, akkor azon eső feszültség is nő. (U=I*R) Tehát az erősítő kimenetén nő a feszültség. - Tekintve, hogy a kondi a kimenetről a bemenetre csatol vissza, és abból indultunk ki, hogy a bemeneten nőt a feszültség, így a visszacsatolás ezt a folyamatot erősíti és nem gátolja. A visszacsatolás így pozitív lesz, azaz oszcillálni fog az áramkör. - A visszacsatolás a kondin keresztül frekvencia függő, így annak kapacitása, és a bemeneti 47kohm fogja meghatározni elsődlegesen a rezgés frekvenciáját. f=1/2*Pi*R*C ahogy a kolléga már írta. Ez csak közelítő jellegű, mert az összefüggésbe a tranyó bázis-emitter diódája és a hangszóró is beleszól. - Tehát a 47kohm-os ellenállást a munkapont szerint kell megválasztani, a kondenzátort, pedig a rezgés frekvenciája szerint. Ugye, hogy egy egyszerűnek tűnő áramkör, nem is olyan "egyszerű" és ez csak egy hevenyészett leírás. Szóval a tanulás előtt van perspektíva elég. És igen remélem, nem én fárasztottam magam az írással, hanem át is olvasod... üdv! proli007
Köszönöm a választ!
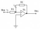
Az első bekezdés eddig is tiszta volt kb. A második kettő bekezdés pedig számomra aranyat ér! Egy ilyen leírásra gondoltam én! Benne vannak a legapróbb részletek is,a hibrid paramétertől a munkapontig minden! Senkit nem akarok megsérteni(eszem ágában sincs) de valamilyen okból/okokból kifolyólag csak Te tudtad hogy milyen választ is várok.Természetesen a többiek hozzászólásai is nagyon nagyon hasznosak voltak számomra,de én erre vártam igazán. Ha nem nagy probléma el tudnád mondani a lentebb lévő kapcsolásnak is a hasonló leírását? Persze csak ha van rá energiád és időd,mert sejtem hogy egy modi élete nem csak játék és szórakozás,hallottál a csúfról a csúf kopasz..... öhömm naszóval.Íme a kapcsolás: ![]() Ezt a kapcsolást is megépítettem,remekül működik,csak az érzékenysége egy kicsit kicsi,ugyanis kb 1 cm-nél jelzi csak a 230-as AC vezetéket. A működés leírásán kívül nagyon nagyon megköszönném ha tudnál linkelni egy hasonló egyszerűségű kicsit érzékenyebb kapcsolást.
Ja,és nem csak érdeklődöm valamint elmélyedek az elektronikában(és a világban) a legeslegeslegelemibb részletekig (épp ezért tart hosszabb ideig egy téma után járnom,mert minden szegmense érdekel),hanem kísérletezek is velük.Tudom,most nem mondtam nagy szavakat mert rajtam kívül még sokan teszik ezt.
Csak ezzel a szintű érdeklődéssel az a baj hogy mások beérik kevesebbel a környezetemben és én szidást kapok ha tovább akarok kutakodni benne. Az meg a másik hogy hiába tudom az Ohm vagy a Kirchhoff törvényeket ha 4 5 vagy 6 és több összefüggéssel nem tudom összevetni őket,mert nem tudom kitől megkérdezni a hogyanokat és miérteket. Na elég a panaszkodásból,örüljünk az életnek hisz úgyis szép.Amúgy meg kár is a gőzért(ezt magamnak mondom) hisz már úgyis válaszoltál a kérdéseimre proli007. °°)
Akkor valami ilyesmire lehet bontani a kapcsolást?
Hello!
Az adatlap bemutatkozás részét, sokan nem töltik ki, pedig a válaszadásnál szerintem többen megnézik (mint én is) és ez szerinti "szinten" próbálnak választ adni. De ha abban nincs semmi, az elbátortalanítja az embert. A műveleti erősítők működését nem gondolnám, hogy itt elmondom. Amit lerajzoltál,az alapvetően jó, itt valóban egy invertáló erősítőről van szó. Ennem erősítése az R2-R1 értékével megegyező. (A többi alkatrész, csak munkapont beállító eszköz, mely féltápra állítja az IC kimenetét, melynek egyenáramú erősítése a bemeneti kondi miatt egyszeres) Az R2 a rajzon változtatható, R1-et viszont az RC tag impedanciája adja. Ezt ha nem ismert és a működési freki, akkor az erősítést nem lehet számolni. Azaz szinte minden a tekercsen múlik. Egyszóval legfőképpen az érzékenység a tekercsen és annak kialakításán múlik. Én valaha építettem valami ilyesmit (már nem emlékszem milyen volt) minden esetre a vevő tekercse 2db 180cm hosszú 10mm átmérőjű ferritrúd volt párhuzamosan, és minimum 8000..10000 menet 0,05mm-es drótból feltekerve. Minden esetre olyan volt az érzékenysége, hogy ha a konyhában mértem, és a szobában bekapcsolták az erősítőmet (UB250-es trafó) akkor a műszer szögre ment. Amúgy további fokozatokkal az erősítés növelhető, de csak a gerjedés határáig, mert "magát is fogja hallani". (Amúgy szomorkodásra semmi ok, mert ilyen lehetőség, mint a NET még soha nem állt rendelkezésre!) üdv! proli007
Sziasztok egy másik erősítővel kapcsolatosan ütköztem problémába nem tudom hogy a C1 és a C2 kondi hogy kell bekötni szóval merre legyen a plusz lába ezeknél nincs feltüntetve.A rajzot belinkeltem.
A C1 helyére tegyél MKT kondit, annak nincs polaritása, meg jobb minőségű is mint egy ELkO, ha mindenáron ELKO-t akarsz tenni oda, akkor az IC felé nézzen a pozitív lába, a C2-nél meg legyen a test felé a minusz.
Szóval az ic-re menő lábak legyenek a plusz lábak?Ja és egy másik kérdésem van ugye a rajzon egy C3 kondi és ugye megvan nekem az alkatrész lista az egy 220pf kerámia kondi.Na most találtam itthon egy olyan alkatrész ami a képen van barna színű és az van rárva
220m 2kv nem tudom ez olyan lehet-e jó lehet oda?
A képen barnában csak egy függönyt látok, azon meg nem látom a feliratot...egy kicsit jobb képet készíts (talán varisztort tartasz a kezedben).
Egyébként általában a kerámia kondikra nem szokták ráírni a feszültségüket, szóval az sem biztos, hogy az kondi amit próbáltál fényképezni. És igen az IC felé nézzen a pozitív lába ahogy írtam is.
Szerintem ez nem kondenzátor. De kérd ki a tapasztaltabbak véleményét is a milyen alkatrészes topicban.
Ez például varisztor és a tied erősen hasonló ehhez.
Találtam egy olyat ami ugyan úgy barna színű kör alakú és 221 van ráírva és alá van húzva ennyi van rajta
sőt van ilyenem is ez a zöld erre221J van irva
Ez szerintem egy 220 pF-os nagyfeszültségű (2 kV-os) kondenzátor. Az M tűrést jelöl, +-20%-os.
Kondenzátorok tűrése
Akkor mégiscsak kondenzátor ezek szerint.
A zöld alkatrész induktivitás, az értéke 220 uH.
Sziasztok elkészült ez a csoda is lm3886 ic vel.Most akarom elkészíteni hozzá a tápot de valami nem egészen tiszta nekem.Minden a belinkelt leírás szerint készült a panelen.Na most én sima trafóval akarom működtetni.
Na most az a nem tiszta hogy a két nagy kondi az egyenirányítás véget van rajta az erősítő panelon akkor nem kell a táppanelra mást tenni csak a diódát nem?Bővebben: Link
Ha szeretnél tehetsz a táp panelra is puffer kondit, ha több van az sose baj, de elmegy így is vígan ha csak a végfok paneljén van a két nagy elko.
Sziasztok!
E-I magos transzformátoroknál mivel rögzítik a lemezeket egymáshoz? És hogyan lehet lebontani egyszerűen? Próbáltam hogy kiütöm az I vasakat de az első E nem akar kijönni így sem.pedig utána már könnyebb lenne...Próbáltam körömlakklemosóval,nem oldja ezt az izét... köszi szépen Üdv Kicsa
És tudnál nekem egy olyan táprajzot ahol nincs puffer kondi hanem csak a tápon lévők helyetesitik
|
Bejelentkezés
Hirdetés |



















