Fórum témák
» Több friss téma |
Szia!
Veled váltottam pár mail-t. ebay-es kijelző! Nagyon drága volt(9000 ft. postával) De nagyon akartam, hogy mennyen. Végig nézem a forrasztásokat, kvarcot, hogy kérjek a boltban hozzá?Mert az eredetin csak a gyártási év hónap van... Egyébként meg villog a pontocska egy perc elteltével már nem is csipog az ébresztő...
Ok!
Rájöttem, hogy egyszerűen órakvarc-ot kell kérnem! ![]() "32768 kHz minden órakvarc" Kipróbálom majd!
Ja, de ha van valamilyen órád ideiglenesen abból is jó kitermelni és kipróbálni.
Miskolc környékén tudnék adni Ennyiért már megérte, volna kimenni Romániába érte
Akkor ennek nincs teljesítménye?
![]() Drága volt az biztos, de végső elkeseredésemben döntöttem el, hogy ha törik ha szakad veszek egyet! ![]() Volt még egy ugyan ilyen órám pirosban, abban is rossz volt a kijelző, de az asszony kidobta annak idején, meg is dicsértem érte. Lehet annak az elektronikája meg jó volna.
Esetleg más ötlet ha ez nem oldaná meg a problémát?
Helyettesítő ic-t lehet hozzá kapni?
Sajnos nem lehet kapni hozzá belevalót. Adatlapokra írnak helyettesítőket, de azok sok esetben tévesek, mert funkcióra lehet hogy hasonló (számláló, dekóder stb) de az orosz IC más feszültségszinten működnek és összetettebb funkcióval is rendelkeznek.
Ha visszaolvasol látod, hogy adatlapokat is javítgattam, mert tévesen volt rajtuk a helyettesítő. A K176IE4 -> CD4026 kiváltható, de ebben az órában nincs ilyen IC. A K176IE5 -> 4013, de trükközéssel lehet ezeket beletenni. Szóval nem egyszerű a dolog, ha az IC-k haltak meg.
Kicseréltem a kvarcot sajnos ez sem segített!
Úgyhogy most már rossz kijelzős órát keresek, ami működne, ha lenne benne kijelző! ![]() IVL1-7/5 vagy ILC4-7/5 kijelzővel szereltet!
Én javaslom először a kvarc kiforrasztását, ALAPOSAN megtisztogatni a lábát, a panelt szintén körülötte alaposan tisztítsd meg, és forraszd vissza újra. Nekem is van egy jelenleg még javítás alatt álló ilyen órám, és ott nekem azt csinálta elsőkörben, hogy jobbról balra ugráltak a 0-k egyesével. Elkezdtem átnézni a panelt, hátha van szemmel látható problémája, és kiderült, hogy a kvarc nem jól volt beforrasztva. Szóval neked is okozhatja ezt a problémát kontakt hiba! Persze az előttem szóló tanácsait sem kell figyelmen kívül hagyni, pusztán csak több szem többet lát alapon megosztom a saját tapasztalataimat...(nem mintha olyan sok lenne)
Kvarc kiforrasztva, másik bele forrasztva, majd az újra ki és vissza a régi!
Úgyhogy megtörtént az átforrasztás! Tegnap nekem is csinálta ezt a szám futkározást, de arra jöttem rá ha fordítva dugom be a konnektorba akkor megszűnik! Pedig a kondik ki vannak cserélve! Még azokat a kis piros valamiket(amik az ic-k hez mennek) azokat akarom kicserélni, sajnos nem nagyon értek az elektronikához. Az értékeiket majd megnézem a rajzon.
Végső próbálkozásomban felajánlanék egy ilyen órát egy ivl-es kijelzős óráért!
Ha netán van több egyforma valaki gyűjteményében, de ilyen nincs, azzal szívesen elcserélném! Potival állítható a fényerő, kijelző nagyon jó állapotban van, kicsit hiányos(rádió része nem megy, de csak a drótokat kell benne összekötni és megy) 1 ic hajtja az egészet! A kijelző 9 cm hosszú! Pontosan jár!
Kellemes Húsvéti Ünnepeket Mindenkinek !
Megosztanám veletek a 7-21 óra doksiját . Végre megtaláltam ,bár oroszul van de ki lehet bogarászni belőle valamit A hozzászólás módosítva: Márc 31, 2013
Ha ilyen nagy kijelzős akkor igen!
Sziasztok!
Van egy elektronika 6.14-03-as órám és az a probléma vele, hogy az órát nem lehet beállítani rajta! A percet be tudom,számolja is rendesen(kondik,kvarc kicserélve) A jelenség a következő:bedugom, tudom állítani az órát egészen 7 óráig utána 0 ra vált és ha nyomkodom a gombot akkor 0 és 1 között váltakozik.Ha az ébresztőjét állítom akkor ott elmegy 23-ig. Mi lehet a baja? 3 db. ic van benne.
Sziasztok! Lenne egy fura kérdésem: van egy elektronyika 6-02 típusú(piros dobozos), és az motoszkál pár napja a fejemben, hogy milyen módon lehetne megoldani az órák, és a percek külön léptetését? Mert jelenlegi formájában úgy lehet beállítani az időt, hogy végigpörgetem a perceket 59-ig, és 00-nál egyet ugrik felfelé az óra, a perc meg kezdi elölről a számolást. De ez elég idegörlő módszer, ezért szeretném(csak a beállítás idejére) külön választani az órákat, és a perceket!
Tegnap kaptam egy Elektronika 7-21-01-es jószágot, ami a táp átkondizása óta működik is, viszont a programozásánál elakadtam. A szerény orosztudásom miatt a doksi sem segített sokat
![]() Letudná írni valaki hogy miként lehet rendesen beállítani, illetve hogy milyen funkciói vannak pontosan? A hozzászólás módosítva: Júl 27, 2013
Szia, nekem ezek a leírások vannak, de kis próbálkozással rá lehet jönni a beállításra az alábbi leírásokból
Tud valaki ebben segíteni nekem?
Elektronika 13 óránál nem lehet fényerőt állítani?
És alapból ilyen gyenge a fényereje? Gondolok én itt arra ha rakok bele új kijelzőt akkor fog úgy világítani benne az új kijelző mint egy elektronika 2 órában? Egy db. ic van benne.
Az Elektronika 13 -as és 2 -es elég tág, mert több féle is van belőle
esetleg képet a belsejéről? Ha van rajta fényerő kapcsoló gomb, akkor új kijelzővel erősebb lesz a fénye, de régi kijelzőnél is észre kell venni a változást. Egy IC-n belül oldották meg ezt a funkciót, de jó lenne tudni az IC számát, mert abból is van több.
Ez egy elektronika 13.11-es óra és kp145nk1901-es ic van benne,fényerő szabályzó gomb nincs rajta,8 gomb van a hátulján.
Olyan amit te is nemrég vettél lemonade-től a vaterán!Ugyan az! Elektronika 2-06-os órára gondoltam! Egyébként most jutottam hozzá egy elektronika 6.14-03-as órához amibe van egy külön ic és 2 féle dallamot játszik! Ezt szivesen elcserélném egy elektronika 7-21-es órára!
Nyomon követem én is az előlem elhappolt óráid
), a 13.11 -en nem lehet fényerőt állítani, de meg lehet oldani ellenállással ha a két szélső lába egyikét megszakítod egy kapcsolóval, bár én ellenzem a ilyen beavatkozást, nem szeretem ha az eredeti állapot barmolva van.A fényereje pedig egyező a 2-06 -éval, erősen világít az új cső. A 7-21 -es meg elég komoly több időzónás, programozható, napokat is mutató kis ketyere .Üdv.
ILC 5-4/7M Kijelzőt a megfelelő lábak bekötésével bele lehet kötni egy ivl1-es órába?
Az adatlapját nézve, a feszültségértékek megfelelőek..
Bővebben: Link Bár ez a Elektronika 7-21-01-es -ben jobban mutat A hozzászólás módosítva: Nov 27, 2013
Pont innen vettem!
![]() Nem akarom én beletuszkolni az órába, egy külön kis doboza lesz amihez csak egy vga kábel csatlakozik és ugyanez a meghajtóval. Sajnos még nem láttam csak képen hogy milyen lehet. A nagyobb kijelzős még szebb lehet...
Szép ha gondolod, holnap bedugom a két Elektronika 7-21-01 és lefényképezem, az a szép ezekben az órákban, hiába ugyan az a doboza mindig rejt meglepetést a belseje
)
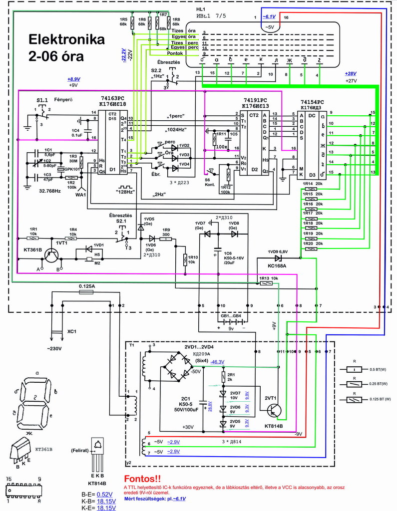
Sziasztok! Olyasmiben gondolkozom, hogy a rendes 50hz-es trafós megoldást szeretném kiváltani egy picike kapcsolóüzemű táppal, és az lenne a kérdésem, hogy az elektronyika 2.06(piros doboz, fekete előlappal) órához milyen feszültségek kellenek? A fűtés tudom hogy 5v ac, de a többit nem tudom, és nincs most túl sok kedvem szét szedni az órát, de a dc feszültségek kellenének...(bár nem olyan túl sokára úgyis csinálni fogok neki egy dobozt saját izlés szerint...
Úgy emlékszem, hogy kell még AC is, pl a fűtésnek. Hogy onnan csak kispórolták az egyenirányítást, vagy tényleg váltó kell, azt nem tudom, ennyire nem értek hozzá. Kondorzs a nagy "Elektronyika" mágus. Viszont ha át akarod dobozolni, akkor engem mindenképpen érdekelne az eredeti doboza. Szerelmes vagyok abba a dobozba.
És ha lehet, akkor a jellegzetes zöld tápkábele is, amennyiben nincs nagyon szétmenve (kutyarágás és egyéb sérülések nincsenek).
Tápkábellel nem tudok szolgálni, fehér kábelezésű az enyém, a doboz pedig tiéd lehet, fogd és vidd alapon a tiéd lehet.
A fűtés azért ac, mert a vfd fűtőszála a katód is egyben, így ha dc-vel lenne fűtve, akkor egyik fele nem működne a kijelzőnek. Az ac megoldás legkevésbé gond, mivel nem visszacsatolt lesz a tápegység, így az ac fesz is megoldható. ![]() A fűtés ugyanúgy működik DC-vel is. (mod) A hozzászólás módosítva: Aug 25, 2014
Üdv.
25-35V jön ki, ami eltérhet óránként terheletlenül 35V és ebből lesz 22-27V. A fűtés AC 6.2V ebből lesz fűtőszállal terhelve 5v. Adatlap szerint: IVL1-7 / 5 (glow 5V, 120mA, anode, grid --27V, 12mA). A fűtés megy DC-ről is elvileg AC-ről hosszabb az élettartam és több sorba kötött cső esetén a fényerő egyenletesebb, gyakorlatban IV-12 és IV-6 csövek esetén jól megy egyenáramról is. Az orosz órákban is van egyenirányítás a fűtés direkt AC. Sőt variálnak a negatív feszültségekkel is. Mellékelek egy rajzot, amin a mért és rajz szerinti adatok is fel vannak tüntetve.
Köszi! Köszi! Köszi!
![]() A kábel annyira nem gáz, mert a neten rákerestem, és egy órán sem láttam ugyanolyan kábelt, mint amilyen az itthoniakon van (3db, abból egy van használva, 1 rossz, + 1 másé, javítás miatt van nálam). Talán mégsem annyira jellegzetes? :-/ A doboz amúgy (sz)ép állapotban van? Ugyanis azért kell, mert én meg pont hogy ilyen dobozba akarok órát építeni. |
Bejelentkezés
Hirdetés |




















