Fórum témák
» Több friss téma |
Fórum » Életvédelmi kapcsolás, FI relé
Témaindító: bankimajki, idő: Máj 6, 2009
Tudja ő pontosan, de bolond lesz bemártani esetleg valamelyik rokonát.
Kérdésem van, segítséget kérek.
Beköltöztünk a házba, működik is minden, villanysütő, fűnyíró, fúrógép, stb. Egy 5x4-es MT kábel-t vittek a szerelők a melléképülethez, közvetlenül az EV relé után indul kb 30 méter hosszú, egy helyen megtoldották a padláson. A melléképületben szereltem rá lámpát, működik. Konnektort is szereltem a steklámpa működik, hősugárzó 1000W-ig szintén. Hősugárzót 2000W-ra kapcsolva az EV relé leold, fúrógép (kettős szigetelésű 1000W), földelt fűnyíró azonnal lekapcsolja az EV relét. Ha a házból, ahol minden működik húzok még egy 0 vezetéket a melléképületbe, akkor azon keresztül minden működik, sőt, ha leveszem az "extra" 0 vezetéket akkor is minden működik tovább, ameddig újra be nem kapcsolom. Ezek szerint a 0 vezeték lehet a hibás, épp annyira szakadt el, hogy 1000W-ig jó? Még egy 0 vezetéket behúzni körülményes, de a lényeg, hogy nem szeretnék ezzel még nagyobb problémát okozni. Kérem segítségeteket, mi lehet a probléma, esetleg a megoldás. Köszönöm Idézet: „Egy 5x4-es MT kábel-t vittek a szerelők a melléképülethez, közvetlenül az EV relé után indul kb 30 méter hosszú, egy helyen megtoldották a padláson.” Én ezt a két pontot nézném/fényképezném le elsőként (úgy, hogy látható legyen, hogy mi honnan és hová megy)...
A nulla és a védőföldelés zárlatos valahol. Nem feltétlen az új részen van a hiba.
A padláson jól néznek ki az összekötések, bár a sorkapcsok csavarjain könnyedén tudtam még szorítani, de ez sem oldotta meg a kérdést.
Ha az összekötéstől viszek egy külön 0 vezetéket a melléképületbe, akkor működik minden. Ha a ház összes automatáját lekapcsolom, akkor sem javul a helyzet. Azt nem értem, hogy miért működnek a kis teljesítményű dolgok, a nagyobb teljesítményűek pedig miért nem indulnak csak segédvezetékkel. Ha zárlat van, az nem teljesítményfüggő?!?!? 135W-os rezgőcsiszló hiba nélkül indul. Kábelcsere lenne a legegyszerűbb, ha nem lenne bafalazva, levakolva... Köszönöm
Ezért is félek, egy esetleges kábelcserétől, mert lehet nem is az a bűnös, még ha úgy is látszik.
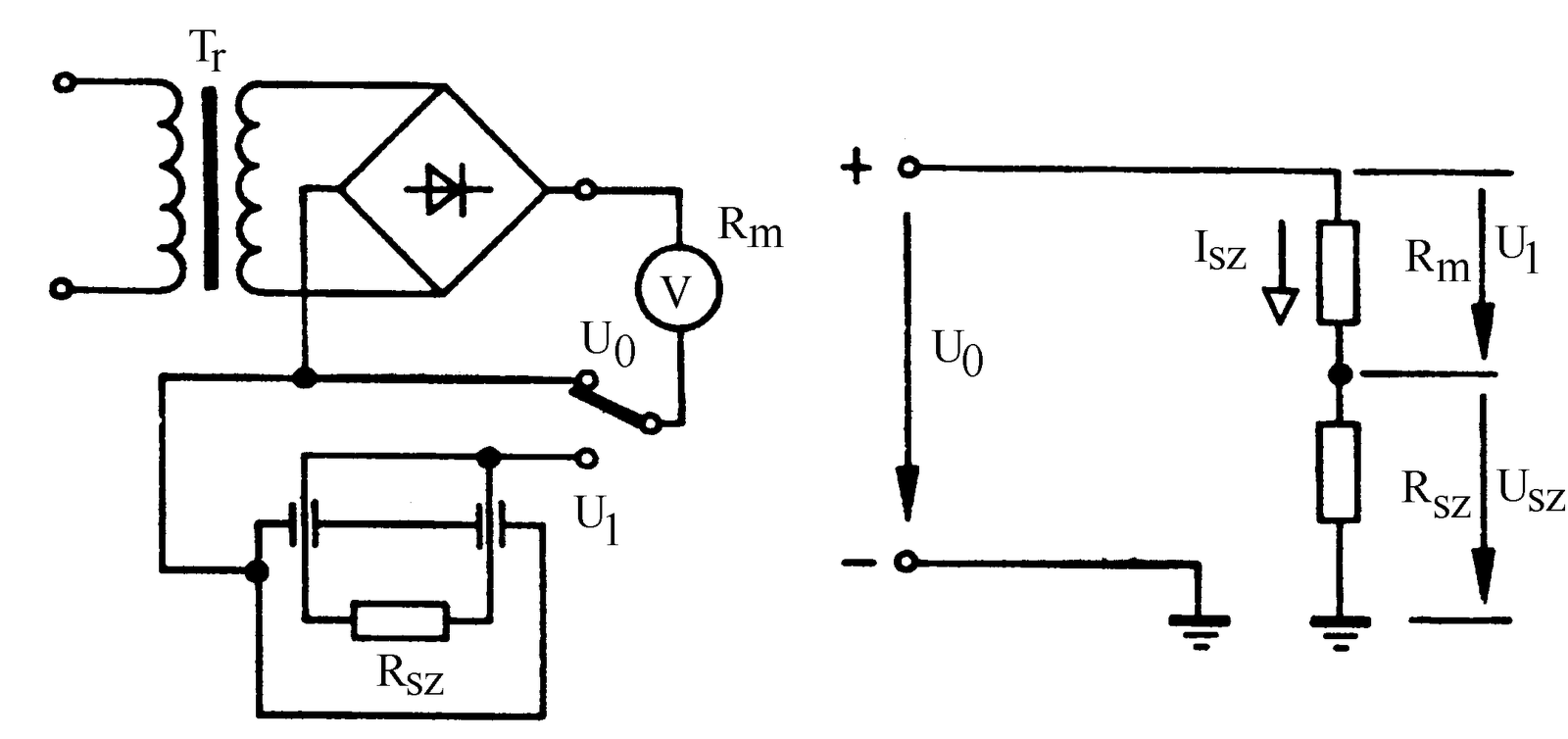
Szivárgó áramom biztos van, mert a váltó/keresztkapcsolóval szerelt udvari ledlámpa lekapcsolva is dereng haloványan. Idézet: Lásd melléklet.„Azt nem értem, hogy miért működnek a kis teljesítményű dolgok, a nagyobb teljesítményűek pedig miért nem indulnak csak segédvezetékkel.” Az R1 és R2 ellenállások a vezetékek ellenállásást jelölik. Ha nagyobb teljesítményű eszközt kapcsolsz a hálózatra (R3, Fogyasztó), akkor a vezetékeken is nagyobb feszültség esik. A kép szerinti R2 jobb oldalán a betáplálási ponthoz képest megemelkedik a feszültség. Így, hogy ott nagybb feszültség keletkezik, a zárlati ponton a földelés felé (ennek ellenállását nem jelöltem külön) nagyobb áram fog folyni, ami már eléri a Fi-relé érzékenységét. Kb. minden olyan vezeték amelyiken átfolyik a nagyobb fogyasztó árama, leoldva ezzel a Fi-relét, minimum átvizsgálásra szorul. Jó esetben van "kéznél" szigetelésvizsgáló műszer, azzal gyorsan a végére lehet járni a hibának. Idézet: Annak a szórt kapacitások lehetnek az okai, más jellegű a probléma, nem feltétlen igényel beavatkozást ha nem zavar. Az már más kérdés, hogy ehhez mit szól a lámpa, általában semmit. „udvari ledlámpa lekapcsolva is dereng haloványan.” Idézet: „Az már más kérdés, hogy ehhez mit szól a lámpa, általában semmit.” Mi a bánatnak világítok, ha nem muszáj. ![]() Bocsánat, csak úgy kijött belőlem.
Értem én, csak valamelyik témában olvastam, miszerint ettől mindenképpen tönkremennek. Lehetséges, de nagyon nem jellemző.
Ha jól értem, szigetelésvizsgáló műszer híján, hősugárzókkal felszerelkezve is tudom ellenőrizni a házat, hogy van-e áramszivárgás
Sőt túlterhelve a kismegszakítókat is tesztelhetem.
Nem feltétlen. Volt már olyan esetünk is, amikor a konyhai fénycső búrájával csípték be a vezetéket, esetleg az szabadban lévő dugalj, kapcsoló párásodása is tud ilyen meglepetéseket okozni.
Egy próbát megér, ha van türelmed.
Apósomnál a koloniál szekrénysor mögötti konnektornál becsípett fázisvezető?
![]() Eltartott egy darabig, amíg meglett, de szerencsére akkor még kicsit hajlékonyabb voltam, és nem kellett kipakolni és szétszedni. ![]() Szerintem majdnem mindent (legalább utólag) meg lehet magyarázni... A hozzászólás módosítva: Szept 22, 2019
Szigetelésvizsgáló helyett esetleg kösd le a kábelt a betáplálási ponton csak a védőföldet hagyd meg. Küldj ki mindenkit a melléképületből. Utána egy kis teljesítményű (pl hűtőgép izzó) ,de hagyományos izzón keresztül köss a nullára fázist. Ha világít a lámpád, már van is mit keresni. Esetleg egy műszerrel áramot is mérhetsz. ( ha jót akarsz, azt is égőn keresztül )
Köszönöm a segítséget, de a problémánál csak a megoldás egyszerűbb.
A padláson lévő sorkapocsban ránézésre mindenki a helyén volt, szétszedtem ugyanúgy összeraktam és most megy a hősugárzó a fúrógéppel együtt. Ha holnap is jó megjavult. ![]() Köszönöm ismét
Jó lenne egy kép arról a sorkapocsról. Így látatlanban, abban én nem bízók.
A vezetéken nem tudom van-e érvéghüvely, ha nincs, akkor tegyél rá.
Próbálom agyban összerakni a dolgot (mi és miért), de nem sikerül.
Pont ma találkoztam egy ilyen hibával. De ott már szét volt égve a sorkapocs egy gyenge kötés miatt.
![]() Bele volt gányolva a sodrott vezeték, érvéghüvely nélkül alig tartotta 1-2 szál a sodrott huzalbók. A sorkapocs csavarnak nem sok köze volt a kötéshez. De így kép nélkül lehet találgatni, de nem jutunk előbbre. A hozzászólás módosítva: Szept 22, 2019
Már csak az a kérdés, a védőföldet sikerült e rendesen összekötni ismét. Ha nem az is lehet "megoldás" oka.
Küldök képet, ilyen volt.
A szürke vezeték volt érdekesen bekötve, a kimenő (bal oldalon a szigetelést lyukasztotta át a csavar, de legalább hosszan volt leszedve a szigetelés, így a túloldali csavar is tartotta. Érvéghüvely sehol sem sikeredett a villanyszerelés során a házban, de azt hiszem ezek után az egész házat végig kellene nézni milyen csodák lehetnek még.
Pont erre gondoltam és bejött.
![]() Ráadásul az a doboz sincs túlméretezve, épphogy belefér a sorkapocs. A hozzászólás módosítva: Szept 23, 2019
Szia!
Kicsit régi a hozzászólásod, de nálam most vannak gondok a FIrelé/melléképület villamosításával. Nálam össze van kötve az órából kijövő zöldsága és kék vezeték, látszólag majdnem jól működik minden. Miért tilos összekötni? Szétszedjem? Köszönöm
Szia!
Szigetelésvizsáló nincs, a probléma pedig továbbra is adott sajnos. Próbálam valamit rajzolni és írni az ábrád alapján, szerintem a zárlatom ellenállása 146-4400 szorosa az R2-nek, azt meg tudom mérni multiméterrel is. Szerinted jó lehet az elmélet? Köszönöm
A mérőhelytől már szétválasztva kapod a PEN-t PE és N vezetékre. Utána már tilos összekötni.
Igen, szedd szét.
Szia!
Ilyen esetben a" nagy ellenállás mérése Voltmérővel "nevű mérést célszerű lefolytatni. Tudni kellene a Voltmérőd belső ellenállását 1Mohm , 3Mohm, 5Mohm, 10 Mohm . a 230v -t egyenirányitva kb 300V al megmérhető az ilyen rejtett hiba ! a rajzon nincs feltüntetve a számitás.
Sziasztok!
Egy olyan problémával találkoztam ma, hogy egy ipari gép kikapcsolásakor mindig leold a FI relé. Bekapcsoláskor nincs semmi gond, illetve üzem közben sem produkál hibát. A gépben van egy 11kW-os frekiváltó, illetve a hozzá tartozó zavarszűrő (3 fázisról üzemel). Amíg a zavarszűrő nem volt bekötve, kikapcsoláskor sem volt semmi gond a FI relével. A zavarszűrőben 3db nagy tekercsek van, és gondolom én, mikor megszakítom az áramkört, a tekercsekben tárolt mágneses energia feszültséggé alakul, és az így indukálódott feszültség visszatáplál a hálózatra, a FI relén folyó áramok nem szimmetrikusak. Van valami tippetek, hogy lehetne ezt a hibát elhárítani? FI relé kikötése nem megoldás, mert a gép jelenleg nem műhelyben üzemel, hanem az otthoni garázsomban (nem akarom otthon kikötni...). Üdv, Andris
Ilyen esetben megoldás lehet a "SI" típus használata a sima "A" vagy "AC" helyett
Bővebben: Link A hozzászólás módosítva: Okt 6, 2019
Szia!
Az előbbi válasz is jó....... esetleg olcsóbban ? A bemeneti kapcsokra kötve kb 25--40w izzót-kat (3f esetén) meg kellene nézni , hogy eltünteti-e a hibát? Az izzókat elég a kikapcsolás előtt bekapcsolni x másodpercre.
Köszi. Néztem elég húzós árban mennek, de ha más nem válik be, veszek egyet.
|
Bejelentkezés
Hirdetés |












