Fórum témák
» Több friss téma |
Sziasztok !
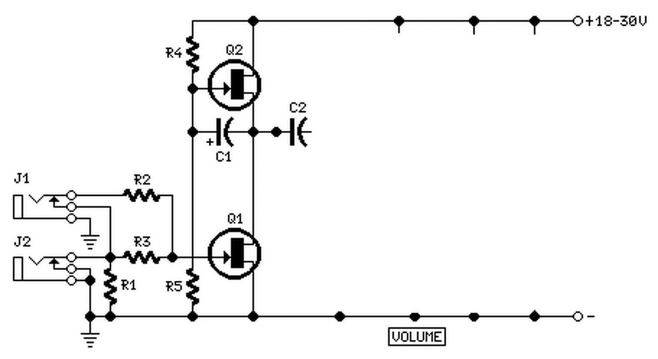
Jól gondolom hogy ez a rajz hibás ? Az alsó tranzisztor bázisán nincsen nyitófeszültség, ill. ebben a kapcsolásban a bemenő jelet nem mindkét tranzisztor bázisára kell kapcsolni ? Vagy csak az alsóéra ?
Hello! Nem hibás. Ezek nem sima tranyók, hanem J-Fetek, ami 0V GS feszültségnél, pont nyitva vannak.
Kösz !
És tényleg csak az alsó fetre megy a vezérlő jel ? A felsőre nem kell ? Mi történne ha a felsőre is rákötném ?
Egy áramkört, nem találgatással tervezünk. Ez egyenáramilag egy kaszkád kapcsolás, ahol az erősítő elem az alsó tranyó, a felső pedig egy "áramgenerátor", ami munkaellenállása az alsónak.
Kösz !
És ez miben jobb/más mintha ott csak egy ellenállás lenne ?
A kollégák itt jól megelőztek a válasszal
![]() Nem mindennapi rajzot fogtál ki - ez bizony nem működik. Kicsit visszább olvasva találtál volna megoldást.
Nagyobb kivezérelhetőség, nagyobb erősítés. De a Fender nem tegnap kezdte a szakmát..
És ha ugyanezt sima tranzisztorokból csinálnám, akkor csak nyitófeszültséget kellene a bázisukra adni, és működne ?
Írtam, hogy nem találgatással kell áramkört tervezni. Nem? Keress a hálón bevált kapcsolásokat, és azt próbáld meg megépíteni, elsősorban megérteni működésüket. De elsőként talán a tranyók működését, munkapont beállítását, három alapkapcsolását, tulajdonságát kellene megismerni.
"csak nyitófeszültséget kellene a bázisukra adni" Mert ebből azt szűröm le, hogy fogalmad sincs róla. Vagy tévedek? A hozzászólás módosítva: Júl 15, 2014
Igen.
Azért kösz a segítséget! A hozzászólás módosítva: Júl 15, 2014
Találomra választottam alkatrész értékeket. Vélemény?
Köszönöm szépen!
Örök hálám!
A zöld diagram az micsoda ? Valami felharmonikus ?
Ill. a 100µF -os kondenzátornak, aminek a negatívja a kicsatoló pozitívjára van kötve, annak mi a szerepe ?
Apropo, az nagy baj lenne, ha 20k-s trimmert raknék bele a 2k-s helyett? Mert csak 20k-som van otthon.
Sőt, azzal lesz jó. A 2k feleslegesen terhelné a műveleti erősítőt.
Akkor rendben
Egy tápegység rajzot nem kéhetnék? Mert nem szeretném a véletlenre bízni, na meg magamra. Nem tudom hogyan kellene szűrni a tápot neki. 100nF-os kondival talán... A hozzászólás módosítva: Júl 18, 2014
Íme a rajz. A LED-et igény szerint használd, C1-nek 100-470µF elegendő.
Köszönöm a sok segítséget!
Sziasztok.
Szeretnék építeni egy előerősítőt, de olyan jobb fajtát. Egyszer suliban találkoztam BEAG keverőasztal belével, amiben a potik nem a hangjelet, hanem DC feszültséget szabályoztak. Szóval az egész egy VCA (voltage controlled amplifier)volt. Keresgéltem, de nem találtam sehol se a rajzát. Van erre már Texas cégnek IC-je a VCA601, de én egy olyat ismertem ami csak műveleti erősítőre alapul. (Sőt az LM1036 is ilyen elven működik) Szóval a lényeg, szeretnék egy ilyet csinálni, aki esetleg tud segítsen egy kapcsolási rajzzal. Köszönöm A hozzászólás módosítva: Júl 30, 2014
És még mielőtt bárki félreértené a pontatlan fogalmazás miatt.
Az erősítők többsége feszültséggel vezérelt, de én arra gondolok, hogy DC feszültséggel vezérelt az erősítés. Pl:. Remélem érthetően fogalmaztam. A hozzászólás módosítva: Júl 30, 2014
Bővebben: Link Ezzel még akármit feszültség vezéreltté tudsz varázsolni.
Lehet rosszul keretem.
Szétnézek, köszi
Alapvetően jó ötlet a lépcsőzetes feszültség léptetéshez, de audió jelre nem használnám, próbáltam, nem tetszik.
Ehhez már csak az a kapcsolás kell amit jelenleg is keresek. Az ötlet azért jó , köszönöm
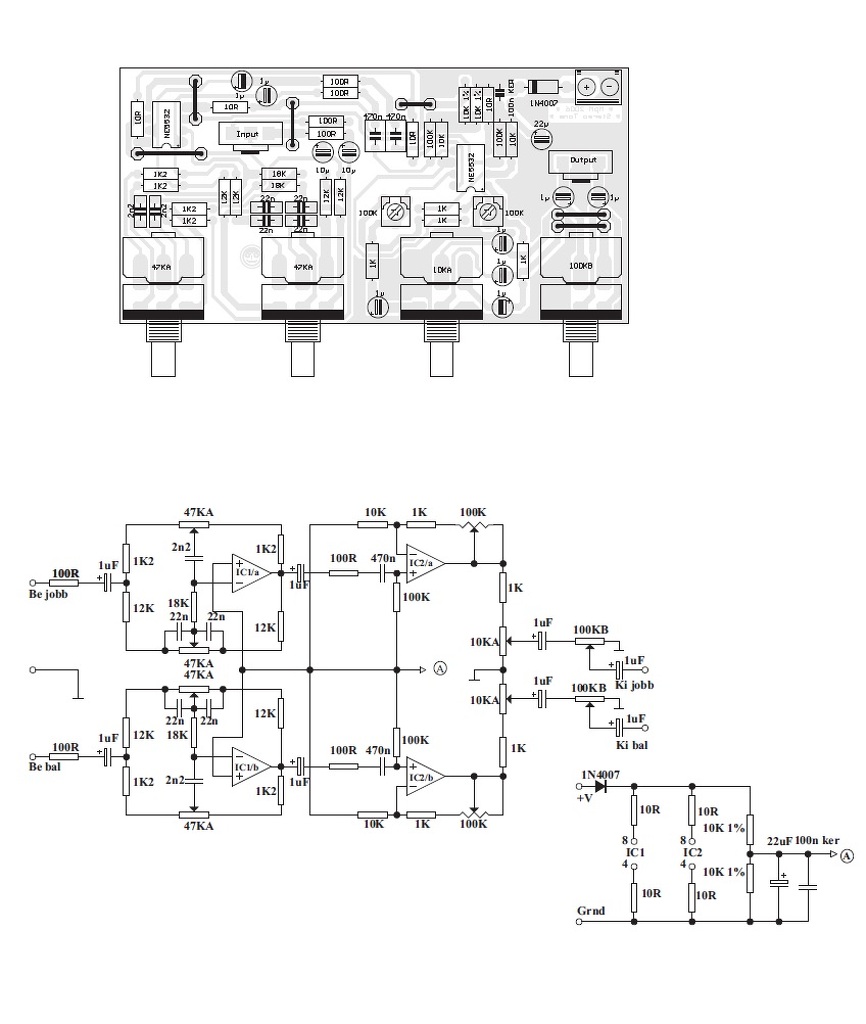
Sziasztok! Megépítettem ezt az előerősítőt. Az a gondom vele, ha teljesen feltekerem a mélyet búg. Szerintetek mi okozhatja? A tápja 12 volt 400mA. Válaszokat előre is köszönöm.
Szia
Mellékelhetnél egy fotót róla és egy NYÁK-tervet. Valószínűleg földhurkod lesz. (bár az nem igazán hangerő függő) Vagy a tápzajod, brummod van ami pont teljes hangerőn hallható. Ha van rá lehetőséged próbáld meg elemről üzemeltetni.
Szia! Nincs tápszűrés, a két műveleti erősítő egymásra tud hatni.
A 4-es láb ágában a 10 ohm-ot nem tudom megérteni, valami maradvány lehet egy szimmetrikus tápos változatból. A 8-as láb és a test közé 100µF és 100nF kondikat tennék, külön mindkét IC-nél. |
Bejelentkezés
Hirdetés |









