Fórum témák
» Több friss téma |
Mielőtt kérdezel, a következő két dolgot ellenőrizd!
I. A helyes tápfeszültségek megléte.
II. A kimeneten van-e egyenfeszültség.
Élesztés.
Üdv.
Kaptam egy rádióerősítőt(Dansk), csak az a baja, hogy ha letekerem a hangerőt akkor is búg. Ha a magnóbemenetre kapcsolok még jobban búg. Egyébként szól csak a búgás rémesen idegesítő. Az egyik végfokon látni, hogy már javították, alkatrészeket cseréltek. A kondik is élég réginek tűnnek, egy két ellenállás kifejezetten égett jellegű. Az egyik csatorna egyébként is sokkal gyengébb. Érdemes e kicserélni a végfokot az Urbán féle 2x40 W-ra, vagy ezzel kellene valamit kezdeni. Szivesen veszem a tanácsokat. Tud e valaki rajzot küldeni nekem az Urbán féle 2x40 W-osról? Üdv. a tankos
Üdv
Megépítettem már nem először a mellékelt kapcsolást BDX66-67 tranyókkal. Most tértem át elsőnek a TIP tranyókra. A gondom egyszerűen csak annyi hogy a nyugalmi áramot egyszerűen nem bírom beállítani 50mA re. Ha beállítom akkor utána vagy lemegy 5-10mA re vagy elmenne a végelenségig és eccerűen elpárolognának a végtranyóim. Az elvi rajz és a megépített közt csak annyi különbség van hogy BC546B használtam és 1 Ohm 9W helyett 0,9 Ohmot. Kérlek titeket segítsetek. Idézet: „...mert mindenki azt épít és én szeretek kilógni a sorból” Itt azert erzek egy kis ellentmondast Ha ki akarsz logni a sorbol akkor olyan erositot epits amit meg nem epitettek ... ez azt jelenti, hogy tervezz egyet, vagy keress egyet a neten amit meg soha nem epitett meg senki. Ha bevalt, jo kapcsolast akarsz epiteni akkor be kell allni a sorba, nincs mese Egyebkent nezz utana a kovetkezoknek: JLH erositok, Etalon integra 1, VF2, B5, B7, Canopus, Aleph erositok, stb. valasztek van ...
50-60Watt@8ohm hangfalak ---> ST151!!! :yes:
Itt a rajz. Ez tuti működik mert valamelyik topic-ba le is szimulálták és ment. Csatoltam
Sziasztok a neten találtam egy ic-t TDA8920B néztem itt az oldalon de senki se írt róla.
Valaki épített már ezzel erősítőt? Ha igen kérem írja meg róla a véleményét! Itt van róla adatlap
Azt látom, de okozhatja a gerjedést az alacsony tápfesz?
+-50 alatt instabil, ez van nálad is sztem
oké, ha áramkorlát nélkül is begerjed, akkor jó esélyem van arra, hogy elszállnak a kimeneti tranzisztorok. Jól gondolom? Akkor kap táp áganként egy egy 10 ohmos ellenállást próbára. Remélem holnap jó hírrel szolgálok...
Szia!
Talán azért nem ír róla senki, mert "D-class" vagyis nem hagyományos konstrukciójú végerősítővel van dolgunk. Szakirodalma elég gyér, és nem túl népszerű amatőr körökben. A hangmínőségét is sok bírálat éri./ezért a mondatomért valszeg megköveznek néhányan /Én véleményt nem tudok mondani mivel még nem hallgattam ilyen végfokon zenét. Üdv.
A kövezést én kihagyom annyit tudok hogy ezeket a D osztályú erősítőket általában autóban mélyláda meghajtására használják
PA hangosításra is nagyon ajánlott rendkívül jó hatásfoka miatt, de lehet vele találkozni elvétve még HI-End végben is (TACT) csak ehez már dönteni kell hogy új autó, vagy erősítő.
Télleg nemlehet rosz kis végfok belőle
De az IC majdnem 3000HUF :eek2:
Sziasztok
Van ugye EZ a hídkapcs. rajz. Nem tudok rájönni hogy kell bekötni :no: Valaki egy painten, kutyafuttában beerajzolná hogy mit hova kössek? Nagyon köszönöm
Ez a TACT ez tényleg nem semmi. Van amelyik bővíthető 16 csatornára itt már tényleg lehet dönteni mi kell autó, lakás, vagy erősítő
Off vége
Egy Yamaha erősítőről lenne szó (bár hallottam más erősítőnél is ezt a gondot). Tranzisztoros végfok van benne és az egyik oldala kegyetlenül melegszik, pontosabban az egyik oldal végfoktranyója. Mitől lehet ? Amúgy kitünően működik igaz huzamosabb ideig nem működtettem.
Szia! Esetleg kisebb impedanciájú hangfalat tettél rá terhelésként, mint a gyárilag megszabott
Idézet: ROSSZ!„Mitől lehet ?” Ezért topicot nyitni... Kereső minek van?
Az igaz, h már van ilyen topik, de a kérdése
NEM ez volt....
AZ is meg lett válaszolva. De nyiss te is egyet...
pontosabban az egyik oldal végfoktranyója..
Talán az egyik oldal végfoktranyói... nem? Pontosabban is leírhatnád - nem mindegy. Szerezz rajzot és ellenőrizd le a munkaponti áramot, ill. a beállítást - azt sem írtad le, hogy alapban melegszik vagy csak meghajtáskor.
hello
Lehet az is a gond amit El Pinyo mond, nézd meg jól van e illesztve.Ha rendben van akkor az erősítő hibásodot meg.Az erősítőn belül lehet nagyfrekvenciás gerjedés, nyugalmi árma nem áll be stb.
Sziasztok! Szerintetek mennyire egészséges egy tl 072 nek + / - 29 V tápként? Véletlenül rajtamaradt, azt hittem meg is pusztult, de nem. Valaki járt már így? Hosszabb távon meg fogja adni magát? Azt tudom h elvileg 15 lenne neki a max. Köszi Üdv
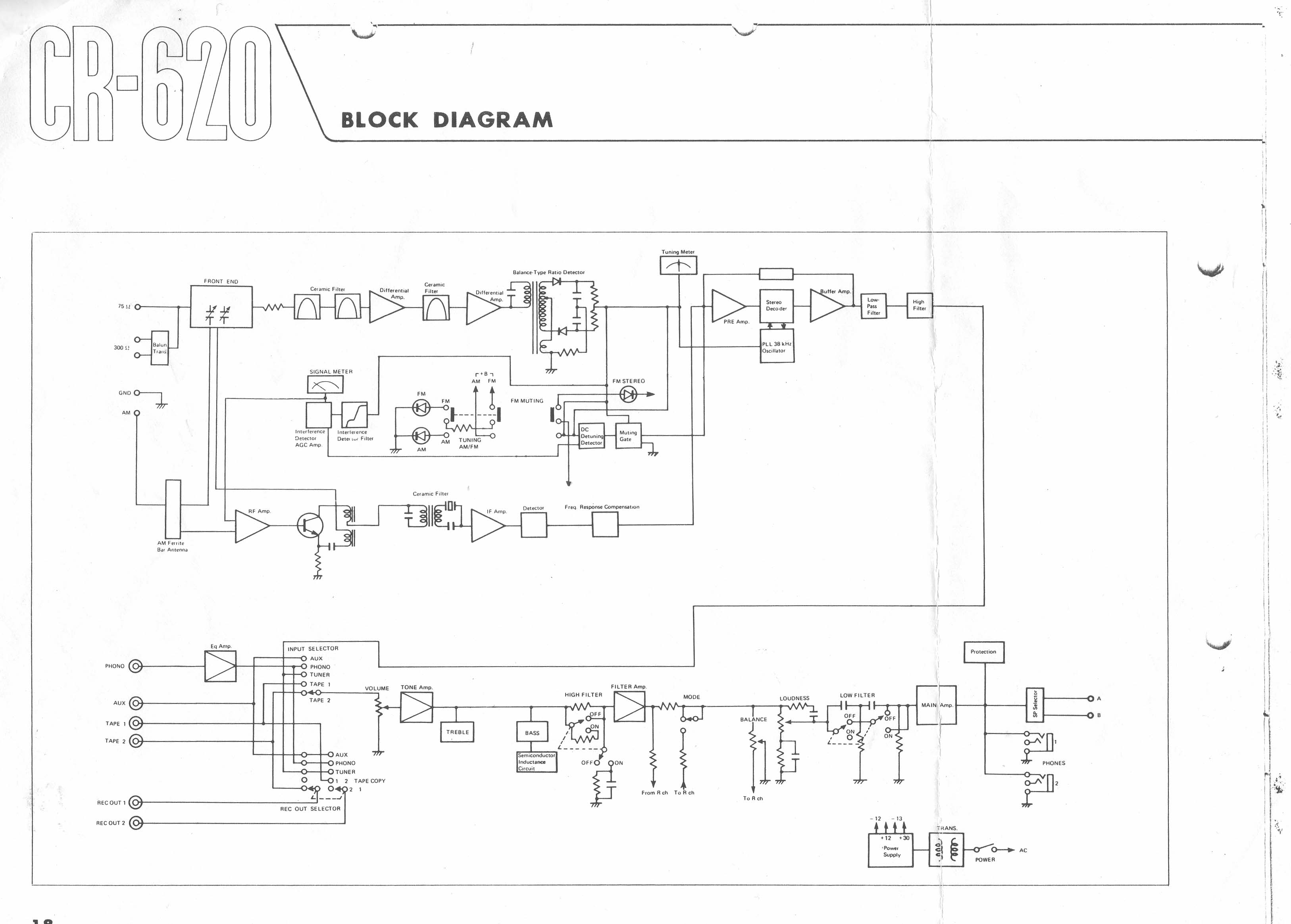
A terhelés mindkét oldalon ugyanannyi és ha nem hajtom akkor is melegszik, és főként az egyik tranyó melegszik. Nem nagyon akartam szétbarmolni azért hogy megnézzem pontosan melyik melegszik mivel egy hűtésen van az összes tranyó de érezhetően jobban melegszik az az 1. Megpróbálok rajzot keresni de nem lesz könnyü dolgom de utánna járok. Amúgy kerestem megoldást rá olvasgattam KERSŐ segítségével de nem találtam. Yamaha CR-620. Kösznöm a segítő hozzászólásokat.
Tessék, egy kis segítség:
blokk és kapcsolási rajz
Én régebben direkt kipróbáltam, TL074-nek +/-36 V-tól nem lett semmi baja, aztán +/-28 V-tal évekig ment gond nélkül.
Most, hogy rajzod is van, mérj!
Nagy valószínűséggel a kimeneten nem nulla voltot találsz, tehát a melegedő tranyó a hangszórón keresztül a talajba folyat áramot. ( hangszóró nélkül nem melegszik semmi) Ha kimenet nulla (kivezérlés nélkül!) és mégis melegedés tapasztalható, akkor a két végtranyónak egyformán kellene melegedni. Referenciának ott van a még hibátlan csatorna, azzal is összehasonlíthatod a feszültségeket. |
Bejelentkezés
Hirdetés |




Ha ki akarsz logni a sorbol akkor olyan erositot epits amit meg nem epitettek ... ez azt jelenti, hogy tervezz egyet, vagy keress egyet a neten amit meg soha nem epitett meg senki. Ha bevalt, jo kapcsolast akarsz epiteni akkor be kell allni a sorba, nincs mese 
/

Kereső minek van?







