Fórum témák
» Több friss téma |
Mielőtt kérdezel, a következő két dolgot ellenőrizd!
I. A helyes tápfeszültségek megléte.
II. A kimeneten van-e egyenfeszültség.
Élesztés.
Hát ez nem olcsó!... meg azért az a 400W egy kicsit sok!
Nem a 400W -osat kell megcsinálni, ekkora tápfesznél még elég egy pár tranzisztor.
Paraméterei sokkal jobbak, mint a BSS oldaláról linkeltnek. A meghajtó fokozat is jobban kidolgozott, a bemeneti diff erősítő is. Szerintem sokkal korrektebb kapcsolás. BD249/250 -nel és meghajtóknak BD139/140 -nel is meg lehet építeni. Amit linkeltem , abban ott van a teljes leírása egy .docx fájlban, meg rajzok, különböző tápfeszültségekhez. A hozzászólás módosítva: Feb 22, 2015
Nem nagyon volt rá igény, de azért én még is megosztom...hát ha 1szer még belefut valaki egy ilyen PROXIMA 'őskövületbe'...
![]() Szóval az nem igaz, -amit több más fórumon is írtak - hogy Ge tranzisztorokat kidob, simán csak be a helyükre az Si tranzisztorok és 'már indolok is'! ![]() Amúgy most már tényleg szépen is szól a szerkezet, igaz a teljesítménye nem olyan nagy, de aki nem a szomszédokat akarja folyamatosan 'zaklatni' zene hallgatáskor, annak éppen elég...
Csináltam egy olyan megoldást, ahol a forgó kapcsolón (3 ák, 4 pólus) van 4 led. 2 áramkör kapcsolja a bemenetet, a 3. áramkör meg ennek megfelelően egy-egy ledet. Óriási zúgást produkált.
Jelen pillanatban nincs bekötve sehova a LED-es rész (Ledek, + egyutas egyenirányítás), de a tápjának a vezetékét megfogva nagyin durva zúgásba kezd. Ha nincs bent a forgó kapcsoló, akkor nincs zúgás. Ekkora problémát jelentene, hogy egy árnyékolatlan vezeték átmegyek a kapcsolón?
Szia! Tapasztalhattad. Túl magas a kapcsoló utáni fokozat bemeneti ellenállása, használj a LED-ekhez simított egyenfeszültséget.
Nagyon örülök, hogy végre sikerült. Annak különösen, hogy ezt meg is osztod velünk. Gratulálok a sikerednek és a kitartásodnak. Szerintem sok Proxima 408 van még az országban, aki kedvet kap, ez alapján feljavíthatja.
Köszönjük a kapcsolási rajzot is.
47k
Simított egyenfeszültség alatt egy stabilizátort értesz?
A 47k bementi impedancia elég érzékeny. A LED tápfeszültségét elég pufferelni.
Valami rajz vagy kép jó lenne mert így nem győzök elég kérdést feltenni.
A LED-táp és az erősítő táp össze van testelve?
Üdv. A helyzet az, hogy a haverom megkért, hogy javitsam meg a gitár erősitőjét. A probléma az volt, hogy zúgott mint atom. Sikerült megszüntetni, de mégis volt következménye :v. Ha feltekerem a hangerőt, olyan hangot ad ki mintha a föld meglenne törve, összehasonlitva a PChez kötött erősitőkkel.A vezeték jó, gitár szintén. Ha hozzáérek a gitár húrjaihoz stb, akkor kicsit elhallgat :/. Ah... unom már, hogy mindig ilyen melókat kapok hobbi szinten -.-
Üdv mindenkinek!
Segítséget szeretnék kérni, a DOMINANCE 702-es 2x180W végfok hangra kiválóan működik, de a ventilátor nagyon zajos. Mérve a DC 24 V 0,23 A-os ventilátor 27,2 V-ot kap. Kapcsolási rajzot kerestem a neten de nem találtam. Ha egy 24 V-os stab IC-vel megfogom, az talán segíthet, de az okot keresném, hogy miért kap ilyen magas feszültséget a ventilátor? Köszönöm szépen. Lele
Szia.
Ha gitár nélkül (úgy, hogy semmit nem dugsz az erősítőre) is brummos, akkor az erősítő a hibás. Ha úgy nem jelentkezik a probléma, akkor vagy a kábellel, vagy a gitárral van valami gond. De ez egy hibátlan gitáros cuccnál is örök probléma. Elég, ha a hálózaton van egy kapcsolóüzemű táp, vagy egy tirisztoros világítás-vezérlés (műv. házak, színpadok) és máris brummos, kerreg a cucc. De sokszor az is elég hozzá, hogy ott van a közelben egy nagyobb trafó valamelyik erősítőben, vagy a padlóban, falban ott fut a hálózati áram a közelben és a vezeték rászór, stb... Ez függ a gitártól is, nem egyformán érzékenyek a zavarokra. Első körben azt szűrd ki, hogy mi szedi össze a brummot, az erősítő, a kábel, vagy a gitár. Nem ártana egy másik gitárkábelt is kipróbálni...
Egy stabilizátor segíteni fog hogy ne zúgjon legalábbis annyira,de ha csapágyas akkor sajnos így is zúgni fog, vagy a másik megoldás ventillátorvezérlés,témájában megtalálod.Amúgy abba a dobozba majdnem mégegy végfok elfér
Tisztelt fórumozó Társak!
Nagyon köszönöm az építő javaslatokat! Első menetben megpróbálom roncsolás nélkül szétszedni, és bár építettem nemrég egy TDA 7294-es erősítőt és gondoltam beépítem, de elvetettem. Jó lenne eredetihez közeli állapotba hozni mint már-már muzeális darabot. Újra bőrözni kívül, laser gravírral egy új kezelőlapot, poti gombok stb. Hangszórón nem látni sérülést nincs kiszakadva. Nem volt ez olyan sokat nyúzva csak az idő vasfoga... Köszönöm mindenki jó szándékú javaslatát amit továbbra is várok. Üdvözlettel: csibai
Sziasztok!
Egy Onkyo A-8015-ös már lassan 30 éves erősítővel kapcsolatban szeretnék segítséget kérni. Egyik oldala már régebben volt javítva. Most azt csinálja,hogy teljesen jól szól akár órákon keresztül is majd egyszer csak 1-2 másodpercre relé ki majd bekapcsol utána megint jó akár órákig is. Van olyan is hogy csak heti egyszer csinálja. Kimeneteken nincs egyenfeszültség. Mikor kikapcsol és vissza hangszórót nem nyomja ki. Én az elkok kiszáradására gondolt a védelmi áramkörnél. Minden segítséget előre is köszönök.
Szia!
Nem nagy hangerőnél, erős basszusok esetén kapcsolgat? A hozzászólás módosítva: Feb 24, 2015
Így elsőre látatlanban a relé cseréjére és/vagy tisztítására gondolnék,esetleg az elöttelévő passzív alkatrészek elkók kiszáradására.De inkább az elöbbire,nekem a technics sa ex 120 produkált ilyet meg hogy egyik oldala halkabban szólt a relé érintkezőjének eloxidálódása volt a gond.
Szia
Kis vagy normál hangerőnél is basszus nélkül is.
Ha nincs rákötve a gitár, akkor ugyanúgy csinál. Nem vagyok biztos hogy mit hova kellene földelni..pl gitár jacket házra? Esetleg le tudnád irni? Megköszönném :/
A hozzászólás módosítva: Feb 24, 2015
A nagy búgást mi okozta (amit sikerült kiküszöbölni, mint ahogy írtad)?
Mikor felnyitottam, kiszedtem a lapot.Találtam egy szabadon lógó föld vezetéket amit valahova forrasztani akkrtak, ht mit is csináljak vele. Szerintem a második lap a torzitáshoz tartozik mivel jóval kisebb mint amikre felvannak sorakoztatva a potik.Az ic lábához forrasztottam.Esetleg ha hazaérek akkor birok képet küldeni, most sulizok.
Ok, kép jó lesz, így csak találgatunk. Valószínűleg máshová kell az a vezeték.
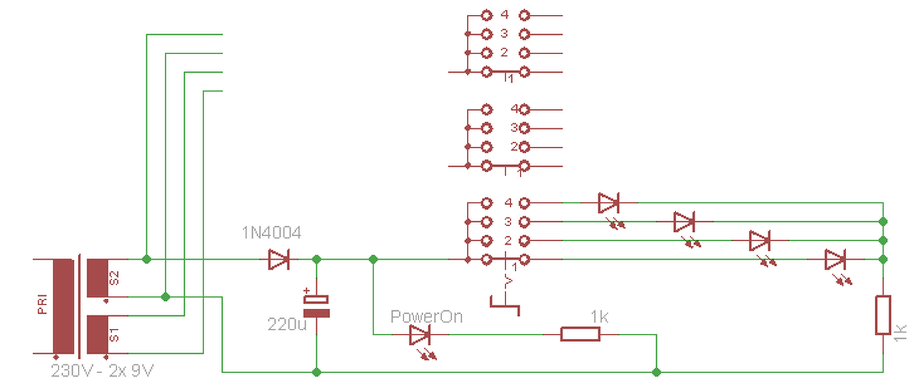
A baloldali négy vezeték megy az erősítőbe.
Ha a ledes rész elválasztom a transzformátortól és megfogom vezetéket, akkor még jobban zúg az egész. Ha nem ez van a bemeneten, akkor jól működik.
Ha az S2 tekercsen nincs más fogyasztó akkor a 220µF pozitívot kösd a csillagpontra.
Az erősítő szimmetrikus táppal rendelkezik, az S2 tekercs is használva van. Mindkét tekercsen van 2-2 graetz, a jobb és a bal oldal számára. Így..
Ebben az esetben a tápok egyikére kell kötnöd a LED-elket, jelenleg AC-t akarsz bevinni a kapcsolóházba.
|
Bejelentkezés
Hirdetés |
















