Fórum témák
» Több friss téma |
Mielőtt kérdezel, a következő két dolgot ellenőrizd!
I. A helyes tápfeszültségek megléte.
II. A kimeneten van-e egyenfeszültség.
Élesztés.
Szia! Nem esik le a tápfeszültség terhelés hatására?
Sziasztok!
Vettem egy hibás marantz pm52-es erősítőt. Úgy volt hirdetve, hogy hang nem jön ki rajta. Gondoltam az Stk ic pusztult el benne (ebbe a szériába gyakori hiba, kicsi a hűtőbordája). Megjött, bekapcsoltam, észrevettem, hogy a relék nem kapcsolnak benne. Relé teteje le, érintkezők összezár és megjött a hang. Az egyik csatorna rendbe van, a másiknak nagy az alapzaja, de az is ugyanolyan hangerővel szól mint a jó, nem torzít, és bizonyos hangerő felett az alapzaj is eltűnik, vagyis nem eltűnik csak hangosabb lesz nála a zene. Amit még megcsináltam, kikötöttem a füles aljzatát, (arra gondoltam az kavar be reléknek, de nem), beállítottam a nyugalmiját, a rossz oldalt kicsit magas volt, és mivel csak egy egy elko van a jelútban csatornánként, azokat megcsereléltem, de a maradt a búgás azon a csatornán amelyiken eredetileg. Mi lehet a gond?
Szia!
Mindenképpen mérd meg a kimeneti DC feszültséget, talán elborult a szimmetria. Erre utal az is, hogy nem húz be a relé. Olyan érzésem van, hogy mióta megvolt a 220-230V-os átállás, azóta repkednek az STK-k. Mi t ha nagyon határon mentek volna. Visszatérő vendégem volt egy PM52-es. Először kibontva az STK meghajtót kidrótoztam egy tranzisztort belőle, később még egyet. Negyedik javítás során az egész hibridet megalkottam újra kis öcsipanelra. Azóta jó. Idézet: „Olyan érzésem van, hogy mióta megvolt a 220-230V-os átállás, azóta repkednek az STK-k. Mi t ha nagyon határon mentek volna.” Igen... Ha STK, SVI, a Pioneer, Trio Kenwood, végfokkal találkozok az első a tápfeszültég ellenőrzése. Több esetben volt, hogy más kolléga cserélt végfok ic-t, (de nem ellenőrizte a tápfeszt) majd az erősítő ismét elpusztult.... volt, hogy 5 percig sem ment az új, biztosan nem hamis ic-vel ... Az ic tápfeszültsége sok esetben meghaladta a maximum értéket. No ezt megmagyarázni egy laikusnak.... Nem egyszerű úgy, hogy meg is értse.
Nyert. 20,8 az egyik oldal 52,4 a másik. Hogyan tovább?
Ha ekkora egyenfesz van a hangszoró kimenetén elégett volna a hangfalad tőle.Szerintem..
Ez a tápfesz. Egyenfeszt nem mérek a kimeneten.
Nem hagyott nyugodn, lementem rámértem mégegyszer.
Szóval tápfesz ok 52,4 mindkét oldalt. Viszont csak sikerült a kimeneten mérni. 7mV a jó oldal, 30-35mV között ugrál a rossz.
Szia! Maga a 30-35 mV-os érték nem volna rossz, de a csatornák közötti eltérés és az ingadozás arra enged következtetni, hogy a visszacsatolásban lévő C705, C706 közül az egyik szivárog. (100 µF/ 16 V)
Kicseréltem. Jobb nem lett. Mostmár 17.6v van az egyik kimeneten...
A kimeneti feszültség ilyetén változása már nem fogható a kondenzátorra. Valószínűnek tartom, hogy valamely forrasztás kezd elengedni és az alkatrészcserével járó mechanikai hatás váltotta ki a jelenséget.
Ilyenkor a panelt finoman megnyomkodva megállapítható, hogy ilyen hibája van-e a készüléknek és a panel mely részére esik.
Nyomkodás nem segített, viszont újabb feljemény, az R726 elfüstölt, illetve mikor mérem a feszt a kimeneten (piros kábel a ki +-on, fekete a gnd-n) minuszt -17.6V mutat a műszer.
Az R726 100 Ω báziselőtét akkor szokott elfüstölni, mikor a Q714 hibás, vagy nem érintkezik a kollektor lába.
A -17 V okának felderítéséhez mérd meg az STK ehhez a csatornához tartozó invertáló és neminvertáló bemenetein a feszültséget (14, 15 lábak az R726-hoz tartozó oldalon).
Nekem először a TR2-nek nőtt meg az árama, amitől elbillent a DC. Második alkalommal ugyanannak a csatornának a TR7 tranzisztora megszakadt. Harmadik alkalommal a másik oldal TR10 tranzisztora csinálta azt, mint először a TR2.
Sajnos gyanús, hogy a külső passzív elemek mókolása nem oldja meg a problémát.
Igen, valamint hűtőlemez update, mivel félő hogy az új is túl lesz terhelve.
Esetleg diszkrét elemekből meg lehet építeni a kis modult, de ez csak igazán őrülteknek ajánlott.
Meg is rendeltem, de a 3062 helyett 3082. Szerintem spiccen ment benne a 3062.
A hűtőlemezt mindenképpen meg akarom nagyobbítani, csak még nem tudom hogy. Egy francia oldalon láttam, hogy hozzákötötték a hűtőbordákhoz, csak pont azt az egy képet nem lehet nagyítani... Köszönöm mindkettőtöknek a segítséget, ha kicseréltem még jelentkezem a fejleményekkel.
Míg megjön az új stk gondoltam méregetek, mert bosszant, hogy elég az ellenállás. Mostmár a tápfesz kint van a kimeneten.
Az stk 14es lábán 9v, 15ösön 84mV. Megmértem a 744 ellenállást is, 0.18 ohm helyett olyan nagy hogy nem méri meg a multi. 7mv helyett 26 voltot mérek.
A Q706-ból nem sok jót nézek ki, mivel a bázisán folyt az R726-ot túlterhelő áram. A 0,18 Ω szakadása miatt a végtranzisztorokat és a meghajtóikat is kimérném.
A végtranzisztorokat egyelőre nem is ültetném vissza, hanem a B-E helyét 1k ellenállásokkal kötném át, hogy a DC egyensúly és a végtranzisztor bázisokra küldött feszültség ( ±0,6 V ) mérhető legyen. Ha ebben a felállásban egyenfeszültség van a kimeneten és vele azonos polaritású feszültség mérhető a 14-es lábon, akkor nyilvánítanám hibásnak az STK-t. Mivel a Sanyo sok-sok éve leállt a gyártással, valószínűleg inkább kevesebb, mint több sikerrel kecsegtető másolatot tudsz majd beszerezni. Ezt csak azért jelzem, hogy ne szegje kedved, ha a cserétől nem javul meg a készülék.
És ez mitől lehet? Mármint mitől szakadhatott meg az ellenallás?
Tudom, hogy az stk nem eredeti lesz, azért is rendeltem bele az egyel nagyobbat. A Q714 mértem a másikhoz a Q713hoz képest, hát... Benne van még a panelba, a jó oldalt dióda állásba a B-E közt1040-et mutat a műszer, a rossz oldalt 1-et. B-C között egyforma a két oldal.
A végtranzisztor emitter-ellenállás túlterheléstől, vagy a végtranzisztorok egymásranyitásától szokott megszakadni, ide értve a végtranzisztor páros egyik, vagy mindkét tagjának zárlatát.
A végtranzisztor B-E között a nyitóirányú diódavizsgálatnak 600 körüli eredményt kéne adni jó tranyó esetén. A Q702-től a QN02-ig minden tranzisztort megvizsgálnék kiforrasztott állapotban.
Megmértem
Q702 B-E 745, E-C szakadás Q704/QN02 B-E 597/600, C-E szakadás Q706 B-E 593, C-E szakadás Q712 B-E 521, C-E 001 (rövidzár?) Q714 B-E 528, C-E 001
A nagy ellenállásom szedve és úgy megmérve, meg szakádást mutat
Még egy kérdés. Így tranzisztorok nélkül bekapcsolhatom az erősítőt?
Kíváncsi lennék, hogy most behúznak e a relék.
A C-E 001 zárlatos tranzisztort jelent, mint az várható is volt. A DMM szakadásvizsgálójával ellenőrizd le!
A bipoláris tranzisztor C-B átmenete között is félvezető átmenet van, ezt is mérd ki a diódavizsgálóval! Fontos, hogy a diódavizsgálat a tapogatócsúcsok felcserélésével is elvégzendő, ez a C-E között is mutathat fals viselkedést. Az 1. pont elkészítése után teszteld a készüléket. Skori alkatrészvizsgálat. A hozzászólás módosítva: Márc 28, 2021
Ezt mind dióda mérés állásban mértem. Fordítva is ellenőriztem, ugyan az az érték.
Q712 C-B 575 Q714 C-B 586 Akkor a két végtranyó kuka, a többi rendben van ugye?
Egyelőre a végtranzisztorok akadtak fenn a szűrőn.
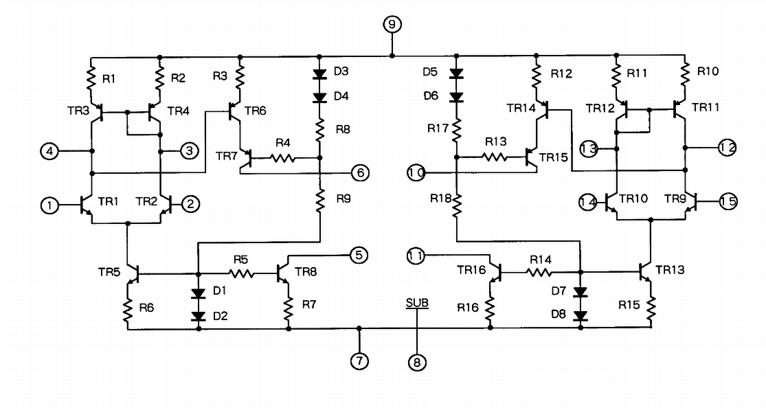
A mellékelt ábra szerint alakítsd vissza a kapcsolást. A Q712,714 (üres) bázis forrpontokat 220 Ω körüli ellenállással kösd a kimenetre és mérd a feszültséget testhez képest a bekarikázott pontokon. Az előtétizzót nagyon ajánlom már ehhez a vizsgálathoz is. A hozzászólás módosítva: Márc 28, 2021
Na a relé már behúz. Az izzó bekapcsoláskor felvillan, utána halványan izzik. Megcsinálom amit írtál.
Egyébként ez kép amit betettél a pm-50-é. Gondolom a lényegen nem változtat.
Ebből követem a javítást.
Az is benne van a pakliban, hogy az STK nem ment tönkre. A mérés után többet fogunk tudni.
Én is. Csak a felső a pm 52é.
Jut eszembe ugye a nagy háromlábú ellenállás hazament(2x0.18 ohm). Próba erejéig kivehetem a másik oldalról? Nem lesz baja anélkül a másik oldalnak? |
Bejelentkezés
Hirdetés |












