Fórum témák
» Több friss téma |
Szia! Az első lépés (lehetőleg rajz birtokában) a belső tápfeszültség(ek) ellenőrzése.
Sziasztok! tudnátok nekem segíteni valamiért nem szól a Sony hifim!!! halgatam egyszer csak pukkant egyet a hangszóróm és onnantól nincs hangom! :/ a pontos neve Sony HCD-F100 előre is köszi mindent!!!
Ennek rengeteg oka lehet! Elsőnek szedd szét és csinálj pár képet a belsejéről ami elrobbant.
Szia! Bővebben: Link
nincs benne semmi sze szét robbanva mert már szét szedtem mert amikor be kapcsolom a relay nem kapcsol nem lehet hogy az a baja ? vagy a fégfok?
meg van egy Philips hifim is és esetleg abból nem lenne jó bele a végfok vagy a relé?
Valószínűleg a végfok IC mehetett ki és azért nem kapcsol a relé. A végfokot nem lehet csak úgy átrakni.
már volt Sony hifiben cserélve végfok! akitől vettem kicseréltette nagyobra
Attól még hogy első ránézésre nincs semmi baja, lehet hogy elszállt a végfok valamelyik oldala.
Legjobb lesz, ha szétszeded, majd rámérsz a kimenetére, de még a relé /védelem előtt!. Az STK gondolom ez van beépítve, rajzát a googleban, azonosítás után letöltheted, Ebből kiderül, melyik lába megy a kimenetekre, és melyik a tápfeszültség, +-30-36V... Amennyiben a végfok Ic. hangszóró kimenetén, Dc. féltápfeszültséget , vagy Dc. tápfeszt mérsz, a testhez képest, cserélheted is az Ic.-t. Ha Dc szempontból, kvázi nulla a kimeneten akkor, jó az Ic. Bizonyára a relés védelem ment tönkre, ill.annak valamelyik tranzisztora, SC... Sd.... stb.
Ha kicserélték a végfokot, valószínű utángyártott lehet benne, az eredetit Sankyo Sanyo, nem gyártja már régóta.
A relén mérhetsz, ott se lehet féltápfesz, a morze érintkezőkön, egyébként relé nem szokott tönkremenni.
akitől vettem mondta hogy hallgasam meg amikor kapcsolom be a hifit hogy kattan-e egyet a relé és nem kattan :/ lehetséges hogy az szált el benne? lehet azt cserélni?
sziasztok
Van nekem egy SABA ULTRA HiFi 9120 Szereo erősítőm. Hol kaphatnék hozzá potmétereket mert ami benne van az szétment. A képet mellékelem az erősítőhöz. Már kerestem egy-két üzletet, de mindenhol csak nemleges választ kaptam. Érdekessége a tolópotinak, hogy 5 cm a csúszka hossza, és oldalanként (sztereo poti) van egy-egy plusz kivezetése. 2x100kohm a hangerő poti. 2x25kohm a hangszín poti.
Üdv mindenkinek!
Van egy Unitra ws432 erősítőm, az egyik végfoka teljesen zárlatos volt, a két bemeneti tranzisztor kivételével az összes tranyót cserélni kellett, és a 0,47 ohmos ellenállásait, mert el voltak égve. Most már működőképes. Ennek a javított végfoknak nem teljesen 0V a kimenet, hanem 0,6V. A másik végfok kimenete 0,02V. Kérdésem a következő: Ezt a hibát okozhatja a két 0,47 ohmos ellenállás, hogy a kettő nem teljesen lehet egyforma? Illetve a nyugalmi áram beállítására tud valaki pontos értékeket?
A probléma inkább a cserélt tranzisztorok bétájának szórósából adódhat mintsem az emmiter ellenálásokéból. Ha a másik oldal működésbelileg hibátlan akkor elég ha ez után állítod a nyugalmitigy (a kimeneti feszt ) a másik oldalon is. Bár működésbelileg nem fog problémát okozni az sem ha a kimeneti marad 0,6 v on.
Sziasztok!
Már egy ideje meghibásodott a keverőerősítőm, csak mostanra már elég zevaró lett a hibája és nem tudom rendesen használni. Megróbálom leírni néhány szóban a hibáit, hátha körvonalazódik a probléma, illetve ha tudtok valamilyen szakembert vagy szervízt akkor írjátok le légyszíves! Az erősítő típusa: http://www.thomann.de/gb/tmix_pm600_powered_mixer.htm Lassan két éves, most már több hibája is van: A 6-os csatorna hangerőszabályzója nem működik, ha bekötök valamit a csatornába, az előfok a legnagyobb álláson erősíti a jelet, hiába tekerem akár nulla állásba is a potmétert. Következő hibája, hogy a hátoldalán levő RCA bemenetek elvileg sztereó bemenetek, el vannak különítve egymástól, régen próbáltam is, ha egyik bemenetről kihúzom az RCA csatlakozót, csak az egyik oldali hangszóró szólt. Most viszont ha bármelyik bemenetre is kötök egy RCA csatlakozót, az mind a két oldalon szól, nincs semmi féle sztereó szétválasztás. A harmadik és egyben legnagyobb problémája az erősítőnek, hogy torzít, ha mikrofont kötök be és éneket hangosítok, akkor nem, vagy ha billentyűs hangszert kötök be akkor sem, de ha pl már basszusgitárt vagy akusztikus gitárt kötök be, XLR vagy jack csatlakozóba, mindenhogy torzít egy kicsit magasabb hangerőn, régen ezzel sem volt probléma, egyáltalán nem torzított kihajtva sem. Külön, más erősítővel kipróbáltam a hangfalakat és nem torzítanak, tehát nem a hangfalak a hibásak. Üdv: Barna
Sziasztok!
Már egy ideje meghibásodott a keverőerősítőm, csak mostanra már elég zevaró lett a hibája és nem tudom rendesen használni. Megróbálom leírni néhány szóban a hibáit, hátha körvonalazódik a probléma, illetve ha tudtok valamilyen szakembert vagy szervízt akkor írjátok le légyszíves! Az erősítő típusa: http://www.thomann.de/gb/tmix_pm600_powered_mixer.htm Lassan két éves, most már több hibája is van: A 6-os csatorna hangerőszabályzója nem működik, ha bekötök valamit a csatornába, az előfok a legnagyobb álláson erősíti a jelet, hiába tekerem akár nulla állásba is a potmétert. Következő hibája, hogy a hátoldalán levő RCA bemenetek elvileg sztereó bemenetek, el vannak különítve egymástól, régen próbáltam is, ha egyik bemenetről kihúzom az RCA csatlakozót, csak az egyik oldali hangszóró szólt. Most viszont ha bármelyik bemenetre is kötök egy RCA csatlakozót, az mind a két oldalon szól, nincs semmi féle sztereó szétválasztás. A harmadik és egyben legnagyobb problémája az erősítőnek, hogy torzít, ha mikrofont kötök be és éneket hangosítok, akkor nem, vagy ha billentyűs hangszert kötök be akkor sem, de ha pl már basszusgitárt vagy akusztikus gitárt kötök be, XLR vagy jack csatlakozóba, mindenhogy torzít egy kicsit magasabb hangerőn, régen ezzel sem volt probléma, egyáltalán nem torzított kihajtva sem. Külön, más erősítővel kipróbáltam a hangfalakat és nem torzítanak, tehát nem a hangfalak a hibásak. Idézet: „hogy a hátoldalán levő RCA bemenetek elvileg sztereó bemenetek, el vannak különítve egymástól, régen próbáltam is, ha egyik bemenetről kihúzom az RCA csatlakozót, csak az egyik oldali hangszóró szólt” Idézet: Ezek szerint mono erosito, tehat ez mar nem is hiba. „ the t.mix PM600 powered mixer - 1x 150W/4Ohm”
Igen, vallóban 1x150 watt-os, de két kimeneti csatlakozó van hozzá a hangfalakhoz, és régebben, ahogy írtam is sztereóban működött.
Tehetsz te egy MONO erősítőre akár száz hangfalcsatlakozót is attól még nem fog sztereóban szólni ami MONO a az is marad .
Ez már csak szőrszálhasogatás. Akkor leírom részletesen:
Monitorozásra használtam, mint végerősítő, ami meghajtja a hozzá adott két hangfalat. A keverőpultom egyik monitorútját bekötöttem az egyik RCA csatlakozóba, a sztereó csatorna bal bemenetére, a másik monitorútját pedig a másik RCA bemenetre, azaz a sztereó csatorna jobb bemenetére. Ezzel a megoldással függetlenül tudtam működtetni a két hangfalat mint két külön monitor. Leírtam hogy sztereóban működött, átverni senkit nem akarok, hülye pedig nem vagyok, ha segíteni akartok akkor valami számomra hasznos információt írjatok!
Hello,
Adatlapja alapján ez egy monó erősítő. Azért van rajta 2db csatlakozó a hangládák részére, mert paralel van kötve(2x8 ohm=4 ohm). A sztereó jelet monósítja a RCA bemeneten... Monó cuccon nincs balance/pan szabályzó sztereón van!! Egy Samson mixerem van ami monó végfokból hajtja meg a ládákat. Szintén van rajta piros és fehér RCA csati (aux bemenet)és 2db kimenet a hangládák felé...(mind monó). A legjobb ha szétszeded és megnézed hogy sztereó a végfok vagy sem...
Sziasztok!
Bocsánat, hogy nem pont a megfelelő helyre írok, de gyors segítségre volna szükségem. A SONY STR-DE475 házimozi erősítőmhöz keresek távirányítót. Adnátok ötletet hol szerezhetnék be egyet és ha lehet olcsón? Nagyon szépen köszönöm a választ.
Sziasztok!
Yamaha rx650 tápfeszültség csak + - 33.3 volt. AC 70volt. Rajzszerit +- 44.6 voltnak kell lennie. A hiba minden csatorna egyformán torzít, a rádió is. Lehet gond a táp? Üdv: Géza
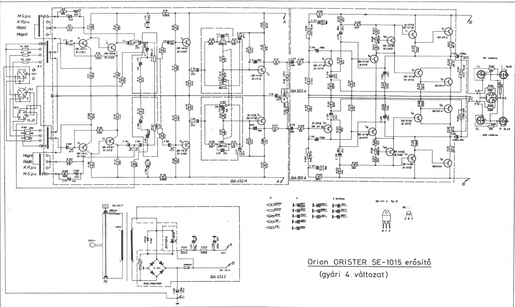
Üdv mindenkinek.A segítségeteket szeretném kérni.Van egy Orion Orister 1015-ös erősítőm,és úgy nézki hogy nem csak a végfokok hanem a trafó is elment benne.A trafó bemenetén bemegy a fesz. de a kimenetén már nemtudok mérni semmit.próbáltam kimérni az ellenállását de csak az egyik felén van egy kicsi.Valószínűleg szakadás van benne.Mit ajánlotok?Szerezzek egy másik trafót,vagy dobjak össze neki valami féle tápegységet?Elvileg 20V és 32-38V kellene.Mellékeltem egy kapcsolási rajzot.Előre is köszi.
Sziasztok.A címbe szereplő Hi-Fi-be most lettek kicserélve a végfokok.Valahogy csak a fülalgató kimeneten van hang hátul a hangszórókon nem...végfokok melegszenek normálisan (AN17850A 2 db) ...a fülalgató kapcsolója jó......Tudd valaki megoldást mondani ez ügyben?Előre is köszönöm a választ.
Hello mindenkinek!
Yamaha R-3 rádiós erősítőmmel adódott probléma, ezzel kapcsolatban szeretnék néhány tippet kapni. ![]() A hibajelenség: Bekapcsolás után ( koppanásgátló is bekapcsol) rövid idővel erős brrrr hangot lehet hallani a hangszórókból a hangerő 0 állásában is rövid ideig, majd a védelem kikapcsolja az erősítőt. Ha azonban a hangfalakat leválasztom indítás előtt, és várok kicsit a bekapcsolás után, majd újra bekötöm a hangfalakat akkor nincs probléma. Az erősítő is meg a hangfalak is 8ohmosak! Üdv chili
Helló!
A JVC 5.1-es házimozi erősítőm M61501FP számú Ic hibás lett, kérdezném, milyen készülékekben található meg. Új megvásárlása ára miatt kizárt, külföldről meg nem rendelek, mert bizalmatlan vagyok. Az Aiwa av-D58 ban és a JVC RX E- 100 ilyen van, remélem, tudtok még majd ilyen készülékeket felsorolni. Mert manapság igen olcsón lehet venni hibás, használt, elektronikai cikkeket, egy ilyen készülékből kivenném, talán sikerülne megjavítanom. Ha valakinek bontott panelon, vagy elfekvőben van egy ilyen IC-je érdekelne, persze ha árban reális. Üdv, mindenkinek.
Sziasztok!
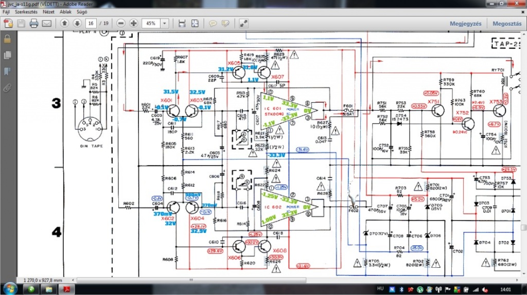
Adott ez az erősítő (JVC) a következő problémája volt a 602-es IC elszállt.Ezt kicseréltem és kb 5 percig 5-ös, 6-os hangerőn szólt és megint elszállt. Vettem bele egy új IC-ét, egyenlőre most működik, de az IC körül lévő feszültségek eltérnek. A C608, C607, C606 és a C604-es elektrolit kondik ki lettek cserélve. Az R602-es és az R601-es ellenállás egyik lába ki lett forrasztva, hogy az előerősítő ne zavarjon be a mérés során.A rajzhoz még annyit, hogy a C603-as kondenzátor + lábánál 50mV míg a C604-es kondenzátor + lábánál 450mV mérhető. Mi lehet a baja egyenlőre nem merem meghajtatni nehogy megint elszálljon az IC. valamiért nem sikerül fotót csatolnom pedig csak 1,6MB A hozzászólás módosítva: Nov 11, 2012
Ha minden igaz akkor sikerült képet csatolnom.
Szia! F602-őn (IC kimenet biztosítéka) mekkora a feszültség, és milyen polaritású testhez képest.
X602 és X604 mindegyikén 600mV körüli feszültségkülönbségnek kell lenni B-E között. Biztosan jól mértél? C604-R602 találkozását (bemenet) kösd testre, mert zavarjelek szűrődhetnek be. |
Bejelentkezés
Hirdetés |
















