Fórum témák
» Több friss téma |
A kapcsolás rossz!
A baj az, hogy a ventit a táp (+) és a tranyó kollektor-a közé KELL tenni! üdv
Sziasztok!
Nekem lenne egy STK-496 os erősítőm amihez szeretnék ilyen ventis hűtést... Nos az Ic be alapból be van építve egy PTK és ehez kéne egy kapcsolás de amit találtam eddig az mind NTC vel volt megoldva! Ha lenne valakinek ötlete ezzel kapcsolatban azt nagyon megköszönném! Üdv: Ádám
Hali nekem ez a kapcsi jött be ahogy melegszik az IC (és vele párhuzamban a borda)ugy pörög fel a ventillátor. Nekem ilyen dolgozik az erősítőkben és eléggé megbízható.
Na akkor egy nonplus ultra verzió ahol is a termisztort egy állandó áramú áramgenerátor hajt meg, hogy az átfolyó áram ne melegítse a szenzort. (pontosság)
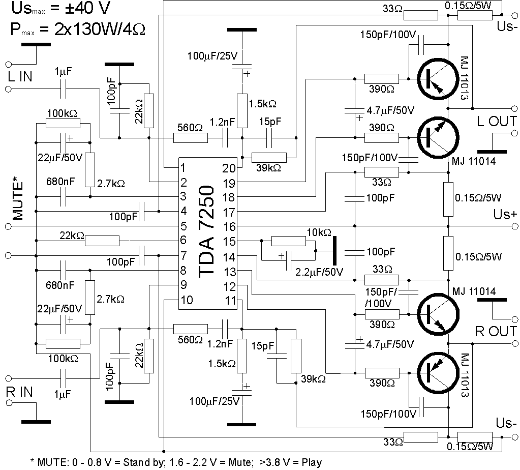
Hello! Ennek az erősítőnek hova tegyek hűtést mi igényli tranyó estleg IC a rajzból nem nagyon jöttem rá!
THX előre is
Az IC egy jó nagy hütőt a 4tranyó(vastag) meg egy kisebb hütést sztem...
Hogy tudnám megoldani az IC-re a hűtést hogy jó legyen értem ezen a felfogatást
Hali!
Mivel az IC "csak" egy meghajtó, így szerintem nem nagyon kell hűteni. Nincs is rajta hűtőfelület se. Viszont a tranzisztoroktól ne sajnáld a bordát, és a szigetelést sem. Üdv.
Hello vtsoftware!
Látom te is Vásárhelyi vagy lehet hogy ismerjük is egymást De a fórumon nem "kő" hanem "kell" szavat használd lécci. Ja és a BD249/250 pont nem IC hanem tranzisztor! Különben egy 200X100mm-es bőven jó nekem is az van rajta, én speciel lomexba vettem, de multkor volt az echophone-ban is vmi hűtőborda akció...
És ne "szavat", hanem "szót"....hamár nyelvészkedünk
EMBEREK! Olvasni
XXVII §. Ha egy hozzászólást csak azért írunk meg, hogy kritizáljuk a másik mondandójában talált helyesírási hibá(ka)t, ne küldjük el. Vagy minket küldenek el, de melegebb éghajlatokra. A fórumozók nem szeretik az önjelölt nyelvtanszakértőket. Meg azokat is persze, akik képtelen leírni normálisan egy mondatot, de ez most egy más téma.
Hi
nem akarok bele vau-vauzni, de anno még tizenévvel ezelőtt a Vágónak meg a Grécsi nek volt az álljunk meg egy szóra című műsora és emlékszem, hogy kivesézték azt, hogy mind a kettő helyénvaló, inkább azt mondanám a "szavat" nem divatos, én se használom üdv
A tranyóknak mekkora hűtőbordára van szükségük és hol kapható pici pénzért
Idézet: Borda vagy tranyó? Budapesten, vagy mindegy hogy hol, vagy ahol te lax? „hol kapható pici pénzért”
Tisztelt borvendég Én nem csodálkoznék, hogy melegebb, mint amennyire kellene.
A hideg levegő mivel nehezebb, felről. lefelé áramlik. A meleg mivel könnyű, lenről, felfelé áramlik. Jobbról balra (vagy balról jobbra) a levegő, csak huzatba, áramlik. Te a huzatra számítasz legalább is ahogy a külsőborda, fel van rakva. A panelón lévő borda: Itt nem tudom, mi volt a szándékod. Mert ha ventilátort teszel a bordára, akkor is egyik irányba a levegő nem tud áramolni ( külsőborda lezárja, levegő szabad áramlását). Itt megtalálsz egy jó leírást a hűtőborda méretezéshez. Nyisd meg a” dc ac inverterek,doc” –ot majd keresd a 7 oldalon a Hüttőborda című fejezetet. Nagyon jó leírás. A végén van egy forrás hivatkozás. „A hűtőbordák méretezését innen vettem” ott is sok minden le van írva, de Angolul. Bővebben: Link
Hello!Hűtőborda és Csökmőn lakom!
Hi
Megcsináltam ezt http://www.hobbielektronika.hu/kapcsolasok/12v-os_ventillator_szaba...z.html De nem akar működni, BD139 helyett BC546Bt tettem bele, de nem vettem észre, hogy ennek más alábkiosztása, és a Collector felvolt cserélve az Emiterrel, a ventilátor állandóan ment, aztán észrevettem és hylessen bekötöttem, de a ventilátor szintén állandóan pörög, a 6os lábon 9Vot mérek, hiába csavargatom a trimert. A feszültségosztók, jók lemértem őket, 3as lábon változik a feszültség, a 2es lábon pedig stabil 6V. Tonkrement volna a tl071? Az 1000µF es kondi helyett is csak 100uFet raktam az probléma lehet?
Hali!
Az oldalon lévő kapcsolás nem kapcsolgatja állandóan a ventit? Szvsz kéne a kimenetről egy visszacsatolás (hiszterézis komp.)
A BC546 csak 100mA bír a BD139. 1,5A helyett. Milyen ventilátort használsz? Mert a BD is csak 8W visel el. Lehet, hogy át égett. ( sőt bisztos ) A bázisra menő ellenállást kiszeded, a ventilátor továbbra is forog akkor cseréld le BD139 –re. Vagy nagyobbra.
IC ellenőrzése: Ha márt úgy is kivetted az ellenállást, mérjél a negatív táp és a IC 6 lába közt feszültséget. Ennek változni kell, a poti helyzetétől és a szenzor hőmérsékletétől, függően. A kondi szerintem nem befolyásolja, jelen pillanatba, 100µF is kellene működnie.
A BC546 jónak tűnik, mert ha a bázist lekötöm (levegőben lóg akkor nem megy a ventilátor. Az ICt kicseréltem, de így is 10 - 10.38 Vközött változik rajta a feszültség, anak fügvényében h a potméter merre van tekerve, vagy a NTK milyen hőmérsékletű. A 6os lábon.
Helló!
Meg szeretném épiteni ezt: LINK Nem kaptam 1K-os termisztort, hanem csak 10K-as. Kérdésem az, hogy ezzel hogy fog működni a kapcsolás?
működik, 1K -s trimer helyet akkor 10K-s kell.
Üdv
Köszi!
Hy
Bocs hogy ide irok de nem akartam uj témát nyitni. Megépitettem egy ventilátor vezérlőt: http://www.hobbielektronika.hu/kapcsolasok/szamitogep_tunningolas_i...o.html Egy darabig rendesen müködött de most valamiért feszültségingadozás van. Világitós venti van rákötve és lehet látni hogy hol erösen világit hol gyengén(még hallani is lehet hogy felpörög néha) szerintetek mi lehet a probléma? A feszültségstabilizátor hütve van hütöbordával és nem melegszik. Válaszotokat elörre is köszönöm.
Sziasztok!
Teljesen nem értek hozzá, azért teszem fel a kérdést, s kérem szépen segítségeteket. A TV-állványunk hátuljára szeretnék felerősíteni egy 220 V-os ventilátort, de nem kívánom teljes fordulatszámon üzemeltetni. Megoldható-e a venti fordulatszámának szabályozása egy olyan kapcsolóval, amivel csillárok fényét szokták szabályozni? Nem, nem az az érintgetős izé, hanem egy kerek kapcsoló - gondolom én potméter - amit ha megnyomok üzemel, s ha tekergetem, állítom a kapcsolóból kimenő feszültséget. Rettenetes dolgokat olvastam itt a fórumon, tranzisztorok, relék, IC-k... $egghülye vagyok a dologhoz, tehát a létező legyegyszerűbb megoldást keresem egy erősítő hűtéséhez. Nem szeretném magát az erősítőt hűteni, csak a TV-állványba gondoltam, hogy betrombitálok egy kis levegőt. Van az erősítő hátulján egy 220V-os kimenet, ami csak akkor kap áramot, ha az erősítőt bekapcsolom. Arra gondoltam, hogy ezzel oldanám meg az áramellátást, s a szekrény hátuljára feltennék egy ilyen csillárkapcsolót, mellyel szabályozhatom a fordulatszámot. Írjátok meg nekem legyetek kedvesek, hogy van-e bármi anomália, ami miatt esetleg nem működne ez a dolog. Köszönöm szépen. üdv. -f
Sziasztok!Már régen volt hozzászólás ehhez a témához, de most egy biztos lesz
A segítséget a következő problémához kérem: Van nekem egy 15 kohm-os termisztorom,ami a hűtőbordára szerelhető.Ehhez a termisztorhoz szeretnék egy fordulatszám szabályzó kapcsolást ventilátorhoz.Minnél magassab a borda a hőmérséklete annál gyorsabban pörögne a venti. Ragaszkodok ehhez az ellenálláshoz . Kapcsolást vagy linket adjatok. Köszönöm! |
Bejelentkezés
Hirdetés |









THX előre is

De a fórumon nem "kő" hanem "kell" szavat használd lécci. Ja és a BD249/250 pont nem IC hanem tranzisztor! Különben egy 200X100mm-es bőven jó nekem is az van rajta, én speciel lomexba vettem, de multkor volt az echophone-ban is vmi hűtőborda akció...
)





