Fórum témák
» Több friss téma |
Valamiféle kapcsoló lehetett mozgórész nélkül. Vezérlőjel hatására kapcsolt. Német szöveget ha lefordítod szerintem rájössz.
Szia!
Rajzold vissza, nem bonyolult áramkör. Ha megvan a kapcsolási rajz, akkor megérted a működését és abból már megvan mire használható.
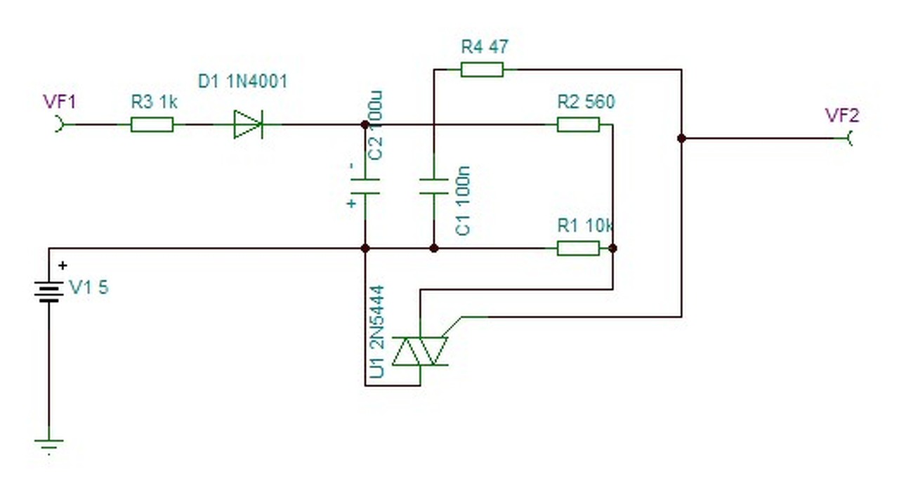
Visszarajzoltam ez van nyákon
A hozzászólás módosítva: Okt 4, 2014
Szerintem a TSOP1738 jó lenne helyére. A Lomex -ben TSOP4838 kapható, de eltérő a lábkiosztása.
Sziasztok! Remélem jó helyre írok. ,,fordításban" kellene segítség egy kicsi. Van egy orosz diódám, találtam is adatlapot de nem tudok oroszul... nekem a 2d213b van.
Szilícium duffúz dióda, 100 kHz-ig. Nyitóirányú feszültség 10A esetén maximum 1V, tipikusan 0,85V, ez a betűjelek orosz abc szerinti növekedésével nő kb. 1,7V-ig. Visszáram legfeljebb 0,2mA 25C fokon. 90-500 ns kapcsolási idő. impulzusfeszültség tűrése 100/200V. 10A effektív áram, 125 fokon csak 1A-3A. 10ms impulzus 100A lehet. Réteghőmérséklet 130-140 fok lehet.
A betűjelzés amit írtál, nem egyértelmű, lehet B, és lehet V is. A hozzászólás módosítva: Okt 5, 2014
Köszi szépen! Nekem B-s verzió van. A másik kérdésem: mire használják ezeket a diódákat?
A cirill abc-ban a latin abc B betűje V-nek olvasandó. A Б a latin B megfelője. Ezért dilemmázok.
![]() Leginkább akkutöltő alkalmazást tudok elképzelni velük.
Latinba ,,átírva" B ami nekem van. Szóval NEM a V, hanem a B verzió van.
Középen helyezkedik el a nyitófeszültsége, 1,2V körül, és 200V a zárófeszültség.
Sziasztok!
Az első képen látható alkatrészről szeretném tudni, micsoda. Az alkatrész teszter kondenzátornak azonosítja (77,46uF) de szerintem inkább valamilyen diódának kellene lennie. Sajnos semmit sem láttam a felületén, ami árulkodhatna még egész nagy nagyítás esetén se. A második képen látható "Carisma RES-50268 Mini Receiver FET ESC Servo Controller"-ben található egyébként, ami kapott egy pár másodpercig 30V tápot a normál 7,2V helyett.
Simán lehet kondenzátor. Nekem is van két maréknyi ilyesmi üvegcsöves kondim.
Mivel egy elkóval volt párhuzamosan - és az előzményeket ismerve - én zener vagy hasonló határoló/védő diódára tippelnék.
77µF kapacitás nem létezik ekkora méretben...
Ez egy DIAC (illetve supressor), mérj rajt nyitófeszültséget mindkét irányban; ~1-2mA árammal.
Sziasztok!
valaki tudna némi információt szolgáltatni nekem egy diódáról? Nevezetesen ez van rajta, hogy D6J. Kb. fele egy 1N4007-nek és kék színű a negatív oldalt jelző csík. Mekkora feszültségű és áramú dióda ez? Köszönöm! Üdv.!
Szia!
Miben van ez a dióda? Hol helyezkedik el az áramkörben?
köszi, az ebay - en van teljesen típus azonos is. A rendelgetést szerettem volna megúszni. Nem hiszem el hogy ilyen mezei cucc nincs itthon sehol. Még vadászgatok..hátha.
Szóval a bekötésére. Valamint, hogy a kulcs mire való? Van két alapon nyitott érintkezős érzékelőm, szirénám, megtudnám oldani a két zónás védelmet? A time- ra mit kell kötni? Esetleg a program jumper mit jelent? A BEL +; -; ?
Egy autó generátorának feszültségszabályzójában. A zener dióda előtt és után is van egy-egy ilyen és még egy ellenállás is. A harmadik pedig a gyújtás csatlakozás után van egy ellenállással, ahonnan megy az áramkörbe és ezeknek a túlvégére kapcsolódik a generátor R (vagy D+) kivezetése is.
A kulccsal élesíted / hatástalanítod a riasztót. A már meglévő 2 db alapban nyitott kimenetű érzékelő ha passziv infra, akkor 100% hogy ha tápra rakod akkor normál állapotban zárt kimenetűnek méred majd.
Ezt próbáld ki mert a riasztó központok (a régiek, az újaknál ez már programból választható...) NC -s érzékelőket várnak a bemenetükre. A time valószínűleg a késleltetett zónája lehet, a program jumperről lövésem sincs mert ez egy full analóg központ, programozni semmit nem lehet rajta... A BELL + - a sziréna kimenet, akkor aktív ha a riasztó jelez. A hozzászólás módosítva: Okt 6, 2014
A lábkiosztása tök más, de amúgy jónak nézem.
Igen én is úgy látom jó lesz, bár a támogatott kódokból ( NEC, Sharp, C5, C6..stb) az utángyártott kevesebbet ismer... 250 HUF ért megér egy próbát lesz ami lesz, a lábkiosztás meg a legkevesebb.
Köszi!
Olvastad? Az adatlapja teljesen megegyezik a TSOP1738 -éval.
Annyit tudok még róla, hogy ha kimérem a multiméter diódateszter részével, akkor 632-638-at mutat a műszer.
Sorry, átugrottam véletlenül a hozzászólásodon... Köszönöm a segítségedet, meg is rendeltem a lomextől. Ez lesz a tuti! Köszi még egyszer!
Köszönöm, a kulcs az négy állású. Hogy mely vezetékeket kapcsolgatja azt még ki kell mérnem, ha meglesz esetleg többet fogok tudni. Lehet, hogy te is többet tudsz mondani. Köszönöm szépen!
Tiszteletem Uraim!
Tönkrement egy traktor fűtőmotor áramkörében egy 240KR1C4305 (ennyi van ráírva) termikus hőbiztosíték.Kerestem az írás alapján,de a gugli nem volt a barátom.Találtam sok alkatrész kereskedésben hasonló biztosítékokat,de nem igazán tudom,hogy az eredeti milyen hőfokot és áramot bírhatott.Ha valaki tudna segíteni adatokkal vagy bármi infóval, azt nagyon megköszönném. |
Bejelentkezés
Hirdetés |









Ezt próbáld ki mert a riasztó központok (a régiek, az újaknál ez már programból választható...) NC -s érzékelőket várnak a bemenetükre. A time valószínűleg a késleltetett zónája lehet, a program jumperről lövésem sincs mert ez egy full analóg központ, programozni semmit nem lehet rajta... A BELL + - a sziréna kimenet, akkor aktív ha a riasztó jelez. 



