Fórum témák
» Több friss téma |
A téma átmenetileg fagyasztva lett, hozzászólni nem tudsz!
A C5-nek talajon a helye, de a tápfesz is hidegpont, tehát végülis működhetett úgy is. (magasabb hangokat vágja, ami mozinál elő sem fordul a jelben - szerintem nem kell az oda, ha jobb átvitelt akarsz).
Az EF rácslevezetője R2, az ECC bal felének pedig a poti. Mint már említettem, ez nem szabályozza az EF felől jövő kivezérlést, hanem bekeveri a 21mV-os jelforrást - pl hangbemondás idejére. És ilyen bekötésnél a poti esetleges kontakthibája sem befolyásolja a rácselőfeszt, legfeljebb serceg a 21mV-os csatorna fel-le keverésénél. De az is lehet, hogy a 21 mV egy szabályzott kimenet valami más célra. Nem értem az "első egyenirányító" kifejezést... 1db van belőle. Annak csak egy fűtése van, hogyan izzhat jobban? Talán az egyik anód izzik? A hozzászólás módosítva: Aug 1, 2015
Igen, ezt beszéltük. Aztis, hogy dupla Ez81 van benne. A bemenetet változtatnám. Az EF triódába lenne kötve, és annak a rácsára lenne fűzve a hangerőpoti. Itt a kérdés azlett volna, hogy mekkora s miként. Mindenképp rajzolok a közeljövőbe..
A hozzászólás módosítva: Aug 1, 2015
Jólértelmezem, hogy ígykell triódába kötnöm? Az anódközösítést az enyenirányítónál ígycsináltam. Azzal a különbséggel, hogy én a két szélső tekercskivezetést vittem az anódokra, és a középső közös rész a gnd. Gondolom az mindegy. Mekkora potit használjak? Külön köszönöm, hogy fáradoztál a rajzzal.
Azért "hiányzik" ,mert eredeti helyükön a rack-on belül kerül gnd-re az egyik szek. kivezetés.
Az én rajzomon van triódába...Amit rajzoltam úgy kösd össze.
A hozzászólás módosítva: Aug 1, 2015
Abból botrány lesz, ha a fékezőrács anódra kerül... g3-nak katódon a helye trióda kapcsolásban is.
Értem. Az gond, ha ebben a fiókban is gnd -re rakom? Aztmondod 1M potit nézzek. Hmm.
220nF hogyan jött ki? 100n nemjó helyette? Csak egy kérdés.. Kösz, hogy szombat ebédidőben is velem foglalkoztok.
Onnantól, hogy megvan a saját rácslevezető ellenállás, szinte bármilyen értékű lehet a poti 50k-tól. Ezt csak a jelforrás "látja" terhelésként.
Igaz nem túl jó az ef rajza,de ezért írtam oda a lábak számait.
A lábak számai megegyeznek a rajzéval. Amit Sebi linkelt, ott katódra kötik a 8 -as lábat. Akkormost, hogy -mi? : )
Állapodjatok meg, hogy tudjam énis mivan. ![]() Sebi: akkor ezekszerint a rajzon is triodában van? A hozzászólás módosítva: Aug 1, 2015
Lehet hogy botrány lesz,de akkor is működik.A neten szerepel mindkét kötéssel,és tudom,hogy működik,mert megépítettem.triodemode
Akkor a potméter annál jobb, minél kevésbé terheli a külső jelforrást? Hogyvan ez?
Van erre valami szabvány? Huzal volt benne. Igazából olyan kellene, ami szigetelt a sasszitól. 1M írtál. 330k? Ezt már linkeltem. Nemmondtatok rá semmit. A hozzászólás módosítva: Aug 1, 2015
Ezvolt benne. A tengelye lötyög, kivan száradva. Múltival jó, szkópon biztosan recsegne.
A hozzászólás módosítva: Aug 1, 2015
Bevallom, ilyet még nem láttam, régen ez nem volt divat... Nem tudom mi vezette a tervezőt, mert a g3 - fékezőrács - ebben az esetben anódként működik, hiszen hamarabb éri el őt az elektronfelhő, mint az anódot. A szekunder-emissziót volna hivatott gátolni, de azt csak a katódra - vagy más hideg pontra kötve tenné. Egy cső sokféleképpen képes a működésre - tönkre tenni sem könnyű, ha szét nem fűtjük - szóval ki lehet próbálni.
R15; R16 2W - 10k 3W. Ez ami most nálam megtalálható. Sebi aztmondja nemvolt ilyen, te aztmondod összeraktad ezzel. Eddígis sok igaz volt abban, amit mondtál. Akkor másolnám amit írtál.
Rendelek 330k potikat, és átkötöm triódába ahogy írtad. Kellene EF oda? Nemigazán, vagy? HA nem, fura, mert nagyon kicsi a jelszint ami bemegy El34 -hez. Valószínű beálítás. Potikat, kondenzátorokat megrendelem. Rajzolnátok, hogy hol -mit mérjek? Fontosvolna. Elég egy pont is a kapcsoláson. C4, 1500uF, 63V? A hozzászólás módosítva: Aug 1, 2015
miért is mondtam volna eddig zöldségeket![]() Ahogy Sebi is írta,a bemenet elé jó akár 50K-s logaritmikus poti is. Persze,hogy kell az EF cső,különben nem lenne elég fesz. meghajtani a végét.De nem muszáj pentódát használni,pl egy ECC83-as kettőstriódát is tehetsz(neten ezer+1 rajz található). A C4-sem kritikus,100µF is jó már oda,persze változik a cső beállítása. Ha már azért szólogat a kapcsolás normálisan,akkor az imént vázolt rajzba irkáld be a fesz.értékeket,s majd mondjuk,hogy jó-e vagy sem.
Köszönöm mégegyszer. Kézhezkaptam. Ugyanolyanok.
Köthető bárhová. Addig nincs vész, amíg az anód magasabb potenciálon van. Ugyanez igaz a segédrácsra is. Viszont ha az anódhoz kötöd, akkor elveszíti a funkcióját.
Triódának kötött pentódák Itt elemzi a különböző eseteket. A konklúzió, hogy legkedvezőbb eset ha katódra köti az ember.
Nálamis így lenne kötve gyárilag, vagy csak beleképzelem..?
Ahol ellenállás van, ott "légyen" kondenzátor is a "testre"...
Nem kell, mert nem tápról jön a 100 ohm és betámasztana váltóáramúlag az anódnak = magashang vágás.
Először bekötöttem ahogy itt tanácsoltad. Nagyon halk volt még teljes hangerőnél is.
Utána úgy, ahogy a legutolsó beszúrt képemen volt. Ottis ugyanolyan halk. 170V az anódfesz. Több csővel is próbáltam.
Tápláld meg C2-t a poti csúszkájáról. Tekerd nullára. Vezérlésnek a próbához jó az ECC fűtő tekercse - annak a közepelése megvan potival a talaj felé - az egyik végét kösd a poti végére.
Műterhelést a kimenetre, műszert rá és a potit lassan feltekerve adj neki vezérlést. Azon a ponton - a régi rajz szerint 2,3V hangfrekis váltó kell a 20W kimenőteljesítményhez. Így eldől, hogy a végfoknál rendben van-e minden, aztán majd megnézzük az EF-et is.
Válaszoltál még írtam. Betápláltam C2 pontjára a jelet külön csatolókondival. Kb 77* hangosabb. Nagyon szépen szól.
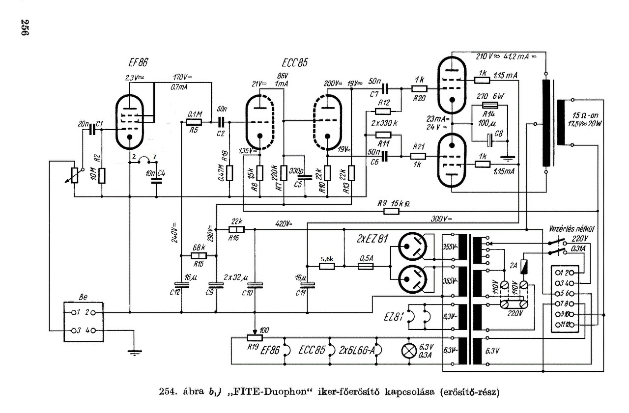
Az EF katódárama 2mA. (3V - 1500 ohm ). Valahol eltűnik ott a jel. Biztosan rosszul lesz bekötve. lecserélni nemszeretném, mert a keszülék alu tábláira mindenhová ez a cső van szitázva.. Most eszerint a rajz szerint van kötve. A hozzászólás módosítva: Aug 2, 2015
Pompás!
Azért, ha van műterhelésed, végezd el a fenti mérést, lássuk milyen értékek adódnak (anódon, katódon DC-t, majd anódon AC- is mérj - mondjuk 10W kimenőnél Nyilván nincs hanggenerátor a közelben, de most megfelel az 50Hz is - az is jel...
Mire vagy kíváncsi? Van generátorom, de ebből csak max zaj derül ki. Nemde?
Egy kedves barátom eztírta. Idézet: . Lehet benne valami? MErt akkor inkább még megpróbálnám ezt utoljára. „G1 bemenet, G2 470k val a tápra (az ef anódellenállása ELÉ), G3 katódra” A hozzászólás módosítva: Aug 2, 2015
Az hogy szépen szól - egy dolog. De ha ennyit ráfordítottál, akkor már érdemes megmérni, hogyan állnak be a feszültségek. Valójában mennyi az annyi? Akkor generátorról toljál neki 6-800Hz-et, addig, míg a kimeneti műterhelésen 10W-nak megfelelő feszültséget mérsz. Ehhez a teljesítményhez tartozó vezérlő feszültség érdekel (elvileg 1,15V a C2-re)
Úgy akkor pentódának van kötve. Kösd be az eredeti rajz szerint, azon is úgy van. A hozzászólás módosítva: Aug 2, 2015
Nekem a gondom, hogy eltűnik az EF -en a jel. Rosszul van bekötve. MOst ebben az ötpercben azon filózok, hogy kössem még át úgy ahogy az imént írtam, vagy méregessek C2 -őn. Nemértem az összefüggést a problémám és a te ajánlott méréseddel kapcsolatban. Ez lehet az én tudásom hiányosságából adódóan ( biztosan) , vagy azért mert lemaradtál ismét..
![]() Mérni akkor szeretnék, miután a kábelezés jó ( ez most az első célom). Bekötni eredeti rajz szerint, nekem 2 órát tart mínimum. : D Ahogy az előbb írtam egy lehetséges megoldást az csak 10 perc. A hozzászólás módosítva: Aug 2, 2015
|
Bejelentkezés
Hirdetés |












miért is mondtam volna eddig zöldségeket




