Fórum témák
» Több friss téma |
Ipari 230V-as dugvillát kell használni. A HT nem birja.
Igen. Először én három fázisú freki váltóra gondoltam.
Ezt meg tudnád indokolni. Szerintem tök mindegy. Graetzre megy, ha van előtte szűrő az meg szimmetrikus.
Sziasztok.
Kellemes ünnepeket kivánok mindenkinek. Lenne ismét egy kérdésem egy Yaskawa V-1000-res váltóval kapcsolatban. Több gépet üzemelek róla úgy hogy több dugaljam van amik mágneskapcsolôkkal vannak szétválasztva. A kérdésem az hogy valahogy megoldható hogy 2 potméter legyen a váltón? 1-1 géphez lenne kihelyezve a potméter. Az sem volna baj ha a két potméter természetesen hügne egymástól. Köszönöm szépen a válaszokat. Szép napot.
Üdv.
A minden mágneskapcsolóval működtetsz egy relét ami átkapcsolja a potmétert.
Milyen igazad van,köszönöm szépen.
Ennél nincs és nem is kell egyszerűbb megoldás szerintem.
Akkor ha jól értem plusszba beteszek a 2db mágneskapcsoló behúzójával párhuzamba 1-1db relét aminek az érintkezőivel kapcsolgatom hol az egyik hol a másik potmétert.
A behúzótekercsek 230v-osak.
Igen.
Vagy a mágneskapcsoló segéd érintkezőjével kapcsoltatom a relét. Akkor viszont lehet másmilyen feszültségű relé.
Kis méretű 230V-os relé létezik olcsôbb fajta?
A potmétereknek gondolom elég a két szélső szálát kapcsolni.
Igen itt a apróhirdetésekben is szokót lenni.
Igen elég.
Köszönök mindent.
Ilyesmire gondoltam
Tökéletes.
Én is ilyenre gondoltam. Közben meg néztem és sajnos 1db 230VAC találtam.
Hirdetést?vagy neked otthon?
Hirdetést néztem,csak 2 emberke hirdet de az nem tetszik. Hát ha nem talállok jó áron csak nem halok bele háromezer párszáz ft-ba.
Nekem otthon.
A hirdetésbe nekem 24VAC van fenn. Akkor gondolom kettő kell, úgy nem sok.
Ha a relének van két váltóérintője akkor nem kell neked két relé. Alaphelyzetben az egyik potit kapcsolja a frekiváltóra, ha meghuzatod akkor meg a másikat. Így ha az első potit akarod használni nem kell semmit kapcsolnod, sokat egyszerűsödik az áramköröd.
Ha csak kettő kell, akkor így igaz.
Amit a link-be küldött az meg is felel. A hozzászólás módosítva: Dec 22, 2019
Köszönöm szépen mindkettőtöknek!!
Ezért szép az élet,van egy alap mottóm miszerint azért vagyunk a világon hogy segitsünk egymáson,én is szeretek másokon segíteni ha épp tudok. Beszerzem a relét és bekötök mindent,akkor elegendő a poti 2 szélső szálat szakitani? Nektek is és mindenkinek Boldog Békés Kellemes Karácsonyi ünnepeket kivánok!! A hozzászólás módosítva: Dec 22, 2019
Kellemes Békés Boldog Karácsonyt kívánok!
Keresek olyan emberkét aki tudna nekem segiteni egy marógép villamos részének az átalakitásában.
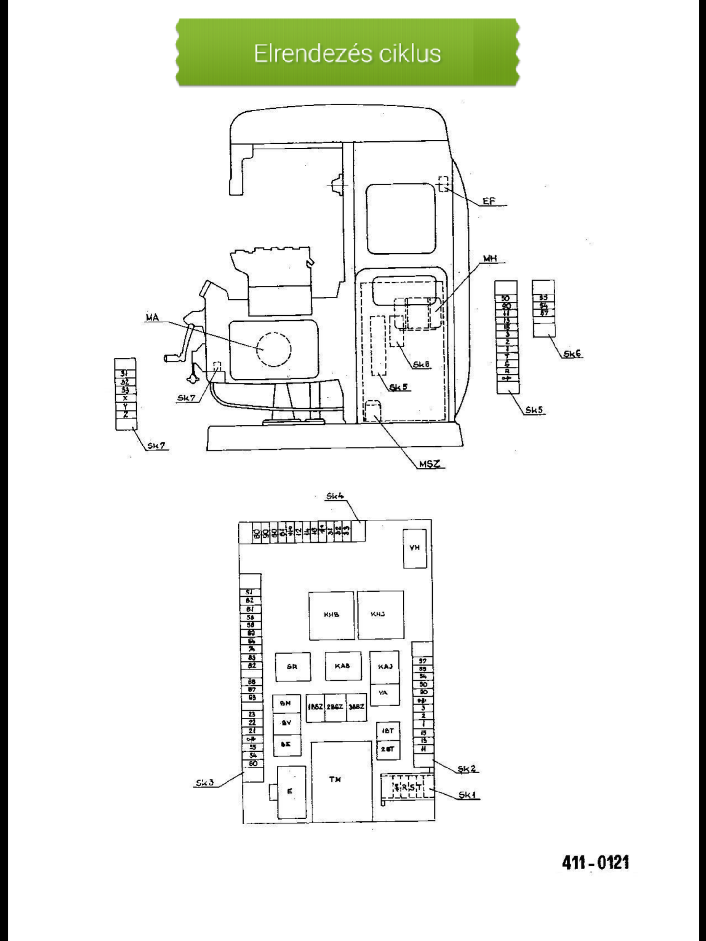
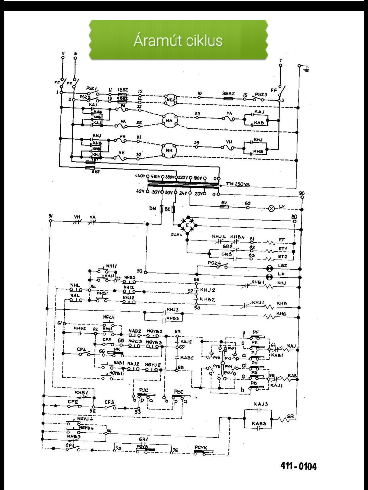
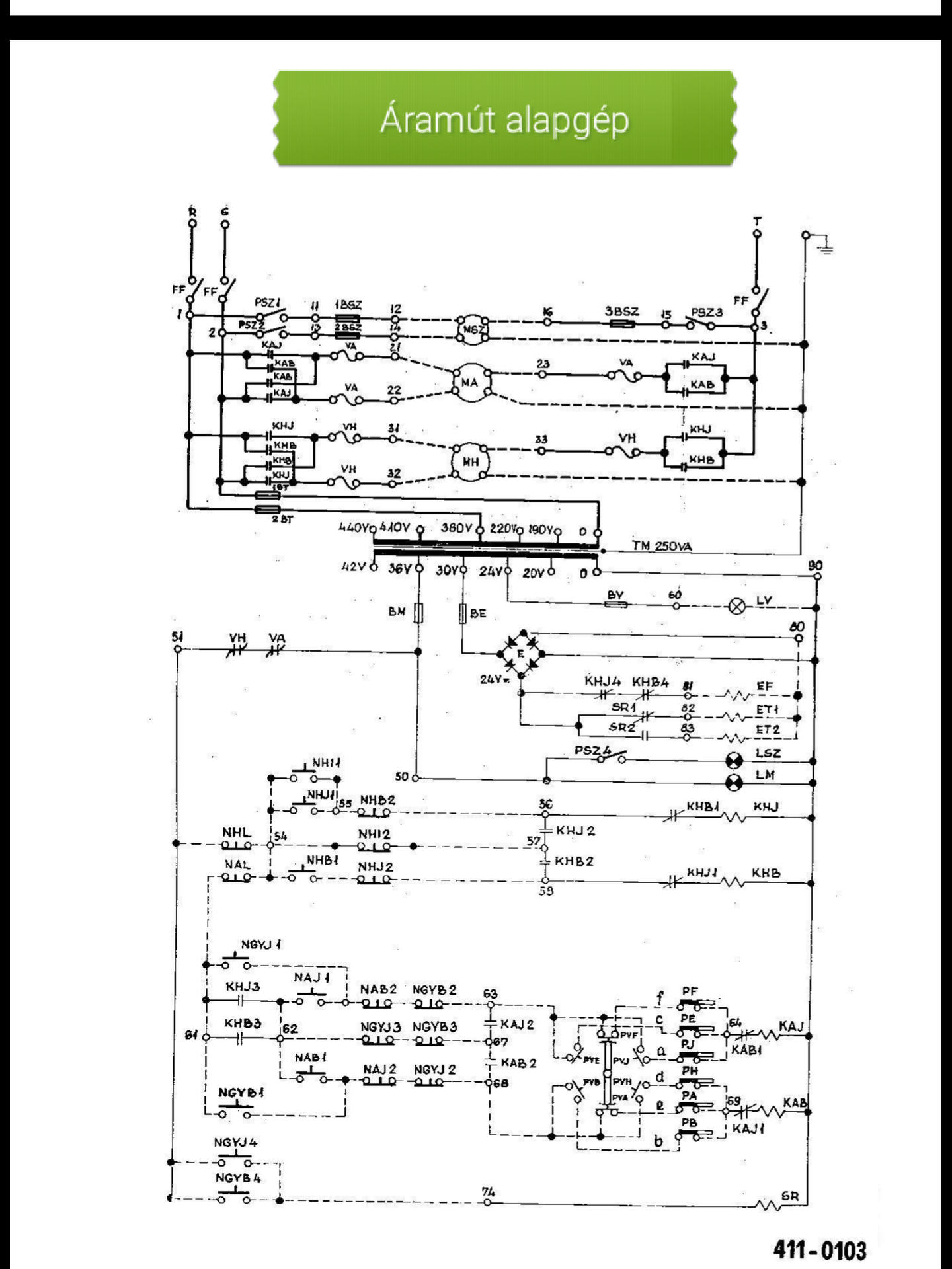
Röviden leirva minden gyári dolgok ki kellene belőle szedni aztán a gyári nyomógombokrôl menne minden ugyan ûgy. Mivel két motor van (főmotor és az előtoló motor 3/1,5kw) igy ezt természetesen 2 frekiváltórôl kell megoldanom. A főmotor inditása az teljesen egyértelmű a többi már nem annyira. Természetesen a minnél egyszerűbb megoldåsokra kellene törekedni. Nagyon nagyon jó lenne ha valaki végigkisérne ezen az úton mert bevallom hiányosak az elektro ismereteim de lehet menne egyedül is. Beteszek nemsoká egy pár képet elrettentésnek Előre is nagyon nagyon köszönöm ha akadna valaki átlátja a helyzetet és segítene.
Eredeti rajz vagy gépkönyv megvan? Típusa? Másolva közölni kellene a korrekt segíthetőség érdekében, egyébként csak ötletelni lehet a megvalósításhoz. Frekvencia váltód megvan-e, típus?
A hozzászólás módosítva: Dec 25, 2019
Igaz,nagyon kevés idáig az adat.
A frekvenciaváltóim tipusa Yaskawa V1000-rea mindkettő. Gépkönyv megvan persze,be is dobok pár képen indulásnak.
Köszi a rajzokat, így már lehet konkrét megoldásokat adni.
Ez egy régi, kb 50éves magyar gép. Azonnali megoldásokat szerintem nem fogsz senkitől kapni, idő kell az átgondoláshoz, tervezéshez. Jó állapotúnak látom a villamosságát, miért építenéd mégis át? Nagyon át kell látni a mechanikáját is, helyzet adó, működtető végállásokat is. Csináltam már egy marógép felújítást, az VF22 volt és csak mágneskapcsolós, relés maradt. De frekvenciaválto használata sem gond számomra, sok gyártmányt használtam már minden féle géphez. Idő, idő...
A frekvenciaváltó pontos típusa érdekelne még. Egy vagy 3 fázisú (1x230V vagy 3x400V) ?
230Vos esetén a motorok átköthetők 3x230V-ra, deltába?
Érdekelne még a nyomógombok, végállások funkciójainak megnevezése. Esetleg van teljes gépkönyv, leírás, bemásolhatnád (nagyobb felbontásban mint a rajzokat).
Szia.
"Jó állapotúnak látom a villamosságát, miért építenéd mégis át?" Hát én eddig úgy látom illetve gondolom hogy ha ezt a gépet 2db váltóról szeretném használni az csak úgy kivitekezhető ha a gyári villamosságát elfelejtjük és egy újat tervezünk neki ami kimondottan frekiváltóval való üzemhez épül. A ciklus vezérlést amúgy is nyugidtan el lehet hagyni (felesleges),a porcelán biztik is feleslegesek,a trafó mivel 400V-ról megy az sem tudom használni,ezek miatt gondoltam hogy egy új villamos rendszer kiépitése sokkal egyszerűbb lenne,és tényleg csak azt beletenni ami kell. A frekiváltó 1 fázisú,az az 1x230V be és 3x230V ki. Pontos tipusa: Yaskawa V-1000 CIMR-VCBA0018BAA ez a 4Kw-os. Yaskawa V-1000 CIMR-VCBA0012BAA ez a 2,2Kw-os. Igen,természetesen van gépkönyv,szerintem fel kellene venni a kapcsolatot egymással telefonon is és olyan helyen ahol könnyebben elérhetjük egymást. (Messenger vagy viber) Igen megnéztem mindkét motor köthető deltába hála az égnek. Nyomógombok: balról jobbra Főmotor jobbra forgás Főmotor stopp Főmotor balra forgás Villámjárat jobbra Előtolás jobbra Előtolás stopp Előtolás balra Villámjárat balra Végállások funkciója ezek után csak annyi hogy az előtolást megállitja. Szerintem tényleg vegyük fel a kapcsolatot.
Hány eres a betápláló kábel? Az egy fázisú táplálású frekvenciaváltóhoz kell a nulla is (5 eres betáplálás).
A trafót bent hagynám, 410V-os primer feszültségre kötném (mekkora a tényleges hálózati feszültség?), 24VAC feszültségű vezérlést használnék. A motorok (irányváltó) mágneskapcsolói helyett segéd reléket használnák (pl. Omron MY4 24VAC), ezekkel vezérelném a frekiváltókat. Diazed olvadó biztosítékok helyett kisautomatákat tennék. A gépen lévő nyomógombokat, végállásokat eredeti állapotában hagynám.Az egyenáramú kört hagynám, csak a kapcsoló reléit cserélném, szelén greatz-et is hagynám (zárlat tűröbb mint a szilicium). Csak a szerelő panelen dolgoznák, esetleg az SK25 sorkapcsokat cserélném még T35 sínes típusra, ekkor sűrübben, közelebb lennének a kötések, de ez hajlékony vezetékek esetén nem gond. Rajzot szívesen készítek ha igényled, de most idő hiányában halasztanám, meg mi a döntésed?
Elektron!
Tolómágnes: 2 sárga és 2 szál szürke vezeték van,a sorkapocs középső pontjára bemegy 1 sárga és 1 szürke,a maradék 1 sárga és 1 szürke pedig az alsó és fölső pontra van bekötve.
Laci!
Én szerintem ez egy mágnes kuplung pár. Ilyen megoldással találkoztam már. Bekötése szerintem a mellékelt rajzom szerinti. A hozzászólás módosítva: Jan 10, 2020
6SE7016-1EA51-Z AC motor meghajtó, F002 hibát ír, ki nem bekapcsoláskor hanem mikor a motort el kellene indítani:
Pre-charging When pre-charging, the minimum DC link voltage (P071 Line Volts × 1.34) of 80 % has not been reached. The maximum pre-charging time of 3 seconds has been exceeded. Check the supply voltage, Compare with P071 Line Volts (compare P071 with the DC link voltage on DC units). Check the rectifier/regenerative unit on DC units. The rectifier/regenerative unit must be switched on before the inverter is switched on. Szétszedtem, leellenőriztem a bemeneti egyenirányítót, a pufferkondenzátorokat, a precharge ellenállásokat és reléket, persze minden jó. Ilyen hibajelzésre van még amit meg kell nézni? |
Bejelentkezés
Hirdetés |














