Fórum témák
» Több friss téma |
Helló!
RT '97 évkönyv 68. oldal. Majdnem ugyanaz mint, amit te is megépítettél. A tiéd az utóbbi, gondolom letisztultabb, levették róla a sallangokat. Egyébként az általad említett rajzot, meg az XR datasheetjét néztem, amikor megtaláltam a hibát.
Szerintem tudok segíteni, mert nekem van egy darab MAX038CPP-m. Ha érdekel küldj egy pü-t.
Szia!
Találtam egy típust, AD9833, az Analog Devices gyártja. Sajnos mintát nem küld, nem tudom hol lehetne megvenni és mennyiért.
Itt vannak hasonló típusok:
http://www.soselectronic.hu/?searchstring=ad99&str=378
Szia!
Maga a pompa. 2000 forintért nem is drága. Sajnos 13 darab a minimum rendelés .
Bővebben: Link plusz 1400HµF szállitási költség, azaz 4000HuFért másnapra a Tiéd.....
Hello, megtévesztő ez a "waveform generator" elnevezés. Bőszen rákeresek, mert úgy véltem, hogy ezzel többféle, illetve csaknem akármilyen hullámforma előállítható, tehát a ROM szinusztábla helyén egy feltölthető RAM van, erre egy közönséges DDS-ről van csak szó. Ti ismertek olyan DDS-t amelyben a felhasználó által feltölthető RAM van? Bár ahogy a digitális szkópokat ismerem, nem nehéz átalakítani őket egy ilyen funkcióra. Csak épp fordítva kell működniük
HQ Videonal van
http://www.hqelektronik.hu/info/hu/ad9833brmz.html
Sziasztok!
Szeretnék építeni egy jelgenerátort ami 1hz-100hz-ig képes szinuszjelet adni sokáig. Tudna valaki ilyen kapcsolást mutatni nekem?
Helo!
Talán a "sokáig nevű műszaki paraméter" a legkevésbé érdekes. Mert ha valami működik, és nincs alul méretezve, túlterhelve, akkor várhatóan "sokáig" fog működni. De mivel a frekvencia átfogás igénye elég tágas, talán legcélszerűbb lenne a népszerű XR2206-al készíteni az oszcillátort. De az érdemleges műszaki paraméter, frekvencia átfogás, frekvencia és amplitúdó stabilitás, torzítás, kimeneti feszültség, terhelhetőség.. stb. De a "sokáig működjön" nincs közte, értelme is lehetne esetleg telepes táplálás esetén, de azt a tápláló áramforrás is befolyásolja. üdv! proli007 Biztos egy barlangban kell hogy működjön...sokáig. Talán a következő generáció számára.
Szia! Az 1-100Hz elég kicsi frekvenciaátfogásban. Erre vannak tranzisztoros kapcsolások, amik torzításban jobbak mint az XR2206-os.
Köszi! Tetszik ez a kapcsolás! Az alkatrészek értékeit meg tudnád adni? Vagy milyen képletekkel tudom kiszámolni őket?
Műszaki paraméterekből nekem annyi számít hogy olyan 12 volt körüli legyen a jel amit kiad, meg persze hogy az amplitúdóját tudjam változtatni, a frekvenciát 1 és 100 hertz között, meg persze stabil jelet adjon mondjuk a beállított értéktől max +- 0.5 hertzel térjen el vagy e között változzon de jobban ne térjen el tőle. Terhelhetőségre nekem olyan 0.5 amper kellene maximum de szerintem ennél kissebb is elég lenne, ha lehet akkor áramkorláttal lehessen változtani a terhelhetőséget de ha ez bonyolult lenne vagy torzulna miatta a jel akkor elég ha a feszültséget tudom változtatni rajta. üdv! VENOM(#1110296) Medve: Neem, nem barlangban fog működni a következő generációnak A táplálását labortáppal oldom meg. Csak azért írtam hogy sokáig mert olvastam már olyan kapcsolásról ami a működése során a növekedő hőmérséklet miatt már torzította a jelet.(#1110643) dinokal: Tudnál mutatni nekem ilyen kapcsolásokat?
Hello!
Talán akkor legjobb ha megépíted ezt a kapcsolást a P6 potiig, (vagy valamelyik komplett áramkört) majd kiegészíted egy teljesítmény erősítő végfok IC-vel. (100Hz-ig szinte bármelyi jó) De a rövidzár védelmet nehéz korrekten megoldani, generátornál egy soros ellenállással szokták inkább, de ekkor kb. négyszeres kimeneti teljesítmény kell. üdv! proli007
Hello!
A generátor rövidzárvédelmére a tápegységet védelmét érted hogy oda kell soros ellenállás? Vagy a jelgenerátor után kell? Mert a tápegységemben van rövidzárvédelem és áramkorlát is. üdv! VENOM
Hello!
Egy generátornak tartós túlterhelésben is kellene működni. Kis teljesítményűek kimenti ellenállása általában 50ohm. Ezt általában a kimenettel sorba kapcsolt ellenállás látja el. Ha a visszacsatolás az ellenállás előtti, akkor a generátor belső ellenállása lesz az 50ohm, ezt kell figyelembe venni terheléskor. Teljesítmény generátoroknál, ismert a tápfesz védelem is, de ez nem túláramkorlátot jelent, hanem túlterhelésre leoldó elektronikus biztit. Ha ez túláram vagy hővédelemre leold, akkor azt már egy nyomógombbal lehet csak visszaállítani. Mert mindenféle védelmi közbeavatkozás, vagy a kimenő feszültség esésével, vagy a jelalak torzításával jár. Ekkor viszont már nem nevezhető generátornak. Vagy is nem definiálhatók a paraméterek továbbiakban. De hogy számodra mi megfelelő, milyen típusú és paraméterű generátor a megfelelő, vagy mi nem, azt az igényeid és az alkalmazás fogja megmondani, nem én.. üdv! proli007
Sziasztok!
Szeretnék egy színusz generátort építeni erősítők teszteléséhez ki is néztem egy kapcsolást. A fő alkatrész 2x500pF forgó már megvan. Mi a véleménytek jó lesz ez nekem?
Hello!
Biztos jó lesz, egyszerű Wien hidas kapcsolás. Arra ügyelj, hogy a forgót jól elszigetelten kell felszerelni, és a tengelyét is egy plexi közdarabon keresztül kell forgatni. Mert a háza megy a Fet Gate-jére.. üdv! proli007
Rendben. A nyákra szerelem majd. És a tengelyt is megoldom.
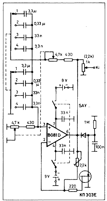
Hello, itt a tesója, ehhez nem kell forgó, de már későn szólok ugye? Szerintem jobb ellenállással hangolni, hosszabb az útja, lehet digitalizálni is. Bár meglehet, hogy kettős forgókondit könnyebb beszerezni, mint kettős potit. Szerintem kényes ez a kapcsolás, mert oké, hogy FET, de 20Hz mellé 500pF!!! Elég extrém!! Elég egy kis pára s mindjárt mászik az egész. Szerintem nagyobb áramokkal jobb lenne egy ilyen kapcsolás. (Milyen lenne ezt varicapokkal megoldani??)
A többiek már megelőztek
. Ha a gugliban rákeresel, tán több ezret is találsz.
Hello!
"(Milyen lenne ezt varicapokkal megoldani??)" Torz.. üdv! proli007
Sziasztok!
Én is elkezdtem kutakodni fügvgen építés ügyileg. Max083 mellett maradtam, elvileg beszerezhető annak ellenére hogy nem gyrtják (e-bay). Ha valakit érdekel a mellékelt Elektoros kapcshoz nyák kapható http://www.elektrolight.hu/ , ha jól emlékszem 1800.-Ft (?) Üdv Mikipro
Szevasztok. Van egy AVON márkájú NG1.81 típusú frekvenciagenerátorom, amit szeretnék utánépíteni, mai használatos alkatrészekből. A generágot nyákjai megvannak, működik is, de szeretném utánépíteni. Tudna esetleg valaki kapcsolást küldeni hozzá? Ez egy CZ gyártmány, tele TESLA alkatrészekkel.
Vagy esetleg van egyszerűbben elkészíthető kapcsolása valakinek?
például...
|
Bejelentkezés
Hirdetés |




.
Biztos egy barlangban kell hogy működjön...sokáig. Talán a következő generáció számára.
üdv! VENOM







