Fórum témák
» Több friss téma |
Sziasztok
van egy kapunyitó szerkezetem. kicsit be.....t. az a gond hogy nem megy az elektronika. kapott új távirányítót vezérléssel. de az elektronika halt meg úgy néz ki. szóval nyomom agombot kattog a vezérlés. viszont akapu nem megy. néha beindúl és 10-20 cm után megáll. nyomom akkor néha tovább megy. de csak felfelé. mit lehetne tenni tudom vegyek egy újjat 60 000. kösz nem. hogyan lehetne olcsóbban megúszni. a vezérlés és a távkapcsoló az jó, akapumozgató elektronika van meghalva, motor kiváló. gondoltam teszeka 2 végre egy egy kapcsolót mely old ha odaár a vég. de hogyan oldom meg hogy a másik irányba forogjon ha a végre ér. az nem zavar ha félúton megáll és ugyanaz irányba mozog. nem kell komoly elektronika, húzza fel és le ez a lényeg tudtok segíteni???? köszi
hali
milyen tipus?
Üdv !
Nem fordulhat elő, hogy valami szorul ? Az elektronikában van egy részleg ami a motor áramfelvételét figyeli és, ha a motor áram meghaladja a beállított értéket akkor kikapcsol (azt hiszi az elektronika, hogy végállásba ért a kapu). Álltalában akkorszokott így csinálni, hogy hol megy , hol nem. Ezt azért gondolom, mert leírtad, hogy az elektronika reléje kattog, ha nyomod a gombot, a motorra azt írtad, hogy tuti jó, más pedig nincs benne, tehát szerintem szorul a cucc. Nézd meg takarítsd ki és szerintem menni fog.
Megpróbálom ezt is.Köszönöm az ötletet. Ha nem sikerül még írok
hi
nem nézik a terhelést az indítást követő 1 másodpercen belül, tehát a legrosszabb esetbe is ha szorulna mindkét irányba menne a motor 1 másodpercig, de ha a topicindító elárulná, hogy milyen tipusról van szó, ...hát nem tom,.... talán még segíteni is tudnék neki
Üdv !
Ok, de akkor nem értem. Van egy motorom, meg egy elektronikám, meg egy burkolat és mechanika. H a az elektronikán kattannak a relék akkor az jó, pláne, hogy uj elektronikát kapott a motyó. A motor szintén jó, Talán az infrasorompó kavar ?
szerintem a távirányító meg a vevő lett cserélve (így érthette) a vezérlés meg a motor a régi, az infrát csak lecsukáskor figyeli, de szerintem még mielőtt fölöslegesen terheljük az agyunkat, várjuk meg milyen tipusról van szó, amúgy én kontakthibára szavazok
sziasztok
tehát egy Optimo 2000 ről van szó (aszem metro gazdaságos) az előző lakó hagyta rám. igen a távirányító meg a relé lett cserélve. a motor meg a hozzá tartozó vezérlés nem. megnéztem nem szorul semmi , a kapu kézzel könnyen felhúzható. néha beindúl néha nem csak kattog, van úgy hogy folyamatosan húzna és nem is figyel a terhelésre akár percekig is húzna ha nem áramtalanítanék mi lehet a gond ha behalt a motor vezérlése akkor mi a megoldás. a cég aki ghyártja megszünt, átadta valami másnak, aki meg csak megrendelés után gyárt, 1000 év. valami egyszerű megoldás nekem bőven elég. megnyomom a gombot teljesen felmegy ha mégegyszer vagy másik gomnb akkor teljesen lemegy. 16 kerben lakom
hi
nem ismerem ezt a leírást találtam róla Bővebben: Link eléggé nem tok németül, létezhet, hogy egyáltalán nincs végálláskapcsolója? általába az ilyeneknél a burkolaton belől egy kis csigaáttétellel hajt egy tengelyt ami mozgat egy érintkezőt, ez a végállás kapcsoló. ha jól vettem ki a leírásból egy hall jeladó van, valszeg ez érzékeli a motor lassulását (terhelését) mivel 24 voltos a rendszer elég gyakran elő szokott fordulni relé hiba ( beégnek az érintkezők) én itt keresném a hibát először, meg megnézném ha nincs infrasorompó akkor annak az átkötése (foto... 8-7-es) rendben van-e? üdv
a relér megnézem.
végállás kapcsolója nincs, elvileg terhelés esetén több amper megy ezt érzékeli az elektronika és megáll nem tudtok valami jó megoldást ha teljesen meghalt?
azt a hall jeladót kellene megnézni, és megállapítani, hogy lassulás alapján vagy áramfelvétel megnövekedése alapján érzékeli a terhelést, de ha ezzel lenne a gond akkor is csont nélkül el kellene indulnia mindkét irényba, max 1-2 másodpercen belül megáll, vagy még a panelt kepd le és nézd meg a hátulját nem engedte el a forrasztrás valahol, régebbi technikáknál ez gyakori hiba
Az új előírások szerint a kapumozgatóba kell lennie valamilyen védelemnek. Amit írtál, hogy több áramot vesz fel, az az újabb mozgatóknál már védelemre van használva, hogy lecsukás közben a két végállás között a kapu útjába kerülő dolgok (autó, kisgyerek, háromkerekű tricikli) a kapu azonnal megálljon és visszanyisson.
A végállásokat vagy mechanikus kapcsolóval oldják meg, vagy fordulatszámlálóval. Az általad említett motoron - a zsoltee0001 által belinkelt leírást nézve - a kapu egy fix ponton akad össze a meghajtással. Ezesetben vagy mechanikus végállás kapcsoló van, vagy - és ez a valószínűbb - öntanuló rendszerű. A rajzokat elnézve viszont nincs a felső végállást jelző ütköző. Ha lenne felső ütköző, akkor tudnám biztosra azt mondani, hogy öntanuló, mert akkor azt tárolja el referencia pontnak, és ott nullázná a fordulat számlálót, majd innen indulna a tanulás az alsó végállásig, ami a padló. A két pont közti utat, pontosabban a motor fordulatait menti el a vezérlés. Ha csak kattog, az lehet érintkezési hiba is, de a helyedben lecsekkolnám a fotocellát is, hogy nincs-e érintkezési hiba, és azt, hogy a fotocella adó és vevő látja-e egymást
nagyon jókat írtatok
a rajzon nincs felszerelve végálláskapcsoló, csak egy csavar meg egy gumiütköző ez elég régi kapunyitó, így nincs kapcsoló semmilyen végálláson, a motor egy egyszerő ablaktörlő motor, talán valami teherautó, ebből adódóan nincs fordulatszm mérő se végálláskapcsoló, vagy én nem találom (a kapcsolót megismerem) a fotocella adó vevő dolgot meg nem értem a lényeg az hogy 6000 volt egy elektronika ami érzékeli a jelet és indít, ez egy egycsatornás vevő 4000 meg a 4 csatornás kapcsoló adó aki egyszer felszerelte azt mondta hogy terhelésre érzékel, ha áramszünet van akkor abból indul ki hogy zárva ven ezért mindíg felhúz először. de az a gond hogy csak 10-20 cm mozog egyszerre a tetején meg vagy nagyon sokszor kell gombot nyomni mire elindúl lefelé amúgy amatőr vagyok úgyhogy ...... nincs valami egyszerű kapcsolási rajz amivel végálláskapcsolókkal kilőhetem a régi elektronikát.
A Hörmann mozgatókban is ablaktörlő motor van. Pontosabban úgy n éz ki. Azt, hogy fordulatszámlálós-e, azt onnan tudod meg, hogy a motor áttételházába is mennek vezetékek. Tehát nem csak a meghajtáshoz megy tápvezeték, hanem még megy rá 2-3 vezeték.
Amit írtál, hogy áramszünet után előbb felnyit, az tipikusan a fordulat jeladós motorokra illik, mivel azok áramszünet után előbb megkeresik a felső végállást, tehát a referenciapontot. Bár nem mind, mert van, amelyik nem felejti el, csak több nap után.
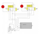
Hello én a régihaz nem tudok hozzászólni de fel tom tenni amit én csináltam én is amatőr vagyok szóval ha én meg tudtam csinálni ako szinte bárki ez 2motorhoz van de ha egyhez kell akkor lehagyod az egyik motort és ahozzá tartozó cuccokat
ebbe a motorba csak 2 db kábel megy se több se kevesebb
bejön a konnektorból 3 vezeték 2 a trafóba egy a trafó fémrészére(föld) a trafóból 2 az elektronikába s onnan 2 a motorba, plusz még a nyáklap is le van földelve, illetve van egy másik rész ami csak össze van kötve, egy híd. na meg most hogy új vevőt kapott még az van bekötve de nem új helyre szóval a motorba csak két kábel megy !!!!!!!4
hali
nekem most hirtelen úgy tűnik, mintha a terhelés miatt kapcsolna ki a vezérlés, a potmétert próbáltad álligatni? kommutátoros motoroknál előfordul, hogy a szénkefe ahogy kopik + összeszed koszt, az lerakódik a kommutátoron, és ezért megnő az áramfelvétel, lehet, hogy ezt is meg kéne nézni, ha szerencséd van akkor szét lehet szedni a motort, mondjuk ez akkor se ,agyarázza azt az esetet, amit mondtál, hogy percekig áram alatt volt a motor. nem kizárt, hogy 1 nél több hiba is van a rendszerben . üdv
Üdv !
Ablaktörlő motor ? Nem lehet, hogy a csiga, vagy fogaskerék az áttételben valahol eltört ? Mondjuk 1-2 foga letörik ez magyarázhatná az esetet. Pl.: Nyomkodod a gombot és valamikor elkapja a motor a fogakat, akkor megy egy kicsit a kapu (míg a fogaskerék körbe nem ér) ezután megáll és se le se föl.
szétszedtem a motort, nincs eltörve semmi. teljesen darabokra szedtem.
kikötöttem az elektronikát, s a trafórol jövő 2 vezetéket rákötöttem a motor két vezetékére, csak búgott és nem indult el. lehet a motor halt meg? néztem a szénkeféket meg az érintkezőit és kicsit látszik a fekete csík, lehet hogy rövidrezárt? tisztítsam meg vagy lehet hogy kell az elektronika által egy indítóáram, mint a nagyobb teljesítményű motoroknál ahol a kondenzátor segíti az indulást?
hi
a trafóról jövő 2 vezetékben váltóáram van, az egyenírányítás a vezérlőn van, azért búg. Akkor úgy néz ki rendben van a motor, ez egyenáramú motor, nem kell indítókondenzátor. Tekergetted már a terhelés állító potmétert? azt kéne megnézni. hogy mi alapján érzékeli a terhelést? A doksijába van egy D-vel jelölt hall jeladó szenzor valszeg ez méri a fordulatszámot(amit nem értek), ismerek ilyen tipust (Marantech ha jól emlékszem ) bár az 220 as motor egyenáramúnál inkább az áramfelvétel megnövekedésén alapuló terhelésmérést használják nézd meg, hogy a panelon a motor kimenetével sorba (3-4) valahol a relék környékén szoktak beforrasztani egy hurkot, ami egy drót darab, terhelés alatt ezen képződő feszültségesést mérik. vagy próbáld ki, hogy a 3-4 esre ne a motort hanem egy 24V os égőt köss, és azzal mit csinál? minden alkalommal világít? le is fényképezhetnéd a panelt, ha tudod üdv
na úgy látom ez a téma behalt
Sziasztok!
Elektromos Garázsajtó-nyitót szeretnék építeni. Van két nagy ablaktörlő motorom, felvesz vagy 5A-t és valahol láttam egyszer egy végtelenül egyszerű infravörös távirányító elektronikát, ami az impulzus szerű működése révén, kiküszöböli a véletlen bekapcsolódás lehetőségét. Ja, az ajtó kb. 100 fokot nyíljon. Aki már épített házilag ilyet, az kérem dobjon pár ötletet! Mechanika jobban érdekelne
hi
ablaktörlő motorral így lehet a legesgyszerűbben megoldani, viszont nagyon kicsi nyomatéka lesz, van egy másik megoldás is ha gondolod azt is lerajzolom, de az bonyolultabb kivitelezésű üdv
engem meg az elektronika érdekelne
végálláskapcsoló meg egy forgásirányváltó köszi
Az Optimo 2000 -es garázskapu mozgató téma engem is érdekelne.
Van 2 hibás, és egy jó panelom hozzá, a hibásaknak nem találtam még meg a hibáját, de küzdök vele. Mikrokontrollerre gyanakszom, mert nagyon kevés egyéb alkatrész lakozik benne, és azok kimérhetően jók. (Persze, nem mértem végig minen SMD kondit, és ellenállást.) Ha valakinek van tapasztalata ezzel a típussal, az jelentkezzen! Még annyit, hogy ehhez nincs végálláskapcsoló! Érzi, és megtanulja a végállásokat.
Kapunyitás gombnyomásra olcsón a téma címe
és tettem föl egy egyszerű de kipróbált kapcsolást 6 relé van benne de garázsajtóhoz elég 2 is (nálam a 2 kapu motort és a garázs ajtó motorját kapcsolja .) A nyitó mechanika is házilag készült nagyon egyszerű kétszárnyú ajtót nyit egy középen elhelyezett zártszelvényen futó kocsi amihez két rudazat kapcsolódik és ezek tolják az ajtókat . A kocsit bicikli lánccal mozgetja a motor.
Sziasztok:Megépíteném házilag a garázskapumat,de nem tudom hol vegyem meg az ajtót tartó, és mozgató szerkezetet, az-az semmit nem tudok róla, a józan ész kivételével. Ez egy billenö kapu lenne amit kézzel emelnék,vagy zárnék. Tudnátok ebben segiteni?Kőszőnőm előre is.
Egy Chamberlein elektronikával gyült meg a bajom. Az ajto elindul, nyit kb 50 cm-t majd visszacsuk. Levettem, kiakasztottam már az ajtot is és üresen is ugyanezt csinálja. Mechanikusan nincs semmi akadály (kézzel simán el lehet mozditani kart).
Az elektronikában két mikroproci van, az egyik az adora a másik meg a vezérlésre. A kontaktusok (végálláskapcsolok) rendben vannak, de a felsöhöz el sem ér a lánc). A fordulatellenörzö is rendben van (legalábbis az optokopler müködik). Nem tudom pontosan mivel méri a tulterhelést, de van ott egy 1,8 Ohmos ellenállás, lehet, hogy azon. De az is lehet, hogy a fordulatszám csökkenéséböl számolja ki a terhelést. Van valami ötlet, mit kellene még megnézni?(valamennyi kondit már kicseréltem az elektronikus panelen). Kösz
Jó régi ugyan a topik, de hátha olvassa még valaki. Van egy HomEntry HE60AS-02 típusú garázskapu mozgatóm, távkapcsolók nélkül. Nem tudom eldönteni, hogy érdemes-e venni hozzá távvezérlőt, mert nem tudom hogy teljesen jó-e. Áram alá helyezéskor behúz egy relé, és bekapcsolja a világítást, majd a leírásának megfelelően, 2,5perc után kikapcsolja. Villog egy zöld led a panelon. Ha a leírás szerint megnyomom a programozó gombot, akkor 30mp-ig világít, majd újra villog. Van egy com bemenete, ahol elvileg manuálisan vezérelni lehetne, de sima rövidre zárásra nem reagál, igaz, nem tudom hogy az oda tartozó nyomógomb csak egy nyomógomb, vagy valami más lenne, mert az sincs, de elvileg világítana is. Az a nagy kérdés, hogy kinéztem egy olcsó távkapcsolót, de nem tudom hogy érdemes-e megvenni. Egyrészt nem tudom hogy él-e a vezérlés, másrészt az adónál 433mhz-t írnak, a vevőn meg 433,92 szerepel. Bővebben: Link
Sziasztok
Adott egy Came V700E Garázskapunyitó motor. Egy beázást követően elszállt benne az egyik biztosíték. Az első "szerelő" ezt nem vette észre és a végálláskapcsolókról lehúzta a sarukat. Mivel a két érpár színei fehér és piros és a telepítési útmutató alapján nem lehet eldönteni, hogy melyik melyik, nem tudom jól van-e bekötve. Tanítani is hiába próbálom az elektronikát (a telepítési útmutató szerint), az csak egy irányba (zárás) hajlandó forogni. Van esetleg valakinek ötlete mi lehet a probléma? Előre is köszönöm |
Bejelentkezés
Hirdetés |







