Fórum témák

» Több friss téma
Fórum » Gitár torzító / Effekt / Erősítő / Pickup
Lapozás: OK   239 / 317
(#) Szpisti válasza Mexbacsi hozzászólására (») Aug 17, 2013 /
 
Ettől a kapcsolástól ne várj sokat, ez így szól. Minden esetre nem arra való, hogy egy nyitott Em akkordot lebegtessél vele
(#) ZSozsóó válasza Mexbacsi hozzászólására (») Aug 18, 2013 /
 
Szia!
Igen, ebből elképzelhető ez a hang! Zs.
(#) Mexbacsi hozzászólása Aug 18, 2013 /
 
Köszi az infot.

Igen ez a bajom, hogy egy húrt pengetve még tetszik is, viszont ha már kettőről van szó akkor borzalmas az egész.
Mit érdemes megépíteni, aminek metálosabb hangja és használható is? Van rengeteg tudom, ismerem az általános oldalakat, de azt nem hogy ezek milyen hangra képesek.
(#) davix95 hozzászólása Aug 18, 2013 /
 
Sziasztok.
Szeretnék egy olyan efektet vagy erősítőt készíteni mai hasonlít az AC/DC gitár hangzásához van egy 1-2 ezer ft -os erősítőm meg egy torzítóm és nincs pénzem a drága cuccokhoz(kb 1 éve húrt se tudtam venni.)
(#) univerzum válasza davix95 hozzászólására (») Aug 18, 2013 /
 
Germániumos rajzokat keress.
(#) ZSozsóó válasza davix95 hozzászólására (») Aug 18, 2013 /
 
Szia!
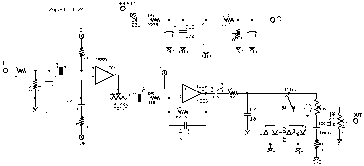
Angus Young gitárszandja áll magából a művészből, egy gibson sg partvisnyélből, marshall jmp vagy superlead erősítőből jól kitekerve. Slussz passz. Ezt effektekkel leutánozni nem egyszerű dolog, de talán nem lehetetlen. Ajánlanám egyszerűből a csatolt kapcsolást. Semmi egzotikum vagy drága alkatrész nem kell bele, bármilyen műveleti erősítőt megeszik, a klippelő diódát kikísérletezheted, hogy melyik jön be jobban és fixen beépítheted, így a kapcsolón is lehet spórolni. Én a led mellett törnék lándzsát. A "Tone" potit is helyettesítheted olcsó trimmerrel, szerintem az is "egyszer belövöm és tetszik" típusú dolog. Így maradna egy torzítás és egy hangerő tekerő. Youtube-on találhatsz róla hangot, Lovepedal Superlead pedál. Azért nem árt figyelembe venni, hogy gyakran csövest tolnak meg vele, így mi másul szólna, mint csövesen...Szóval csak fenntartással! Nekem ilyen tippem lenne.

Lpedal_SL.png
    
(#) univerzum válasza ZSozsóó hozzászólására (») Aug 18, 2013 /
 
/Kb ennyire marsall...
Tudom ez nem ACDC de ott is ilyen lehet a háttérben.
Mondom Germániumos torzítót keressen inkább.
A hozzászólás módosítva: Aug 18, 2013
(#) ZSozsóó válasza univerzum hozzászólására (») Aug 18, 2013 /
 
Paul Stanley a Kiss ből egy telefonra is azt mondaná, hogy ez a király erősítő és mindig ezt használja, ha kellő lét kap érte...Amúgy a KISS a mindenem zenében! Mellément a dolog, mert Angus Young csak marshallt használ meg gibson sg-t...De legyen igazad, keressen germániumos dolgot.
A hozzászólás módosítva: Aug 18, 2013
(#) univerzum válasza ZSozsóó hozzászólására (») Aug 18, 2013 /
 
Oké tudom csak ez a helyzet.
Egyébként Germániumos cuccot keressen tényleg, még a téma elején írta valaki, hogy mire hasonlíthatott.
(#) ZSozsóó válasza univerzum hozzászólására (») Aug 18, 2013 /
 
Akkor az úgy is van!
A hozzászólás módosítva: Aug 19, 2013
(#) skylooker válasza davix95 hozzászólására (») Aug 19, 2013 /
 
Az a helyzet, hogy Angus Marshall JTM45 és Plexi erősítőket használ, mindegyiket 2 hangfallal, effektet pedig egyáltalán nem. Ha kitartóan keresel, lehet találni fetes kapcsolásokat, amik ismert csöves erősítők hangzását utánozzák, nem is rosszul. Ennél olcsóbban nem megy. Vagy keresel rossz tévéket, bontott csöveket, trafókat, és abból építesz egy JTM klónt, nem baj, ha a végcsövek nem egyeznek. Nem pont ugyanaz a hang lesz, de akkora teljesítmény nem is kell. Gond még a hangfal, ami eredetileg 8 db 12 hangszóró - ez sem olcsó. azért lehet kísérletezni eredménnyel.
(#) davix95 válasza ZSozsóó hozzászólására (») Aug 19, 2013 /
 
ZSozsóó köszönöm a segítséget!
Azt elfelejtettem írni, hogy viszont"alkatrész milliomos" vagyok kb 10 -11éve foglalkozok így elektronikával és még egyszer nem kellett alkatrészt vennem. Van egy kis tároló és hegyekbe áll a panel azokból szoktam bontogatni na meg persze utánpótlás is van. Ezt a kapcsolás feltétlenül ki fogom próbálni. Egyébként egy fender squier gitárom van meg egy 40W os invazion baszus erősítőm ami persze nem megy mellé de szereztem egy kb 10W-os hordozható szóló gitárhoz való erősítőt ami rosz volt meg csináltam és most azt használom.
(#) davix95 válasza skylooker hozzászólására (») Aug 19, 2013 /
 
Skylooker hangszóróval nem lesz gond van egy szekrényre való igaz tv ből vannak de felső kategóriásokból. Ha esetleg tudsz valami bevált kapcsolást ami fetes és el tudnád küldeni vagy valami germániumosat azt meg köszönném.
A hozzászólás módosítva: Aug 19, 2013
(#) ZSozsóó válasza davix95 hozzászólására (») Aug 19, 2013 /
 
A jfetet a költségek miatt nem akartam említeni, ahhoz, hogy értelmes torzítást készíts jfettel, ahhoz a j201 a jó választás. Ahhoz mostanában a zsebbe kell nyúlni vagy külföldről rendelni. 2-3 darabból már lehet egy moderált torzítású (nem ítéletmetál) hangot előcsikarni. Én ezekkel szoktam építeni, j202 első fokozatnak, aztán 2, max 3 további fokozat j201-el. Nagyon faja dolgokat lehet velük csinálni. Jóval muzikálisabb a műveleti erősítő + dióda vágó kombónál, de mivel írtad, hogy húrra nincs pénzed...De egy fender squierből meg egy gyakorló cuccból semmivel nem kapsz ac/dc hangot. Semmivel...Skylooker a hangszórót tekintve a Celestion márka ütős darabjaira gondolt szerintem, annyira nem vagyok ac/dc szakértő, de gyanítom Angus a ládáiban a Greenback-eket preferálja. Annak darabja 40 magyar ezres körül mozog.
Thunderchief
Thor
Ezek egész ígéretesnek tűnnek. Lehet ötletet meríteni az oldalról. Bf245 és társai nem jók, gyakorlatilag a 2n5484 vagy a j201 az ami elég "torz" tud lenni ennyi fokozattal. Persze ez csak privát vélemény! Kb 100 ilyen kapcsolást csináltam már próbapanelen...Zs.
(#) univerzum válasza davix95 hozzászólására (») Aug 19, 2013 /
 
Igaz nem AC/DC de nézz rá mit mondanak.
(#) ZSozsóó válasza univerzum hozzászólására (») Aug 20, 2013 /
 
Ezt inkább ne. De komolyan...Ezzel dzsimihendrix hangot leget csinálni, nem enguszjángot! Fuzz nem éppen erre való, ha elolvasgatod a környező kommenteket, akkor rájössz, hogy fogalmuk nincs az ac/dc hangzásvilágáról, csak egy egyszerű torzítót linkeltek be. Egy csövest megtolni fuzz-al még jó móka, de egy kis gyakorló félvezetőst... Na mindegy, nekem az a véleményem, hogy ennél messzebbi pont az ac/dc hangzástól nincs, ha torzítókban gondolkozunk. Mondjuk a kis kombó beépített torzítóját is lehetne használni, azok sem szoktak olyan borzasztóan rosszak lenni. Zs.
A hozzászólás módosítva: Aug 20, 2013
(#) univerzum hozzászólása Aug 20, 2013 /
 
XR-VCO-t keresek, valaki tud-e segíteni?
(#) teddysnow hozzászólása Aug 20, 2013 /
 
Sziasztok!

Olyan kérdés merült fel bennem, hogy miért működik a műveleti erősítős, soft clip -es torzító? Ugye van a műverősítő, mindegy, hogy invertál vagy nem invertál. Tegyük fel, hogy az erősítése 100 szoros, az erősítés beállító két ellenállása legyen 1K és 100K. A visszacsatoló 100K -val párhuzamosan két paralel dióda, amik végzik majd a soft clip-elést. Alap torzító.
Bemegy a gitárom egyszerű 20mV -ja, az áramkör elkezdi erősíteni 2 Voltra, de a dióda 0,6 Voltnál ébredezik és elkezdi csökkenteni az ellenállását párhuzamosan a 100K -val. 0,8 Voltnál egy kis diódán kb. 20mA folyik ami 40Ohm-ot jelent. Vagy is nem erősíteni fog, hanem csillapítani, mert 40Ohm/1000Ohm (a 100K -t elhanyagoltam a 40 -el szemben a képletben).
Na most lecsökkent az erősítés, megszűnt a dióda nyitó feszültsége, megint szakadás lesz, majd elkezd az erősítő újból erősíteni a dióda nyitó feszültségéig megint.
Ennek nem így kellene működnie? Nem szaggatva kellene szólnia? Vagy így is működik csak a műverősítő/fülünk/dióda lassú hozzá?
(#) Peter65 válasza teddysnow hozzászólására (») Aug 20, 2013 /
 
Szia! Több minden nem jó a gondolatmenetedben. Leghasznosabb talán az lenne, ha utánaolvasnál a műveleti erősítők működésének. Röviden két dolgot jegyzek meg:
1. A dióda "ébredezése", kinyitásakor a helyettesítőképe egy kb. 0,6V-os belsőfeszültség és egy soros ellenállás, nem pedig egy darab feszültségfüggő ellenállás. Az erősítést valóban korlátozza, de csak az olyan nagy jeleknél, amelyeknél az erősített jel megközelíti a nyitófeszültséget. Ettől a nemlinearitástól torzít, azaz "levágja" a jel tetejét, négyszögesít.
2. A műveleti erősítő bemenetén nagyon kis áram folyik, ezért gyakorlatilag a diódán folyó áram a jelforrás és a kimenet között fog haladni. Ha mondjuk 0,1V a bemeneti feszültség, invertáló kapcsolást feltételezve a diódán i=u/r=0,1/1000=0,0001A=0,1mA fog folyni. Ha nagyobb áramot szeretnénk, akkor valamilyen trükkhöz kell folyamodnunk, de 20mA már elég nagy terhelés egy átlag műveleti erősítőnek.
(#) teddysnow válasza Peter65 hozzászólására (») Aug 20, 2013 /
 
Szia

Kössz! Így már világos.
(#) davix95 válasza ZSozsóó hozzászólására (») Aug 21, 2013 /
 
Ehez mit szóltok ?Bővebben: Link
meg j 201 akad itthon valószínűleg j202 (még azt nem kerestem
(#) davix95 válasza ZSozsóó hozzászólására (») Aug 21, 2013 /
 
ZSozsóó amit ki tettél kapcsolás ha jól értelmezem 9v ról megy és 100W-os?
vagy csak egy előerősítő?
A hozzászólás módosítva: Aug 21, 2013
(#) ZSozsóó válasza davix95 hozzászólására (») Aug 21, 2013 /
 
A j201-ek is teljesen jók, nem kell külön j202, az csak az én saját vesszőparipám első fokozatnak. Nem jó, ha már az első fokozat nagyot torzít alapon...Akkor a gain potival biztos nem tudod feltisztítani a hangot, ha egy több fokozatú túlvezérléses dologról beszélünk. A rajz nem 100W-os, nem is tudom honnan jött az ötlet...Csak egy torzító pedál. Több utas hangszín szerintem teljesen felesleges az áramkörbe, ha az erősítőn van külön hangszín szabályozó. Max egy tone jön jól ilyenkor, persze ez is ízlés függő, ki mennyire szereti herélni a hangot. Ha van legalább 3-4 j201-ed akkor jó úton jársz. Először nagy vonalakban körvonalazni kellene mit is vársz el a szerkezettől. Milyen hang, mekkora túlvezérlés, tartalék, szolgáltatások, tekerők...Így kéne elindulni, mert most csak vagdalkozol! Zs.
(#) davix95 hozzászólása Aug 22, 2013 /
 
Már látom, hogy van benne hangszín szbályozó valamiért nem vettem észre az anyagot összeszedem hozzá j201 el van gond aszt hittem találtam 4db ot de csak 2 van.esetleg valamien más j fet nem jó hozzá?
(#) FeketeVipera válasza ZSozsóó hozzászólására (») Aug 22, 2013 /
 
Kicsit próbálkoztam a csöves előerősítő hibakeresésével. A nyák rendben. Az alkatrészek értékei megfelelőek. Az első lényeges különbség, ami van, annyi, hogy 268 helyett 294 VDC az anódfeszültség. Nem tudom, hogy ez hogy jött ki; 190X1,4142 továbbra is 268, szóval szerintem a régi, többszörösen átütött multiméterem tévedett a méréskor. Mindenesetre a valamivel magasabb anódfeszültségtől szerintem még nyugodtan működhetne, vagy legalábbis csinálhatna valamit. Ami ezt megakadályozza, az: Rács1: -2,2V rövidre zárt bemenetnél (wtf?!), Katód1 (na ez jól működik): Si diódával 0,7V, Anód1 = 130V. Eddig nekem a rács kivételével egészen tetszik. A második fokozat anódján az egész anódfeszültség megjelenik, ami nem meglepő azt tekintetbe véve, hogy a katódján 0V van. A rácsára rá se mértem. Teljesen el vagyok keseredve... Mindent jól kötöttem be, a cső (bár vaterán vettem) épnek tűnik, fényes getter, fűtőszála szépen izzik, a nyák jó, a tervezésnél is figyeltem, h a csőfoglalat alulnézetből van ábrázolva az adatlapon... Mit tegyek?
(#) ZSozsóó válasza FeketeVipera hozzászólására (») Aug 22, 2013 /
 
Az első fokozat rácsán a -2,2V szerintem mérési hiba, hiszen bejött amire számítottam munkaegyenesből kiszámítva 120-150V között, tehát megfelelő katód rács elő feszültséggel megfelelő anód feszültség jött ki. A baj a második fokozattal lesz. A gondolatmenetedben is baj van, mert ha nulla V a katód, a rács rövidre van zárva a gain poti által, akkor 0V előfeszültsége van, ami azt jelenti, hogy inkább a nyitás felé megy a cső (nagy anód áram, lassan meginduló rácsáram, ami a rács komplexum ellenállásain ugyan ejthet feszültséget, így előállítva nullától eltérő előfeszültséget), ami az anód ellenálláson feszültséget ejtene. Így nem a plussz táphoz, hanem épp a földhöz lenne közelebb. Persze, ha nem folyik áram az anód-katód körben ,akkor nem is lesz katód feszültség sem, ez is világos.Én soha nem veszek vateráról, még az új, megbízható forrásból vet csövek között is ki lehet kapni rosszat. A bekötésed gyanítom jó, ha az egyik fele ment, gondolom a másikkal sem lehetett baj,de azért ellenőrizd. Jelenleg a második fokozatod anód ellenállásán nem folyik áram, ennyi biztos. Műszerrel mérd meg, hogy nincs e megszakadva a nyák pl, kövesd végig az anód ellenállást, 100k egyik fele csipog a táphoz, másik fele csipog az anódhoz. Ugyanígy a katód ellenállást is, rácsot meg vagy ellenőrzöd, vagy egy rövid vezeték darabbal leteszed a földre. Ellenállás értékeket is ellenőrizd, a katód ellenállás nem látom a rajzon mennyi, 6,3k? Nem-e véletlenül 68k vagy 680k vagy ilyesmi. 100k-re dettó. A 4,7k potit is kikötheted, az se zavarjon egyelőre. Ha ezek után sincs változás, akkor ha van egy foglalatod, akkor kidrótozhatod a dolgot, és az "ép" oldal triódáját rádrótozhatod a nyákra. Ha akkor épeszű értékeket mérsz ,akkor kukás az egyik trióda. Ha nem ,akkor továbbra is a panellal/alkatrésszel stb-vel lesz gond. Zs.
A hozzászólás módosítva: Aug 22, 2013
(#) ZSozsóó válasza davix95 hozzászólására (») Aug 22, 2013 /
 
2db is elegendő lehet ,ha pl az első fokozatod egy műveleti erősítős/bipoláris/más jfet tranzisztoros stb boost fokozat lenne. Úgy már kellő érzékenységed lenne egy rokkosabb torzításhoz szerintem. Akkor eldöntötted, hogy j201 lesz? Azok között is vannak gyengébbek és durvábban torzítani tudó példányok, egy kis méricskére fel kell készülni. Mik kellenek kb? Segítek megtervezni az áramkört, de légy szíves mondd el mit vársz tőle, mik kellenének rá? Mit tudjon...stb. Zs.
A hozzászólás módosítva: Aug 22, 2013
(#) ZSozsóó válasza ZSozsóó hozzászólására (») Aug 23, 2013 /
 
Még annyi jutott eszembe, nem is tudom tegnap miért nem, hogy a kimeneti kicsatolót most ráköthetnéd az első trióda anódjára. A kimeneti kcisatoló kondit kikapod a nyákból, egy darab dróttal egyik fele a hangerő potihoz, másik fele meg az első anódra, és ki lehetne próbálni. Így meggyőződetnénk arról, hogy az első fokozat működőképes! Aztán javasolnám azt, hogy ,ha működik ez az oldal, akkor tényleg egy másik foglalatot kellene bevetni, a "jó" oldal triódájának kivezetéseire vezetéket tenni és a nyákon odaforrasztani a "rossz" oldalra. (Persze a fűtésről sem szabad megfeledkezni.) Aztán mérni megint egyenfeszültséget. Ha ugyanez, akkor fel lehet egyelőre sóhajtani, mert a nyilvánvalóan jó triódának jónak kell lennie ott is ,ha minden jól van kötve. Akkor tényleg nyomozni kell, csipogni, mérni, megkeresni a hibát, lehet a foglalatban is a hiba pl...Ha viszont ott jó, akkor sajnos tényleg kuka az egyik oldala a csőnek ,de ezt kevésbé tartom valószínűnek, szóval annyira kukás triódával még ne mtalálkoztam (persze nem kizárt, csak én nem találkoztam), hogy abszolút ne emittáljon a katód egy fránya elektront sem, miközben a másik oldal jó vagy az andó annyira le legyen égve, hogy szakadás legyen gyakorlatilag. Kísérletezz, másként nem megy, ne keseredj el! Ez bárkivel előfordul. A Mesterem azt szokta nekem mondani: Zsolti, amiért nem dolgozol meg, az nem is a tied igazán! Én ehhez tartom magam, jóformán feldob egy- egy hibakeresés. Jó érzés a végén megtalálni és ami a legfontosabb, okulni belőle! Menni fog a dolog, csak adj bele mindent! Szép napot! Zs.
A hozzászólás módosítva: Aug 23, 2013
(#) davix95 válasza ZSozsóó hozzászólására (») Aug 23, 2013 /
 
Nagyon sok mindent nem várok tőle elég az erősítő hangszín szabályozó az van benne még valami mosfetes végfokra gondoltam elég kb 20W környékén de ha több az se baj van kb 20 db hangszóróm olyan 5W egy db de van 10w-os is viszont ennél: thor van az a Vref azt nem tudom ,hogy hova kössem.
(#) bodnar00 válasza davix95 hozzászólására (») Aug 23, 2013 /
 
A Vref az a két 10k-s ellenállással előállított fél táp, a másik Vref-hez kell hozzákötni. Az azonos jelzések mindig egymáshoz kapcsolódnak.
Következő: »»   239 / 317
Bejelentkezés

Belépés

Hirdetés
XDT.hu
Az oldalon sütiket használunk a helyes működéshez. Bővebb információt az adatvédelmi szabályzatban olvashatsz. Megértettem