Fórum témák
» Több friss téma |
Fórum » Házi feladat elmélet - tételek
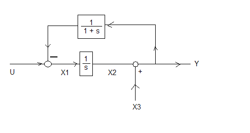
Sziasztok, lenne egy kérdésem, szabályozástechnikával kapcsolatban hátha valaki tud benne segíteni (iskolai példa), csatoltam egy ábrát, amiben meg kellene határozni
X1,X2,Y értékeket úgy hogy U=100, X3=10. Namost addig eljutottam, hogy X1 a gerjesztőjel és a felso 1/(1+s) tagon keresztüli visszacsatolás különbsége, X2 az X1 integrálja vagyis (ha jól gondolom): X1 = U - Y * [ 1 / (1+s) ] X2 = X1 * (1/s) Y = X2 + X3 Lehet tévedek és elnéztem valamit, de ez a kisebb gond. A nagyobb, hogy azzal, hogy U=100 és X3=10 nem nagyon tudok mit kezdeni. Hogy kell ezeket kezelni? Simán behelyettesíteni a fenti egyenletekbe és 'megoldani' őket vagy pedig egy inverz laplace transzformációval 'visszavinni' a kapott egyenleteket időtartományba ahol az 'x'-es tagok valami olyasmik lesznek hogy X(t) = exp(n*t) és az n-et adják meg az egyes 's' együtthatók? Valakinek esetleg van ötlete / emlékszik még erre amikor tanulta?
A 3 és a 4 egy derékszögű háromszög két befogója, az 5 az átfogó, a 0.93 pedig a háromszög egyik szöge radiánban mérve.
A hozzászólás módosítva: Jan 16, 2013
az a vektor hossza lesz a komplex algebrai alakot triginometrikusra alakitáskor pithagorasz tétellel kapod meg győk(3^2 + 4^2)
/* a komplex trigonometrikus és az euler alak átszámítása algebrai alakból hasonlo... */ A hozzászólás módosítva: Jan 16, 2013
Így már értem, köszönöm.
![]() Viszont közben találtam egy másik példát, aminél pont az ellenkezőjét kell a műveletnek elvégezni. U1(t) = gyök2 *sin(omega t + pi/4) V Ez átalakítva: U1 = e^(j pi/4) V. Eddig értem. De hogy lesz aztán az e^(j pi/4)-ből = gyök2/2 + j*gyök2/2 V? Mert ez a következő lépés, de valahogy nem látom az összefüggést.
A pi/4 radiánban a szög, esetünkben 45 fok, azaz a háromszög befogói megegyeznek.
Az e^ előtt egy 1* szerepel, tehát a háromszög átfogója 1, szögei 45 fokosak. Számold a ki a két befogót.
A befogó hossza szinusztétellel 1.3 lett, így még továbbra sem értem, hogy lesz ebből gyök2/2 + j*gyök2/2... :S
sin(45fok) = gyök(2)/2
ebből hogy lett neked 1.3?!?
Magát a befogót számoltam ki, nem a szöget.
De ilyen alapon, a feladat folytatásában, ahol a kezdeti érték:
2*e^(-j pi/2), hogy jön ki eredményként, hogy 2*e^(-j pi/2) = (4 - j2) V? A pi/2 az nem 90 fok, aminek a szinusza 1? Akkor nem (1-j)-nek kellett volna kijönni?
Szerintem az nem jó eredmény (egyik se).
pi/2-nél az egyik tényezőnek nullának kell lennie (sin(90fok) = 1, cos(90fok) = 0), a másik tényező pedig a 2 lesz, hiszen gyök(2*2+0*0)=2, szóval -2j, vagy valami hasonló kéne legyen az eredmény.
Valóban, tényleg elszámolta ez az észkombájn tanár... Így már minden stimmel, köszönöm a segítséget!
Újabb kérdésem lenne... :S
Adott egy számítás: 60 X -60j (X ez esetben a replusz jele) 60 X -60j = 60*(-60j) / 60 - 60j = 30 - 30j. A kérdés az, hogy hogy lesz a 60*(-60j) / 60 - 60j -ből 30 - 30j? Ha úgy próbálom egyszerűsíteni, ahogy a bode elemeknél szokás (immaginárius részt kiemelem és azzal szorzok mindent) úgy nekem a végeredmény csak simán "j". Vagy itt máshogy megy a levezetés?
Szia!
Leírtam neked a levezetést, 30-30j jön ki. Remélem érthető ![]()
Nagyrészt igen, arra viszont kíváncsi lennék, hogy a nevezőbe a 7200 hogy jött ki. Gondolom a két nevezőt kell összeszorozni, viszont úgy nekem 3600+3600j-3600j-3600j^2 jön ki, amiből megmarad 3600-3600j^2. Hogy lesz ebből 7200?
Jól csináltad, csak még maradt egy utolsó lépés, ugyanis j^2=-1 . Így 3600-(-3600)=7200.
Üdv lehetséges az, hogy -2223.64 legyen a megoldás Ai-re? Sajnos ennél szélesebb képet nem tudok csinálni csak nagyobb méretben.
Sziasztok!
Lenne egy kérdésem. Van egy soros RLC köröm. Ismerem ezeket az értékeket. R-1996 Ohm Xl-12 K Ohm Xc-30 K Ohm I-5A Amit meg kell tudnom: Ur-? Ul-? Uc-? Ueredő-? Z-? f0-(Rezonancia frekvencia)-? Ez a feladat kiszámítható az ismert értékekből? Ha igen akkor kérnék egy kis segítséget.
Szia!
A kérdésed egy kicsit ellentmondásos. Te megadtad a tekercs és a kondenzátor látszólagos ellenállását, de az a helyzet hogy ezek az értékek frekvencia függők és így már nincs értelme rezonancia frekvenciáról beszélni. A rezonancia azt jelenti, hogy olyan frekvenciát állítunk be, ahol a tekercs és a kondenzátor látszolagos ellenállása megegyezik, így kioltják egymás hatását. Olyan mintha a kondenzátor és a tekercs ott sem lennének, csak az ellenállás hatása érvényesül. Ideális rezgőkörnél(soros LC) rezonancia frekvencia esetén a kapcsolás rövidzárként viselkedik. Üdv, mate_x A hozzászólás módosítva: Jan 23, 2013
Én is ezt vettem észre ,hogy rossz adatokat kaptam.
Elektrótanárom agyszüleménye volt ez a feladat.
Az Xl és Xc értékek megadásának egy konkrét frekvencián van értelme.
Ugyanezen frekvencián ezekből kiszámolható a Z (az impedanciák összegeként), ill. a feszültségek (az áram és a különböző impedanciák szorzata). Az Xl/Xc arányból a konkrét frekvenciával számolt omega négyzet * LC hozható ki. A rezonanciafrekvencián ugyanez az arány 1 lesz, szóval a gyök(Xl/Xc) a konkrét frekvencia és a rezonanciafrekvencia arányát adja ki. Szerintem ennél többet nem lehet kiszámolni (és azt sem, hogy kettő közül melyik a nagyobb).
Sziasztok, 11.-es vagyok, és elektrotechnika elméletből lenne néhány kérdésem, kérésem(pénteken dolgozat). Számítások, jegyzetek érdekelnének többfokozatú erősítőkről(max 3 fokozat), Negatív visszacsatolású erősítőkről, ezeknek a helyettesítőképeikről. Elsősorban ami érdekelne: Ellenállásokon eső feszültségek számolása, bemeneti és kimeneti ellenállás, erősítés számolása(1. , 2. , 3. fokozatra és teljes erősítésre). Becsületesen tanulok mindig az órákra, de itt most megakadtam többet hiányoztam. Amit találok a füzetemben az DC, RC, transzformátoros kapcsolás. Ezeknek előzményeként tanultunk földelt emitteres, kollektoros és bázisos erősítőket, azokkal kapcsolatban is fogadok mindennemű segítséget. Ha valaki tudna segíteni, akkor nagyon megköszönném, teljesen el vagyok havazva :/ További szép estét!
hogy lehet ezt a feladatot megoldani, hogy hibátlan legyen? segítségeteket előre is köszönöm
http://kepfeltoltes.hu/130210/lastscan_www.kepfeltoltes.hu_.jpg
Sziasztok!
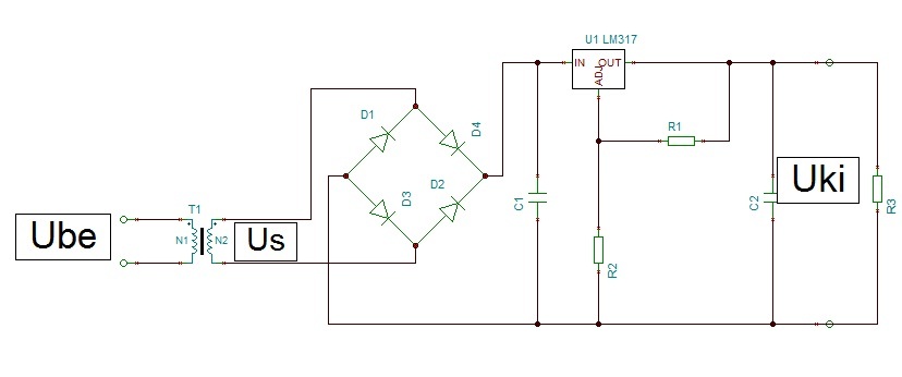
Kaptam egy iskolai feladatot: Tervezz egy stabilizált hálózati tápegységet a következő paraméterekkel: -Ube=230 V (AC) -Ikimax=3A (max terhelhetőség) -Uki=15 V (ez az érték mindenkinek más az osztályból) -transzformátor szekundér feszültsége: Us=?? teljesitménye: P=?? -graetz-hid (milyen fajtájú didódákból álljon), max nyitóáram: IFmax=?? max zárófeszültség: URmax=?? -C1,C2=?? -kondenzátorokon levő feszültség : UC1,UC2=?? -LM317-nek mekkora ellenállásai legyenek : R1=?? R2=?? -terhelőellenállás: R3=?? Ehhez szeretnék segitséket kérni, nagyjából a bekötési ábrát megcsináltam, de nemvagyok éppen elektronika zseni. Hogyan tudnám megoldani a feladatot? Jólenne egy kis segitség... (április 2.-ig van a határidő) mellékeltem képet A hozzászólás módosítva: Márc 31, 2013
Sziasztok.A segítségetekre lenne szükségem.Egy beadandó házi dolgozatot kell készítenem ami egy hangolható erősítőről szól.Ebben a dolgozatban benne kellene hogy legyenek a következők:kapcsolási rajz,beültetési rajz,nyák terv,elemek feladata és alkatrész lista.Esetleg ha valaki tudna segíteni annak nagyon örülnék.
Előre is köszönöm szépen. Tisztelettel:matekovacs
Sose értettem azt, hogy:
-ha tanultad, meg tudod csinálni -ha nem tanultad, akkor minek kérdezik?
Nem vagyok biztos, hogy jó amit írok, de kb. majd kijávítanak tanultabb kolegák.
Us = 19V (15+2+2*0,75) P => 57W (3A*19V) D1...D4 = P600M Ifmax = 6A (datasheet) Urmax = 1000V (datasheet) UC1 = 27V UC2 = Uki C1 = 2x2200uF C2 = 1000uF R1 = 200R R2 = 2200R R3max = 5R (Az LM317 max. 1.5A képes leadni. Vannak példa kapcsolások az adatlapban. Egyébként az adatlap jó kiindulópont mindig.)
Én ezt irtam neki:
Az Uszekunder kb13.5VAC 3A /~41W/ 13,5*(gyok2)-2*0,7v=17,69VDC Ez kapcsolodik az IC-re. /ebbol szabalyoz/ Az LM317 1.5A-s igy az IC-t meg kell fejelni egy tranzisztorral is majd. De ha LM350-et hasznalsz , mert az 3A-s akkor nem kell tranyo. A Diofa BY500 peldaul. Menjunk vissza felé az R3 minimum 5 Ω -nak kell lenni, mert 15V/3A =5 Ω Ha R1=8.2k es R2=68k akkor a kimeneti feszultseg 15.02V lesz. a C1-re, azt szoktak mondani, hogy Amperenkent 1000µF szuksegeltetik. S az IC be-kimenetere 100n hidegito kondi talan?
Hát nagyjából ugyanaz +- pár %, ami belefér. A hidegítő vagy C2 adatlap alapján 10-1000µF ha jól emlékszek.
Köszönöm a segitségeteket Ghoost és elektros90, ezekből az infókból és adatokból összegyúrok majd valami épkézláb áramkört.
|
Bejelentkezés
Hirdetés |














