Fórum témák
» Több friss téma |
Fórum » ICD2 - Kérdések - válaszok
Köszi szépen a segitséget,azt hiszem megépitem,a segítő kész fórumtársal kapcsolatban,még jó hogy vannak olyan segítőkész emberek mint te,köszi
Sziasztok!
A segítségeteket szeretném kérni! Van egy ICD2 -m és egyszerűen nem tudom a debug részét működésre bírni! Programozni tudok vele, ha a hozzá adott foglalatba helyezem az ICt, de ha megpróbálom, úgy hogy az IC a céláramkörben van akkor "Invalid target device"! Pedig szerintem már mindent át néztem és most már csak arra gondolok hogy valamiről nem tudok ami a működéshez kellhet! PGM földre húzva, PGD és PGC közvetlenül bekötve, VCC, GND bekötve, MCLR/VPP közvetlenül 1. lábra kötve és felhúzva VCC re ellenállással és védő diódával! Megpróbáltam már a céláramkörben és megpróbáltam ugyanezt úgy is,hogy az ICt össze raktam próba panelen a szükséges alkatrészekkel és ugyan az! Mi lehet amit elrontok? Kell valami extra beállítás? Valami extra alkatrész? Esetleg az ICben lévő programot kell valahogy módosítani? Szóval röviden a gond, hogy ha az ICt nem az ICD2 höz adott foglalatba rakom akkor nem látja az ICt. Boccs, hogy ilyen hosszú lett! Előre is köszi
áramköröd túlterhelheti az icd tápját,
ha van kondi a reseten akkor vagy teszel soros ellenállást, vagy kikötöd. mit mond az mplab - debugger - settings -status-self test? pgc-pgd lábara van drótozva más hw ami terhel?
Milyen PIC-et akarsz debuggolni? Azt lehet, amivel próbálkozol?
Status mondja mind: Pass, kondi nincs a reseten, pgc pgd lábon semmi más csak az ICD
amit próbálok debugolni 18f458 ! Azt nem lehetne?
Először az ICD2-t programmerként kiválasztva kellene eljutni odáig, hogy céláramkörben felismerje, és fel is programozza a chipet. Utána jöhet a debuggolás.
Ellenőrizd végig a vezetékeket, nem szakadt-e valamelyik.
hét igen! az sem megy, egyszerűen ha bármit a céláramkörben akarok csinálni az nem megy!
szakadás szerintem kizárva, mert a céláramk. ben is próbáltam meg aztán egyszerüen a picet összeraktam próba panelon (oszcillátor stb.) és úgy sem megy, de azt most vettem észre, pipi válaszából kiindulva,hogy ha a két táp találkozik (ICD,céláramk.) akkor a hiba üzenet mindig "Invalid target device id (expected=0x43, read=0x0)" de ha nem kötöm be az ICD Vcc-t a célák ba akkor sima programerként a hiba "Invalid target device id (expected=0x43, read=0xF)" debugerként pedig " Invalid target device id (expected=0x43, read=0x3) " mi a jelentősége annak a "read=0x?" -nek?
0x43=43 hexa, ezt kéne visszaolvasni, ehelyett 0fhex-et olvas hibásan.
nem túl hosszú az ICD kábeled? meg tudod szkópolni a jeleket?
szkópom sajna nincs, a kábel az gyári kábel, és az majdnem egyből a PIC lábaira megy
bizti jó a bekötésed? mclr,+5v,gnd,rb7,rb6.
mérd ki a csatit a jól működő adapterrel, melyik madzag, melyik lábra megy, utána meg az áramkörödben is ellenőrizd, ill bonts le minden egyeb dolgokat a lábakról. mennie kell ![]()
egyszerűen már nem tudom hol keressem a hibát mindent megnéztem
bár már odáig most eljutottam,hogy minidig mást olvas ki a PICből mármint Invalid target device read= mindig más erre esetleg ötlet
jut eszembe mi van ha bekötöm a PGM lábat is és nem földre húzom? Olyankor folyamatos 7ff et olvas
nem lehet ghogy már elhalt az a pic?
ha megkeresel kispesten, esetleg tudok segíteni. biztos elkötés vagy zárlat, ha a progizó adapterben meg jó
na újabb haladás! (a PIC 1ébként tuti 100% ék mert többször vissza raktam azóta a céláramkörbe (a nyákosba, mert most próba panelozok) és mennek időzítések az RS232, a szoftveres RS232 szóval szerintem nagy gondja nem lehet) szóval amit haladtam azt vettem észre ha nincs rajat az ICD a c.ák-n akkor a PORTD1 re helyezett LED világít ahogy a benne lévő szoftver szerint kell is, de ahogy rádugom elalszik! lehuzom akkor van hogy világít ismét de van hogy kell neki egy reset! Ötlet? Ha végképp semmi akkor lehet megkereslek! Előre is köszi!
nagyon hallgatsz mitől indult el
![]() nem nagyon szoktuk dugdosni ha programmer módban vagy, ott van fenn az ikon amivel elengedi a resetet, vagy meghúzza. ha debugger módban vagy akkor meg csak akkor fut a pic progi ha rá van dugva, ha lehúzod akkor megkukul
bocsánat csak nem voltam gépközelben! azóta nem volt időm foglalkozni a dologgal sajnos,de ha van fejlemény be számolok!
nem indult el 1ébként! a helyzet változatlan! le meg fel meg már elkeseredésemben dugdostam! próba szerencse hát ha az hozza a megvilágosodást
közben felmerült bennem egy kérdés! Van esetleg bámi köze az egészhez annak, hogy én laptopról használom az ICDt? Gondolok itt pl arra hogy estleg gyengébb az USBje, ha értitek mire gondolok. Nem tudom van e külömbség laptop és rendes PC között ilyen téren!
még egy kérdés! esetleg ebben valami hiba vagy ez attól független?
__CONFIG _CONFIG1H, _HSPLL_OSC_1H __CONFIG _CONFIG2L, _BOR_OFF_2L & _PWRT_OFF_2L __CONFIG _CONFIG2H, _WDT_OFF_2H __CONFIG _CONFIG4L, _DEBUG_ON_4L & _LVP_OFF_4L & _STVR_OFF_4L __CONFIG _CONFIG5L, _CP0_OFF_5L __CONFIG _CONFIG5H, _CPB_OFF_5H __CONFIG _CONFIG6L, _WRT0_OFF_6L __CONFIG _CONFIG6H, _WRTB_ON_6H & _WRTC_OFF_6H __CONFIG _CONFIG7L, _EBTR0_OFF_7L __CONFIG _CONFIG7H, _EBTRB_OFF_7H
debug_on csak akkor ha valóban debug módban van, a progi CSAK icd debug alól futtatható
Helló!
ICD0161: Verify failed (MemType = Program, Address = 0x0, Expected Val = 0x0, Val Read = 0x3FFF) ICD0275: Programming failed. ez mi lehet?
Nekem is ugyanezt a hibát írja ki az MPLAB programozáskor.Az öntesztnél minden Pass,a Power fülön minden feszültség megvan.Másik programozóban lehet törölni,írni és visszaolvasni a tartalmat a 16F84A-ból.--->Szerintem a PIC nem lehet rossz de akkor mi a baj?
Van ott feljebb egy másik üzenet, miszerint fel sem ismerte a picet...
Átforrasztottam az alkatrészeket, leellenőriztem az IC-k tápfeszültségét, külső tápról adtam 5V-ot a programozandó PIC-nek,sokadszorra leellenőriztem a programozandó PIC összekötését az ICSP csatival,semmit nem találtam.Valami ötlet, hogy hogyan tovább?
Mekkora tápfeszültséget és Vpp feszültséget mértél az ICD2-ben műszerrel?
Lecsekkotad az adat és a óra vezetékeket is? Működnek? (Megjegyzem nem tudom ,hogy az ICD2 nél az MPLAB támogatja e a vonalak kézi állítását, vizsgálatát ? )
Kiveszed a 16F877-et, és egyesével ellenőrzöd - a megfelelő lábakat tápra illetve gnd-re kötve - hogy a jelek eljutnak-e oda, ahová el kell, hogy jussanak.
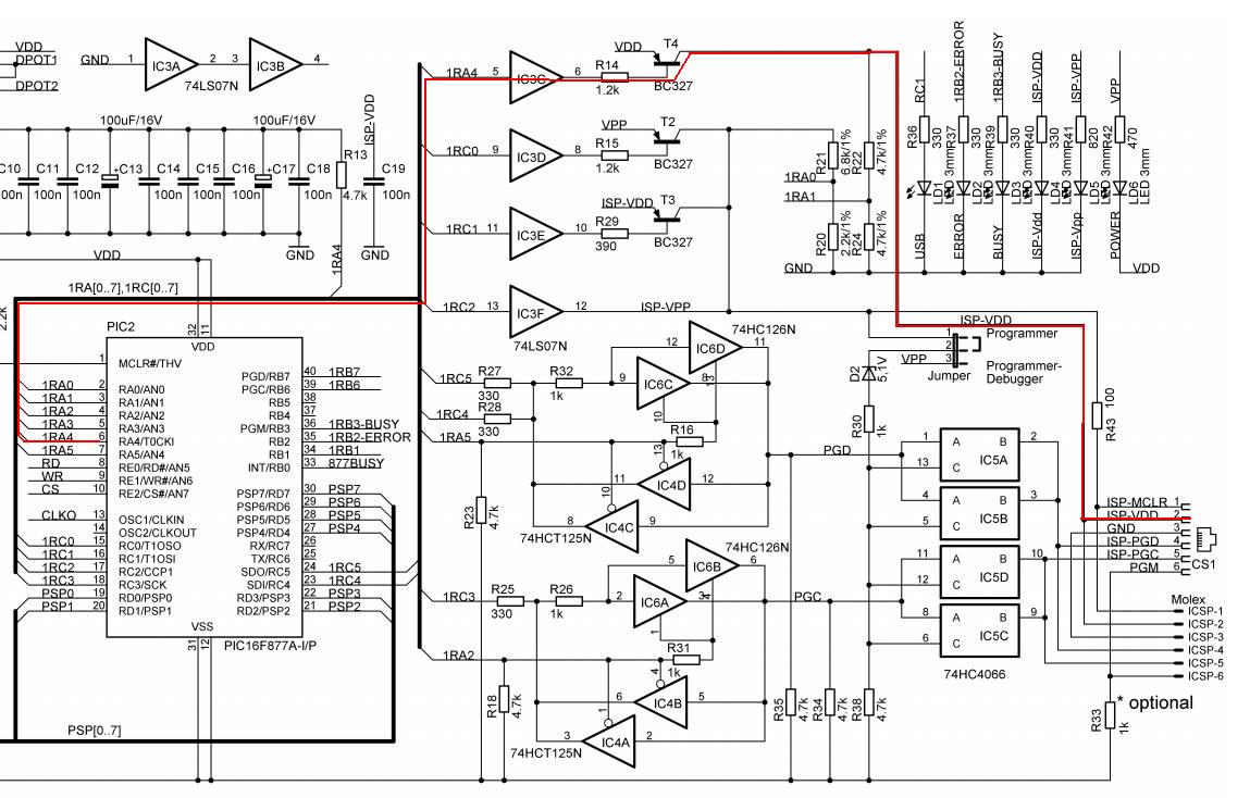
Légyszi egy kezdő PIC-ező számára írd le egy példával!Nem akarom tönkretenni ami még működik az ICD-ben. (RA4 --> ISP-VDD ez igy jó)Köszi.
Így ellenőrizzem le? pl. Ha kiveszem a 16F877-et és az ic foglalat lábát ahová az RA4 csatlakozik 5V-ra és gnd-re kötöm akkor annak meg kell jelennie az ISP-VDD-n?Jól gondolom!Csatoltam a kapcsolási rajz egy részét és pirossal bejelöltem.
|
Bejelentkezés
Hirdetés |












