OK
Mégsem
Hobbivasút
|
HESTORE
|
Kislexikon
Hírek
Cikkek
Fórum
OK
Hírek
Cikkek
Fórum
Lexikon
Segédprogramok
Apróhirdetés
Fórum témák
PIC kezdőknek
NYÁK-lap készítés kérdések
AVR - Miértek hogyanok
Ki mit épített?
Ez milyen alkatrész-készülék?
Elektronikában kezdők kérdései
[OFF] Pihenő pákások témája
- Elektronika, és politikamentes topik
ARM - Miértek hogyanok
•
Tápegységgel kapcsolatos kérdések
•
Gitár torzító / Effekt / Erősítő / Pickup
•
Érdekességek
•
DC motor/lámpa PWM szabályzása
•
RIAA korrektor
•
Felajánlás, azaz ingyen elvihető
•
Arduino
•
Gáztüzhely elektromos szikráztatója
•
Rendelés külföldről (eBay - Paypal)
•
Számítógép hiba, de mi a probléma?
•
K típusú hőelem alkalmazása
•
SDR (Software Defined Radio)
•
Gázkazán vezérlő hibák
•
Frekvenciamérő
•
Gigatron TTL számítógép
•
3D nyomtatás
•
Forrasztási 1×1 forrasztástechnikai miértek
•
Mosogatógép hiba
•
Elfogadnám, ha ingyen elvihető
•
Futópad
•
Házilag építhető fémkereső
•
Villanymotor bekötése
•
Castone erősítő javítás
•
Alternativ HE találkozó(k)
•
Akkumulátor töltő
•
Erősítő mindig és mindig
•
Energomat mosógép
•
Androidos okos telefonok
•
Dobozolási technikák, műszerdobozok
•
Mikrohullámú trafóból hegesztő
•
Opel Astra elektromos hibák
•
Kapcsolóáramkör MOSFET-tel
•
Frekvenciaváltó
•
LG okos tv
•
Labortápegység készítése
•
Vásárlás, hol kapható?
•
Vicces - mókás történetek
•
Mosógép vezérlők és általános problémáik
•
Kapcsolóüzemű tápegység
•
MyElecParts alkatrészkereső és készletnyilvántartó
•
Kombikazán működési hiba
•
Aszinkron motor teljesítményének meghatározása
•
Mikrokontrollerek zavarszűrése
•
Izzítás és izzítógyertya teszter
•
Motorindító kondenzátor
•
Philips TV
•
Szárítógép problémák
•
HESTORE.hu
•
Sprint-Layout NYÁK-tervező
•
Kazettás magnó (deck) javítása
•
555-ös IC-s kapcsolások
•
Bojler fűtése közvetlenül napelemmel
•
Autóelektronika
•
Videókártya probléma
•
Rádióamatőrök topikja
» Több friss téma
Fórum
Keresendő kifejezés
Keresés módja
Intelligens keresés
Hozzászólás keresés
Fájlmellékletben
Fájlmellékletben (képek)
Kategória
Minden kategória
Alapismeretek
Ellenállások
Kondenzátor
Áramforrások
Tekercsek
Kapcsolók
Érzékelők
Motorok
Műszerek
Egyéb
Analóg áramkörök
Erősítők
Szabályzók
Egyéb
Digitális áramkörök
Flip - Flop és tárolók
Kapuk
Vonali választók
Multiplexerek
Dekóderek
Demultiplexerek
Bufferek és meghajtók
Számlálók
Regiszterek
Aritmetikai áramkörök
Logikai áramkörök
Memóriák
Egyéb
Mikroprocesszorok
PIC
Memória / EEPROM
Memória / EPROM
Memória / RAM
Egyéb
AVR
STM32
STM8
Espressif, ESP
LPC
SAM
PIC32
ARM általános
Speciális
Csövek
A/D konverterek
Időzítők
Komparátorok
Egyéb
Technika
Audiotechnika
Fénytechnika
Vezérlés technika
RF technika
Méréstechnika
Keresés
Új téma nyitása
Lapozás:
1. - 50. elem
51. - 100. elem
101. - 150. elem
151. - 200. elem
201. - 250. elem
251. - 300. elem
301. - 350. elem
351. - 400. elem
401. - 450. elem
451. - 500. elem
501. - 550. elem
551. - 600. elem
601. - 650. elem
651. - 700. elem
701. - 750. elem
751. - 800. elem
801. - 850. elem
851. - 900. elem
901. - 950. elem
951. - 1000. elem
1001. - 1050. elem
1051. - 1100. elem
1101. - 1150. elem
1151. - 1177. elem
OK
17 / 24
65W.gif
50werosito2.jpg
40W TR.jpg
30-100W.jpg
Táp Tda2030.JPG
DSC03399.JPG
tda2030a_sin...png
tda2030a_sin...gif
TDA2030.jpg
TDA1554Q.gif
tda2030+tran...gif
DSC00005.JPG
Untitled-1.jpg
DSC00002.JPG
DSC00001.JPG
tda.JPG
TAP.jpg
javított t...jpg
tápom.jpg
egyen 2.JPG
egyen 1.jpg
trafó_hűt...jpg
módosított.JPG
tda 2030 -2..jpg
tda 2030.gif
2030sch.JPG
2030.JPG
S7301683.JPG
S7301682.JPG
78xx.jpg
K-0008.jpg
K-0005.jpg
tda2030 40w.jpg
IMGP1670_res...jpg
IMGP1669_res...jpg
IMGP1667_res...jpg
tap.JPG
100_7713.jpg
100_7712.jpg
100_7711.jpg
100_7710.jpg
IMG_0110.JPG
IMG_0109.JPG
IMG_0108.JPG
IMG_0107.JPG
IMG_0099.JPG
IMG_0008.JPG
tda2030NYÁK.gif
tda2030NYÁK...gif
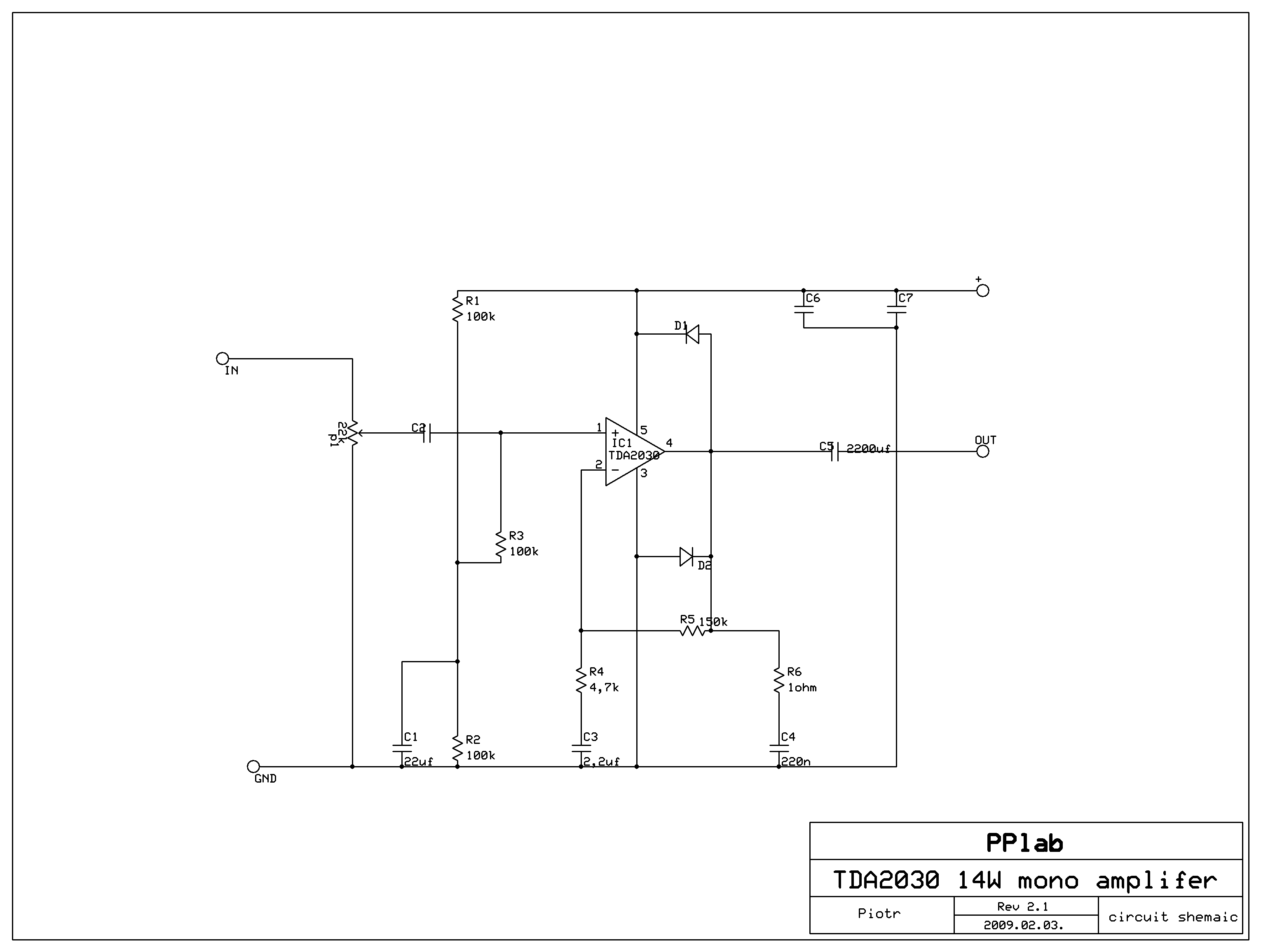
tda2030circu...gif
Következő:
1. - 50. elem
51. - 100. elem
101. - 150. elem
151. - 200. elem
201. - 250. elem
251. - 300. elem
301. - 350. elem
351. - 400. elem
401. - 450. elem
451. - 500. elem
501. - 550. elem
551. - 600. elem
601. - 650. elem
651. - 700. elem
701. - 750. elem
751. - 800. elem
801. - 850. elem
851. - 900. elem
901. - 950. elem
951. - 1000. elem
1001. - 1050. elem
1051. - 1100. elem
1101. - 1150. elem
1151. - 1177. elem
»»
17 / 24
Bejelentkezés
Felhasználónév
Jelszó
Jegyezz meg!
Belépés
» Elfelejtett jelszó
» Regisztráció
Hirdetés
A használat feltételei
•
Adatvédelem
•
GY.I.K., Használati útmutató és szabályok
•
Impresszum
•
Elosztó
•
Hiba jelentése
Az oldalon sütiket használunk a helyes működéshez. Bővebb információt az
adatvédelmi szabályzatban
olvashatsz.
Megértettem