Fórum témák
» Több friss téma |
Fórum » Inverteres hegesztőtrafó
Köszi a választ. Tehát az igbt g/s lábai közé tegyek egy 10nf kondit és nézzem meg úgy? A dioda neve nem RURP6030 akar lenni?
Üdv.: Zoli!
Ha az igbt már be van forrasztva akkor ne így jó, a dióda RURG 3060CC 600 V 2 X 30 A TO-247 Tr=55ns.
A hozzászólás módosítva: Ápr 25, 2014
Szia. Itt néz körül http://www.kontel.hu/ itt van 60APU04 és még sok minden.
Az IGBT-k rajta vannak a bornán de nincsenek beforrasztva. Igazából a kerámia szigetelő lap miatt tettem be hogy biztos elég lesz-e, és ráfér-e még a hőkapcsoló is mellé vagy sem
![]() Kondit simán tudom forrasztani a helyére ![]() Üdv.: Zoli
Ok. Köszi a tippet meglesem mi van náluk. Én a www.tme.eu-ról szoktal rendelni
![]() Üdv.: Zoli
Szia Zoli!
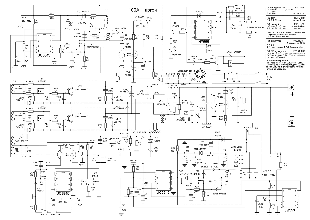
Volna pár kérdésem. Hova fogod forrasztani a 2µF/630V -os kondenzátort? A kicsi ventilátor feltétlenül szükséges? A diódák hűtőbordája, megfelelő nagyságú?(ne ez legyen a leggyengébb láncszem) A főtrafót úgy vitelezed ki mechanikailag, hogy tartsa a diódás hűtőbordához rögzített plusz hűtőbordát? Nem azért választottad ketté az IGBT-ék bordáját, hogy ne keljen alájuk szigetelő, ami eleve rontja a hővezetést? Mi a neve a hűtőbordáknak ?(van ilyenem bontásból 40 cm, szeretnék még vásárolni belőle) A segédtápfeszültségre fokozottan ügyelj. Egyébként idáig jól néz ki.
Upsz
A kondi lemaradt a panelról, de elméletileg a főtrafó lábainál marad elég hely neki, még bele is tudom fúrni a panelba A kis ventilátor azért került rá a graetzhídra, mivel nem tudom mennyi hő fog rajta keletkezni. A hűtőborda mérete elég kicsi. A diódák hűtőbordája nem a végleges, csak ezt találtam panelra szerelhető kivitelben. Mivel mérete nem a legnagyobb így ez majd a főtrafó beültetése után változni fog. Gyakorlatilag rá lessz hegesztve plusz hűtőfelület ami majd a főtrafó főlé nyúlik, bordákkal a trafó felé, hogy az előlapba szerelt ventilátor a lehető legnagyobb hatásfokkal üzemeljen. De nem ér hozzá majd a maghoz. Igen az IGBT hűtőbordája azért lett ketté választva hogy ne kelljen az IGBT alá szigetelés, viszont ettől függetlenül a HFA diódák is erre vannak szerelve, és ezek alá viszont kell a szigetelés. Segédtápnak van egy impulzusüzemű 12V/3A tápom, amiket itt a cégnél nagyüzemben használunk 24/7-ben. 110V-tól már üzemel és amióta itt vagyok a cégnél még egy sem romlott el belőle (10éve) Remélem nekem sem fog Csatolok 1 képet a nyáktervről. Itt találod a hűtőbordátÜdv.: Zoli
Én már sok helyről rendeltem, Kína. Bulgária és persze itthonról is, mindig próbálom megkeresni a legolcsóbb helyet. Persze külföldi rendelés az kb 2 hét az itthoni 2 nap persze ha van.
Sajnos mivel én külföldi vagyok, így a Magyarországi webshopok nem igazán szállítanak ki hozzám
Ezért maradnak azok, melyeknek van képviselete nálunk is Üdv.: Zoli.
Szia. Hazaértem, hamar beforrasztottam a kondikat és íme a képek.
Üdv.: Zoli
Ok. Akkor próba képen mennek bele IRFP460-ak, abból van itthon bőven
IGBT-k majd csak próba után. Ha jól néztem az adatlapot oldalanként 2db olyan 26-30A körül bír ki 100 fokon.Üdv.: zoli
Sziasztok.
Kész lett a MMA TIG-es gépem is,mivel közben egy macit is összedobtam.Pár kép róla,bekapcsolt állapotba elfelejtettem lekapni,üresjárati fesz 80V,freki 50KHz.A nagyfesz gyujtás nem az erederi rajz szerinti,az is működik csak nekem volt egy javíthatatlan nagyfeszgyujtásos gépem és arra építettem rá a vezérlést.
Szép munka. Sajna az én macim még csak készülget. Még nem érkezett meg a főtrafó magja sem, de azért én is folytattam a munkát vele
![]() Üdv.: Zoli
Sziasztok.
Ma kipróbáltam a gépet,szépen hegeszt.TIG módban a nagyfesz folyamatosan rajta van,minden gép így működik?Vagy van időzités és X idő után kikapcsol?
Szia Sándor!
A gyári gépeken a nagyfesz csak egy kis ideig van rajta, pár másodperc az ív begyújtása után. Ha az ív nem gyullad be, akkor kétszer- háromszor próbálkozik, majd leáll. A hozzászólás módosítva: Ápr 28, 2014
Szia Sanyi!
Meg kell,hogy mondjam,s ez nem hízelgés,de nagyon büszke vagyok rád!
Szia Sanyi!
Ha a gép tudja az AC üzemet is, ott rajta van a nagyfesz hegesztés alatt is, bár ezt is gépe válogatja. DC üzemben a nagyfesz gyújtás mindig kikapcsol abban a pillanatban, ahogy az ívcsatornában a hegesztőáram kialakult.
Lehet még kell bele egy kis logikai vezérlő elektronika.
Igen, pontosan így van. A legtöbb gyári gépben figyelik a szekunder áramot és ha az a minimálisan beállítható áram értékét elérte, a nagyfesz kikapcsol. Egy komparátor IC és némi kiegészítés és már működik is.
Köszönöm Gábor,és a többiektől az építő jellegű hozzászólást.Tegnap túl fáradt voltam agyilag,a vezérlésnél van egy pont ahol rá tudok mérni hogy lekapcsol-e vagy folyamatosan rajta van.Volt egy érzésem hogy nem lehet folyamatosan rajta,mert a gyári gyújtást egy két áramkörös kapcsolón keresztűl kapcsoltam TIG állásba,és a nagyfesz most rossz helyen csattog.Na mérek és javítok.
Sziasztok.Ott tartok hogy minden rendben.Raktam be egy időzítést,ami Kb 6 sec után lekapcsolja a nagyfeszt.Minden gomb nyomásra újra indítja.A szikra köz a fet cseréjével lecsökkent KB2mm-re a 4 helyett,de azért begyujt rendesen.Na itt tartok,de szerintem ezzel végeztem.
Sanyi! Ne időtaggal kapcsold le a nagyfeszt, mert a varrat kezdetén gondot fog okozni a varratminőséggel, hanem a szekunder áram figyelésével. Ezt egy mágnestér érzékelővel is megoldhatod, amelyik előtt elvezeted pl. a test kivezetését.
Ha gondolod rajzolok egy egyszerű vezérlést.
Az első bekeretezett kapcsoló az áram kapcsoló, ez lehet egy reed relé-re tekert munkakábel vagy bármi megoldású áram kapcsoló. A másik kapcsoló a pisztoly gombja lenne de ne ezt kösd az áramkörbe hanem egy relén keresztül, a relé tápja ne a vezérlés tápja legyen a zavarok elkerülése miatt.
Az első kapunál a 470k 1µF adja a gáz előáramlást, a 2. ésnem kapu kimenete L szint ha nem folyik az áram ÉS nyomjuk a gombot, ezt az időt limitálja a kimenetén RC tag, a relé kapcsolja a szikrát, a kapcsolás alsó fele a gázszelepet kapcsolja, ha megnyomjuk a gombot azonnal be kapcsol ha folyt áram akkor még kb 5 másodpercig bekapcsolva marad. Ellenőrizzétek így jó lesz-e!!!
Egyszer csináltam ilyet egy MMA géphez. 0,6 sec-es időzítéssel tökéletesen működött.
Sziasztok! Kezd alakot ölteni a maci
Még a szekunder diódák hiányoznak és nincs átalakítva a hűtőbordájuk sem. Még nem tudom hová teszem a 2,2µF 630V kondit, de majd kitalálok valamit A vezérlés főle kerül még a segédtáp.Üdv.: Zoli!
Szerintem nem az áramot figyelik, hanem a feszültség változást, mert azt könnyebb... - a mellékelt rajz alapján én azt gondolom.
Szerintem az a fojtó nagyon fog melegedni. Erről a képről úgy látszik hogy teljes takarásban van. Ha megy majd a gép, kis járatás után ellenőrizd mi melegszik a legjobban és arra tedd a hőkapcsolót.
|
Bejelentkezés
Hirdetés |





















