Fórum témák

» Több friss téma
Fórum » IrDA probléma
Lapozás: OK   1 / 2
(#) szgabor hozzászólása Szept 22, 2006 /
 
Sziasztok!
Bedobozoltam végre a TFDS4500 alapú IrDA modult, amit építettem, de nem akar működni. Pár hónapja, amikor csak úgy csupaszon, krokodilcsipeszekkel összekötve kipróbáltam, elsőre ment. A küldés-LED időnként villog, a webkamerával látni, hogy az IR LED világít. A telefon még válaszol is a jelekre, legalábbis egy-egy pillanatra felvillan azon is az IR, ezt pedig máskor nem csinálja. Kipróbáltam a távszabályzóval, hátha bármilyen IR jelre visszajelez, de nem, tehát valószínűleg a vétellel lehet a gond. Vezetékek rendben. Mit javasolnátok, mivel próbálkozzak?
(#) árpix válasza szgabor hozzászólására (») Szept 22, 2006 /
 
Heló !

Vedd ki a dobozból és próbáld meg úgy.
(#) bbatka válasza szgabor hozzászólására (») Szept 22, 2006 /
 
Szerintem meg a PC-s programmal lesz a gond. Vagy a driverével.
Szerintem nem kellett volna ezért egy fórumot nyitnod, mert már van hasonló. Előre látom a sorsát. :wilting:
(#) árpix válasza bbatka hozzászólására (») Szept 22, 2006 /
 
azt mondja egyszer már ment doboz nélkül, már én is játrtam úgy, hogy nagyon megszűrtem és nem ment.
(#) szgabor válasza bbatka hozzászólására (») Szept 22, 2006 /
 
Ez volt az első, amire gondoltam. Egyébként a Windows sem ismeri fel. Amikor ment, akkor a Windows kiadta a beállított hangeffektet, és megjelent egy ikon az óra mellett. Most semmi sem történik. A másik winyón levő rendszerrel is kipróbáltam, nemrég lett újratelepítve, de azzal se megy.
(#) szgabor válasza szgabor hozzászólására (») Szept 22, 2006 /
 
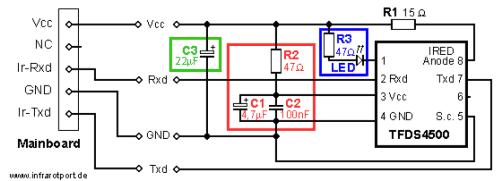
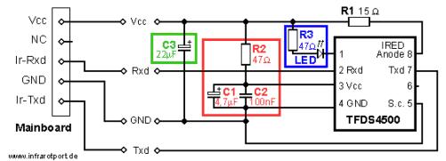
A kapcs. rajzot elelejtettem belinkelni, de most megteszem:
http://infrarotport.de/alles_plan.GIF
(#) szgabor válasza árpix hozzászólására (») Szept 23, 2006 /
 
Árpix tanácsát megfogadva leforrasztottam az összes vezetéket, és megint krokodilcsipeszekkel kötöttem be. Nem jó. A forrasztások pedig épnek tűnnek, és nem hiszem, hogy szoftveres hiba lenne.

Ez a TFDS4500 csak egy jelerősítőt tartalmz, igaz? Azért kérdezem, mert akkor ha akármilyen IR fényt adok neki, az RX-en fesznek kellene megjelenni, márpedig a gyakorlatban nem ez történik.
(#) Norberto válasza szgabor hozzászólására (») Szept 23, 2006 / 4
 
Lehet, hogy a vevőrésze elszállt...[pic]http://www.onceawave.org/archive/allhands.archive.0503/smiley%20fac...11.gif[/pic]
(#) _JANI_ válasza szgabor hozzászólására (») Szept 23, 2006 /
 
A TFDS lábain megvan a tápfesz?
Az adatvezetékeket nem cserélted fel véletlenül?

Ha ezek rendben megvannak,
akkor legegyszerűbben egy (pl: TV) távirányítóval tudod leellenőrizni a vevő működőképességét. A távirányitó jele az RxD kimeneten meg kell, hogy jelenjen. Vedd figyelembe, hogy a kimenete alacsony aktív szintű és így a GND-ez képest 0V (L szint) lesz, amikor a vevő aktív; inaktív állapotban (közel) a chip tápfeszültségét (H szint) kell mérned.
Visszajelzést a TFDS (TFDU)-hoz egyszerűen tudsz készíteni egy 7404 (7405, vagy 7406) felhasználásával. Méghozzá az ezen a lapon leírt módon. Nekem ezzel bevált a kontrol...

Vagy ahogy "(#41931) Norberto" mondta....
(#) szgabor válasza _JANI_ hozzászólására (») Szept 27, 2006 /
 
A hiba oka: belső szakadás az RX lábnál. Amikor pákával megmelegítettem, hirtelen megjavult, aztán pár másodperc múlva ismét elromlott. Aztán négy-öt ilyen ciklus után üzemképes állapotban maradt. Egyelőre működik...
(Azért köszi a segítő szándékot!)
(#) cassis hozzászólása Feb 9, 2007 /
 
Sziasztok!

Csináltam MPC2140 el és TFDU 4100 IRDA portot. Sikerült is összeállnom laptoppal. A kapcsolat azonban mobiltelefon fele nem jött össze. Mi lehet az oka?
Tudna valaki ebben segíteni?



(#) Last_Scout válasza cassis hozzászólására (») Feb 9, 2007 /
 
aikor bekapcsolod az infrát a telefonon, és az irda elé teszed, akkor nem is jelenik meg semmi cucc a tálcán, hogy ügyködne valamit?
(#) cassis válasza Last_Scout hozzászólására (») Feb 9, 2007 /
 
A mobiltefont felismeri "hatotávolságon bellül van a NOKIA 6230" , de nem tudok vele kapcsolatba lépni.
(#) Last_Scout válasza cassis hozzászólására (») Feb 9, 2007 /
 
hát ilyen nekem is volt, valamikor azt csinálta, hogy elkezdett telepíteni valami modemet, amikor elé tettem a telefont, és utána nem lehetett vele kezdeni semmit, de mostmár nem csinálja, pedig ugyanaz a telefon, még a windwos sem lett újratelepítve, igazából azóta nem csináltam vele semmit, a telefonban meg nincsenek az infrára vonatkozó beállítások...
(#) cassis válasza Last_Scout hozzászólására (») Feb 9, 2007 /
 
A fő problémám továbbra is az, hogy miként lehetne MCP2140 és a telefon között IRDA átvitelt csinálni.
(#) eSDi válasza cassis hozzászólására (») Feb 9, 2007 /
 
Lehetséges, hogy csak Modemként tud működni a telefon. Milyen progival próbáltad? Nokia PC Suite-al lehet, hogy menne a dolog...
(#) titi válasza cassis hozzászólására (») Feb 9, 2007 /
 
Hali!
Próbáltad más tipusu teloval? pl:sony-ericsson
bizonyos telefonok nem hajlandoak müxeni,
aszem a régebbi 1.1-es irdat használják.
Az asszony samsungja is ilyen, ua.-az infrával az én sony-m meg megy.
régebben az övét Win Me alatt sikerült müködtetnem,
mahinálni kellet a vezérlőpulton, másképp tettem fel, mint a Win tette.
U.e. a beállítási módot viszont Xp alatt nem lehet megtenni, nem lehet másképp, ezért 2 rendszert használtam xp,me.
szóval, ha más telóval megy, akkor a teló a ludas, ez esetben esetleg Win me.
(#) tibiiii00 hozzászólása Feb 11, 2007 /
 
Helló!!
megcsináltam az Irda adó vevőt, bedugtam a gépbe
és a led folyamatosan világít és a 15Ohmos ellenállás nagyon melegszik. Mi lehet a gond?
(#) Last_Scout válasza tibiiii00 hozzászólására (») Feb 11, 2007 /
 
melyik kapcsolást?
15 Ohm???
(#) tibiiii00 válasza Last_Scout hozzászólására (») Feb 11, 2007 /
 
Ez a kapcsolás volt az
és smd vel csináltam az egészet
van kép arrol is de az nem az enyém
(#) vicsys válasza tibiiii00 hozzászólására (») Feb 11, 2007 /
 
biztosan tfds4500-t raktál bele? (ha jól tudom kivonták a forgalomból, de van helyette vmi más-de az nem lábkompatibilis)
(#) tibiiii00 válasza vicsys hozzászólására (») Feb 12, 2007 /
 
uff

tényleg más lábkiosztás ááááááááá
szted elszállhatott az infra ha rosszul kötöttem be???
Ja és kösz!
(#) vicsys válasza tibiiii00 hozzászólására (») Feb 12, 2007 /
 
Jó kérdés...
Nem veszítesz semmit ha kipróbálod...
(a nagyobbik gond ha az alaplapod nem bírta a kiképzést....)
(#) Balu hozzászólása Feb 12, 2007 /
 
Ez egy igen fura kérdés, de miért nem világít az infra led, ha csak "simán" ráküldöm a lábára a feszt? Próbáltam több leddel, fordított polaritással, 1-3 volt között, de nem láttam, hogy világítana! Persze digifényképezővel néztem, és a távirányító ledjét pedig láttam vele... Hogy lehetne megoldani???

üdv Balu
(#) Kocska hozzászólása Márc 7, 2007 /
 
Sziasztok!

Építettem egy infra portot a kapcsolás alapján csak TFDU4101 el. Nem akar működni nem érzékeli a telefont meg semit se lehet vele csinálni. Mi lehet vele?
(#) Pulyka hozzászólása Máj 29, 2007 /
 
Hi

Még nem építettem meg az ezen oldalon található Irda kapcsolást,de amint apámnak megmutattam,lebeszélt róla,mert ha nem jó,esetleg hibás,akkor volt egy alaplapunk
Ez mennyire biztos,hogy nem teszi tönkre az alaplapot?
A helyes bekötéssel nem lenne gond,kivétel,hogy az alaplapi Irda csatlakozónak nemtom,hogy melyik lába melyik-melyik?
ezt hogy lehet kideríteni?
(pl az alaplapon melyik tüske a Vcc,vagy az Ir-RXD?)

Köszi előre is

IRDA.jpg
    
(#) Norberto válasza Pulyka hozzászólására (») Máj 29, 2007 /
 
Hát pedig bátran ajánlom a megépítését...a saját gépemben kb 2 éve üzemel egyfolytában teljesen ugyanez a kapcsolás!!!

Illetve kb. egy éve építettem be még 2 számítógépbe ugyanezt, és azok is teljesen jól működnek azóta!

Nem igazán lehet elrontani ezt!

Egyedül a csatlakoztatásnál kell nagyon figyelni, és ha elsőre jól dugod rá, egyáltalán semmi gondot nem okozhat az alaplapon!

Az alaplapok leírásában eddig mindig találkoztam egy bemutató résszel, ahol különös figyelemmel volt ismertetve az alaplapi infra csatlakozó! Helyesebben minden egyes tüskéhez oda volt írva, mit kell rákapcsolni...szépen be volt mutatva az az 5 vagy 6 db tüske, és mindegyik mellé kommentezve volt pl. hogy Vcc, vagy RxD, esetleg TxD, stb, stb.

Nézd meg jó alaposan az alaplapi leírásban!

Ha megadod az alaplapod pontos típusát, én is segíthetek megtalálni rajta a megfelelő leírást!
(#) Pulyka válasza Norberto hozzászólására (») Máj 29, 2007 /
 
Hi

Köszi!
Szerencsére az alaplapom eredeti új(doboz,papírok,szoftver)
,de sajnos P3-as,egy P4-es már csak használt állapotban jőhet szóba
na mind1

Valahogy gyanítottam,hogy az alaplap papírja tartalmazza a lábkiosztásokat
Amugy van az alaplapomon Irda,már korábban cserélgettünk pár dolgot a gépben,és találkoztam vele
Az már megint másik kérdés,hogy lehet-e még kapni ilyen típusú "adó-vevőt"
de majd pesten megnézzük(Lomex)
(#) Norberto válasza Pulyka hozzászólására (») Máj 29, 2007 /
 
Ha még nem vásároltátok meg, el tudom küldeni baráti áron...vagy akár személyesen is fel lehetne keresni ezügyben...

Nekem ugyanis több száz (szó szerint) ilyen lapul/porosodik a polcon, szívesen adok belőlük baráti áron!
(#) _JANI_ válasza Pulyka hozzászólására (») Máj 29, 2007 /
 
Norberto mellett szólva, én is ezt az alaplapi IRDA-t támogatom. S egy pár nálam is szerencsésen működik intel és AMD alaplapokon. Természetesen az alaplapi DOKSIT nagyon szigorúan be kell tartani (ábkiosztás, tápfeszültség), mert az intel alaplapok IRDA csatija más kivezetéseket részesít előnyben. De ezt az alaplap doksija tartalmazza!!!! Valamint a beállításra is ad tanácsot (rendszerint angolul)!

JA!
Az USB-s IRDA-is működik. De ha van alaplapi IRDA-csati is, akkor miért ne az dolgozzon!?
A kettő nem szereti egymást!!!

Sok sikerrt!
Következő: »»   1 / 2
Bejelentkezés

Belépés

Hirdetés
XDT.hu
Az oldalon sütiket használunk a helyes működéshez. Bővebb információt az adatvédelmi szabályzatban olvashatsz. Megértettem