Fórum témák

» Több friss téma
Fórum » Junoszt-406B
 
Témaindító: Thowra, idő: Máj 17, 2007
Lapozás: OK   4 / 10
(#) lacika321 hozzászólása Aug 7, 2008 /
 
Szevasztok!
Kaptam egy junosz 402 d-? ,sajnos nem ismerem az orosz betüket ! Piros szinü külön UHF sávos, dobváltós.
Ha tudna valaki nekem hozzá valaki kapcsolási rajzot panel és beültetési rajzzal küldeni azt megköszönném!
(#) burgdavid hozzászólása Aug 29, 2008 /
 
Sziasztok! Egy junosztot próbálok rávenni hogy a 486os laptopom képernyőjeként működjön, de a kép minden irányba tud mozogni. Valahogy rá kéne vennem hogy a laptop jelére szinkronozzon a tv. A videojel a kontraszt potira egy 4148as diódán meg egy 47µF os kondin keresztül jön a laptopból. Melyik részen találom a két eltérítést, ahová be tudom kötni a H sync és V sync jelejet a laptoból?
Jah ez 402BC, és elég újszerű belseje van neki, mert nem fémsipkásak a tranyók, hanem TO-92 es kinézetűek, meg az elkókon is van szép orosz feliratos műanyag cső. Összehasonlítva egy régebbi panellel, a panel mintázata ugyanaz.

DSC01274.JPG
    
(#) Imi65 válasza burgdavid hozzászólására (») Aug 29, 2008 /
 
Kedves Dávid!
A rajz közepén van a szinkron fokozat, a T19-T21-el felépítve. A vízszintes eltérítés ellenfázisú szinkronjelet igényel, ez a T19 emitteréről és kollektoráról van elvezetve. (KT23-24 mérőpont.)
A függőleges szinkronizáció a szétválasztó szűrő után következik(R84, C74, R83, C73, R77) (KT22 mérőpont), itt tudod a blocking oszcillátort szinkronizálni. Ennek megvalósításakor mindenképpen kicsit bele kell piszkálni a TV-be, a próbák döntik el, hogyan. Szkóp nem ártana a jelalakok vizsgálatához.
Szerk: Az eltérítő fokozatokat a rajz alján találod meg, először a függőlegest, majd a vízszintest.
(#) burgdavid válasza Imi65 hozzászólására (») Aug 29, 2008 /
 
Szia Imi!
Köszi a gyors választ
Énis gondoltam hogy rászkópolok a VGA jelre, hogy egyáltalán milyen jelet ad ki magából. Az elején próbálgattam a video bemeneten a szinkron jeleket amit kiad a gép, az egyik egy függőlegesen mozgó víszintes csíkot eredményezett, a másik meg egy víszintesen mozgó szélesebb függőleges csíkot. Mindketttőt meg lehetett "állítani", de nem maradtak stabilan. Jameg a függőleges csík a kép közepén áll meg, ha sikerül megfogni Az lehetne megoldás, hogy "ráültetem" a videó jelre a szinkronokat?
(#) Imi65 válasza burgdavid hozzászólására (») Aug 29, 2008 /
 
Az rajta van az eredeti TV-s videojelen is. Az említett kétfokozatú erősítő (leválasztó) még a videó végfok elől, a T8 kollektoráról kapja az összetett videojelet, és onnan választja le arról a szinkronjeleket. Neked azért nem szinkronoz. Esetleg próbáld meg, hogy a T8-as bázisára teszed a videó jelet, ha az tartalmaz szinkronjeleket is, akkor annak le kell(ene) tudnia így választani. A VGA jelet nem ismerem, fogalmam sincs, tartalmaz-e szinkronjelet, vagy az külön éren jön?
(#) burgdavid válasza Imi65 hozzászólására (») Aug 29, 2008 /
 
Külön két szál van a víszintes és függőleges szinkronnak! azért gondoltam egy kondival rátenni a videó jelre. De szerintem stabilabb lesz ha bekötöm a mérőpontokra Majd mindjárt kipróbálom
(#) Imi65 válasza burgdavid hozzászólására (») Aug 29, 2008 /
 
A vízszintesnél iktasd be a tranyót (T19), hogy ellenfázisú jeled is legyen.
(#) bokrosbarnabás hozzászólása Nov 27, 2008 /
 
Hello mindenkinek!
Olyan kérésem lenne hogy akinek van 2-3Db RT906A s tranzisztor Junoszt-406B s TV be az íron legyen szives!
(#) Imi65 válasza bokrosbarnabás hozzászólására (») Nov 27, 2008 /
 
Az GT906A, az a sorvégtranzisztor, Abból 1 db van a TV-ben.
(#) bokrosbarnabás hozzászólása Nov 27, 2008 /
 
Igen azt tudom!De nem nekem kéne!És azért kéne mert most ki ment benne És kéne pótnak is.
Nagybátyámnak kéne mert szegény nem tudom de eszi ezt a tranyót
(#) Imi65 válasza bokrosbarnabás hozzászólására (») Nov 27, 2008 /
 
Van ott egy 500 mikrós elkó, aminek a tetején át van "vetve" egy rögzítő drót (a képcsőnek kivágott lyuk, és a sorkimenő között van), azt cseréld ki, nézd meg a tápfeszt, stb. Ezek miatt szokott "elszállni"...
(#) bokrosbarnabás hozzászólása Nov 28, 2008 /
 
Jólvan köszi!De egyébként Junoszt 402B a TV fajtája!
És ha valaki tudna nekem adni linket hogy honnan rendeljek ilyet megköszönném
(#) Imi65 válasza bokrosbarnabás hozzászólására (») Nov 28, 2008 /
 
Ilyet - pontosan - egész biztos nem tudsz szerezni. Előfordult, hogy hogy anno garanciális javításhoz sem küldtek az oroszok. Ilyenkor egyéb Ge sorvégtranzisztorokat építettünk be (AU xxx). Amikor ehhez sem jutottunk hozzá, akkor BD246c-t raktunk be, de itt - már nem emlékszem hova - be kellett forrasztani egy 47n 400V-os kondit, máshol meg át kellett vágni a fóliát, egy - talán - Ge diódát nyitóirányba be kellett forrasztani. De mind a sormeghajtó fokozatban, a kis trafó környezetében. A diódát talán a meghajtó kollektora, és a trafó közötti fóliára, a 47n-t meg a BD B-E-je közé? A BD-vel nagyon leromlott a sorlinearitás, de ez csak monoszkópon volt feltűnő.
Egyébként mindegy, melyik Junoszty, csak a legutolsókban volt sziliciumtranyó a sorvégfokban (TO-220).
(#) Imi65 válasza bokrosbarnabás hozzászólására (») Nov 28, 2008 /
 
Az is lehet, hogy a 47n a sorméret miatt kellett, akkor pedig alul a 100n-val párhuzamosan kellett betenni. Sajna tényleg nem emlékszem, kb 20 éve volt ilyen utoljára, hogy így váltottuk ki.
(#) oregtamas0202 válasza bokrosbarnabás hozzászólására (») Nov 28, 2008 /
 
Üdv Barna. Imi65 jól emlékszik.A GT-ket főleg a blokingoszcillátor kör hibái és a C122/124 valamint Imi65 áll.említettC121 500mF kapacitás szegénysége okozza.A c122-124 eleve párhuzamos a sorméretet azzal lehet beállítani. A C122 -100nF és a 124meg a méretnek megfelelő ,de inkább 630V-os legyen.
(#) oregtamas0202 válasza bokrosbarnabás hozzászólására (») Nov 28, 2008 /
 
Üdv. Még egy ami nagyon fontos! A legelső mozzanat az orosz kis TV-k nél hogy a táp pontos ,jó legyen! A Junost -nál soha ne legyen 12V nál nagyobb a táp, mert a képcső közvetlen fűtésü és hamar/ kifűti magát/ az az megöregszik és kuka! TEHÁT MAX11,9V. legyen és bemelegedés után is újra ellenőrizni kell.
(#) Imi65 válasza oregtamas0202 hozzászólására (») Nov 28, 2008 /
 
Öregtamás úgy érti, hogy a tápfesz a fűtőfeszültsége neki. Egyébként a képcső katód a videó végfokozatra van kötve egy fehér vezetékkel.
A táp egy differenciálerősítővel vezérelt Darlington(nak kötött) Ge tranzisztor a "süni" hűtőbordán, alul, középen. A kis panelen van egy trimmer - ami a hátlapon keresztül is elérhető - amivel állítható a 12V. A referenciát egy fémtokozású zéner adja, elég gyakran meghibásodik, ZPD9,1-et szoktunk helyette tenni.
(#) oregtamas0202 válasza Imi65 hozzászólására (») Nov 28, 2008 /
 
Üdv Imi65. Kösz a kiigazítást igy igaz.Annnnak idején a sok mindenhez értő szaki csavart mindent amihez hozzáfért, itt volt bőven. Meg is találták a a táp potméterét és volt örömük mert : jobb lett függ- vizszint méret sőt a fény is egy darabig!Igaz az eredeti hiba maradt és a képcső is hamar kimult.
(#) bokrosbarnabás hozzászólása Nov 29, 2008 /
 
Sziasztok! Újra én.Valaki mondja meg hogy hogy mire lehet cserélni RT906-os Tranzisztort.Orosz betüvel van írva szóval nem tudom hogy R betü az e Lehet hogy LT906.Segítsetek kérlek.És hogy mit ellenőrízek hogy mitől mehetett ki
(#) bokrosbarnabás hozzászólása Nov 29, 2008 /
 
Jaj most olvasom vissza Köszi a segítséget Átnézünk mindent.Csak annyit mondjatok hogy mivel helyetesítsem a GT906-os tranzisztort
(#) masi1 válasza bokrosbarnabás hozzászólására (») Nov 29, 2008 /
 
gt905 még éppen elmegy a gt906 helyett.BD245-öshöz átt kell sajna alakitani a meghajtófokozatot.
(#) oregtamas0202 válasza bokrosbarnabás hozzászólására (») Nov 29, 2008 /
 
Üdv Babna. A GT906 = AU106-AU 113 ezek a VT Tünde tv-be voltak, de a HQ nál elvileg kapható még GEN561 de nem olcsó 778Ft.
(#) Bonanza02 válasza masi1 hozzászólására (») Nov 29, 2008 /
 
Ha segítséget jelent,akkor 2-3 héten belül tudok felajánlani pár db Gt906-ot. (szerintem még van bontás junoszty a padláson)
Amúgy az én emlékeimben két dolog van még: az egyik,hogy BD250C átalakítás nélkül elment.De csak ez a típus,246C-vel nem ment el.
A másik pedig,hogy valami ASZ1016(ha jól rémlik) elvitte még.Akkoriban a régi utcai higanygőz lámpák kidobott panelján volt kettő is.(lehet,hogy az is van még)
Nem kérek érte pénzt! Csak a posta költség terhel,ha kell.

oregtamas!
Le a kalappal! Elég mélyen beleástad te is magad a junosztyokba. A hangkétnormásítás volt az utolsó lépés ezeknél sorozatban.Azóta nem találkoztam junosztyal (hála istennek).
(#) oregtamas0202 válasza Bonanza02 hozzászólására (») Nov 29, 2008 /
 
Üdv. HÁT igen. Volt belőlük bőven. Én szerettem csinálni,egyedül a szineseket utáltam. Még a elektronika 407 ami kicsit dolgoztatott.Tudok mindent ingyen adni csak a GT nincs. ASZ is van vagy10db
(#) Imi65 válasza oregtamas0202 hozzászólására (») Nov 29, 2008 /
 
És a C-401? Meg a C-431? Azok voltak a rémálmok, a narancssárga IC(?)-kel a modulokon. 3-5 tranyó bennük, magasfokú integráció. És az elkók (mondjuk a függőlegesben a 200 mikrósok)? Lassan már tényleg elfogynak.
ASZ1018-asom nekem is van, 6-8 db.
(#) bokrosbarnabás hozzászólása Nov 29, 2008 /
 
Hello!
GT906 nekem lehet kéne.De még egyenlőre megnézem hogy van e ithon BD250C.És köszi a segítséget!!!Még szólok ha kell a GT906 :yes: Köszi szépen!További szép estét
(#) zoly15 hozzászólása Ápr 4, 2009 /
 
Sziasztok!
Van egy Junoszt 402-es TV-m..
Működik meg minden csak de csak az RTL-t és az M1-et fogja azt is hang nélkül..
Ahhoz szeretnék segítséget kérni hogy lehet-e valahogyan hangolni a TV-n? Ha igen hogyan?
Előre is köszönöm!

Üdv!
(#) Imi65 válasza zoly15 hozzászólására (») Ápr 4, 2009 /
 
Ilyenkor azt szoktuk csinálni, hogy beteszünk egy Orion-Videoton hangpanelt, és ez megoldja a kérdést. Ezek is már a lomtalanításokon fellelhető anyagok. Jó még a hibrid csöves TV-k TBA120-as, vagy TBA780-as (CA3065) IC-kel felépített áramkörei is.
Komplett hangpanelnél kiválthatjuk a Junoszty 4 tranzisztorból álló hangfokozatát is (a Junoszty hangszóró szintén 15 Ohm -os.) A hangerő poti ilyenkor kicsit hirtelen szabályoz.
Nézd át a rajzot figyelmesen, ha elakadtál, kérdezz.
(#) zoly15 válasza Imi65 hozzászólására (») Ápr 4, 2009 /
 
Szia!
Videoton hangpanel? Olyanból van itthon 3-4 db..
Csak nem tudom a kiosztását de az a legkevesebb..
Nem értem, ha hangpanelt cserélek hogyan lesz hang az adókon?
Ha jól értem a hangpanelra rá kell kötnöm a tápot a ki és bemenetet, és készen vagyok?
Ha jól gondolom akkor a KT12-es pont megy a Videoton hangpanel bemenetére--

Üdv!
(#) Imi65 válasza zoly15 hozzászólására (») Ápr 5, 2009 /
 
A dolognak az a lényege, hogy a Junoszty hangKF-je csak egynormás, OIRT-os, vagyis 6,5MHz-es jelet tud feldolgozni. Az adók viszont átálltak a "nyugati" CCIR normára, ami 5,5MHz-es hang-KF jelet sugároz. A Junoszty áramköre csak 1 féle frekvencián dolgozhat, a VT hangpanelja viszont mindkettőn.
A VT hangpanelján van egy TBA120S IC. Ez tartalmazza a megfelelő nagyfrekvenciás erősítőt, az 5,5, ill. 6,5 MHz-re behangolt rezgőköröket, valamint a demodulátort, és egy hangfrekis előerősítőt is, amiben elektronikus potméter van (egyenfeszültséggel szabályozható). A hangpanel tartalmazza a TBA800-as IC-vel felépített végfokozatot is, amit akár szintén felhasználhatsz.
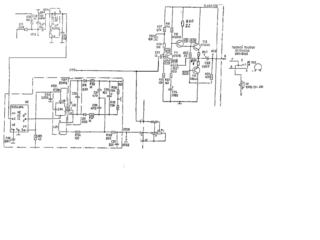
Mellékeltem Neked a Junoszty teljes hangcsatornáját. A bal felső sarokban van a hangkeverő dióda, amin előáll a hang KF jel. A C47-es kondit kiépítve (ez a kis értékű kondi rajta van a VT hangpanelon is), a KT13-as pontról viszed el a jelet. Az orosz IC tápellátását megszakítod, ezt a tápot adhatod a TBA120S-nek. Ha megfontoltad a VT panel végfokának felhasználását (ami korántsem kötelező), akkor tudok további ötleteket adni a beépítéshez.
Következő: »»   4 / 10
Bejelentkezés

Belépés

Hirdetés
XDT.hu
Az oldalon sütiket használunk a helyes működéshez. Bővebb információt az adatvédelmi szabályzatban olvashatsz. Megértettem