Fórum témák
» Több friss téma |
Fórum » Kapcsolási rajzot keresek
Témaindító: Kallai Csaba, idő: Márc 11, 2006
Témakörök:
A feleségem arra készül, hogy "Gimstik" tornát vezessen és ahhoz akarok segíteni neki, de túlságosan lehalkul a zene, így a ritmusból kieshetnek.
Használjon "sztereóban" egy másik erősítő-félét és nem lesz gondja.
Szia!
Itt kutakodhatsz a lábkiosztás szerint. Bővebben: Link Siker esetén a primer oldali kondenzátorokat cseréld az új IC beépítése előtt és ellenőrizd a graetz -et. A hozzászólás módosítva: Ápr 19, 2021
Szia!
Csatolj egy képet a kérdéses részről.
Itt vannak.
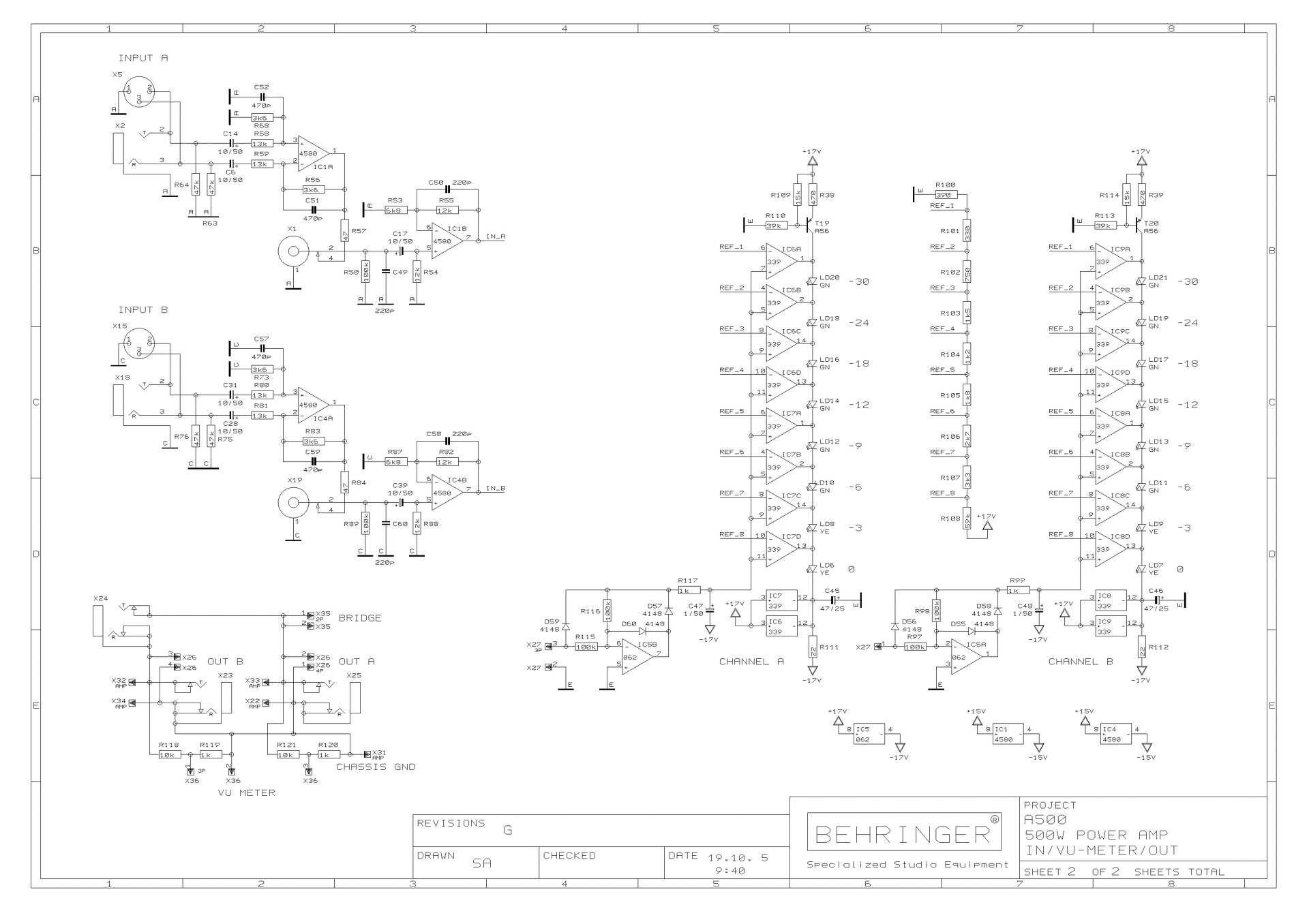
üdv: kapcsolási rajzot keresek a BEHRINGER A500 tipusú.Végfok Erősitőhöz.akinek van és be tudja linkelni. Köszönöm a segitségét előre is.
Tessék.
Sziasztok!
Az alábbi erősítő rajzát keresem kb. reggel 8 óta, de gugli nem segít. Hátha közületek valaki... ISP stereo amplifier/timer serie 6000 A hozzászólás módosítva: Ápr 25, 2021
Sziasztok!
Segítséget szeretnék kérni, egy kapcsolási rajz kellene nekem,lehetőleg Pic, mikrokontroller nélkül,ha egyáltalán megoldható. A lényege, hogy van 4db 24v-os relé, minden reléhez egy -egy nyomógomb. Az egyik relének, ha megnyomom a hozzá való nyomó gombot, akkor be kellene húznia és ha ismét megnyomom, akkor el kellene engednie. A másik három ettől független lenne. Vagyis azoknál is ha megnyomom a hozzájuk tartozó nyomó gombot, akkor a nyomó gombhoz tartozó relé behúz,következő nyomásra elenged. Viszont lenne benne egy apró bonyolultság is, mert ennél a három relénél, ha mondjuk a 2-es be van kapcsolva és megnyomom az 1-es vagy a 3-as nyomó gombot, akkor a 2-es relé ejtsen el és az húzzon be, amelyiket megnyomtam. Vagy ha az 1-es van bekapcsolva és a 2-est vagy a 3-ast nyomom meg, akkor a 2-es vagy a 3-as húzzon be, az 1-es ejtsen el. ( azt már le sem merem írni, hogy minden reléhez jó lenne egy visszajelző led is ) Ha esetleg tud valaki ilyen kapcsolást, persze Pic nélkül és megosztaná velem, azt megköszönném. A hozzászólás módosítva: Ápr 26, 2021
A gombnyomás az egy 7474-es IC-t rángasson, a kimenete tranyón keresztül a relére és meg van oldva a váltogatás...
A speciálisabbaknál meg a nyomógomb törli a másik 2 gombhoz tartozó 74-est, össze lehet logikázni A hozzászólás módosítva: Ápr 26, 2021
Köszönöm,nézem. Próbálom értelmezni,de már így estére kelvén kicsit lassan megy
Üdv!
Találtam egy kapcsolást , amit régen megépítettem,de más célból.De most másra kellene és ehhez egy kis átalakításra lenne szükségem. Az lenne a dolog lényege, hogy 3 db 24v-os relét kellene gombnyomásra egymás után léptetni. Mivel ez az áramkör mindig feszültség alatt lenne, az lenne a jó,hogy ha végig megy a 3 nyomásra a 3 relé kapcsolása, a 4-ik nyomásra üresbe álljon vissza. Ez igazából egy pára elszívó motorját kapcsolná 3 sebesség fokozatban, aminek a mikrokontrolleres vezérlő áramköre tönkre ment. Azt szeretném ezzel az áramkörrel kiváltani. Sajnos a tervezésben nem vagyok penge, ezért minden segítséget köszönök.
Így alakítsd át.
A hozzászólás módosítva: Ápr 28, 2021
Hello! Majdnem. A 100k reset ellenállást át kell rakni a Q4-re, kimaradt a kontakthibát elhárító 100nF és célszerű a piros Led-et a Q0-ról járatni nem a tápról. továbbá a táp előállítására elég egy 12V-os zéner és egy 2.2k ellenállás. Persze meg egy kondi a zénerre.
Igen, a reset ellenállást véletlenül a Q5-re rajzoltam.
A kontakthibát elhárító 100nF ott van. A többi már Őrajta múlik. A hozzászólás módosítva: Ápr 28, 2021
Hello!
Ha esetleg walakinek dolga lenne az A+ Latino-val: "Ha sehogysem boldogulsz, olvasd el a Használati utasítást!" Kikapcsolható a "némítás". De köszi.
Nagyon köszönöm. Hétvégén össze rakom, addig is kreálok hozzá nyák tervet.
Oké, de --
Idézet: „A reset ellenállást véletlenül a Q5-re rajzoltam a Q4 helyett.” Ezt vedd figyelembe.
Tudom,olvastam. De valószínűleg a piros ledet is kihagyom, nem lesz rá szükség.
Szia!
Összeraktam az áramkört,tökéletesen működik. Köszi a rajzot.
Keresem a Somogyi féle Weller trafó (a vákuumformázott házas csoda) bekötési rajzát, amelyikben van fűtésvisszajelző led. Egyszer, régen, valahol egy távoli galaxisban találkoztam vele, de sem nem találom a helyet, sem nem emlékszem, hogy nézett ki.
Valami olyan emlékem van, hogy volt benne egy kis segédtekercs (vagy talán egy reed-relé?), és az volt kivezetve az 5. kontaktusra (képen sárga). De ott semmi értelmeset nem tudok mérni, az ellenállás szakadás bármelyik primer vagy szekunder kapocshoz, illetve látok kóbor pár Voltot bármelyik 24V kapocshoz képest, terheléstől függetlenül. Meglehet, hogy hibás a trafó, és az a segédtekercs (már ha az) leégett benne, de ez esetben is rettentően örülnék az eredeti elvi kapcsolási rajznak. Primer és szekunder teljesen rendben van, üzemképes is a készülék, ezt a visszajelzőt leszámítva. Előre is köszönöm
Szerintem egy 0,8 ohmos ellenállással párhuzamos AC-LED (két LED antiparalel) teljesíti a feladatot. Lehet, hogy az üres pacni volt a forrpontja, hogy a soros kötést ne a levegőben kelljen elvégezni.
Szia, köszönöm, de nem "csak úgy" a feladatot akarom teljesíteni, arra van legalább négy jól bevált módszerem.
Az eredeti megoldás elvét/kapcsolását keresem, egyrészt mert már nem emlékszem rá, másrészt tudni szeretném, ez az adott trafó hibás, vagy csak ez még nincs benne. Amúgy az ötödik forrszem "mögött" a kiöntött részben bizonyosan ott volt az a valami, mert egy másik ilyen trafóban legalább is így volt. |
Bejelentkezés
Hirdetés |











) Ha esetleg tud valaki ilyen kapcsolást, persze Pic nélkül és megosztaná velem, azt megköszönném.

