Fórum témák

» Több friss téma
Fórum » Kapcsolóáramkör MOSFET-tel
 
Témaindító: petrosz, idő: Jún 8, 2007
Témakörök:
Lapozás: OK   5 / 9
(#) elektros90 hozzászólása Jún 28, 2014 /
 
Sziasztok!
IRS2112 vel szeretnék megvalósítani MOSFET vezérlést. Átnézné nekem valaki az általam rajzolt kapcsolási rajzot, hogy a táplálást jól értelmeztem/kötöttem be? Nemszeretném elfüstölni őket.
Másik dolog... A delay az fix 30ns? Nem lesz az kevés, vagy sok?
Köszönöm!

IRS2112.jpg
    
(#) lelkes amatőr hozzászólása Máj 2, 2017 /
 
Sziasztok,

Ha egy 16N05L FET Gate-et rákötök egy ellenálláson keresztül (10-15Ω ) egy CD4060 15 Khz-es kimenetére, az ki tudja vezérelni korrektül?
(#) proli007 válasza lelkes amatőr hozzászólására (») Máj 2, 2017 /
 
Hello! Nem, mert a CMOS eszköz kimenetének csatorna ellenállása sokszorosa a 10..15ohm-odnak. A 15kHz-hez már meghajtó szükséges.
(#) lelkes amatőr válasza proli007 hozzászólására (») Máj 3, 2017 /
 
Kössz a választ, akkor már eleve úgy kezdek hozzá, hogy legyen hozzá meghajtó tranzisztor.
(#) Bakman válasza lelkes amatőr hozzászólására (») Máj 3, 2017 /
 
Nem tranzisztor, Push - Pull kimenettel rendelkező meghajtás. A Gate-et nem csak feltölteni kell gyorsan, kisütni is. 15 kHz esetén ez már számít. TC 4420 jó megoldás lehet.
(#) Pafi válasza lelkes amatőr hozzászólására (») Máj 3, 2017 /
 
Max 10 nF a gate kapacitása, a CD4... kimeneti ellenállása sacc/kb. 400 ohm (egyáltalán mekkora a tápfesz???), ez kb. 4 us kapcsolási idő, elég lassú, de neked kell tudnod hogy elfogadható-e. HC sorozatú kapu már elég lehet. De vannak jobb FET-ek is.
(#) lelkes amatőr válasza Pafi hozzászólására (») Máj 3, 2017 /
 
A tápfesz 5 volt felett lenne kicsivel (max. 6 volt), a fiókban kallódó alkatrészekből építkezem most, Bakman által ajánlott TC4420 van is itthon.
(#) mark_domonkos hozzászólása Okt 23, 2017 /
 
Sziasztok, nem tudom pontosan jó helyre írom e a kérdésem, de próba szerencse.

FET-el szeretnék kapcsolni egy berendezést. A kapcsolgatás úgy nézne ki, hogy van egy 4S Li-ion aksim, és ezt védelmezendően úgy gondoltam, hogy kötök rá valami feszosztót (jó nagy ellenállásokkal) és a FET Gate-jét rákötném a feszosztó középpontjára. Kérdés, hogy ehhez milyen FET-et ajánlotok és kb milyen bekötésben. Elvárás a bekötéssel szemben, hogy amikor az akku feszültség 12V feletti akkor az akku feszültségét kapcsolja rá az eszközre, ha ez alatti akkor szüntesse meg az összeköttetést. Működés közben a várható áramfelvétel 2A (nagyon max 3 A) és ezt a kb 14.8V környékén (12ig lefele tartva)

Előre is köszi a választ.
(#) Bakman válasza mark_domonkos hozzászólására (») Okt 23, 2017 /
 
Ilyen hirtelen váltásra önmagában nem képes egy FET, komparátort köss elé.
(#) morgo válasza mark_domonkos hozzászólására (») Okt 23, 2017 /
 
Szia! Az elgondolásoddal az a probléma, hogy fet, vagy bármilyen más tranzisztor, nem úgy működik, hogy nyit vagy zár. Van egy átmeneti állapot. Ezt kell kiküszöbölni, legegyszerűbben egy komparárátorral, aminek a billenési szintjét tetszés szerint be tudod állítani.
(#) martin96 válasza mark_domonkos hozzászólására (») Okt 23, 2017 /
 
Szia!
Egy ilyen nem lenne jobb és egyszerűbb?
(#) merciabc hozzászólása Szept 24, 2018 /
 
Sziasztok!
Ha még él ez az oldal, hátha tudna nekem segíteni valaki egy kapcsolási rajzzal?!
Adott egy autó-szervó nélküli, a kormányművét már kicseréltem egy szervó rásegítésesre, de ebben a modellbe csak elektro-hidraulikus szervót gyártottak. A gyári szervó szivattyú gyárilag rosszak, egy másik típusból szeretném átrakni a szervó szivattyút, de az a motor 80Ampert ránt az indulásakor, ezt kellene kapcsolnom Fet-ekkel, mert a relés megoldások sorra besültek! Független, önálló test (-)-ja van, ha ez infó!
Tudna valaki segíteni mi lenne a legjobb megoldás?
Hozzá szólásotokat előre is köszönöm!
A hozzászólás módosítva: Szept 24, 2018
(#) latyakosa válasza merciabc hozzászólására (») Szept 24, 2018 /
 
A gyári szivattyú vezérlés is hibás? Ötleteket szerintem ebben a topikban találszBővebben: Link

Mondjuk a relés dolgot nem értem. Egy védő dióda, meg egy a szikrázást csökkentő kondenzátornak elégnek kellene lennie a relés megoldáshoz is. Számos helyen kapcsolnak tartós 30-150A áramokat autókban azok hogy bírják? Pl hűtőventillátor motor, izzítás a dízeleknél, őnindító, stb.
A hozzászólás módosítva: Szept 24, 2018
(#) merciabc válasza latyakosa hozzászólására (») Okt 3, 2018 /
 
Szia!
Sajnos sok ismerős szerzett rossz tapasztalatokat a vw konszern koyo szervószivattyúival kapcsolatban, ezért gondoltam h egy számomra jól bevált (mercedes w168) kommunikáció hibás szivattyút rakok bele.
Igazad van, találtam is olyan 150A izzító relét, amivel meg tudom hajtani.
Remélem h induláskor nem ránt túl sokat a 70Amperes akksin...?
Még arra gondoltam h rakok bele egy késleltetőt is, h miután beindul a motor, 2-3mp-el később húzzon a relé. (?)
(#) marcellus96 hozzászólása Júl 22, 2019 /
 
Üdv mindenkinek!
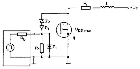
Az lenne a kérdésem, hogy a mellékelt képen látható túlfeszültség védelem MOSFET-ekhez például flyback konverter esetén mennyire jó választás? Ha jól értelmezem a kapcsolást, azt csinálja, hogy a MOSFET-et kinyitja, mikor túllépi a zener diódás védelemmel beállított küszöbszintet a MOSFET drain-jén megjelenő feszültségtüske, így csökkentve annak a csúcsát és elnyújtva azt. Jól értelmezem a működését?
(#) ferci válasza marcellus96 hozzászólására (») Júl 23, 2019 / 1
 
Jól értelmezed, ez egy gyári ajánlás például.
Aztán van az RCD snubberes és még sok másik.
Megfelelő kapcsolásban le is tesztelheted mindegyiket, szkópos kontrollal, melyik tetszik jobban..
Addig növeled a tápfeszt, ameddig bőven belül maradsz Udr max-on és kísérletezhetsz.
(#) marcellus96 válasza ferci hozzászólására (») Júl 23, 2019 /
 
Köszönöm!
(#) Kovidivi hozzászólása Nov 27, 2019 /
 
Sziasztok.
Tanácstalan vagyok kicsit, FET meghajtást kellene keresnem/ terveznem. Jelen van a kapcsolásban 12V, 5V, ezeket lehet használni, terhelni, plusz a bemenő feszültség, de az nem mondható stabilnak, és túlságosan alacsony tartományból indul (0.5V), de használható.

A FET a bemenetre kapcsolt, GND-hez képest 0.5-17V-ot kellene hogy kapcsolja egy induktivitásra.
Ha P FET-et használok, akkor negatív feszültség kellene, kb. -10V (0.5V bemenő miatt) de a bemenő feszültségtől kellene függővé tenni (17V-nál 7V-ra lenne szükségem, ha a VGS-t 10V-ban határozom meg).
Ha N-FET-et használok, akkor meg 27V-ot kellene maximum előállítanom, és ebből mindig a bemenettől függő Vin+10V-ot...
Ami eszembe jutott: ICL7660 invertáló módban (-8V-hoz, P-FET-hez), vagy charge pump, amivel kétszeres feszültséget kapok, de ezt is két helyről kellene táplálni, 12V-ról és 17V-ról is, plusz korlátozni is, Vin+10V-ban...
Szóval számomra nem egyszerű a feladat.
Bootstrapos IC-t is nézegettem, de nincs vele tapasztalatom.
Amit keresek, az egy egyszerű, olcsó megoldás (500Ft alatti, akár Ebay-es beszerzéssel) a terhelés minimális, 1db FET-et kell meghajtanom, 3KHz-cel.
Tudtok valami ajánlani, vagy hogy egyáltalán milyen irányba induljak el?
Szuper lenne, ha a diódát is le tudnám FET-re cserélni, de neki a gate-je ismét másik potenciálon van, és teljesen bele vagyok kavarodva.
A holtnidő és a PWM jel AVR-rel lenne generálva, az nem okozna gondot, csak ez a fránya szinteltolás...
Köszönöm.
A hozzászólás módosítva: Nov 27, 2019
(#) DöG-1 válasza Kovidivi hozzászólására (») Nov 27, 2019 /
 
SEPIC konverterre keress rá szerintem...
(#) Kovidivi válasza DöG-1 hozzászólására (») Nov 27, 2019 /
 
Köszi a tippet!
Sepic konverterhez speciális induktivitás kell (amit kézzel kellene elkészítenem), viszont a FET meghajtása könnyű lenne.

Viszont szeretném megoldani ezzel az invertáló buck-boost konverterrel, ha lehetséges, így az induktivitást készen tudnám megvenni.
20A-rel szeretnék dolgozni, és ehhez is 4db 6A-es 100uH induktivitást használok fel. Nem lenne egyszerű áttekereni őket, vagy ha jól tudom, 2 külön induktivitás is használható, de akkor meg 8db-ot kellene készülékenként beépítenem.
20A-es induktivitást pedig nem találtam sehol 0.50€-s darabáron, ezért használok 4db 6A-est.
(#) Kovidivi hozzászólása Nov 28, 2019 /
 
Mi a véleményetek erről?
Charge pump elrendezés, csak a 12V-ot helyezem át a Vin tetejére (N-csatornás FET-et meghajtani). Jó lenne így? Mármint a kapcsolás nem teljes, de a működés logikája?
Ugyanezt használhatnám a dióda helyetti mosfet meghajtására (N-csatornás), a PWM pedig közös lenne.
A hozzászólás módosítva: Nov 28, 2019
(#) Peter65 válasza Kovidivi hozzászólására (») Nov 28, 2019 /
 
A "Vin+12V" kondi negatív pontját a "Vin" pontra át kellene helyezni, akkor jó lehet.
Én inkább mással probálkoznék. A "0...-30V" pntra építenék fel egy félhidas csizmahúzogatós meghajtót. A tápellátása a +12V-ról megoldható lenne egy áramgenerátorral és zénerdiódával. Így az alsó dióda szinkronegyenirányítása is megoldható. Viszont a meghajtó jeleket is el kell tolni. Továbbá célszerű olyan meghajtót választani, amivel külön tudod mind a kettő fetet kapcsolni, hogy a szaggatott áramvezetés tartományban mind a kettő fetet kitudjad kapcsolni.
(#) Kovidivi válasza Kovidivi hozzászólására (») Nov 28, 2019 /
 
PNP és NPN tranzisztorok fel vannak cserélve...

Gondolkodtam én is rajta, hogy az utolsó kondit a Vin-re vagy GND-re kössem, de mivel az előtte levő kondit a Vin-re rakom, így a diódán keresztül az utolsó kondi Vin+12V-ra töltődik a GND-hez képest, így legalább nem a Vin-en keresztül folyik az árama ennek a charge pump-nak, meg a GND az fix potenciál, a Vin pedig hullámozhat meg beeshet, bármit csinálhat.

Értem nagyjából, hogy mire gondolsz.
Tehát az egyenirányítás FET-jének (N-Ch) a segédfeszültsége a megfelelő helyen lenne, a kapcsoló FET pedig vagy a másik FET diódáján kapná a segédfeszt, vagy ha vezet az egyenirányító FET, akkor azon keresztül. Mondjuk szerintem ez nem annyira van rendben, mert amikor a kapcsoló FET vezet, a kivezetésein a Vin van, tehát a gate-nek a Vin-hez képest kellene magasabbnak lennie, nem pedig a Vout-hoz képest. A dióda ilyenkor elválaszt teljesen.
Lehet, hogy az lenne a megoldás, hogy a kapcsoló FET N-ch, a dióda helyett pedig P-Ch FET-et használok, így a két FET-nek lesz egy közös pontja, ami pont a source.
A diódát ki kellene váltanom, ha lehet, mert rajta 10-17W hő keletkezik 20A esetén...
Köszi, hogy ötletelsz velem, így mindig el tudok indulni egy új irányba.
(#) Kovidivi válasza Peter65 hozzászólására (») Nov 28, 2019 /
 
Ez még nem tiszta:
"Továbbá célszerű olyan meghajtót választani, amivel külön tudod mind a kettő fetet kapcsolni, hogy a szaggatott áramvezetés tartományban mind a kettő fetet kitudjad kapcsolni."
Meghajtás mikrokontrollerről lenne megoldva, nem FET meghajtóval. Nem tudom, hogy mikor van ez a szaggatott áramvezetés fázisa, és.hogy.ilyenkor miért ne tudnám kikapcsolni a FET-et.
(#) Skori válasza Kovidivi hozzászólására (») Nov 28, 2019 /
 
Mekkora teljesítményt (vagy mekkora áramot) szeretnél kivenni a 0,5V...17V bemenő feszültségből? Mi a bemenő feszültség forrása? Miért negatív kimenő fesz. kell?

A segédtápot ilyen kondis árampumpálós megoldással, a Vin-hez képest negatívban kellene előállítani, és P csatornás FET-et használni. N csatornás FET esetében jelentősen bonyolultabb áramköri megoldás kellene. 0,5V-on a kivehető teljesítmény sem lesz nagy, cserébe a veszteségek viszont igen nagyok lesznek.

A logikus megoldás az lenne, ha egy N-FET lenne a kapcsoló, az alsó oldalon, a 12V-ot használva a vezérlésre, és a drain körben egy trafó lenne. A szekunder oldalt pedig tetszés szerint lehet bekötni. De ugye ragaszkodtál az egyszerű tekercshez...

Egyébként körülnéztél? Nincs valamilyen célIC erre a feladatra?
A hozzászólás módosítva: Nov 28, 2019
(#) Skori válasza Kovidivi hozzászólására (») Nov 28, 2019 /
 
Most olvasom 30V 20A? (600W)
0,5V-on az mennyi áram?
Egy olyan konverter ami 600W-ot tud, 0,5V-ról nem fog tudni értékelhető kimenő teljesítményt szolgáltatni, mert a vezérlés saját fogyasztása több lesz, mint amit 0,5V-on egyáltalán fel tud venni. Magyarul a követelmények hibásan, irreálisan vannak megfogalmazva, jelen állapotban nem lehet értelmes módon megvalósítani, valmely paraméterből engedni kell, hogy reális, és megvalósítható áramkör legyen. Persze lehet 0,5V-ról működő konvertert építeni, de attől meg nem lehet 600W teljesítményt elvárni.
(#) Kovidivi válasza Skori hozzászólására (») Nov 28, 2019 /
 
Hello Skori.
1S-4S lipo akkumulátort akarok maximálisan 20A-rel meríteni, teljesítményben pedig 300W-ban korlátozom a konvertert. Szóval 2S (8.4V) akksi 20A-rel 168W, 4S (16.8V) akksi 17.8A-rel, stb.
A 0.5V-ot bemenőt azért szeretném megtartani, hogy 1.2V-os NiCd cellákat is lehessen mérni, aminek a feszültsége nagyobb terhelésre 0.9V alá is eshet.
0.5V-nál nem követelmény a 20A, de jó lenne, ha tudná a konverter.
"mert a vezérlés saját fogyasztása több lesz" - a 12V segédtáp mindig rendelkezésre áll, tehát a 0.5V csak az induktivitásra lesz kapcsolgatva, a meghajtáshoz szükséges feszültséget és áramot a 12V-ból állítanám elő.

A negatív kimeneti feszültség nem követelmény, hanem az invertáló buck-boost konverter következménye. Egyébként is lényegtelen a kimenet, mert azon csak 4db 100W-os ellenállás lesz, nem mérek rajta se áramot, se feszültséget! Ezeket csak a bemenetnél mérem.

Sepic konvertert az induktivitás és a soros kondi miatt vetettem el, a szokványos buck-boost áramkört a két FET miatt. Az invertáló kapcsoláshoz 1 FET kell, egy szimpla induktivitás, meg egy egyenirányítás.

Cél IC nem hiszem hogy van, a nagyon alacsony bemenő feszültség és nagy áram miatt, de nem ismerem ki magam a választékban.
A hozzászólás módosítva: Nov 28, 2019
(#) Peter65 válasza Kovidivi hozzászólására (») Nov 28, 2019 /
 
A félhidas meghajtók többségében benne van az a dióda, ami a felső fet tápellátását biztosító kondenzátort tölti, amikor az alsó be kapcsol.
Le kellene rajzolnod, ha érdekes lehet ez a megoldás, és akkor jobban látszik, hogy mi ment át abból, amit leírtam.
(#) Peter65 válasza Kovidivi hozzászólására (») Nov 28, 2019 /
 
A félhidas fetmeghajtók egy része ellenütemben vezérli az alsó és a felső fetet (dead time közbeiktatásával), azaz valamelyik fet mindig bekapcsolva lesz. Ha kicsi a tekercsen folyó áram, akkor az egyenirányítás után lehet olyan időszak, amikor már nem folyik áram, mielőtt a felső fetet bekapcsolod. Ha ezidő alatt mégis bekapcsolod az alsó fetet, meg fog változni az energiaáramlás iránya, a negatív kimenetről fogsz visszatáplálni a bemenő feszültségbe. Ez megelőzendő célszerű lehet olyan meghajtót keresni, amivel tetszőleges ideig lehet a feteket külön vezérelni (az nem baj ha az együttes vezetést tiltja), vagy legalább egy tiltó bemenete van, amivel a feteket le lehet tiltani.
A hozzászólás módosítva: Nov 28, 2019
(#) Skori válasza Kovidivi hozzászólására (») Nov 28, 2019 /
 
Akkor nem lenne jobb egy egyszerű step-up konverter?
Következő: »»   5 / 9
Bejelentkezés

Belépés

Hirdetés
XDT.hu
Az oldalon sütiket használunk a helyes működéshez. Bővebb információt az adatvédelmi szabályzatban olvashatsz. Megértettem