Fórum témák
» Több friss téma |
Sziasztok!
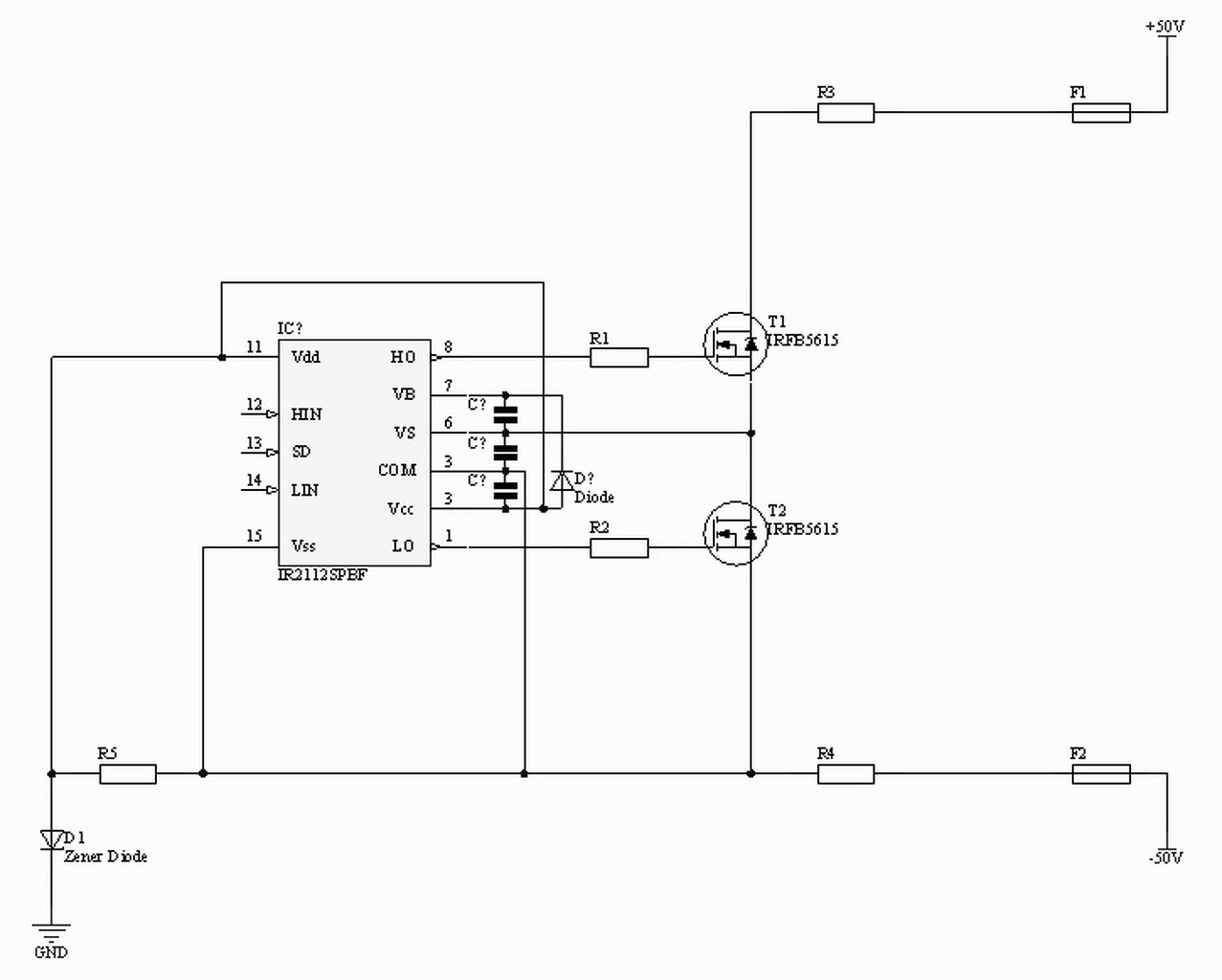
IRS2112 vel szeretnék megvalósítani MOSFET vezérlést. Átnézné nekem valaki az általam rajzolt kapcsolási rajzot, hogy a táplálást jól értelmeztem/kötöttem be? Nemszeretném elfüstölni őket. Másik dolog... A delay az fix 30ns? Nem lesz az kevés, vagy sok? Köszönöm!
Sziasztok,
Ha egy 16N05L FET Gate-et rákötök egy ellenálláson keresztül (10-15Ω ) egy CD4060 15 Khz-es kimenetére, az ki tudja vezérelni korrektül?
Hello! Nem, mert a CMOS eszköz kimenetének csatorna ellenállása sokszorosa a 10..15ohm-odnak. A 15kHz-hez már meghajtó szükséges.
Kössz a választ, akkor már eleve úgy kezdek hozzá, hogy legyen hozzá meghajtó tranzisztor.
Nem tranzisztor, Push - Pull kimenettel rendelkező meghajtás. A Gate-et nem csak feltölteni kell gyorsan, kisütni is. 15 kHz esetén ez már számít. TC 4420 jó megoldás lehet.
Max 10 nF a gate kapacitása, a CD4... kimeneti ellenállása sacc/kb. 400 ohm (egyáltalán mekkora a tápfesz???), ez kb. 4 us kapcsolási idő, elég lassú, de neked kell tudnod hogy elfogadható-e. HC sorozatú kapu már elég lehet. De vannak jobb FET-ek is.
A tápfesz 5 volt felett lenne kicsivel (max. 6 volt), a fiókban kallódó alkatrészekből építkezem most, Bakman által ajánlott TC4420 van is itthon.
Sziasztok, nem tudom pontosan jó helyre írom e a kérdésem, de próba szerencse.
FET-el szeretnék kapcsolni egy berendezést. A kapcsolgatás úgy nézne ki, hogy van egy 4S Li-ion aksim, és ezt védelmezendően úgy gondoltam, hogy kötök rá valami feszosztót (jó nagy ellenállásokkal) és a FET Gate-jét rákötném a feszosztó középpontjára. Kérdés, hogy ehhez milyen FET-et ajánlotok és kb milyen bekötésben. Elvárás a bekötéssel szemben, hogy amikor az akku feszültség 12V feletti akkor az akku feszültségét kapcsolja rá az eszközre, ha ez alatti akkor szüntesse meg az összeköttetést. Működés közben a várható áramfelvétel 2A (nagyon max 3 A) és ezt a kb 14.8V környékén (12ig lefele tartva) Előre is köszi a választ.
Ilyen hirtelen váltásra önmagában nem képes egy FET, komparátort köss elé.
Szia! Az elgondolásoddal az a probléma, hogy fet, vagy bármilyen más tranzisztor, nem úgy működik, hogy nyit vagy zár. Van egy átmeneti állapot. Ezt kell kiküszöbölni, legegyszerűbben egy komparárátorral, aminek a billenési szintjét tetszés szerint be tudod állítani.
Szia!
Egy ilyen nem lenne jobb és egyszerűbb?
Sziasztok!
Ha még él ez az oldal, hátha tudna nekem segíteni valaki egy kapcsolási rajzzal?! Adott egy autó-szervó nélküli, a kormányművét már kicseréltem egy szervó rásegítésesre, de ebben a modellbe csak elektro-hidraulikus szervót gyártottak. A gyári szervó szivattyú gyárilag rosszak, egy másik típusból szeretném átrakni a szervó szivattyút, de az a motor 80Ampert ránt az indulásakor, ezt kellene kapcsolnom Fet-ekkel, mert a relés megoldások sorra besültek! Független, önálló test (-)-ja van, ha ez infó! Tudna valaki segíteni mi lenne a legjobb megoldás? Hozzá szólásotokat előre is köszönöm! A hozzászólás módosítva: Szept 24, 2018
A gyári szivattyú vezérlés is hibás? Ötleteket szerintem ebben a topikban találszBővebben: Link
Mondjuk a relés dolgot nem értem. Egy védő dióda, meg egy a szikrázást csökkentő kondenzátornak elégnek kellene lennie a relés megoldáshoz is. Számos helyen kapcsolnak tartós 30-150A áramokat autókban azok hogy bírják? Pl hűtőventillátor motor, izzítás a dízeleknél, őnindító, stb. A hozzászólás módosítva: Szept 24, 2018
Szia!
Sajnos sok ismerős szerzett rossz tapasztalatokat a vw konszern koyo szervószivattyúival kapcsolatban, ezért gondoltam h egy számomra jól bevált (mercedes w168) kommunikáció hibás szivattyút rakok bele. Igazad van, találtam is olyan 150A izzító relét, amivel meg tudom hajtani. Remélem h induláskor nem ránt túl sokat a 70Amperes akksin...? Még arra gondoltam h rakok bele egy késleltetőt is, h miután beindul a motor, 2-3mp-el később húzzon a relé. (?)
Üdv mindenkinek!
Az lenne a kérdésem, hogy a mellékelt képen látható túlfeszültség védelem MOSFET-ekhez például flyback konverter esetén mennyire jó választás? Ha jól értelmezem a kapcsolást, azt csinálja, hogy a MOSFET-et kinyitja, mikor túllépi a zener diódás védelemmel beállított küszöbszintet a MOSFET drain-jén megjelenő feszültségtüske, így csökkentve annak a csúcsát és elnyújtva azt. Jól értelmezem a működését?
Jól értelmezed, ez egy gyári ajánlás például.
Aztán van az RCD snubberes és még sok másik. Megfelelő kapcsolásban le is tesztelheted mindegyiket, szkópos kontrollal, melyik tetszik jobban.. ![]() Addig növeled a tápfeszt, ameddig bőven belül maradsz Udr max-on és kísérletezhetsz.
Köszönöm!
Sziasztok.
Tanácstalan vagyok kicsit, FET meghajtást kellene keresnem/ terveznem. Jelen van a kapcsolásban 12V, 5V, ezeket lehet használni, terhelni, plusz a bemenő feszültség, de az nem mondható stabilnak, és túlságosan alacsony tartományból indul (0.5V), de használható. A FET a bemenetre kapcsolt, GND-hez képest 0.5-17V-ot kellene hogy kapcsolja egy induktivitásra. Ha P FET-et használok, akkor negatív feszültség kellene, kb. -10V (0.5V bemenő miatt) de a bemenő feszültségtől kellene függővé tenni (17V-nál 7V-ra lenne szükségem, ha a VGS-t 10V-ban határozom meg). Ha N-FET-et használok, akkor meg 27V-ot kellene maximum előállítanom, és ebből mindig a bemenettől függő Vin+10V-ot... Ami eszembe jutott: ICL7660 invertáló módban (-8V-hoz, P-FET-hez), vagy charge pump, amivel kétszeres feszültséget kapok, de ezt is két helyről kellene táplálni, 12V-ról és 17V-ról is, plusz korlátozni is, Vin+10V-ban... Szóval számomra nem egyszerű a feladat. Bootstrapos IC-t is nézegettem, de nincs vele tapasztalatom. Amit keresek, az egy egyszerű, olcsó megoldás (500Ft alatti, akár Ebay-es beszerzéssel) a terhelés minimális, 1db FET-et kell meghajtanom, 3KHz-cel. Tudtok valami ajánlani, vagy hogy egyáltalán milyen irányba induljak el? Szuper lenne, ha a diódát is le tudnám FET-re cserélni, de neki a gate-je ismét másik potenciálon van, és teljesen bele vagyok kavarodva. A holtnidő és a PWM jel AVR-rel lenne generálva, az nem okozna gondot, csak ez a fránya szinteltolás... Köszönöm. A hozzászólás módosítva: Nov 27, 2019
SEPIC konverterre keress rá szerintem...
Köszi a tippet!
Sepic konverterhez speciális induktivitás kell (amit kézzel kellene elkészítenem), viszont a FET meghajtása könnyű lenne. Viszont szeretném megoldani ezzel az invertáló buck-boost konverterrel, ha lehetséges, így az induktivitást készen tudnám megvenni. 20A-rel szeretnék dolgozni, és ehhez is 4db 6A-es 100uH induktivitást használok fel. Nem lenne egyszerű áttekereni őket, vagy ha jól tudom, 2 külön induktivitás is használható, de akkor meg 8db-ot kellene készülékenként beépítenem. ![]() 20A-es induktivitást pedig nem találtam sehol 0.50€-s darabáron, ezért használok 4db 6A-est.
Mi a véleményetek erről?
Charge pump elrendezés, csak a 12V-ot helyezem át a Vin tetejére (N-csatornás FET-et meghajtani). Jó lenne így? Mármint a kapcsolás nem teljes, de a működés logikája? Ugyanezt használhatnám a dióda helyetti mosfet meghajtására (N-csatornás), a PWM pedig közös lenne. A hozzászólás módosítva: Nov 28, 2019
A "Vin+12V" kondi negatív pontját a "Vin" pontra át kellene helyezni, akkor jó lehet.
Én inkább mással probálkoznék. A "0...-30V" pntra építenék fel egy félhidas csizmahúzogatós meghajtót. A tápellátása a +12V-ról megoldható lenne egy áramgenerátorral és zénerdiódával. Így az alsó dióda szinkronegyenirányítása is megoldható. Viszont a meghajtó jeleket is el kell tolni. Továbbá célszerű olyan meghajtót választani, amivel külön tudod mind a kettő fetet kapcsolni, hogy a szaggatott áramvezetés tartományban mind a kettő fetet kitudjad kapcsolni.
PNP és NPN tranzisztorok fel vannak cserélve...
Gondolkodtam én is rajta, hogy az utolsó kondit a Vin-re vagy GND-re kössem, de mivel az előtte levő kondit a Vin-re rakom, így a diódán keresztül az utolsó kondi Vin+12V-ra töltődik a GND-hez képest, így legalább nem a Vin-en keresztül folyik az árama ennek a charge pump-nak, meg a GND az fix potenciál, a Vin pedig hullámozhat meg beeshet, bármit csinálhat. Értem nagyjából, hogy mire gondolsz. Tehát az egyenirányítás FET-jének (N-Ch) a segédfeszültsége a megfelelő helyen lenne, a kapcsoló FET pedig vagy a másik FET diódáján kapná a segédfeszt, vagy ha vezet az egyenirányító FET, akkor azon keresztül. Mondjuk szerintem ez nem annyira van rendben, mert amikor a kapcsoló FET vezet, a kivezetésein a Vin van, tehát a gate-nek a Vin-hez képest kellene magasabbnak lennie, nem pedig a Vout-hoz képest. A dióda ilyenkor elválaszt teljesen. Lehet, hogy az lenne a megoldás, hogy a kapcsoló FET N-ch, a dióda helyett pedig P-Ch FET-et használok, így a két FET-nek lesz egy közös pontja, ami pont a source. A diódát ki kellene váltanom, ha lehet, mert rajta 10-17W hő keletkezik 20A esetén... Köszi, hogy ötletelsz velem, így mindig el tudok indulni egy új irányba.
Ez még nem tiszta:
"Továbbá célszerű olyan meghajtót választani, amivel külön tudod mind a kettő fetet kapcsolni, hogy a szaggatott áramvezetés tartományban mind a kettő fetet kitudjad kapcsolni." Meghajtás mikrokontrollerről lenne megoldva, nem FET meghajtóval. Nem tudom, hogy mikor van ez a szaggatott áramvezetés fázisa, és.hogy.ilyenkor miért ne tudnám kikapcsolni a FET-et.
Mekkora teljesítményt (vagy mekkora áramot) szeretnél kivenni a 0,5V...17V bemenő feszültségből? Mi a bemenő feszültség forrása? Miért negatív kimenő fesz. kell?
A segédtápot ilyen kondis árampumpálós megoldással, a Vin-hez képest negatívban kellene előállítani, és P csatornás FET-et használni. N csatornás FET esetében jelentősen bonyolultabb áramköri megoldás kellene. 0,5V-on a kivehető teljesítmény sem lesz nagy, cserébe a veszteségek viszont igen nagyok lesznek. A logikus megoldás az lenne, ha egy N-FET lenne a kapcsoló, az alsó oldalon, a 12V-ot használva a vezérlésre, és a drain körben egy trafó lenne. A szekunder oldalt pedig tetszés szerint lehet bekötni. De ugye ragaszkodtál az egyszerű tekercshez... Egyébként körülnéztél? Nincs valamilyen célIC erre a feladatra? A hozzászólás módosítva: Nov 28, 2019
Most olvasom 30V 20A? (600W)
0,5V-on az mennyi áram? Egy olyan konverter ami 600W-ot tud, 0,5V-ról nem fog tudni értékelhető kimenő teljesítményt szolgáltatni, mert a vezérlés saját fogyasztása több lesz, mint amit 0,5V-on egyáltalán fel tud venni. Magyarul a követelmények hibásan, irreálisan vannak megfogalmazva, jelen állapotban nem lehet értelmes módon megvalósítani, valmely paraméterből engedni kell, hogy reális, és megvalósítható áramkör legyen. Persze lehet 0,5V-ról működő konvertert építeni, de attől meg nem lehet 600W teljesítményt elvárni.
Hello Skori.
1S-4S lipo akkumulátort akarok maximálisan 20A-rel meríteni, teljesítményben pedig 300W-ban korlátozom a konvertert. Szóval 2S (8.4V) akksi 20A-rel 168W, 4S (16.8V) akksi 17.8A-rel, stb. A 0.5V-ot bemenőt azért szeretném megtartani, hogy 1.2V-os NiCd cellákat is lehessen mérni, aminek a feszültsége nagyobb terhelésre 0.9V alá is eshet. 0.5V-nál nem követelmény a 20A, de jó lenne, ha tudná a konverter. "mert a vezérlés saját fogyasztása több lesz" - a 12V segédtáp mindig rendelkezésre áll, tehát a 0.5V csak az induktivitásra lesz kapcsolgatva, a meghajtáshoz szükséges feszültséget és áramot a 12V-ból állítanám elő. A negatív kimeneti feszültség nem követelmény, hanem az invertáló buck-boost konverter következménye. Egyébként is lényegtelen a kimenet, mert azon csak 4db 100W-os ellenállás lesz, nem mérek rajta se áramot, se feszültséget! Ezeket csak a bemenetnél mérem. Sepic konvertert az induktivitás és a soros kondi miatt vetettem el, a szokványos buck-boost áramkört a két FET miatt. Az invertáló kapcsoláshoz 1 FET kell, egy szimpla induktivitás, meg egy egyenirányítás. Cél IC nem hiszem hogy van, a nagyon alacsony bemenő feszültség és nagy áram miatt, de nem ismerem ki magam a választékban. A hozzászólás módosítva: Nov 28, 2019
A félhidas meghajtók többségében benne van az a dióda, ami a felső fet tápellátását biztosító kondenzátort tölti, amikor az alsó be kapcsol.
Le kellene rajzolnod, ha érdekes lehet ez a megoldás, és akkor jobban látszik, hogy mi ment át abból, amit leírtam.
A félhidas fetmeghajtók egy része ellenütemben vezérli az alsó és a felső fetet (dead time közbeiktatásával), azaz valamelyik fet mindig bekapcsolva lesz. Ha kicsi a tekercsen folyó áram, akkor az egyenirányítás után lehet olyan időszak, amikor már nem folyik áram, mielőtt a felső fetet bekapcsolod. Ha ezidő alatt mégis bekapcsolod az alsó fetet, meg fog változni az energiaáramlás iránya, a negatív kimenetről fogsz visszatáplálni a bemenő feszültségbe. Ez megelőzendő célszerű lehet olyan meghajtót keresni, amivel tetszőleges ideig lehet a feteket külön vezérelni (az nem baj ha az együttes vezetést tiltja), vagy legalább egy tiltó bemenete van, amivel a feteket le lehet tiltani.
A hozzászólás módosítva: Nov 28, 2019
Akkor nem lenne jobb egy egyszerű step-up konverter?
|
Bejelentkezés
Hirdetés |
















