Fórum témák
» Több friss téma |
Hello mindenkinek!
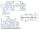
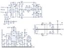
Most készülök megépíteni egy AT jellegű tápot, amit Powerpityu tervezett. Nem rég halt meg egy 250 W-os tápom amit nem tudtam megjavítani és annak az alkatrészeiből fogom megycsinálni. Egyenlőre csak a nyák tervezésnél tartok, de már az alkatrészek megvannak. Az érdeklődőknek felteszem a kapcsrajzot. Üdv.
Hali!
Ennek az átalakított at tápnak meg lehetne e növelni a teljesítményét (100-150W-al, esetleg többel) illetve a feszültségét (+-65V-ra)?Ha meglehetne akkor mit kéne megváltoztatni a kapcsrajzon? Illetve lenne pár kérdésem a kapcsrajzal kapcsolatban ( a mellékletben).Köszi! Üdv.:Csonty
ezen kérdésekre a válaszok engem is érdekelnek.
Hali!
Még mindig csak a nyák tervezésnél tartok. De a tekercseket nagyjából kiszámoltam, kb 22-24 menet kell a 15 menet helyett. A teljesítményt pedig nyagyobb trafóval és nagyobb tranyókkal tudod növelni. Csak egy példa, a 200W-os AT-s tápokban 40W-os tranyók vannak. Gondolom, erősítőhöz kell, én is ahhoz csinálom. Sok sikert a megépítéshez! Üdv.
Hali!
Hát hallod olvasol a fejemben , igen erősítőhöz kellene! A másik trafónak mennyi a menetszámai? És a neten honnan tudnák venni a trafóhoz ferritmagot?Köszi! Üdv.:Csonty
Szasz!
Trafót nem érdemes venni, inkább bonts ki PC tápból, vagy esetleg újabb TV-ből, videóból. A vezérlőtrafó menetei: 2x8 + 2x16 , 1x2. Az 1x2 menetet vastagabb huzalból tekerd meg. A trafó kb 1,5 - 2 cm legyen, de érdemesebb egy rossz PC tápból kibontani, az tuti műxik. A ferrit trafókat úgy kell szétszedni, hogy berakod a mikróba és raksz mellé egy pohát vizet. Bekapcsolod a mikrót kb 600-700W-on 2-3 percre, majd fogóval óvatosan széthúzod a ferrit trafó darabjait. Az eredeti leírást felteszem, mert már eltűnt a netről.
Itt a leírás!
Idézet: „egy rossz PC tápból kibontani, az tuti műxik.” és ha légréses?, mert az nem jó ![]() amugy nem tudom, miért mondod, hogy jobb a bontott.... amikor a lomexben 1 pár ~250ft... üdv
Nagyon köszi!
Hallo bocs hogy csak most válaszolok.
Az inverterbe ETD34 es vas van megtalálod az adatait az interneten. 100Khz en megy és +- 40V os csinál a 12V ból
Feszültséggel teli szép napot mindenkinek!
Én is már elkezdtem a kacsa tápot keverni, de még csak a nyáktervezésnél tartok. De viszont nem tudom eldönteni, hány menet legyen a primer, mert a http://fenykapu.free-energy.hu/pajert/index.htm?FoAblak=../pajert14...t.html oldalon mindig azt írja ki a progi hogy túl nagy az indukció. (0,3 teslánál nagyobb) kb. 120KHz-en menne és úgy 250 300W-ra méreteztem. Megnéztem egy szétszedett ATX táp primer oldali menetszámát és ott 40 menet volt. Valószínűleg 20-30 menet lesz a menetszám lesz a primer menetszám, 120Khz, 0,96cm2 vasmagfelület. Egyébként a lomex-es ETD34-es vasat fogom belehegeszteni. Ja és itt a táp amiről beszélek.
"még csak a nyáktervezésnél tartok" hehe de jó egyeseknek
őőő nem tom milyen Al értékű magot használsz.... nekem 6040 nH és 300W 70KHz re van méretezve... Npri: 9 menet .... és nem megy telítésbe (torroid kb 3 négyzetcm keresztmeccetű by: VÁC Tali bt.)....és ugyanott a freeenergyen méreteztem.... a lényeg hogy ha jól válaszotd a magot akkor nem megy tlítésbe és a frekivel is lejebb mehetsz (ami nem hátrány mert a FET nek is van nyitási, zárási ideje...kb: n*100ns) őőh valahol már találkoztam ezzel a kapcsival... ennyi csáá
Hali!
Elkészült a nyák terv, márcsak át kell vinnem "kockás lapról" a PC-be. Amúgy pont akkora lessz a táp mint egy ATX-es, mert annak a dobozába terveztem bele, megszenvedtem vele, de megérte. Szépen fog kinézni. Vettem hozzá egy LED-es kapcsolót, ezzel kapcsol be, és ha a védelem letilt akkor kezd el világítani a LED. Üdv!
Hello mindenkinek!
Végre elkészült a kapcsoló üzemű tápom ami 230V-ról megy. De igazából még se mert amikor rányomtam a feszt a két kapcsolófet megsült(IRF730). Pontosambban az összes lába ezentúl már rövidzár. Nem tudom mér lehetett én a vezérlőtrafóra gyanakszom ami az ic és a gatek közt van. Még az éles próba elött kipróbáltam csak a vezérlés részét meg szkópon megnéztem a gatekte menő jövendőbeli jelet de nem volt valami szép, gondoltam rá hogy lehet nem lesz jo. Pedig figyeltem a vezérlő trafó tekercseinek jó bekötéseire de hiába. Én arra gyanakszom hogy a két fet egymásra nyitott és rövidrezárta a 230*1,41 voltot és igy meghót. Az 1,6 os biztosíték is kiment (olyan fekete lett hogy nem látok át rajta). Szerintetek mi lehetett a baj ? mer én szivem szerint a kistrafó helyett mást használnék, mondjuk optokaput, szerintetek jo lenne, jobb lenne inkább az? Még jo hogy a FET csak 100Ft J Egyébkén ezt építettem meg:
Hali!
Egy AT tápból kiszedett ferritmag hány kHz-t és hány W-ot bír el? (a nagyobbik trafóra gondolok) Köszi! Üdv.: Csonty
Én még nem láttam, hogy optót használtak volna FET-hez kapocstápban, szerintem vagy a közvetlen vagy a vasmagos csatolás jó (esetleg piezo de ezt csak papíron láttam). Nem lehet hogy a Gate feszed túlságosan megnövekedett (lehet hogy egy zéner nem ártana oda)?
közbe már rájöttem mi vot a hiba szégyenlem de a gatet és a source lábakat felcseréltem és szegény fetek kicsit megizzadhattak. De héten veszek másikat kiváncsi vagyok má végre hogy fog e menni.
Hali!
Ha szépen megkérlek nem tennéd fel ide a nyáktervedet? :help: Mert mar egy ideje szenvedek vele Ja és egy PC tápból kiszedett ferrit trafón hány vattot lehetne átpréselni? 4-500W, esetleg több? Csonty
Ajánlom mindenkinek Powerpityu kapcsoló üzemű tápját. Én megépítettem, és működik. Elég sokat szenvedtem vele, de ez az én hibá(i)m miatt volt.
Ha érdekel valakit, akkor rakok fel képeket is. (bár nem a legszebb a táp, mert ez még csak teszt verzió)
engem érdekel, egy pár képet légyszi tegyél fel!
Hali mindenkinek!
Bocs hogy nem írtam, elfoglalt voltam. Holnap nekiesem a nyáknak és még aznap el is küldöm ExpressPCB-ben. A trafó szerintem 350-400W-ot tud maxba, 500W-ra érdemesebb vmivel nagyobbat beszerezni. Ja és engem is érdekelnek a képek ua. a tápot fogom megcsinálni. Üdv
Engemet a kapcsirajza érdekelne. Hol találom meg?
mivel pityu oldala megszűnt .....
hmm. ezzel a verzióval még nem találkoztam
egyel újabb mit ami nekem van meg :yes: (enyim kicsit nagy pedig *.jpg sry )
Hali!
Először én is azt a tápot akartam megcsinálni amit te, de pityu lebeszélt róla a segédtáp miatt. A nyákrajzot hamarosan felteszem, de szerintem nem igazán lesz érthető, mert én általában csak pöttyöket rakok, ugyanis szeretek spórolni a hellyel, viszont a progi nem, így az alkatrészek nem látszanak, csak az ic-k és tranyók. Üdv
Hát igen, sokat lehet szenvedni a meghajtó trafó miatt...
Hali!
Elkészült a nyák terv. Az átkötések nincsenek rajta, de gondolom csak elindulásnak kell a nyák terv, mert úgysem egyeznek az alkatrészek. Én az alkatrészek 70%-át bontottam. Sok sikert a megépítéshez! Üdv
Hali!
Örök hálám a kapcsrajzért!! Es lenne meg egy kérdésem, de tényleg ez az utolsó: a meghajtó tranzisztorok E és C-ával párhuzamossan kötött BY299-es diódán mekkora áram mehet? Mert teljesítmény növelésnél az áram fog növekedni és ez a dióda ügye csak 2A-t bír el!Még egyszer köszi! Üdv.: Csonty
Az a két dióda dióda a trafó önindukciójától védi meg a tranzisztorokat. Azokon nem folyik nagy áram.
|
Bejelentkezés
Hirdetés |





illetve a feszültségét (+-65V-ra)?
( a mellékletben).





Mert teljesítmény növelésnél az áram fog növekedni és ez a dióda ügye csak 2A-t bír el!




