Fórum témák
» Több friss téma |
Ha van megfelelő hűtése a peltiernek akkor nem lesz baja ettől. Persze a fizikai valóságát te látod
![]() Ami a közelemben volt annál direktben van kötve minden, a külső belső ventillátorok és a peltier is. Ha 230-ra akarom kapcsolni akkor egy kapcsoló választja a le az akku 12V-ról. Ebben nincs visszacsatolás még.
Azt kellene kiderítened mi a célja a pwm szabályozásnak pl.: hőfok szabályozás, vagy mert ezzel van az eszköz túlmelegedése is korlátozva.
Az inverteres ötlethez csak annyit, elég lenne a 300VDC-t előállítani abból nem kell még 50Hz váltakozót csinálni. Ezzel is egyszerűsíteni és hatásfok javítani lehetne a dolgon. A hozzászólás módosítva: Jan 30, 2020
A peltier nagyon alacsony feszültségű táplálást kap. 12 V-ról könnyebb megoldani, mint először felnyomatni 230 V-ra, utána arról vissza. No meg hatékonyabb is.
Ha a rajzod alapján megkeresed, hogy a tieden hol van a kiemelt részen F2-esnek jelölt biztosíték, elé kötöd a 12 V +-t egy soros diódával, a --t meg testre, még a hőfokszabályzó is üzemelni fog.
Szerintem ha a biztosíték elé kötöm a 12V-ot akkor a peltier állandóan 12V-ot kap, nem fog működni a szabályzás! Amúgy úgy néz ki megint a Kínaiak nyertek (!), Bővebben: Link még 1000Ft sincs egy komplett 12V-os szabályzó ennyiért hobby ide - hobby oda nem éri meg szórakozni vele. Plusz ránézésre tudja az ember hány fok van a hűtőben...
A hozzászólás módosítva: Jan 31, 2020
Hello. Egy egyszerű 12V tapjában a puffer elko, 4.7µF 400V púpos volt. Cserélhetem ezt 10µF 400Vra?
A hozzászólás módosítva: Jan 31, 2020
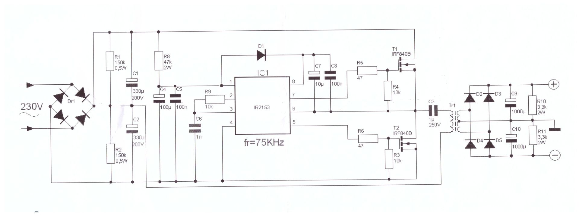
Szép jó napot mindenkinek ! Megépítettem már egy két ir2153 alapú tápot ,működnek is szépen csak melegszik a trafó . Bontott pc tápból valók . A kérdésem : vajon a 75 kHz sok neki? Maximum 200 W- os terhelést kéne bírnia és hűtő ventillátor nélkül . Ez így üresjártában is felkúszik olyan 70 fokra . Zárt doboznban szeretném működtetni . Köszönöm a hozzászólásokat?
Zárt dobozban egy 0.5W-ot disszipáló tranzisztor is megsül... A hő csak akkor tud elszállítódni, ha a levegő áramlani tud a melegedő alkatrész körül, vagy ha ez a melegedő alkatrész valamire rögzítve van, ami a hőt elszállítja (mondjuk a zárt dobozon kívülre). Minden más megoldás problémás, főleg egy üresjáratban 70fok-os dolognak...
Félinformáció alapján elég nehéz bármit tanácsolni. A melegszik a trafó megállapítást nem ártana pontosítani. Mi melegszik, a mag vagy a huzal? És ha ez megvan, akkor az ok is megvan, mivel az egyiket a gerjesztés, a másikat meg az átfolyó áram okozza.
Ezzel együtt a PC táp főtrafójának simán mennie kell akár 200kHz-en is, az már más kérdés hogy ehhez mekkora gerjesztés társul. A ferritmagok egyébként teljesen jól érzik magukat 70 fokon, mivel 80 fok körül dolgoznak a legkisebb veszteséggel.
Melyik kapcsolást építetted meg, be tudnád tenni ide, esetleg linket rá?
Csak a trafó melegszik benne, más nem? Mekkora teljesítményt vesz fel a hálózatból (vagy mekkora áramot a 320V DC oldalon a pufferkondiból)? Ez segíthet eldönteni, hogy reális-e a melegedés. Próbáltad a frekvenciát megváltoztatni bármilyen irányban? Változik a melegedés, ill. a teljesítményfelvétel ettől? Esetleg meg lehetne keresni az optimális frekvenciát az adott trafóhoz.
A trafó egy pc táprafója és úgy látom a vas melegszik. 3 félét próbáltam jelenleg agy kis
Az ránézésre is látszik, hogy a kapcsolási rajz és a lefotózott tápok eltérnek. A fő eltérés a kettő között az egyenirányító utáni tekercs, ill. (és szerencsére) a primer oldali zavarszűrő és NTC.
A többi kérdésre egyelőre nem sikerült választ kapni. A kapcsolásban az IC előtét ellenállásos táplálása hatásfok és melegedés szempontjából elég rossz megoldás, léteznek nem sokkal bonyolultabb, és jó hatásfokú megoldások az IC tápjának előállítására. Nem emlékszem mekkora egy PC trafó szórása, de az 1µF soros kondival elképzelhető, hogy 75KHz környékére esik - tehát mehetne rezonáns módban is a táp, viszont a DC oldali soros tekercs miatt keménykapcsoló tápként fog működni, ami megintcsak hatásfok (és a keletkező zavarok) mértékében látszik meg. A másik probléma, hogy ez a táp nem tartalmaz áramkorlátot, egy kimeneti rövidzárlat esetén tönkremehet, de akár egy terhelés alatti ki/be kapcsolgatástól is, és ettől a beépített olvadóbizti sem biztos, hogy meg tudja védeni.
A PC trafó szórása valahol 4,5uH körül van.
Hello
Javítanék egy kapcsolóüzemü tápot de nem értem hogy mért van az hogy kb fél feszt ad le és csak 5 perc után kb. megjön a teljes out fesz.és müködik rendesen minden +-15v, +48v , +9 v Az opton sem jelenik meg a rendes fesz csak amikor már beindult. Mi okozhat ilyen hibát?
Általában mindig a kisebb elkók (1-47uF) esetleg a kisáramú diódák felelősek a meghibásodásokért. Az elkókat ESR mérővel kell végignézni, a gyanúsnak tűnő diódákat pedig a helyükről kiemelve olyan műszerrel ami legalább 5V-tal mér. A mezei multiméter diódavizsgáló funkciója nem alkalmas visszáramossá vált dióda diagnosztizálására.
Elkó hiba lesz. A kiszáradt elektrolitkondenzátorok az üzemi melegedés hatására fel szoktak éledni, valószínű, hogy ezt tapasztaltad.
Kifejtenéd bővebben, hogy miként lehet ezeket a visszáramos diódákat kimérni? Vagy hogy milyen műszer szükséges ehhez.
Bemutatni nem tudom, mivel jelenleg az összes rossz alkatrészt eldobáltam. A visszáramos dióda az úgy néz ki, hogy egyik irányban rendesen vezet, kinyit ahol kell, mondjuk 0,6V-on. Általában amelyik rossz, annál már itt is fel lehet fedezni a bajt, mivel eltér az értéke a társaitól. Tehát ha mondjuk a kezedbe veszel egy ugyanolyat, akkor ennek a rossznak eltérő nyitófeszültsége lesz (ha jól emlékszem kisebb). Aztán az ilyen dióda a másik irányba is vezet, csak ott nem 0,6V-on nyit ki, hanem mondjuk 3-4 vagy épp 5V-on. Mivel ezek a műszerek 2-3V-on mérnek dióda állásban, ha szerencséd van rossznak méred (látod hogy fordítva is vezet) ha nincs szerencséd akkor meg nem látod. Olyan műszer kell ami nagyobb feszültségen méri a diódát. Ha ilyen nincs, akkor sorba kötsz velük egy 9V-os elemet aminek ismered a pontos feszültségét (így kell mérni a nagyfesz diódákat is amik 6-7V körül nyitnak), és levonod az értékből. Tehát ha mondjuk az elem pont 9V, a műszer meg feszmérés állásban 5V-ot mutat, akkor 4V esik fordítva a diódán, azaz kuka.
Köszönöm a részletes magyarázatot! Akkor, ha jól értem, csak a műszer feszültség mérés állásában lehet mérni a példádban említett módon, hogy jelen esetben egy elemmel megemelem a mérőfeszültséget és dióda állásban pedig nem lehet?
Szia!
Mérhetsz uA, mA állásban is visszáramot. Dióda fajtától függően pár uA és mA között elég nagy a szórás. Az adatlapon megnézed, mi a záróirányú feszültsége a diódának és annál kisebbet ( de célszerű a felét ) alkalmazni. Természetesen mérhetsz 9 volttal is, de az inkább összehasonlításra jó több ugyanolyan darab között.. Az adatlapon szintén feltüntetik pl. a 25 °-on megengedett visszáramot, ennek a 10x-es értékére kapcsolsz a multiméteren ( pl. DC 200 uA vagy 200 mA ), beteszel egy soros ellenállást a diódával, amit így a multi végkitérésben kibír és láthatod a dióda visszáramát.
Köszönöm neked is a magyarázatot! Ki fogom próbálni, hibakeresésnél meg jól jöhetnek még ezek a módszerek.
Sziasztok! Van egy RS 2512 tápom, a 230V-s bemenetnél forrasztást végeztem és jó is lett. Ezután egy 12V-s égővel terhelést akartam végezni de egy sercintés lett és azóta nem jó. Mit követtem el és mi lehet a hiba? Köszönöm.
Szedd szét, keress égés nyomot, vagy sötétben megtalálhatod, ha serceg...
12V 2.1A-es kimenetű tápod az izzót majdnem rövidzárnak érzékelte, és elszállt. Nem lenne benne áramkorlát (lehetséges). Mekkora izzóval próbáltad? Autós 21W-ossal? Mert az kb. 40-50W-ot vesz fel, amíg nem izzik a Wolfram.
12V 10W-s izzóval próbáltam egy pillanatra. Nincs égésnyom és kondi sem pukkadt.
Ha leveszed róla a terhelést akkor sem éled fel ? Bemeneten van biztosíték? Ép ? Fotó?
A hozzászólás módosítva: Ápr 2, 2020
|
Bejelentkezés
Hirdetés |

















