Fórum témák
» Több friss téma |
Hali!
Mekkora biztosítékot éredemes betenni a 230as ágba? EZ a kapcsolás lenne. 24V 2A kimeneti terheléssel. köszi
Szia!
Oda van írva: 200mA. A TOP200YAI max. 25 W-ot tud kipréselni magából, úgyhogy legfeljebb 1A-re számíts a kimeneten, 24V mellett.
Én már nem is tudom, pedig le van írva hogy ezzel 12V fölé ne nagyon menjen senki, de ha meg is teszi ne számítson valami nagy teljesítményre..
Igen, elég soványak. Meg szeretnek eldurrogni is, mint az ST-s VIPer-ek.
Nem készenléti trafót, hanem a főtrafót használnám és TOP224YN lenne az IC. Az pedig kb. 48-70Wig jó. De ezt fentebb írtam már
De a rajzon meg TOP200 van. Jó lett volna megemlíteni a rajz bemásolása mellett ezt a fontos tényt is. Ebben az esetben használj nagyobb hálózati pufferkondit, mondjuk 47µF-osat, amit az adatlap is ajánlBővebben: Link
Lehet hülyeséget kérdezek:
Kapcsoló üzemű tápokban miért nem raknak a low-ESR kondik mellé párhuzamosan kerámia kondikat ? Nem tenne jót neki ?
A Low-ESR kondikban pont az a poén, hogy sokkal kisebb a belső ellenállásuk, így nagyobb frekvencián is hatékonyan képesek szűrni, így általában nem szükséges mellé kiegészítő fólia vagy kerámia kondi.
Természetesen ha extrém zajszűrést akarsz, akkor oda is mehet kerámia.
Én arra gondoltam, hogy így talán jobban bírná a kondi.
Szétszedtem pár tápot, de mindegyikben ilyen ic van:
ICE2A0565 ez ugyanarra való, mint a TOP210 ? A lábkiosztása más ha jól látom!? Milyen tápban van ilyen TOP210 ic?
Szerintem meg vegyél egy árammódú vezérlő IC-t 100ft ért (UC3843) meg egy 800V-os fetet 200ft-ért és ezekből csinálhatsz akár 100W-os tápot is.
Hali!
Én egy ASTEC tápban találtam.
Sajnos nem értek annyira hozzá, hogy kitaláljam a körítést ezekhez az alkatrészekhez!
Szia!
Nem kell annyira érteni, hozzá. Valahol el kell kezdeni a dolgokat és majd alakul. Ha megnézed az adatlapot: Bővebben: Link Van Fly-back példakapcsolás.
Ugyan már, én sosem építettem még kapcsi tápot , csak szerettem volna, de azt se tudtam hogy működik, aztán kis olvasgatás, érdeklődés, majd elkészült cimó tápja, majd meghibásodott, de már javítottam is, akkor már értettem a működését, ma már jópár kapcsitáp javításon, építésen, átalakításon túl vagyok. Senki sem születik tudással a fejében. Tessék olvasni!
A hálózati fesztől meg nem kell félni, csak illendően kezelni, és biztonságra odafigyelni, ha lehet leválasztó használata, nem fogdossuk működés közbe, ilyenek, de ezt szerintem tudod. Üdv.
Szia Cimó!
Ránéznél egy kicsit erre a rajzra ? Működhet ez így 12-15V ról? ECC 83 csövek anódfeszültségéhez kéne. Azért ide írtam, mert látom itt vagy és itt éppen ez a téma Köszi.
Push-pull kapcsolást kéne csinálnod, osztott primérrel, és a rezonáns kört átrakni a szekunder oldalra.
Mint itt: Bővebben: Link (Rezonáns táp elv 06) A fetek S-ja földelve, D-ek a priméren, G-ek az IR2153-on, Vss láb szintén földön, Vb tápfeszen.
Erre miért van szükség? A kisfesz oldalon nem rezonálna rendesen? Minimális terhelése lenne a szekundernek, max 5-6 mA, 300V-on. Már csináltam egy nagyon egyszerű tápot 555-ből, ami 13 kHz-en megy, de hallhatóan fütyül és ez egy kicsit bosszant. Van valami konkrét ötleted ilyen minitápra? Ez az amit csináltam. Mit szólsz hozzá? Ezzel kb hány kHz-ig lehetne felmenni?
Hát 300V-on 5-6mA-hez nem érdemes ennyire öszetett rezonáns táppal foglalkozni.
(Mellékeltem mire gondoltam) Majd még írok, van pár ötletem kis zajú, olcsó, és tartós átalakítóra.
Idézet: „Már csináltam egy nagyon egyszerű tápot 555-ből, ami 13 kHz-en megy, de hallhatóan fütyül és ez egy kicsit bosszant” Meg válaszoltad a problémád okát. 13kHz amúgy is hallható. Fel kellene vinni 50kHz-re. De kevés terhelés mellett sípolni is fog, mert a kitöltés már annyira visszaesett, hogy ki is kapcsol a vezérlő. Emiatt abszolút hallható tartományba esik a működési freki.
SZIASZTOK.MÉG KEZDÖ VAGYOK A KAPCSIS TÁPOK TERÉN ÉS SZERETNÉM MEGÉPITENI A SPROFÁN ÁLTAL FELTETT EGYSZERÜ KAPCSOLÓÜZEMÜ 12 VOLTOS TÁPOT ,VAN KÉT ATX ES PC TÁPOM ,DE NEM TUDOK ELIGAZODNI HOGY MELYIK TRAFÓT VEGYEM KI BELÖLE MERT EGY KICSIT KÜLÖMBÖZIK A PC TÁPOM FELÉPITÉSE ATTÓL AMIT Ö BEMUTATOTT FÉNYKÉPEN , MELLÉKELEM A TÁPOM FÉNYKÉPÉT ÉS A KAPCSOLÁSI RAJZOT .HA VALAKI TUDNA SEGITENI NAGYON MEGKÖSZÖNNÉM,NEM ÉRTEK A KAPCSITÁP TRAFÓ MÉRETEZÉSHEZ EZÉRT SZERETNÉM "KITERMELT" TRAFÓVAL MEGÉPITENI 13 V 1 AMPER TERHELÉSRE KELLENE SZERINTETEK ELBIRNA ENYIT EZ A KAPCSOLÁS ? A RENDELKEZÉSEMRE ÁLLÓ PC TÁPBAN A NAGYOBBIK TRAFORA EZ VAN IRVA: EI-33ASG, A KÖZVETLEN MELLETTE LEVÖN EE-16(TOP) , A MÁSIK KIS TRAFON PEDIG EE-19N FELIRAT OLVASHATÓ ,MELYIKET KELLENE KIVEGYEM? ELÖRE IS KÖSZI AZ ESETLEGES TANÁCSAITOKAT ÜDV MINDENKINEK dddemeter!
:eszméletlenülaföldönfetrengősíróbecsinálósszmájli:
Ezer bocsánat mindenkitöl , nem akartam"kiabálni" többé nem fordul élö .
Vajon miért nem tetted fel a kérdést magadban, miszerint, "Miért nem látok itt senkit csupa nagybetűvel írni?" ami a netikett szerint kiabálásnak minősül.
Üdv!
Az EE-19N feliratú trafót szedd ki belőle, az az önrezgő standby táprész trafója, ezt a kapcsolást azzal tudd megépíteni. Az EE-16 a kapcsoló tranzisztorokat vezérli. Sprofan leírásában megtalálod hogy kösd be!
Én nekem az a meglátásom, hogy kicsit próbálj meg ismerkedni a kapcsoló üzemű tápok működésével, nem kell einstein-i képletekbe ásnod magad hogy rágyere melyik trafó is kell neked. Ami nem mellékes szempont, hogy ha ismered a működését, akkor több esély van rá, hogy nem vágatod magad agyon a hálózattal.
Sziasztok! Köszönöm mindketötöknek a tanácsot .egyszerünek tünik ez a kapcsolás ezért gondoltam hogy talán ezzel kéne kezdjem, más tápokat épitettem elég sokat de a kapcsisokrol viszonylag kevés informácioim vannak,és magyer nyelvü gyakorlati leirásokat nem nagyon találtam ,az angol tudásom meg nem elég jó ahhoz hogy megértsem a magyarázatokat.koszi a segitséget ,ha sikerül lehet kedvet kapok komolyab kapcsolásokhoz is ,üdv.ddemeter
Üdv mindenkinek! Nekifogtam a kis kapcsitáp épitésnek ,megvan a trafó de ujra a tanácsotokra van szükségem mert elakadtam ,van két optocsatolóm az egyik Cosmo1010 817 D16 C , a másik meg szintén Cosmo 1010 817 H 28 C. Nem találtam semmi adatot roluk a datadsheeten .melyik tipust használhatom a kis tápom megépitéséhez szerintetek?Mindkét opto pc tápbol van kitermelve ,de a rajz nem ezt a tipust kéri mit tegyek?
Szia!
Erről a típusról van szó:Bővebben: Link
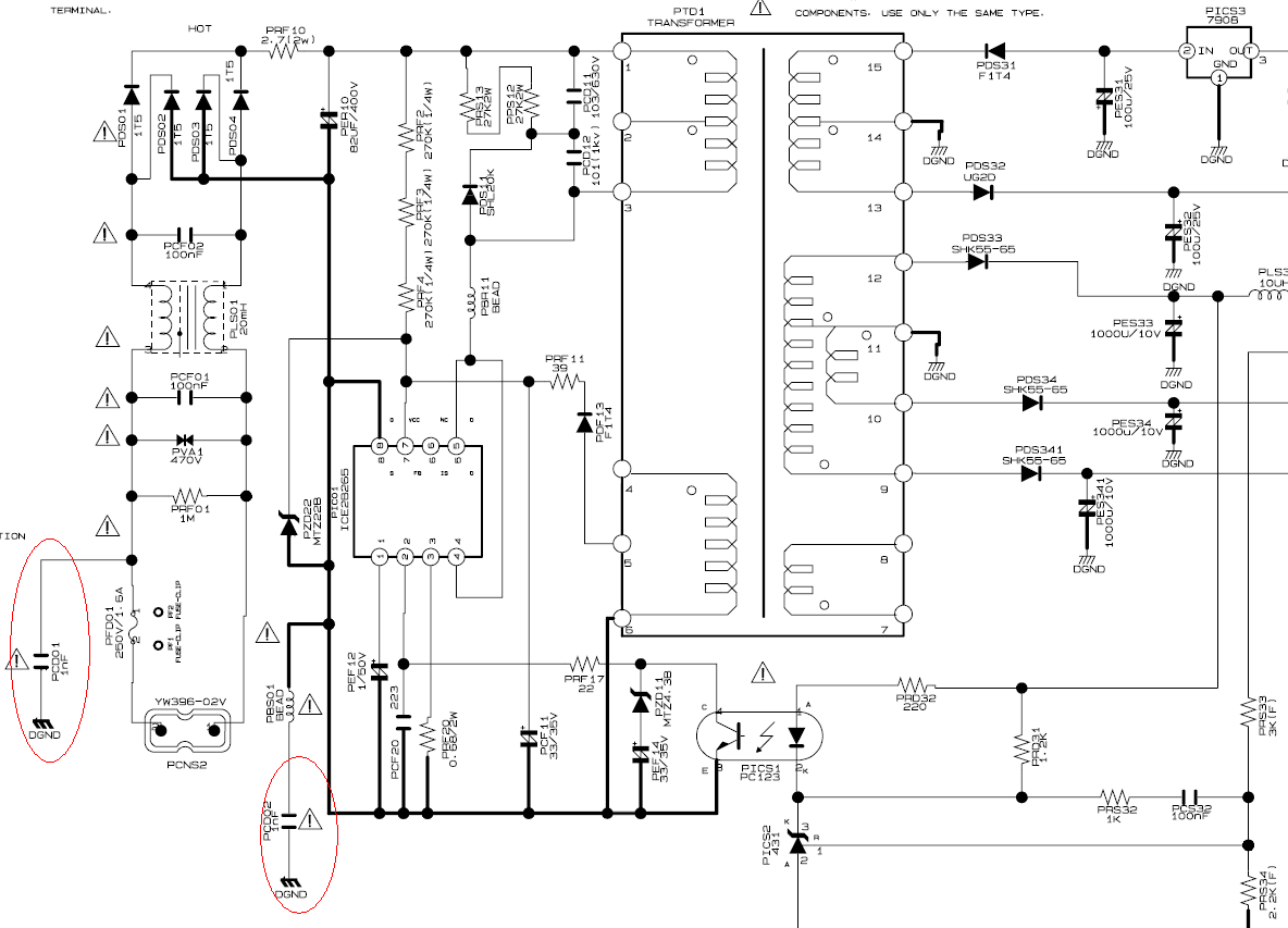
Sziasztok!
Lenne egy kérdésem a mellékelt rajzzal kapcsolatban: mire való a PCD01 és a PCD02-es kondenzátor, illetve meghibásodása mit okozhat ( rajz bal alsó részén vannak) ? Köszi! Steve |
Bejelentkezés
Hirdetés |













