Fórum témák
» Több friss téma |
Fórum » Keverőpult építése, javítása
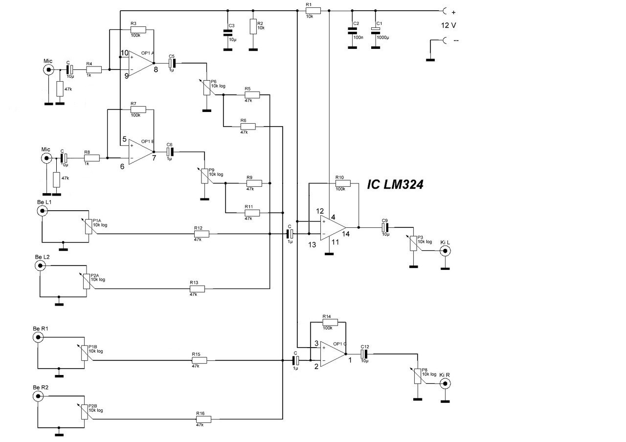
Köszönöm szépen, akkor keresek hozzá egy megfelelő kapcsolási rajzot. Vagy esetleg ez jó lenne?
Annyi, hogy lehagyod róla, ami nem kell és a műveleti erősítőknek nem az LM324-et használod, ami 4-et tartalmaz egy DIP14 tokban, hanem az ajánlott NE5534-et, vagy NE5532-őt, amik kettőt tartalmaznak egy DIP8 tokban. De ha ennyire nem csinálták még ilyet, akkor ez elsőre akár nagy falat is lehet. Anno voltak 5000Ft-ért ilyen szettek karaoke-hoz, pl. a Lidl is árult ilyet. 2 dinamikus mikrofon, a keverő táppal. Még visszhang is volt benne a 2 mikrofon és 1 vonal bemenet mellett.
Na, most már nem 5000Ft, hanem 12500Ft-tól indul. Van más fajta kicsit olcsóbban. A hozzászólás módosítva: Ápr 25, 2022
Értem a problémádat, átrajzoltam.
Köszönöm szépen a segítségedet és az idődet, hogy átrajzoltad. Én is azon agyaltam, hogy 2 db IC-vel oldom meg végül.
A hozzászólás módosítva: Ápr 26, 2022
A felesleges negyedik OPA meg ne lógjon a levegőben. Invertáló bemenete összekötve a kimenettel, a nem invertáló bemenete meg oda, ahová a többié.
Bocsi Gafly de nem értem mire gondolsz. Amit reloop átrajzolt nekem ott a mikrofont egy NE5534 hajtja meg amin már csak a balance, compensation illetve balance/compensation lábak vannak szabadon. Az összegző plusz a line bemenetet pedig NE5532 hajtja ott pedig minden láb be van kötve. Vagy rosszul látom?
Nem, te látod jól, benéztük az NE5534-et.
Műveleti erősítőből, kapukból többet szoktak tartalmazni a tokok, amikből a legelterjedtebbek (voltak) a DIP8, DIP14, DIP16, aztán ami belefért. Egy normál műveleti erősítőnek van 2 bemenete és egy kimenete, ez 3 láb és kell neki 2 a táphoz. Egy tokon belül a táp azonos elemi összetevőknek, így 8 lábhoz 2 műveleti erősítő rendelhető, ami szépen kitölti a lábszám alapján. 14-esbe meg 4db is belefér. Aztán, hogy kinek mi esik jobban, úgy tervezi meg az áramkört. Nálunk hobbistáknál ez inkább úgy megy, hogy mi van itthon. Vagy ha olcsóbb a 4 opampot tartalmazó IC, mint 2db dual, akkor az is az előbbi javára dönt. Na meg a táp huzalozás is kevesebb ilyenkor.
Nem éppen keveröpult, de a probléma elég közeli.
Egyszerre kellene nagyon sok mikrofonbemeneten a fantom tápot (48V) kapcsolni ( max 96). A gond ott van, hogy minden bedugott mikrofonban ott van egy kisebb nagyobb szürökondi, ami már gondot okoz a fantom tápnak. Megprobáltuk minden csatlakozora egy-egy 10 Ohmos ellenállást forrasztani. Sajnos ezek simán meghaltak pár napos tesztelés alatt. Volt olyan ami megszakadt, volt olyan ami egyszerüen 3-400 Ohmossá változott. ( nem tudjuk melyik mikrofinban milyen kondi van). Egyes berendezésekben a fantom feszültséget fokozatosan növelik, ami a mi esetünkben nem optimális mert a mikorofonok nem indulnak a bekapcsolás pillanatàtol, csak pár másodperc késéssel. A fantom tápot sem szeretnék már modositani, mert igy is elég nagy munka volt olyan minöségüre épiteni ( zaj miatt), hogy megfeleljen a profi elvárásoknak. Sajnos az egyenkénti fantom kapcsolás nem opcio. Valamilyen egyszerü megoldás kellene a bekapcsolási áramot korlátozni, de 1 másodperc alatt be kellene állnia a normális állapotnak.
Két ötletem van:
1. valami komolyabb teljesítményellenálláson keresztül tölteni egy adott feszültségszintig, majf relével vagy FET-tel átkapcsolni 2. valami "koca" kapcsitápról feltölteni mondjuk 45 Voltig a mikrofonokat, majd ha ezt eléri, akkor átkapcsolni a jó minőségű tápra, és ezzel egy időben kapcsolni a kimeneteket is
A kapcsolót ki kell cserélni egy egyszerű áteresztő tranzisztoros, potis, szabályzóra. Nem bekapcsolódik a tápfesz, hanem 0-tól kell feltekerni 48 Voltra a fantom tápot.
Kösz az ötleteket. Sajnos semilyen extra kapcsolás nem jöhet számitásba, mert az egy ujabb parancsvonal lenne a bemenetekhez (96). A nagyobb ellenállást ( értékben és teljesitményben) mérlegeljük, de elég nagy a bizonytalanság, hogy mit is bir ki valoban. ( föleg a tesztek után)
Sajnos semilyen „koca“ berendezés nem jöhet számitásba, a mikrofonjelek nagyon alacsonyszintüek, igy az egész berendezés nagyon érzékeny, a szabványt viszont tartani kell. ( eredetileg nem számoltunk fantom táplálásra, de a felhasználok igénylik). Elméletben a fantom feszültség felfutási és lefutási görbéje lenne a megoldás. Sajnos a legprimitivebb, ami sok berendezesben van ( egy kondi töltési görbéje) nem jo, mert annak a meredeksége a kezdetben a legnagyobb. A lineáris jobb lenne, de ehhez át kell alakitani a tápot, söt talán a kondi töltési görbéjének az inverze, de az meg tul lassu. A hozzászólás módosítva: Okt 25, 2022
Már sikerült beépiteni a fantom tápba egy lineáris felfutásu meghajtot most teszteljük a felfutási idöt.
Remélem sikerülni fog megoldani a gondot.
Sziasztok!
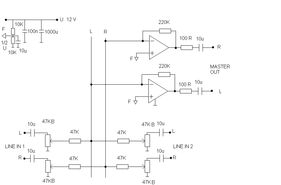
Ez ugyan keverőpultnak csak nagyon nagy jóindulattal nevezhető, de hasonló. Csak érdekességképpen: visszafejtettem egy Bespeco MIX30 "micromixer" fantázianevű kis keverőszerűség kapcsolását. Jelenleg több áruházban kapható 10 ezer forint körül, olasz gyártmányú, ultra low cost eszköz. (Valaki megbízott, hogy bírjam működésre elektret mikrofonokkal a bemenetén, szerettem volna némi átalakítást csinálni rajta, hogy megtápolja a szokásos jack dugós mikrofonokat.) Nem mondom, hogy a világ legnagyobb prója lennék analóg elektronikában, de ez az áramkör számomra egy totális baromságnak tűnik. Az biztos, hogy valami jel megy ki rajta abból ami bemegy, gondolom különben nem árulnák, de amúgy egy katyvasz az egész. Valaki lát ebben bármiféle értelmet? Szerintem a tranzisztoros résznek totál semmi értelme nincs.
Az out és az in1 szerintem fel van cserélve..
Ó, igen! Így már minden értelmet nyer, nem is tudom hogy nem vettem észre... Köszönöm!
Valami hiányzik a rajzrol. Vizsgáld meg tüzetesebben a tranyó vidékét.
Kiderült, hogy valóban felcseréltem az egyik kimenetet és a bemenetet. Csatolom az új rajzot, így már teljesen jó. Köszönöm a segítséget, néha nagyon nyilvánvaló dolgokat nem vesz észre az ember.
Sziasztok!
Vettem egy Behringer DJX700-as keverőt. Sejtettem, hogy javítós lesz, nem is nagyon sok olyan van ami hibátlan. 2 hibája volt, az egyik, hgoy az effektprocesszor nem indult és zajt szórt vissza, a másik, hogy a baloldali master kimenet torzít kissé ha a mély hang fel van tekerve, míg a jobboldali hibátlanul szól. A master kimenet és a booth kimenet egy helyről kapja a jelet, a booth hibátlanul működik, így úgy gondolom viszonylag jól leszűkíthető, hogy mely áramköri részben van a hiba. 2db kondit cseréltem, amit a képeken jelöltem, a kerámia kondikat és mást nem cseréltem. Van esetleg ötletetek, hogy mi lehet a gond? Esetleg az RC4580-as űveleti erősítőt kellene kicserélni? Csatolom az eredeti kapcsolási rajzot és az áramköri részt, ahol szerintem a hiba lehet.
Százezeréves mixer kapcsolás. De hogy ezt mikrofonra????
Érdekes válalkozás az tuti. Esetleg mikrofontrafóval a jelet feljebb lehet tornászni de hogy annak ebbe beleküldve miféle hangja lessz az kérdéses.
Szia! Hogyan reagál a balance gombra? Nem recseg ez a poti?
Szerencsére nem recseg. Vagy sajnos...
Nem sokat használták, az előző tulaj újonnan vette, ezt igazolja, hogy minden poti jó, nem lötyög, feliratok nem kopottak, nem karcosak, azt mondta a tulaj hogy sokat állt, ezt meg a 4 kicserélt kondi igazolja az effekt processzoros öcsipanelon. Az fura hogy az elején még nem csinálta ezt, ahogy pár napja elkezdtem használni akkor kezdte. Egy szkóppal hamar meglenne talán a hiba, de sajnos nincs. De hangra olyasmi, mintha mélyeknél ellaposodna a szinusz. De csak ha felcsavarom a mélyet, viszont minden csatornánál. Talán ez is igazolja hogy a master kimenet műveleti erősítői körül lehet a probléma.
A műveleti erősítő hibája az 1 és 7-es lábak nullától eltérő feszültségével szokott járni.
Mérjek egy feszt a GND és az OPA kimenetei közt?
Esetleg más hibalehetőség, amit mérni kell, vagy javaslat cserére? Ha már úgyis előtte leszek.
Írtam, nézd meg a balance gomb hatását a torzításra!
Hatástalan, csak akkor nem tozít ha balra tekerem, mert a baloldal nem torzít, közép és jobb illetve jobb és közép között golyamatos.
|
Bejelentkezés
Hirdetés |



















