Fórum témák
» Több friss téma |
Fórum » Ki mit épített?
Ez a téma ha úgy tetszik a mi "kiállítótermünk", nem pedig a ki mit csinált volna másképpen, mások helyett, és legfőképpen nem javítós téma.
Minden készüléknek van saját témája, ott kell kitárgyalni a részleteket!
FONTOS! A kapcsolási rajzok keresésére is van saját téma, ott keressetek rajzokat!
MP3 lejátszó?
A kábelrögzítő bilincs még nem ártana bele. Így könnyen kitörhet/kitépődhet.
Üdv!
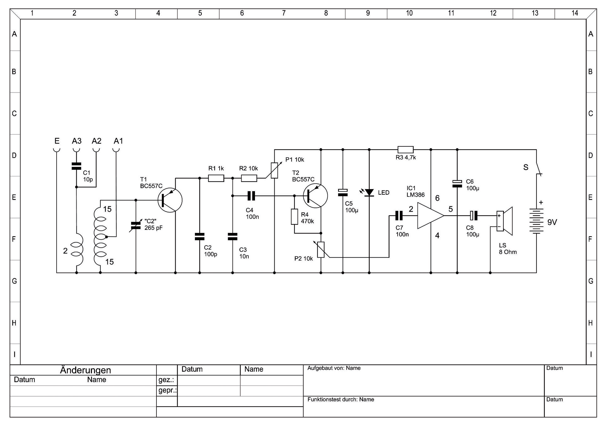
A Conrad kínálatában megjelent egy újabb Retro Radio építőkészlet, ami most egy rövidhullámú vevő a 3.5-9.0MHz-es frekvenciatartományra. Vagyis benne van elvileg a 80 és 40 méteres rádióamatőr sáv is. A Párom meglepett egy ilyen készlettel, ezért ma meg is építettem a kis RH vevőmet. Szerencsére a vállalkozást siker koronázta, ezért mindenkinek ajánom, aki szeret rádióvevőket építeni és "hullámvadászni". Sajnos az angyalföldi panellakás erősen árnyékol még középhullámon is, ezért az ablak fölés a függönykarnisra kifeszített rézsodrony vezetékkel készítettem hozzá antennát. Tervezem levinni vidékre (Szolnok-Szandaszőllős) magammal, a kertben kifeszített antennával való vételi kísérletekhez. A kapcsolás alapján még nem derült ki pontosan, hogy az első tranzisztor nem-e egy visszacsatolt audion, mert akkor az amatőrsávok CW esetleg korlátozott SSB vétele is lehetséges vele, de ezeddig nem sikerült távíró vagy egyoldalsávos jeleket fognom, vagy csak 80 méteren nem voltak éppen nagyon aktívak. Egy közelkeleti és egy orosz adó, valamint pár távoli, zajba vésző adó hallható volt vele már. Beszéljenek a képek és a videó.
Kész a panel, forgókondi beforrasztva, belülről huzalozás nélkül és behuzalozva.
Kiöntöttem az egész d-subot kétkomponenses ragasztóval,beleértve a kábel tövét is, így gyakorlatilag egy tömböt alkot. Készítettem hozzá egy kis adaptert, és így icsp-re is lehet használni, illetve különböző dip tokokat pakolok még fel "öcsi" panelre, és így nem csak az FD-1 hez lehet használni.
Ezekhez a kitekhez ilyen színes papírdobozt is adnak ?
Szerbusz mindenkinek!
Itt egy PCL 86-os csőre épített monoblokk van a mellékleten. Ut=300V tápfeszes előfeszítéssel, a meghajtó rész előfeszítése kondival részben át van blokkolva. A kimenőtrafója a régi tévék szilíciumos EI66-os trafóinak a magja, az E rész összeforgatásával. Monoblokként elég szépen szól, bár nem fogja soha behozni a GU50-et vagy a 300 B-t. De a 6L6 orosz változata hang karakterben nem szerepelt szebben. De leszögezem. elhagyja a b osztájú és ab osztájú ic-és erősítőket. (Kulcsszavak:-vezérlő jel asszimetria-hőmérséklet stabilitás-fázis hurok stabilitás-felharmónikusok mozgása az alapjelen-) A doboza egy régi TV kávájából és egy rossz, 45 éves ágy merevítő lécéből készült.
Szia ! szép - szép ami azt illeti gratulálok hozzá ! De a kedvemért a belvilágból is láthatnánk valamit ? Meg aztán amennyiben a kapcsolás is némileg publikus akkor arról mondhatnál valamit ?
Tetszenek a rádióid, de az a régi szép Videoton, ott a képen, mindent felülmúl szerintem! Üdv. Abu
Igen, a szép papírdoboz egyben a csomagolása a kittnek.
Igen, sejtettem sajnos...
A kitthez járó, német nyelvű leírás emlegeti a CW/SSB vételt, valamint lehet rendelni DRM adaptert is hozzá, hogy DReaM szoftverrel lehessen hallgatni az adást. Tippek és Trükkök
Nagyon pöpec. Na én is szeretnék egy ilyet készíteni! Sajnos még mindig "elrettent" a kimenőtrafó sajátkezű készítése. De ami késik nem múlik...
Azóta utánanéztem, a leírás valóban írja, de nem lelek visszacsatolást ( "visszacsatolt audion" ). A leírás szerint pedig van, a P1-el lehet állítani. Anélkül valóban gyanúsan érzéketlen lenne. Megkérdezek okosabbakat.
Megérte megkérdezni.
Üdvözlöm
Mindenki azért irok mert eladóvá vált egy ************ft!!Érdeklődni a ****@*******.hu-n lehet Moderálva--vicsys
Szia ! Van ott fülül egy rovat amit Apróhirdetésnek hívnak ?
Üdv!
Sejtettem, hogy valahol ez egy "0-V-2", ezt most meg is erősítették! Ha az első tranzisztor valóban "audion like", akkor sajnos kifelé is sugároz. Egy nagfrekvenciás előerősítőt is érdemes lenne elé tenni. Egyébként van belőle csöves is, bár azt valószínűleg a magyar Conrad nem fogja forgalmazni, de megrendelhető a futárköltséggel megfejelve: Das Franzis-Röhrenradio zum Selberbauen
Üdv!
A blogomban írtam a megépítéséről, képekkel és videókkal illusztrálva: Rádiózni jó II.: SWL Rulez!
Üdv!
Egy Kódzáras riasztó rendszert építek, ami távirányítható lesz. Persze csak annyiban, hogy gombnyomással lehet nyitni az ajtót. Amit tud:0-9 gomb 4 számjegyű kód nyitja a mágneszárat. Rossz kód esetén " Hibás kód" felirat az LCD-n Jó Kód esetén: " Kód elfogadva, Ajtó nyitva" felirat. gombnyomáskor kis buzzer jelez vissza. Ajtó kinyitásakor folyamatosan sípol 3 másodpercig ( amig az ajto nyitva van ), hibás kód esetén pittyeg. LED-ek is visszajeleznek egy piros és egy zöld. A készülékben lesz fűtés is, a hideg ellen, ezt majd egy LM35 ös hőszenzorral oldom meg, a PIC már tudja, csak a videoban még nincs bekötve. 5fok alatt kapcsolni fog a PIC, és egy teljesítmény ellenállás hőjével felfűtöm a dobozát. A Távirányítóval kód nélkül egyből nyitom az ajtót. Ha 3X elrontottuk a kódot, billentyűzár bekapcsol, és folyamatosan riaszt egy erős buzzer, addíg míg le nem nyomom távirányítóval. Nagyjából ennyi, ha valamit kihagytam majd írok még. Itt a video: VIDEO üdv: Dávid
"This video is private. " ez van a linken.
Hmm, mintha a debounce -al némi gond lenne
De alakul.
Jó lesz, tettszik! A kész berendezést is bemutatod, ugye?
Csak, hogy én is Tamáskodjak egy kicsit: Készíthetnél ékezetes karaktereket, hogy tökéletes legyen. Illetve a 4 karakter után tegyél be egy pár ms-os késleltetést, hogy lehessen látni a 4. csillagot, mert így a videon olyan, mintha csak 3 karakter lenne...
Sajnos a videon a pergésmentesítés még nem volt megoldva, már kész.
A kódot nem felejtettem el .Technikusi munkám ez lesz, természetesen bemutatom készen is. Teszek fel egy másik videot. üdv: Dávid
Itt is van: VIDEO Pergésmentesítve. Azóta a késleltetést is megoldottam, de nem volt erőm ujra videózni. Higgyétek el
. üdv: Dávid |
Bejelentkezés
Hirdetés |




A kábelrögzítő bilincs még nem ártana bele. Így könnyen kitörhet/kitépődhet.















De alakul.
. 




