Fórum témák
» Több friss téma |
Sziasztok!
Van egy régi fajta csengőnk, és addig csenget, amíg nyomják a gombot. Sok őrült viszont rátámaszkodik a gombra, és ez nagyon idegesítő. Egy olyan kapcsolásra lenne szükségem, ami egy bizonyos idő után megszakítja a kapcsolót, tehát hiába támaszkodnak a gombon, a csengő csak egy bizonyos ideig szól. Remélem érthető voltam. Deniel
Rakj a csengő plusszára egy kondit és az ha feltöltődik ellenáll, így nem csöng tovább a csengő. Már csak azt kéne megoldani, hogy ha elengedik a gombot, kisüljön a kondi...
Nem hülyeség, de előbb egyenirányítani kell a csengőreduktor szekunder feszültségét. Persze nincs infó, hogy milyen típusú a csengő.
ha egy ellenállást párhuzamosan kötsz a kondival (minnél nagyobb, annál tovább szól a csengő) akkor az kisüti a kondit ha elengede a gombot elvileg. (minnl nagyobb az ellenállás, annál lassabban süti ki a kondit... még annyit, hogy akkor lehet hogy halkan fog még szólni a csengő, de nembiztos...
biztosan csinálnék egy monostabil kapcsolást 555-tel....A csengőtrafó adott-abból könnyen lehet tápot csinálni az elektronikának.
[link=http://perso.orange.fr/e-lektronik/LEKTRONIK/IMAGES/555_mono_spice.gif]http://perso.orange.fr/e-lektronik/LEKTRONIK/IMAGES/555_mono_spice.gif[/link] segítség képpen...
Köszi!
Elmagyaráznád, hogy pontosan hogyan működik ez a kapcsolás? Deniel
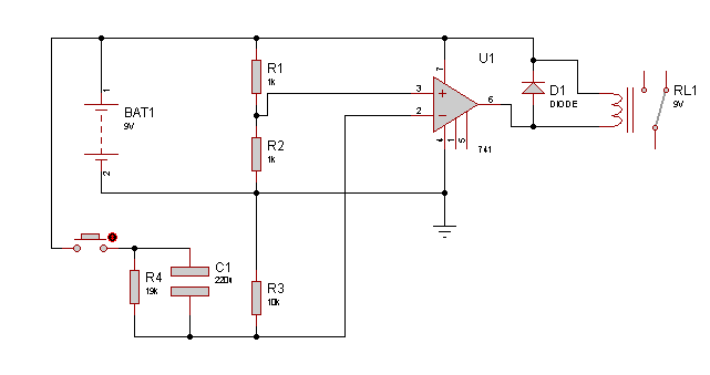
Az 555-ös bemenete a 2-es láb. Ide adott trigger jel indítja at időzítést. Ha a kapcsolót rövid ideig zárod akkor a kimeneten(3-as láb) felugrik tápfeszre egy meghatározott ideig majd viiszaugrik testre. Az idő hosszát a 6és7-es lábakon lévő kondi határozza meg. Tehát az ic kimenetére tett jelfogó kapcsolhatná a csengődet.
És ha az őrült rátámaszkodik, akkor is csak a beállított ideig szól?
Az 50nF (whöhöhö 47nF) miatt szerintem igen!
Köszönom szépen!
Tiéd a pont! És akkor a relét a 3-as és 1-es lábra kell kötni? Normál relé is jó, vagy szilárdtest relé kell? Deniel
Khmm....
Nagyon köszi! De mielőtt élesben beszerelnéd azért veroboardon drótozz össze egy kísérleti példányt mert az itteni rajz csak pusztán elmélet... ha kell még segíteni írj! Igen oda, de nemártana egy kapcsoló tranya is...bár asszem egy kis teljesítményű relét az 555 elbír...valahogy így: [link=http://www.ferromel.de/tro/aufent_u.gif]http://www.ferromel.de/tro/aufent_u.gif[/link]
És az 555 IC az single timer legyen?
A második rajzon hol van a kapcsoló?
Igen. hiszen a rajzon láthatod is. A duál változatnak az a neve, hogy 556
deniel...azt majd ne feldd, hogy ha relét kötsz be az 555-ös kimenetére, akkor a relé tekercsével párhuzamosan egy diódát muszály lesz beraknod. Ez az ökölszabály! Olyan módon kell bekötnöd, ahogy azt vicsys másodszorra belinkelt képén látod. Tehát a föld felé nézzen az anód (NEM a csíkos vége a diódának)!
A második rajzon csak a kimeneti rész a lényeg!
tehát tranya relé dióda és ellennállások a bázison!
Akkor ha szépen megkérlek össze tudnál rakni a 2-ből 1 olyat, ami már nagy eséllyel működik?
Én még csak ott járok, hogy rajz alapján össze bírok rakni dolgokat.
kb ennyi...
de mondom, próba cseresznye!
Köszi!
Így már meg bírom építemi. A 12V-os relét be tudja kapcsolni a 9V? Deniel
Be, és a 7,2V stabilan meg is tartja.
De milyen 9V-ról beszélsz? A csengőtrafó 9V-ját egyenirányítva, pufferelve 740u-val már rég 11V környékén leszel.
Csak 3 időfokozat állítható be?
Mert csak 470nF 680nF és 1µF-os kondenzátort találtam abban a tartományban az árlistán. Ezek kb mekkora időtartamot jelentenek?
Ja, bocsi, nem néztem...
De nyugodtan hajthatod 12V-ról is az egészet. Az időintervallumok nem fognak változni.
Nekem is lenne egy ötletem: Csengő gombja fölé kiírod egy papírra: Kérem ne nyomja 2 másodpercnél tovább!
Ezzel rögtön fel is mérheted a látógatód értelmi szintjét!
egyébként én komparátorral csináltam volna. Kevesebb alkatrész kell...., 100% jó...
Hello!
Megépítettem a kapcsolást, és egyből működik! Köszönöm szépen a segítséget mindenkitől! Deniel
Sziasztok!
Újabban rejtélyes dolgok történnek itthon. Már 2szer előfordult tegapelött, és ma is. hogy kb hajnalban háromnegyed 5 körül megszólalt a csengő. A szüleim ilyen tájban mennek dolgozni, tehát egyből kimentek, de nem volt a kapuban senki. Ezt okozhatja ez a csengőkapcsoló? Valami bezavarhatja? Deniel
Tipikus áramszünet jelenség. Amikor visszajön a hálózat -1 ciklus lefut...
Hello!
Megfejtettük, hogy akkor csöng, a csöngö, amikor apám kihúzza a telefontöltőjét, a csengő alatti konnektorból. Ez hogyan lehetséges? Deniel |
Bejelentkezés
Hirdetés |






