Fórum témák
» Több friss téma |
Én sem vagyok benne a digitális technikában, bár nekem még áll a vonatom, remélem nem késem le.
Viszont én mindent a (leendő)rádióamatőr szemével nézek, valójában kvarc teszternek kellene a 7400. Osztót csak kérdeztem, hátha jó lesz valamire és most éppen kézenfekvő volt. Hp41C köszönöm az IC tippet. 10-es osztóm meg már van.
Igen Szendi , ez az oszcillátor kapcsolás az alapja több antenna analizátornak is pl. amit HA7PO építgetett , valamint az MFJ 204 és az MFJ 259 -nek csak ott FET-ekkel van megvalósítva. Az MFJ 204-et én is megépítettem és szépen stabilan működött.
Ugyanitt kérdezem elektroncső cimborától, hogy a kvarc oszcillátort milyen frekvenciára építette meg?
3,57MHz, 7,15MHz, 7,2MHz, 4,000MHz-es kvarcokkal próbáltam ki. Ezekkel elindult. 40MHz-essel is elindult az oszcilláció, de nagyon nem 40MHz-n. Aztán lehet, hogy azon, de 25MHz-s oszcilloszkópom van, nem tudtam lemérni. Csak láttam, hogy oszcillál. Frekvenciamérőm még mindig nincs megjavítva. Körül belül helyén van a frekvencia a többinél. Amúgy a következő szupervevős tranzisztoros rádiómba tesztelgetem, gyűjtögetem a modulokat. Amint lesz haladás jelentkezem a témában.
Ma a CW/SSB demodulátort raktam volna össze, csak közbe szólt a jó idő és inkább kimentem hegeszteni. A hozzászólás módosítva: Ápr 12, 2015
Akár igazad is lehetne, de a rádiós dolgokban nemigen használhatók a digitális oszcillátorok. Sajnos, itt a frekvencia pontosság, és a stabilitás mellett az oszcillátor jelének spektrum tisztasága is fontos.
Nagyon nem mindegy, hogy milyen kristályokat használsz. Felhang kristályokat stabilan nem egyszerű berezgetni, azokat agy kétfokozatú erősítő visszacsatoló ágába kell tenni. 10 - 15 MHz feletti kristályok felhang kristályok, azokkal adódhatnak problémák. (harmadik, ötödik felharmónikus)
A hozzászólás módosítva: Ápr 12, 2015
Rendben, köszönöm. Ezt nem tudtam. A TTL-es oszci amúgy csak kvarcteszteléshez kell nem rádiós áramkörökbe.
A hozzászólás módosítva: Ápr 12, 2015
Üdv!
Egy kvarcoszcillátoros áramkörrel bíbelődök. Az oszcillátor megy, és ott, ahol kell. De ha a kvarc tokozását megérintem, akkor a frekvencia valamelyest alacsonyabb lesz. Ez így természetes, vagy rá kellene néznem, mert valami nincsen a helyén?
Ha megnézel egy kvarc adatlapját, akkor láthatod, hogy a kvarc hoz kiegészítő kapacitást kell alkalmazni. Ennek értéke 10 - 40 pF között szokott lenni. (általában 30 - 33 pF) a sterelési, és szórt kapacitások is ebbe a tartományba esnek, ezért ha megérinted, akkor ennek a kiegészítő kondenzátor értékét is befolyásolod, amivel természetesen a frekvencia is némileg elhangolódik. Ezért szokás a kvarc fém házát földre, testre kötni, állandónál forrasztással, cserélhetőnél egy rugós kallantyúval.
Értem, és köszönöm. Nálam a kvarc fémháza egyenlőre lebeg. Ezt most le fogom testelni.
Sziasztok!!!
Találtam idehaza egy ilyet Kvarc Hogyan lehetne működésre bírni? A hozzászólás módosítva: Feb 19, 2016
Csekélyke angoltudásommal nem sokra megyek vele
de azért köszi
Szia !
A csatolt képhez elég lesz a csekélyke angol tudásod
Nagyon zsír kipróbáltam és működik
Köszi!
Tiszteletem! Van a melléklet szerinti kapcsolás. Működik rendesen, de nem mindig. Van hogy bekapcsolás után eltelik 10-15 másodperc is mire elindul. Hol és min kellene változtatni, hogy biztosan elinduljon bármikor, és ne véletlenszerűen? Köszönöm!
Én inkább egy multifázisos referencia áramkörre gondoltam beépítésre, sorbakötve a kvarcal. Ezzel asztrahálnám a rezgéseket és elősegíteném az áramkőr elindulását!
A hozzászólás módosítva: Júl 8, 2018
Ha megfordítom a kvarcot az nem lesz jó mert akkor a kimeneten megjelenő órajel megint invertálódik. Meg különben is szeretem látni beforrasztás után az alkatrészek számát, értékét. Ezért sem raktam felirattal a nyák felé az ic-t. De lehet kipróbálom!
Ez nem CMOS, hanem TTL.
De ettől függetlenül valóban lehetne játszani az ellenállás értékekkel. Például megmérni az első kapu kimenetén a(z egyen)feszültséget, és nagyjából fél tápfeszültségre állítani ellenállás cserével. Segíthet esetleg néhány (tíz) pF a GND-re, a kvarc két oldalán.
Igaz, most látom jobban nézve. Töröltem is.
Emlékeim alapján nincs lehúzó ellenállás a bemeneten, hanem 10...33pF kondi kell a ki és bemenetre egyaránt. Az 1k visszacsatoló is durva, inkább 2k2..3k3 között lehet.
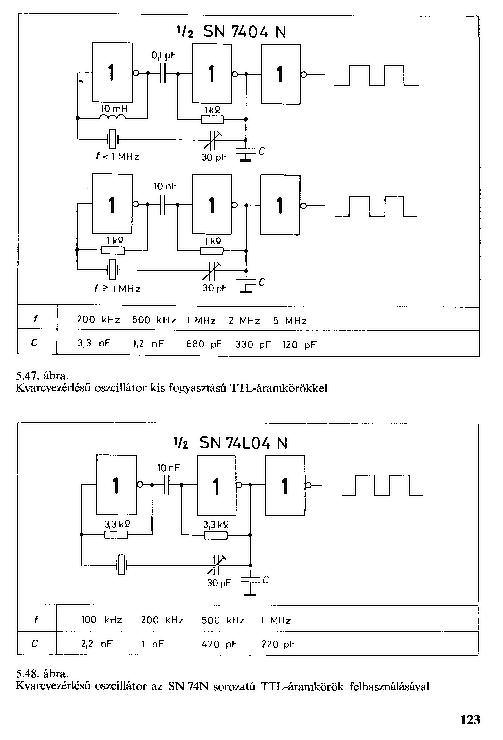
Ez a kapcsolás a CMOS kapukhoz (74C00, 74HC, CD400x unbuffered verziók) való. Ráadásul azokban az ellenállás sokkal nagyobb értékű kb. 47k .. 1M és csak normál kapuval működik (Schmidt triggeressel nem). A TTL quartz oszcillátor oldalon a második kép. Sajnos ez a kép sem teljesen jó, a TTL receptek (@ Texas Instruments 1976) szerint a kondenzátor a második kapu kimenete és a föld között van.
Az elemek értéke: Visszacsatoló ellenállás: LS családnál 3k3, Normál család: 1K, S család: 470 A kapacitás értéke: LS családnál: C[pF] = 222000000 / F (Hz), Normál családnál: C[pF] = 680000000 / F (Hz). A többi családdal nem működik! Azonban tovább lehet játszani a kapcsolással: Pl. 8MHz -es kristály felhasználásával lehet 24MHz -es oszcillátort csinálni a csatoló kapacitás értékének csökkentésével. A kapcsolás a 3. harmonikuson is berezgethető. A hozzászólás módosítva: Júl 8, 2018
Sziasztok!
Meg lehet mérni egy Atmega88pa-ra beépített teljesen jól működő kvarc értékét kiforrasztás nélkül? Pont a felirat van leforrasztva. A hozzászólás módosítva: Szept 30, 2019
Szia, hogyne, persze lehet, hogy felhang kvarc, de mégis az alapon rezeg.
A jó frekvencia-mérők általában a mérőzsinórral sorba kötött 1-2 pF kondenzátoron keresztül már megmérik a jelet, és ekkora kondenzátor nem hangolja el számottevően. Volt, amikor fémházas kvarc házán is meg tudtam mérni, ha az illető jó erősen rezgett.
A kvarc oszcillátor erősítője a mikrovezérlőben van, a kvarc a visszacsatolásban.
Magyarul az oszcillátor egy bemeneti, és egy kimeneti láb közé van kötve. A kimeneti lábon mérheted az oszcillátor frekvenciáját, egy kis értékű (laza csatolás) kondenzátoron keresztül. Tekintsd át az adatlapját, a portok leírásában PB6 bemenet, és PB7 kimenet a hivatkozás. Hogy melyik lábon van, az tokozásfüggő. A hozzászólás módosítva: Szept 30, 2019
Sziasztok!
Lehet hogy nem a legjobb helyen kérdezem, egyedi frekvenciájú kvarcokat honnan lehet beszerezni? Kb. tizen-húsz éve volt olyan infóm, hogy rendelésre legyártják, csak akkor nem foglakoztam vele, most meg nem találok ilyet. RH QRP távíró frekvenciákra kellenének (3,555MHz; 7,030MHz; 10,116MHz; 14,060MHz). Nincs kedvem filctollal hangolgatni, csiszolni meg pláne (azt nem is próbáltam még).
Tök jó a DDS, ismerem is, de jelen esetben ez több ok miatt sem.
Egy ilyesmi adó építését tervezem, csupán az érdekesség kedvéért. Szeretném hogy akkor már legyen használható is megfelelő kavicsokkal.
Talan színsegédvivő (3.579545 MHz) kvarccal a 80 méteres sávot meg tudod oldani...
|
Bejelentkezés
Hirdetés |




Viszont én mindent a (leendő)rádióamatőr szemével nézek, valójában kvarc teszternek kellene a 7400. Osztót csak kérdeztem, hátha jó lesz valamire és most éppen kézenfekvő volt. Hp41C köszönöm az IC tippet. 10-es osztóm meg már van.
Ma a CW/SSB demodulátort raktam volna össze, csak közbe szólt a jó idő és inkább kimentem hegeszteni.









