Fórum témák
» Több friss téma |
Fórum » LED-es kivezérlésjelzők
Témaindító: KeserűCukor, idő: Márc 27, 2006
Témakörök:
BC 212:Tranzisztor, PNP, 100mA/50V
BC 327-25:Tranzisztor, PNP, 800mA/50V tehát jó helyette csak nagyobb áramot tud. A panelrajz meg 2n2222 re lett tervezve, ezért ha a mi általunk tervezett rajzot építed meg akkor csak be kell ültetned, és menni fog.
Amit én használok, a te verziod, az IRLZ FET-es, ezért kérdem....
Akkor mit hova ?
melyik tokozású 2n2222-d van a fém vagy a műanyag?
Fém tokozású, aminek van olyan kis kukija a szélén. :yes:
a "kuki" felöli láb a testre a középső a 10k-s ellenállásra ami a pictől jön a 3. meg a ledekhez megy
Köszi, akkor ezt lefordítom majd a kukac nyelvemre, és remélem működni fog, miután pontosan értelmeztem ! Köszi !
Sziasztok!
Egy nagyon egyszerű 1 ledes kivezérlésjelző kapcsolás kellene, ami csak basszusra villog.
Ezt próbáld meg, szerintem Alkotó is erre gondol: Bővebben: Link
Igen, a felső részre. A 4017-es rész már nem kell.
Szép napot !
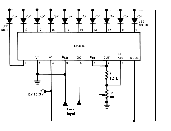
Megépítettem egy kivezérlésmérőt LM3915-tel (rajz csatolva) müködik is szépen csak az érzékenységét nem lehetne állítani? Mert így "ordítani" kell a zenének hogy jelezzen valamit is. Olvastam hogy műveleti erősítővel lehet orvosolni, de más megoldás nincs?
R1 értékét vedd 1k-ra le akkor érzékenyebb lesz a trimert meg cseréld ki 100k-ra
Szia! Az érzékenységet növelheted a 2,7K ellenállás csökkentésével (pl. 1,2k kétszeres érzékenység).
Megjöttek az alkatrészek, elkezdtem összeépíteni a kapcsolást, viszont van egy kis probléma!
Az R1-es ellenállás pillanatok alatt felforr! Szóval valami nem stimm. Van valami ötletetek?
Biztosan 10kR-os az R1-ed? Mert annak nem kéne melegedni 20V-ról egyáltalán.
Ő lenne az:
http://www.hestore.hu/prod_10024383.html
Ez az ellenállás 10 ohm. Neked pedig 10 kiló ohm kell. Azért melegszik. Neked ilyen kell!
Üdv, megépítettem az LM3915-ős adatlapjáról a teljesítmény méréshez tartozó rajzot de az istenért sem akarja pontszerűen vezérelni a ledeket csak vonalban elősször azt hittem hogy rossz az ic de már a második garnitúra ic van benne, ehhez kérnék egy kis segedelmet, előre is köszi.
Bővebben: Link
úgy se változik a helyzet vagyis igen is meg nem is ha a 9-es lábat testre teszem akkor kigyullad a 9-dik led a többi meg ugyan úgy villog, most vettem egy ilyet: Bővebben: Link ennél működik a dot mód ha a jumpert leveszem ami a 9es láb és a plusz között van.
+tápra kell tenni, nem a testre. Ha a 9-es plusszon van, akkor "vonal-mód", ha nincs, akkor "pont-mób"
Na ez az hogy nincs sehova sem kötve és vonalba villognak a ledek, ezért írtam az előző hszm-ben hogy a HE Store-os kitben meg rendesen műküdik ez a funkció.
Amíg nincs a bemeneten egy dióda, és kondi, addig nem lesz jó a kijelzés. Keress rá Proli007 csúcsegyenirányítójára!
Félsiker... sikerült elindítani a DOT módot, annyi a bibi hogy az 1N4148-as dióda nem jó de egy ősöreg OA1160 germánium diódával pirít rendesen csak a baj hogy nincs belőle 2db-om, találtam egy másik diódát is amivel még jobban működik az pedeig egy GAV sorozatú, na most az 1N-el nem csinált semmit csak egyesével kigyuladtak a ledek és teljesen felkúszott az utolsó ledig, kellene valami olyan dióda ami helyettesíti a fent említetteket.
Ezek szerint csak próbálkozol, és nem olvasol utána a témának. Így nem fog menni. Prolinak van egy jó cikk-je, kapcsolások között van, valami kivezérlésjelzővel kapcsolatban.
Sziasztok!
abszolút kezdőként kérdeznék. Szeretném megcsinálni az LM3915-ös kiv. jelzőt. Megcsináltam a rajzot Eagle-ben, megnézné valaki, hogy ok-e?... A fő kérdés, hogy mindent jól kötöztem-e össze. A másik kérdés, hogy még nem vettem meg az alkatrészeket, de a rajzok szerint a potinak 3 lába van? Azt így kell bekötni? A válaszokat előre is köszönöm, és bocsi, de abszolút most kezdem...
Már a rajz se jó, hiányzik a bemeneti csúcsegyenirányító.
(Mi az a SCH és BRD végű file? Merész dolog azt feltételezni, hogy mindenkinek van egy kevéssé legális EAGLE a gépére telepítve. Ha javasolhatom, ilyen esetekben célszerűbb "értelmesebb" formátumot feltenni, mert az többen meg tudják nézni -pl. PDF-.)
Köszi a gyors választ!
nem értem,mi az,ami hiányzik? |
Bejelentkezés
Hirdetés |











