Fórum témák
» Több friss téma |
Idézet: „Xc= Ucs/Ics = (320V - 35V) / (20mA * Pi/2) = 9,07kohm” A középértékből számol csúcsértéket, azért ennyi. Szerintem nagyjából jó eredményt ad. A ledeken az áram középértéke fog átfolyni (amúgy az elkó átlagolja ki az áramot), az effektív érték a soros ellenálláson a veszteségének számolásához kell. A hozzászólás módosítva: Dec 31, 2012
Sziasztok!
Érdeklődöm, valaki tud-e segíteni ebben: napelemes éjszakai világítótestekben milyen Ledet használnak, amelyik 1,2 voltnál működik? Tudtommal az összes Led 3 V körüli értéknél gyújt.
Van benne egy inverter, ami 1,2V-ból 3-4V-t csinál. Google-ban, Hobby elektronika vagy RT újságokban talász bőven kapcsolást.
A hozzászólás módosítva: Dec 31, 2012
Sziasztok!
Én Power-ledes reflektort szeretnék készíteni 10x1w-os pw leddel, ami 3,6v-tól nyit 350mA áramfelvétellel. Jó lenne hozzá egy 12v/1A-os DC elektronikus trafó (tehát 12w-os)? Valamint párhuzamosan kellene minden ledhez egy ellenállást kötni?,vagy 2esével sorba és úgy egy ellenállás?
Helo!
Készítettem egy ledes üvegpolc világító rendszert. A rendszerem a következő elemekből épül fel: 220V-os távirányítóval ki/bekapcsolható aljzat. Ebből megy tovább egy 12V-ot szolgáltató tápba a vezeték, majd a ledszalagbol készített világító modulokba. Egy olyant szeretnék beépíteni a táp és a ledmodulok közé, amely ha a 220V-os távirányítható aljzat bekapcsol, a ledek fokozatosan kapcsolódjonak fel (3-4másodperc pl), majd lekapcsoláskor ugyanígy halványodjonak el teljesen. Tud valaki nekem segíteni ebben? Annyira nem vagyok elekto zseni, de szeretem a kihívásokat ![]() A ledmodulok összfogyasztása kb 10-15W lehet
A 10-et szerintem nem fog elbírni, mivel ha 3 at párhuzamosan kötsz az máris 1050 mA ami 1,05 A. Ha 3 at sorba kötsz és ilyenekből 3-at párhuzamosan (összesen 9 db-ot) akkor még talán elmegy vele, de szerintem, hogyha nem egy normális minőségű az a táp pár perc után túl fog melegedni az 1A-től.
Talán egy RC: Link ( R1-C3. Erősítő helyett LED szalag. ) a 12V-os tápegység és a LED-szalagok között elég lehet. Esetleg szükség lehet egy egyszerű időzítőre ( 555 + relé ) ami az ellenállást egy adott idő után le söntölné, hogy csökkentse a veszteségeket. Ez a legegyszerűbb megoldás... ( Az ellenállás helyett lehet áramgenerátort is alkalmazni. )
Tudsz nekem erről készíteni egy rajzot? Elég buta vagyok ezekhez, de tudok valakit, aki séma alapján megtuná csinálni
Köszönöm a választ!
Hát mint minden táp "Kínai",de igazából 1W-os a led,a táp meg 12W-os szóval elméletileg nem lehetne baja!mert ugye ha 9 ledet 3x3darabjával kötöm az 10,5 voltot vesz fel nyitó feszben,másrészt nem tud annyira túlterhelődni a táp,mert elektronikus,nem enged át több áramot a kelleténél(vagyis nem szabadna)...
Átgondolva ( és leszimulálva ) a problémát, a következő ELVI kapcsolásra jutottam...
Ez az áramkör két részre bontható. 1: Pufferkondenzátorból ( C1, D1 ). A C1 a kikapcsolási időt ( elhalványulást ) állítja be. A D1 dióda a tápegységet védi a ( hátbatámadástól ) kimenet visszatáplálásától. Egyes tápegységek tönkre is mehetnek ettől... 2: A Tranzisztoros emitterkövetőből ( Q1, R1, D2, C2, C3 ). Az R1 - C2 a bekapcsolást ( kigyulladást ) állítja be. A C3 a kimenő feszültséget szűri. A Q1 tranzisztornak a LED-sorok áramát el kell viselnie. Megéri egy kicsit túlméretezni és hűtőfelületre szerelni. A D1 diódának is el kell viselnie a C1 pufferkondenzátor áramát.
Köszönöm szépen
Elviszem majd egy elektróshoz, akivel amúgyis akartam élőben is konzultálni emiatt, talán ő is tud valami megoldást erre ![]() Köszönöm szépen mégegyszer
Egy próbát megér.
Lehet azt tudni, hogy egy 5mm-es fehér led mekkora áramra van kitalálva?
20mA sok lenne neki? 230V esetén jól számoltam újra, hogy 190nF kondi kellene elé? Mekkora ellenállást érdemes elérakni? Ha kettőt szeretnék berakni, akkor sorba rakom, és ugyanekkora kondenzátort rakok elé, vagy párhuzamosan kössem, és ahhoz számoljam újra a kondenzátort, és oda mekkora ellenállást érdemes rakni? Az ellenállás értékénél érdekelne a miért is, hogy legközelebb azt is ki tudjam számolni.
20mA a legvalószínűbb érték. A fő kérdés az, mire akarod használni?
Ha jelzőfény a fő funkció, akkor érdemes olyan áramot választani, aminél még eléggé világít, ez akár 5-10 mA is lehet. Ha világítani akarsz vele, akkor is érdemes a maximális áramnál kisebbet átküldeni rajta, hosszabb lesz az élettartam. Mindenképpen sorba kösd őket, kisebb fogyasztásod lesz, még újraszámolni sem kell, ha ekkora különbség van a tápfeszültség és a nyitóirányú feszültség között. Ha két LED lesz az áramkörben, akkor ellenirányban, párhuzamosan is kötheted őket, de számítani kell a vibrálásra, cserébe megspórolhatod a védő diódát.
Semmi nem számít, ilyen szempontból, egy elektromos rovarirtóban szeretném az UV lámpa helyére beaplikálni, nem kell nagy fényerő, sötét helységben kis fény kell, hogy odacsalogassa a rovarokat.
Maga a kütyü nem fogyaszt semmit, ha jól sejtem, erre beletesznek egy 50W-os lámpát, normálisak? Vibrálhat is, meg nem kell a max fényerő sem!
Jól számoltam akkor a kondinak a 190nF-et? Mekkora ellenállást tegyek be?
A védődiódának hová kell kerülnie, és milyet kell betenni? Ezt a védődiódát nem tudták még elmagyarázni rendesen, mit csinál ez, meg minek kell?
Nem tudom, milyen kapcsolást akarsz használni. A LED záróirányban általában 5V feszültséget visel el. A hálózati áram váltófeszültség, azaz másodpercenként körülbelül ötvenszer megváltoztatja az irányát. Ha a LED vezet, akkor nincs probléma, az előtét kapja a szinte teljes hálózati feszültséget. Ha nem vezet, akkor el kellene viselnie a feszültség csúcsértékét. Ez nem fog sikerülni, hacsak nem teszünk a kapcsolásba egy védő diódát, amelyik ilyenkor vezet. Érdemes egy másik LEDet fordítva mellékötni, így kölcsönösen megvédik egymást. Amikor az egyik vezet, a másikra záróirányban csak a nyitófeszültség jut. Ennek hátránya az 50Hz 'villogás'. A kondenzátornak nem számolok utána, de a hálózati feszültség csúcsértékével számolj, azaz 1.4x230V!
Normálisak, mert őket nem érdekli az üzemeltetési költség, a cél a repülők elpusztítása. Az a rovarölő lámpa meg is öli a pácienseket? Ezt ki is próbáltad a gyakorlatban? A hozzászólás módosítva: Jan 8, 2013
Jó tehát ha jól értem, akkor a kondit egyhez kell számolni 15-20mA-re.
Mekkora ellenállást kell el érakni? A kisebb kondenzátornak nagyobb az impedanciája? Elpusztítja őket, két párhuzamos vezető van spirálba feltekerve, ha mindkettőhöz hozzáér, akkor zárja az áramkört, és zizzen egyet, van, hogy fel is izzik utána. Valami feszültségkétszerező kétutas hacukának néz ki, ami benne van.
A kisebb kondenzátornak nagyobb az impedanciája. Fogalmam sincs, mekkor ellenállás kell. A kondenzátor méretezéséhez pláne nem értek, majd' ötven éve tanultam...
Hello!
- Kapacitív reaktancia. Ez alapján kiszámolhatod a kondi váltakozóáramú ellenállását. Egy-két Led esetén nincs változás, hiszen a tápfeszhez képest a Led nyitófeszültsége kicsi. Ha "tízesével" vannak sorba a Led-ek, akkor már azt is figyelembe kel venni a számításnál, hiszen annyival kevesebb feszültség jut a kondira. - A váltóáramot a Led-ek előtt célszerű egyenirányítani, hogy ne 50Hz-el villogjon, mert az már látható. - Soros ellenállás azért kell az áramkörben, mert bekapcsoláskor, a kondi esetleg igen nagy áramot vesz fel, ami a Led-eken folyik át, ezt érdemes csökkenteni. Ugyan ez a helyzet, egy hálózati tranziens esetén is. Így az ellenállás annál jobb lenne, minél nagyobb. De akkor az meg fűt, így valami középutat érdemes választani. Ha pld. 20mA a Led-áram, és 1kohm az ellenállás, akkor I^2*R képlet alapján azon üzem közben 0,4W hő keletkezik. Egy 0,6W-os ellenállásnak az még nem sok. Kisebb teljesítményűt meg nem érdemes tenni, mert a bekapcsoláskori esetleges tranziens áram tönkreteszi. 1kohm esetén, ez 320V/1kohm=320mA maximálisan. ezért célszerű A Led-ekkel párhuzamosan tenni egy elkót, hogy ez a Led-eken ne haladjon át. - A váltós kondira ellenállást is illik tenni (pld 1Mohm), hogy hálózatból kihúzott készülék feltöltve maradt kondija ne vágjon meg ha megtapizod a csatlakozót. De nézz körül a hálón, és itt a topik rajzaiban, találsz számtalan példát. üdv! proli007 A hozzászólás módosítva: Jan 8, 2013
Sziasztok, kezdő vagyok a hálózati feszültségben. De már építettem áramköröket egyenre. Kérdés a következő: Egy darab ledet hogy kötök rá 230V-ra egy vissza jelzés lenne a cél.
Ha lehet kérni, akkor kérnék egy kapcsolási rajzot is és egy magyarázatot is hozzá. Ne túl nehezet ,de kis helyen elférőt és biztonságosat. Előre is köszönöm! A hozzászólás módosítva: Jan 26, 2013
Szia! A 230V jelzésére használj glimm lámpát.
Ha ragaszkodsz a LED-hez akkor itt egy kapcsolás. A kondenzátor ellenállásként viselkedik, értéke a LED fényerejét határozza meg. Az 1N.. dióda a LED-et védi a magas záróirányú feszültségtől. Az 560 ohm csillapítást végez.
Nagyon szépen köszönöm! Hamarosan megépítem és visszajelzek, hogy alakult
Üdv Mindenkinek!
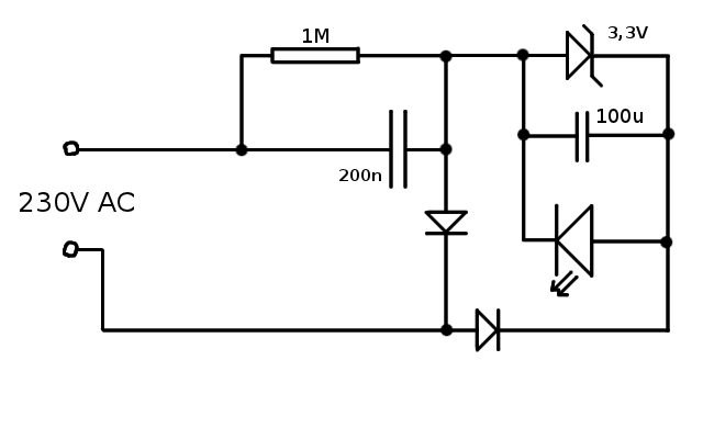
Próbáltam kiagyalni egy vibrálásmentes fényt adó, 230 V-ról egy hagyományos (3,3V-os) leddel működő kapcsolást, és az alábbira jutottam (ld. a mellékletet). Kérdésem, hogy ez mennyire működőképes? Válaszaitokat előre is köszi! A hozzászólás módosítva: Jan 27, 2013
Hali!
Nem üzemképes, több sebből vérzik, a 2 dióda (2*0,6V) kisöntölné a LED-et(kb 1,6V?) soros ellenállás kéne a bekapcs áramot korlátozni, a zénert sem így tenném, de minek , jó oda dióda, stb Ha visszaolvasol, ettől egyszerűbb működőt találsz. Kérdés persze mi a cél? Én inkább glimmlámpát tennék 1 db ellenállással, kevesebbet fogyaszt
Légyszives egy picit kifejtenéd, hogy a diódák hogyan söntölik ki a ledeket? Én alapvetően egy ilyesmi kapcsolásból indultam ki.
A 470nF-ot újraszámoltam, mivel ha pufferelek akkor nem lesz félhullám-hatás. A linkelt kapcsoláson látható, hogy két dióda (Az egyik a LED!) van párhuzamosan, de ellenirányba kötve, így amikor az egyik káros ellenfeszültséget kapna, akkor a másik kisöntöli, és eközben működik az azon átfolyó árammal. És én az egyik ágba sorossan beraktam egy párhuzamosan kötött zenert&pufferkondit&ledet, a sima diódát azért nem váltja most ki a led, mert enélkül a levágott félhullámok ideje alatt a pufferkondi töltése visszasülne a hálózatba. A feszültség a pufferkondenzátoron és a leden nem tud 3,3V fölé (lényegessen) menni, mert ott söntöli a zener. Külömben órainga kivilágításra gondoltam, aminél pedig mivel mozog szeintem még a gräetz-hidas 100Hz-en vibráló megoldás is látszódó lehet. És bevallom, nem vagyok glimmlámpa szakértő (ezért is döntöttem a LED mellet) a legkisebb mértékben sem, de annak még valahogy irányítani kellene a fényét, valamint úgy tudom, hogy az is vibrál 100Hz-en.
Hali!
Bocs, valóban benéztem ezt a sok diódát. Jónak tünik, de soros korlátozó elllenállás kellene, mint amiből kiindultál. A glimmnek viszonylag kis fényereje van, ide neked valószinűleg nem jó. A villogást jobban ki tudnád szűrni mint említed graetzel, a graetz közepébe a kondi, vele párhuzamosan a led egy soros ellenállással. Egyébként biztos van otthon felesleges mobiltöltő, vagy más adapter, inkább arról járatnám a ledet és az érintésvédelem is megoldva |
Bejelentkezés
Hirdetés |












