Fórum témák
» Több friss téma |
Azt nem tudom, hogy a '60-as, '70-es években, amikor felívelőben volt a tömeggyártásba vitt Hi-Fi,
Igen foglakoztak a nagyobb gyártók vele, és a gyári adatok között ismertették is. A probléma elsősorban az volt, hogy nehéz volt hozzáférni a hiteles adatokhoz, mert csak nyomtatott formában voltak elérhetőek.
"De a boldogsághoz igen. " - Ez pontosan így van
és a "művelet" közben még tanultam is pár új dolgot, hála az informatív hozzászólásoknak!
Többet mint manapság. Akkoriban meg egységesebbek voltak a célok, akkor is voltak vájtfülűek és mindennel elégedetlenek, de a nagyérdemü csak lemezen vagy szalagon jutott a zenei anyaghoz. Igy azonos alapbol indult ki az igényesebb többség. A lemezjátszo karjárol is megjelent legalább egy kötetnyi elmélet, de magához hangzásra ez alig volt hatással sokkal inkább a lemezt probálták kimélni.
A karoknál hatalmas különbségek voltak. A profi studiogramofonnak nehéz vagy 20 dekás volt a karja, természeten kikompenzálva, hogy a türe csak pár gramm essen, de a nehéz kar adott bizonyos dinamikus stabilitást, amire egyesek esküdtek. A másik véglet a speciális anyagokbol készült pehelykönnyü kar, aminek meg a huzat a szobában is gondot okozott. Egyöntetű döntés akkor sem született. Odahaza épitettem egy kart, aminek a stabilitását a 3 pontos alátámasztás volt hivatott adni - maga a kar 10 mm-s vékonyfalu duralbol készült és egy 4 tűcsapágyas kardánban volt felfogva. Azaz a kar mindig. 2 also tücsapágyon meg a pick-up tüjén volt megtámasztva. Ha jol emlékszem volt ilyen gyári (akkor elérhetetlen, drága) megoldás is. Igaz azon a tük zafir kristályokon voltak megtámasztva. De voltak lineáris karok is, amik viszont nagyot buktak pedig méregdrágák voltak, többnyire a vezérlő elektronika csinálta a gondot meg a kezelése/használata.
Tisztelt Szakik!
![]() Nem hagyott nyugodni CHZ észrevétele a hangkar VTA mértékét illetően. Nincs olyan sok benne, mint ahogy a szintmérő is mutatta a korábbi posztom fényképén, de jó lenne megszüntetni. A lemezjátszó egy Technics SL-1500 (MK1) és ha jól gondolom a hangkar állítható rajta. (de lehet tévedek). Készítettem egy képet, amin oldalt van egy csavar (a túloldalon szintén). Jól gondolom, hogy azok oldásával lehet csökkenteni a hangkar magasságát? Ha igen, valaki le tudná írni, hogyan lehet biztonságosan végrehajtani? Előre is köszönöm a választ!
Szia!
A tanyán mindkét manual fent van hozzá. Azokat nézd meg. UM SM De szerintem hamarabb találsz a csavarok alatt kar csapágyazást, mint magasság állítási lehetőséget, ezért én nagyon nem tekergetném azokat... Emellett még ezt próbáld átgondolni: "...amin oldalt van egy csavar (a túloldalon szintén). Jól gondolom, hogy azok oldásával lehet csökkenteni a hangkar magasságát?..." Vízszintes csavarok & magasságállítás ![]() Jó zenehallgatást. Üdv.
"Vízszintes csavarok & magasságállítás " - ...akár...ha egy tengelyen lehet fel/le csúsztatni az egységet és a két említett csavar a "fixálást végzi"
..a képen egy szögletes kialakítás látszik (a másik oldalon szintén), ami akár egy pozicionáló is lehet... A hozzászólás módosítva: Szept 20, 2025
NE NYÚLJ HOZZÁ! Az örök vadászmezőkre küldheted a lemezjátszódat. Mint korábban írtam, az egy másik kategória a lemezjátszók között (nagyságrendileg az 1 millások és fölötte). Kár volt megemlíteni ezt a VTA dolgot. Felejtsd el, és használd egészséggel, amid van.
Vettem!...közben egy ezeréves külföldi fórum elfeledett sarkában ráakadtam az infóra, amit kerestem...hogy ezen típus MK1 verziónál (ez van nálam) nem
, de az MK2 verziónál lehet magasságot állítani. Akkor marad a hangszedő alá valamilyen "alátét" applikálása...ezt milyen anyagból szokás/lehet kivitelezni? Idézet: „Akkor marad a hangszedő alá valamilyen "alátét" applikálása...ezt milyen anyagból szokás/lehet kivitelezni?” Ne legyen mágnesezhető anyag, de kellően stabil, merev legyen.
Értem...akkor valamilyen műanyaglap (pl. rossz bankkártya) jó lehet
Általágan ezek a gramofonok ugy lettek épitve, hogy a komplett kar egy külön egység volt ahogy a tányér is. Azaz a magasságot ennek a két egységnek a beszerelési magasságával lehetett beszabályozni azaz a kar csapágyozásához nem szabad már hozzányulni. Viszont mindkét egység beszerelési magasságát aránylag könnyü alátétekkel szabályozni.
Ha csak pick-up szögén akarsz változtatni, ahhoz untig elég a pick-up házára egy szigszalag darabot ragasztani a ( csavaroktol a konnektor felé). És ugy beállitani a szöget, de nem vagyok biztos benne, hogy ez tul sokat javitana bármin, mert igen kis szögekröl van szo, ami aligha befolyásolhat bármit és aligha tudod ott olyan pontosra beállitani mint a kart. Nem tudom mennyit lejt a kar, azt esetleg egyszerübb ugy kompenzálni, hogy felteszel két lemezt egymásra, ha az elég akkor tudod, hogy mennyit kell emelni a tányéron. A legegyszerübb a gumi alá valamilyen megfelelő vastagságu anyagbol ( egy másik gumit, de lehet karton, filz, gumi, szivacs stb) kivágni egy alátétet. A hozzászólás módosítva: Szept 21, 2025
Köszönöm a választ! Az utolsó bekezdésed szerint fogok eljárni!
Ha nagyon viszket a tenyered a valamit-de-csinálnék-még-től, akkor én a lemezjátszó aljának a csillapítását ajánlom bitumenes lappal. Előtte próbálkoztam minden olcsó háztartási "hulladékkal", de a hatásuk a semmi és a fogjuk rá között volt. Ez az öntapadós lap 2mm és a képen látható mennyiségben a MINIMÁLISRA csökkentette a kongást. Kicsi és működik! Belül a műanyagház oldalára is ragasztottam. Egy 2mm vastag (vagy vékony), 11x20 cm lap súlya 80gr. Ha kopogtatom a lemezjátszó házát, nem műanyagosan kopog, hanem, mintha valami kemény kőtömböt vagy vastömböt kopogtatnék.
A vizszinten csavarok a tücsapágyak azokhoz hozzá ne nyulj.
Köszönöm az ötletet, elgondolkodom rajta...mellesleg van is itthon ilyen bitumenlap
Értem, már "elengedtem" a piszkálásukat
A gumilap alá vágtam kartonból alátétet...(2 mm vastag)...most ilyen...lehet csak placebo, de egy picivel talán jobb a hang, mint nélküle
....az "sz" betűk szép tiszták A hozzászólás módosítva: Szept 21, 2025
Nem hiszem, hogy ettől több kell és igen jol lehet a füled, hogy a különbséget meghallja.
Nem kell több
...és a fülem nem annyira jó már, de ahogy utána olvastam a témának, ilyen probléma esetén az s/sz hangok és a cintányér hangja eléggé bántó tud lenni. Feltettem ugyanazt a lemezt alátét nélkül és az alátéttel és én hallom a javulást ![]() Egyébként szerintem egy "rejtély" is megoldódott...mindig furcsa volt, hogy a karlift miért emeli az egekbe a kart...tegnap visszavettem a gyári érték közé 8-13 mm (visszaengedtem olyan 8-10mm-re)...aztán ma az alátétek használata után a felemelt hangkar a lemezen pihent...visszaállítottam a korábbi magasabb pozícióba. Most minden klappol. Gondolom előttem is alátéttel használták, ezért volt magas a beállítás ![]() Köszönöm a tanácsokat!
Lemezjátszó szíjSziasztok! Kaptam egy Schneider Minividi 2500 RC típusú mini-hifit, lemezjátszó ékszíj elszakadt maradványai benne voltak. Tányér belsőt megmérve olyan 125 -126mm.-t mérek, 0,5mm vastagságú a szíj. Nézegettem, vannak szíjak, de nem egy általános méret ez, inkább 128mm.-es , abból van sok, de van 126mm.-is, és ami érdekes szinte fillérekért kapható HQ.-ban, 124mm, 0,6mm lapos szíj. Hogyan lehet a méretet kétséget kizáró módon megállapítani? Illetve mennyi tűréssel dolgoznak ezek? Ha laza, megcsúszhat, leesik, nem forog, ha meg nagyon picit is feszül ,akkor meg megfogja a motort, és beeeelasssúúúl..
Szia,
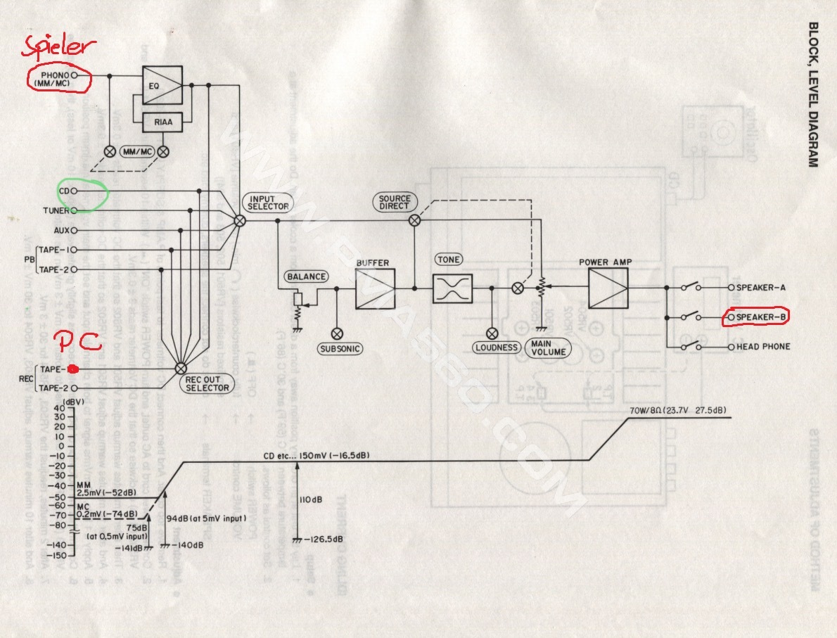
ezt tudom mutatni, de sokan egyszerűen egy cérnával "helyettesítik" a mérésre és azt mérik le. Én amikor használtam vettem az enyémet, akkor olyan kicsi volt rajta, hogy ha két méretet lejjebb megyek akkor a fele lett volna, mint ami kell rá. Onnan láttam, hogy nem oké, hogy a motor tengelye ferdén állt. TorzitásSziasztokTelefondoktor vagyok. A fiam valahogy nem boldogul az uj gramofonjával. Eredetileg AT pickup volt benne, adtam neki egy Shure M75-t a gond maradt. Elöször a kar kabele ésére gondoltam, mert ugyanolyan jellege van a zajnak mint a rossz kontaktusnak. A lemezjátszoban van belsö korrektor meg ki is van vezetve a hangszedö. A jelenség több mint érdekes. Az egyik ( bal ) csatornában enyhe recsegés hallhato a hangosabb jeleknél, függetlenül attol, hogy a belsö korrektoron vagy. DENON korrektorán hallgatja a zenét. Ami viszont érdekes, ha a gramofon LINE kimenetére a PCt csatlakoztatja megszünik a zavar, és ugy is marad, ha a PC kábelét kihuzza a csatlakozobol. Kb 10-15 perc mulva viszont ujra megjelenik. Már játszottunk a földeléssel meg a kábelekkel is semmi javulás. Ha a belsö korrektort használja akkor kevesebb a recsegés, de ott van. Igy telefonon nehéz valamit kitalálni, ha minden igaz a jövöhéten elutazok hozzá, ha esetleg van valakinek ötlete mi minden lehet az ok. Sajnos az én müködö erösitöm a hugomnál van kb ugyanolyan messze mint a fiam.
Szia!
A távgyógyítás nehéz, pláne, hogy nem is vagyok jó szervizes. Ezért csak ötletelek: - nem írtad, a típust. Ha a külső korrektort használjátok, akkor belső leválasztódik, vagy az is rajta marad a hangszedőn? - a belső korrektort tápját le kellene kötni. Így behatárolható, hogy onnét jön-e a zaj, ami valahgy visszahat a bemenetre. - ha ő a bűnös, akkor vagy végleg ki kell iktatni, vagy javítani kell. Bármelyik alkatrész lehet rossz. - ha ennek elenére nem javul meg, akkor passz. Azt sem írtad, hogy szíjas vagy DD lemezjátszó?
Közben már tisztázodott ez az. A lemezjátszo vadonat uj középkategoriás szijhajtásu. A nevét nem tudom, de itt ez lényegtelen.
A gépben sok minden van, elöerösitö meg ADC. 2 kimenete van RCA ami átkapcsolhato direktbe. ( azah a pickup megy az RCA csatlakozora és onnan az erösitö PHONE bemenetére, vagy a belsö RIAA elöerösitö kimenete megy az RCAra majd onnan az AUX bemenetre. Azonkívül van rajta egy USB kimenet ( ezt nem használja). A hiba mindkét kapcsolásban megjelenik. Ezért elöször a pickup vagy a belsö átkapcso rosszalkodik ( nagyon alacsony jelszint) de erre nem lehet hatással a Tape csatikra kötött berendezés, márpedig ha oda csatlakozik a PC akkor a hang rendben van. A DENON PMA-500 egy használt erösitö, de eddig más forrásokbol a hanggal semmi gond nem volt.( tuner, CD) Ami érdekes a dologban ha a TAPE csatikra ráköti a PCt, akkor jo a hang, ha leköti a PCt akkor kb 10-15 perc múlva kezd az egyik csatorna sercegni, többnyire a bal, de állitolag a már a jobb oldallal is volt gond. Amit a fiam eddig nem tudott, azt tegnap deritettem ki, az erösitön 2 jelválaszto van az egyikkel a bemenet választja ami a Tape kimenetre megy, a másik meg azt melyik jel megy végül a hangszorokra. Itt van a kutya elásva ( hülye feliratozás). Ugyanis ha a nagy jelválaszto a TAPE1-re van tekerve , akkor az a hagyományos magno monitor funkciot jelenti, azaz egy 3 fejes magno esetén ilyenkor a szalagra felvett jelet hallod, ha a PHONOra akkor meg a bemeneti jelet hallod azaz ami a magno bemenetére megy. Gyakorlatilag ez a gyakoribb MONITOR funkciot jelenti, de igy még a gepkönyvben sincs leirva ( csak egy lábjegyzetben). Az én DENON erösitömöm egy extra gomb van erre MON felirattal. Ha most veszel egy PC-RCA kábelt ( 2 jack 4 RCA) az a PCn belül a bemeneti jelet a kimenetre köti, mert a PCben nincs 3. fej. Ez lehet az oka annak, hogy ha a PC kábel be van dugva az erösitöbe akkor az hibátlanul szol ( áthidalja az erösitö forrás kapcsoloját. Sajnos tegnap nem tudtuk folytatni a vizsgálodást mert nem volt extra RCA kábel. Azt gyanitom, hogy a jel választo kontaktushibás és ezt hidalja át a PCkábel. Dual 1239AÜdv! A Dual 1239A lemezjátszóhoz be lehet szerezni valahol a pitch-kontrol szabályozó fogasszíját?tűnyomás beállításaSziasztok!A napokban vettem egy Auna Birmingham HiFi sztereo rendszert. Nincs vele gond, csak a tűbeállítással nem boldogulok. A youtube-os tűnyomás beállításra vonatkozó videókban látottakat követve,akárhogy tekergetem, akármilyen értékre állítom be az ellensúlyt(a készülék használati utasítása nem tartalmaz a tűnyomásra vonatkozó adatot), a tű nem éri el a lemezt lejátszáskor. Felette van pár milliméterrel. Szerintetek mit rontok el a beállításnál? Előre is köszönöm, ha reagáltok.
Persze. Az ellensúly tömege szerintem túl nagy.
Gondolod, hogy ilyen képeket lehet látni a HEn?
Ha tul nagy az ellensuly akkor közelebb kell tollni a forgo tengelyehez. Ha nem segit egy kis fürágogumit ragassz a Pickup tartora |
Bejelentkezés
Hirdetés |




és a "művelet" közben még tanultam is pár új dolgot, hála az informatív hozzászólásoknak! 




, de az MK2 verziónál lehet magasságot állítani. Akkor marad a hangszedő alá valamilyen "alátét" applikálása...ezt milyen anyagból szokás/lehet kivitelezni? 







