Fórum témák
» Több friss téma |
Hello! Ez egy teljesen elhibázott kapcsolás..
Össze dobtam gyorsan egy verzió 0.1-et, itt még mindent lehet potival állítani és ha meg vannak az ideális értékek ki lehet váltani sima ellenállásokra. A C2 C3 RV1 Rv3 csak a tesztelhetőség kedvéért van benne, azokkal lehetett szimulálni az aksik merülését. Fent a button azért kell hogy el tudjon indulni a rendszer. (szimulátorban természetesen magától indul amint valamelyik akku fesz eléri a szint poti által beállított értéket.
A stab kocka helyett egy ilyet lehetne beépítani.
http://www.batteryuniversity.com/_img/content/final2.jpg
a 2,5V is csak a "Coke" töltetre vonatkozik, ( pl. US18650) a laptop akksiban 3,0V (graphite) ( pl. US18650GR ) mindössze nem tudod, hogy a "gyári töltődben" a kínaiak mire állították be, ( mennyire "kihegyezett" használatra gondoltak) és azt sem biztosan tudjuk mindig kideríteni, hogy pl. Coke szén van-e Li-ion cellánkban, vagy valami más. az "akár 5,01Voltra is " inkább arra vonatkozott, hogy ha a töltésbe, vagy a kisütésbe van joga beleszólni, akár "kézbe is veheti a sorsát" pl. nekem kevés és csak bontott US18650GR-es van, és irgalmas vagyok, hogy bírjon ki 2000 ciklust, akkor cutoff = 3,6V, ha úgy akarom hajszolni, hogy csak 1000 ciklus legyen az élete, akkor cutoff = 3,5V ha túl akarom hajszolni, 500 ciklus legyen az élete, akkor cutoff = 3V Arconir (szerintem) az LM317 (5V 2A) segítségével fogja elfűteni az akku energiájának egy részét ( Ő innen közelíti meg a gondját) Az általad ellenjavallt (teljesen jogos) dolog akkor van kezedben, ha Te szólhatsz bele, ha a marketingológus, kínai "tervezett élettartam" csak 300-500 ciklus, akkor hamarabb kell venned új akkut.
a FET bázisú TL431 egy 431-es datasheet mintapéldája is ilyen,
http://pdf.datasheetcatalog.com/datasheet_pdf/niko-sem/L432M3B_to_L...VB.pdf és az Ati Radeon 9600 agp kártyán marékszám van memóriamodulonként 1-1 db a hatásfoka persze tényleg vacak ![]() meglátjuk, hogy Arconir 2s2p -t átalakítja-e 1s4p-re ?
Hello! Ha még nemkéső, egy megoldás..
Sziasztok
Vettem egy ilyen telefon töltőt, és számomra érdekes dolgokat produkál. Az adatai alapján 5V, 1,5A-es. Az USB-vel rátolom a telóra, és 950mA a max. töltőáram. Mérve, időnként leesik 80mA-re, és a feszültség felugrik 5,51V-ra. A teló töltése ilyenkor lekapcsol, majd újraindul, amikor a töltő visszaáll a 4,96V-ra. A végén 86-92% között leáll teljesen a töltés.Szkópom nincs, nem tudom megnézni a jelalakot, de amikor elektromos cigit töltöttem, olyan volt, mintha másodpercenként ugrálna (villogott a töltő ledje) . Mit lehetne velük csinálni (2db van) ?
Ilyen tápegység kikapcsolt készülék, telefon töltésére alkalmas lehet. Annyit megtehetsz, ha be lehet állítani alacsonyabb töltőáramot, azt használod ezzel a táppal.
Ez elvileg kimondottan telefon töltő. Ha kikapcsolom a telót, ugyanezt csinálja. Szabályzási lehetőség nincs, de az 1A nem is lenne sok. Azt nem tudom, hogy a telefon állítja le a töltést (melegedés miatt), vagy a töltő. De a teló sw-jét is összekutyulta.
Az eredeti sony töltővel semmi gond.
Rakj rá egy ellenállást, amin 1.5A-nek kell folynia, és teszteld. Így kiderül, hogy tudja-e az 5V 1.5A-t, és hogy megsül-e a töltő fél óra után?
A telefon érzékeli a töltőt, elkezdi tölteni az akkut. A feszültség valamilyen oknál fogva lecsökken (pl. túl vékony az USB kábelben a vezeték, a töltő védelme bekapcsol), a telefon úgy érzékeli, hogy a töltő már nincs csatlakoztatva, leállítja a töltést. Áramfelvétel híján a feszültség megugrik, a telefon érzékeli a töltőt és kezdődik minden az elejétől...
Szerintem.
Én is erre gondoltam, csak azt nem értem, miért állítja le a teló 86-92% között teljesen a töltést?
Sziasztok!
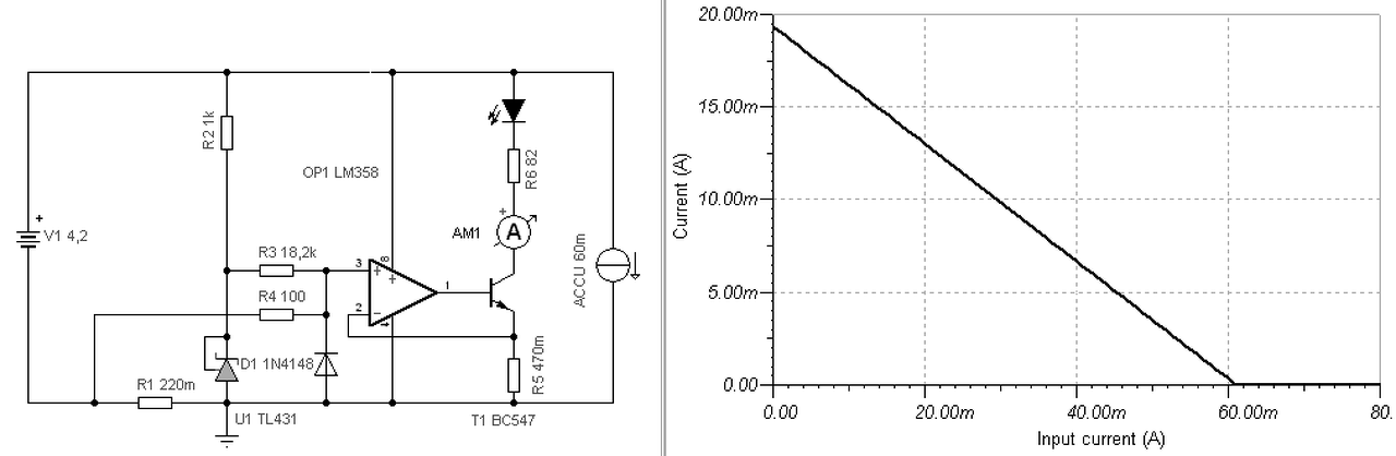
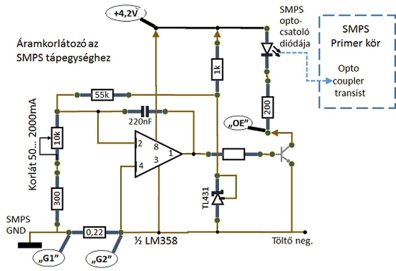
Lenne egy Li-akku töltőhöz tartozó kérésem. Azt szeretném, hogy a töltés vége felé egy zöld LED, lassan felerősödve jelezzen. Tápom egy SMPS, a töltőáram korlátozását egy LM358 egyik fele végzi (saját kivitel), a második felét gondoltam a visszajelzésre használni. Ebben szeretnék segítséget kérni. Töltéskor a LED sötét volna. Kb. 60 mA-nél szeretném, hogy elkezdjen fokozatosan jelezni, és akkor világítana teljesen (LED 15mA), ha a terhelés ~ nullára csökken. Mivel a LED érzékelt fényereje az áramra exponenciális, ezt jó lenne némileg ellensúlyozni. Ld. melléklet. Pontosság igénye nélkül, de azért jó lenne érzékelhető fényerő-változást produkálni a 0...40 mA terhelés tartományban is, nem csak a 40...60 mA között. Lineáris működés is jobb a semminél, de még a fix ponton való bekapcsolásnál is. köszi előre is, ha valaki tudna rajzot mutatni. A hozzászólás módosítva: Jan 27, 2016
Hello! Egy Led fényerejének változtatásával sok mindent nem fogsz tudni megállapítani.
Helló, Köszi a gyors reakciót. Igazából, nekem az a kevés már elég volna. Van referencia LED is a közelben, egyébként. Csak kis mértékben számít most a különbség ebben a tartományban (80-90% és felette). Nem fogják ezt a készüléket nagykerben árulni...
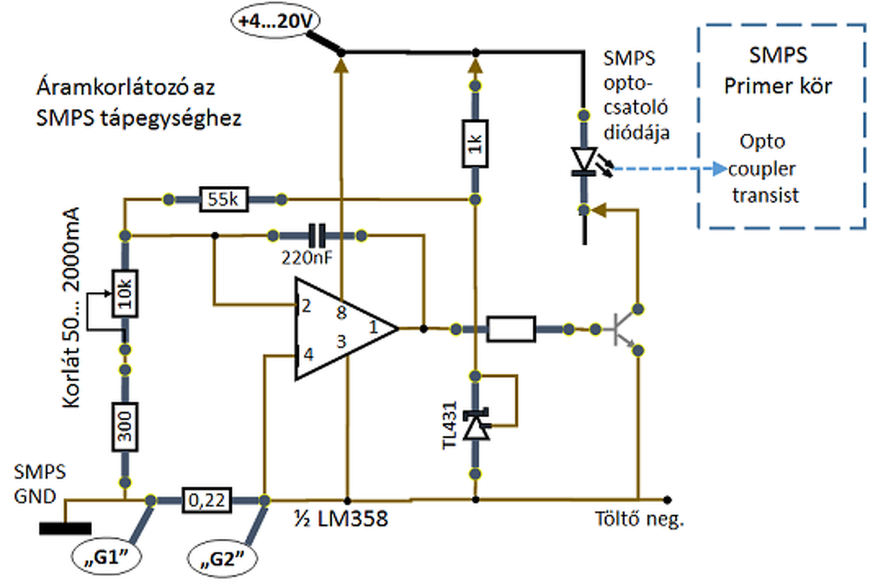
Asszem az opamp-ból fesz erősítést hoznék ki, utána teszek egy tranyót és kész. Esetleg zénerrel shiftelem a fesz-t... Csak mégis gondoltam jobban haladok ha szakértőtől kapok tippet, mert anélkül sokáig eltart a dolog. A rajztól eltérően ennek a lednek csak fix 4,2V-nál kellene működnie, nem 4-20V-ig. (Plusz lemaradt az opto led előtétje a rajzról, de mondjuk nem releváns a visszajelzés szempontjából) Köszi!! A hozzászólás módosítva: Jan 27, 2016
Megrajzoltam pld. hogyan lehet megoldani. Apró hiányossága, hogy a 0,22ohm-on 60mA mellett 13,2mV van. Miközben az OPA offset hibája átlagosan valahol 3..5mV körül mozog.
Waoh. Nem semmi hogy igy zsigerből nyomod... Kiprobalom de meggyőződésem h jól fog működni, akár egyből nyákolhatnám. Sajna a kör többi része már kész, és ennyi alkatrészt nem lehet csak ráforrni pótlásban... habár... csak 5 pici alk plusszban, ha jobban megnézem. Hálás köszönet, bár tudnám viszonozni. A pontokon kívül...
A hozzászólás módosítva: Jan 27, 2016
Nem késő! Köszönöm a segítséget, időközben tesztelgettünk bár sikerrel nem jártam de leegyszerűsítve a lényeg az lenne, hogy menet közben esik le 44-43V alá a feszültség ha már gyengélkednek a kocsik és csak annyi a lényeg, hogy ekkor már bevillanjon a LED. Nem vagyok nagyon jártas az elektronikában, de rajz alapján meg tudom építeni szóval ebben kellene segítség. A csatolt rajzban milyen értékeket kellene módosítani, hogy 44V-nál jelezzen?
Ha az R4 ellenállást 51kohm-ra cseréled, akkor a trimmer potival, kb. 40..48V között állítható be a küszöbérték.
Sziasztok!
ez az áramkör használható a jelenlegi alkatrész értékek mellett 3 cellás li-polymer akku töltésére? A potméterrel a kívánt kimeneti feszültséget (3*4.2V) kell beállítani? Esetleg egy olyan LED-et lehet valahogy belerakni, ami akkor világít, amikor a töltés kész? Ni-Cd akku helyére raknám be egy akkus fúrógépbe és a gyári töltő dobozába akarom belerakni, a gyári 15V-os 0.5A-es adapterrel szeretnék tölteni, így majd 0.5Ohm-os lesz az áramkorlátozó ellenállásom is.
Hello! Én ezt csak kiegészítettem MATA kívánságai szerint. (Én nem építek ilyeneket.) De három soros cellát alapvetően nem így kell tölteni. Hanem áramgenerátorral, és cellánként balanszer kapcsolással. De a 15V is kevés lesz ehhez, mert a 3*4,2V=12,6V. Az LM317-hez 2V maradék feszültség kell, és a két tranyóhoz 2*0,6V. Az összesen 15,8V. Ha a trafó ténylegesen 15V-ot produkál, akkor kevés a villany. Leg jelzés van benne, de a töltést jelzi, vagy is kialszik, mikor kész. De megváltoztatható, ha a helyét rövidre zárod és a Led-et a tranyó kollektor és emittere közé teszed.
Sziasztok,
Okos töltőm van és bontott samsung Liion 18650-es cellák, amikben 3,85V fesz van egységesen, de hiába töltöm a töltövel külön küldön vagy együtt sorbakötve, így sem úgy sem emelkedik a fesz, de a töltő írja, hogy mennek bele a mA-ek. Lehetséges hogy mind a 6 cella ugyan úgy ment tönkre? Kb 1-1,5 éves cellák, noti akkuban voltak. Előre is köszönöm a segítséget. üdv PIXI
Én egyesével szoktam tölteni minden bontott cellát...
Ami párhuzamosítva van, azt vehetjül egynek, szóval ha rárakod a töltőre 1S (LiIon) állásban, és töltés közben multiméterrel megméred a cellán a feszültséget akkor hány volt van? A hozzászólás módosítva: Feb 2, 2016
3 soros cella esetén, és 1 cella esetén is max 3,9 voltot vagy ugye ennek a 3x-át tartja. Már 7 éve modellezek és LiPo akkukat használok, de ilyen jelenséggel még nem találkoztam!
Most 1A merítésre tettem őket, kiváncsi leszek mennyi jön ki belőlük, és utána hogy fög majd növekedni a fesz töltéskor.
Szia !
Jó cellának nagyon kicsi a belső ellenállása, ezért fogadja az a töltőáramot amit beállítasz pl. labortáp vagy az intelligens töltőd programban beállított töltőárama. Az 1 C nagyságot Li-ION cellák esetén nem igen szokták túllépni. A cellák feszültsége a kis belső ellenállás miatt nagyon lassan emelkedik, multiméterrel mérve csak lassú emelkedést látsz. 3,8-4,2 V-ra töltés akár 1-2 órát is jelenthet.
Nem lehet, hogy más töltési karakterisztikával töltöd?
Li Ion módba kell tölteni. Ha töltés alatt rámérsz a cellafeszültségre, akkor 4.1 voltig fel kell menni. Ha rossz a cella, akkor nem megy fel erre a feszültségre, viszont akkor az melegszik elég rendesen, akár fel is forrhat (pl zárlatos a cella). Vagy ha fel is megy, a töltés befejeztével látványosan csökken a feszültsége, míg be nem áll X.XX V -ra. Ha egyáltalán nem melegszik, akkor fel kéne menni töltés alatt 4.1V -ra. Sokat bontottam már, és amit fel lehet tölteni, az felmegy 4.1V -ra, ekkor kapcsol ki a töltő. Persze van olyan cella, ami ezután egy két nap mulva már csak 3.8V körül van, ezekkel nem tudsz mit kezdeni, ez már a végelgyengülés jele. Persze elemlámpába még ez is jó... A hozzászólás módosítva: Feb 2, 2016
Szia,
Igen ez így oké, elég jól ismerem az akkukat, de ugye két cella van párhuzamosan, ami adatlap szerint 3000mAh/db, vagyis 6000mAh. 0,5C-vel töltöttem és a töltö szerint több mint 6000mAh beletöltése után is még 3,9V-on állt/cella. Ugye a több mint 2 óra után néztem rá. Ez így nem épp megfelelő, de nem találkoztam eddig ilyen hibával.
Igen, LiIon módban van a töltő. Amúgy érdekes, de az adatlap 4,35V max-ot ír! Ezen meg is lepődtem! De mint fentebb írtam, 6000mA után is 3,9V volt benne /cella.
Na majd most a merítés után kiderül mi is a helyezt. Ja, amúgy van másik ilyen bontott akkum is, azokkal nincs semmi gond, és LiPo módban töltöm őket 4,2V/cella feszre. A töltő pedig úgy tölt, hogy a beállított amperral tölt míg el nem éri a 4,2V/cella feszt, utána csökkenti az ampert míg el nem éri ha jól tudom a 0,3A áramfelvételt. Utána leáll. |
Bejelentkezés
Hirdetés |


















